Fórum témák
» Több friss téma |
köszi.
de ha sorba van kötve... a sorrend elvileg mindegy. ?? vagy miért a katódhoz tegyem?? + kapcsolásokban sűrűn látni hogy kolektoron és az emiteren is van ellenállás..... hogy is van ez??
Helló
Én egy ütemre villogót építenék 2-3 víztizta ledből. A tervek már meg is vannak: egy aluláteresztő szűrővel kiválasztanám a mély hangokat és utána ezt a jelet egy schmitt-trigger alakítanám négyszögjellé és ezzel a jelel vezérelném a villogót. itt már kaptam egy kiss segítséget: Bővebben: Link Csak megállt a beszélgetés ezért most itt kérnék egy kis segítséget. schmitt trigernek egy 4093-as IC-t használnék csak azt nem tudom hogy a jel illesztését hogy lehet megoldani. Illetve az aluláteresztő szűrő és az IC közé kellene valamilyen erősítő, ha lehet nem túl bonyolult(jó lenn egy olyan műveleti erősítővel amiből 2 is van egy tokban). Így elég lenne egy 2db IC és néhány ellenállás meg kondi az egészhez. Előre is köszönök minden segítséget Ui: Valaki nem tudja hogy a 10mm-es erősfényűledek mennyi áramot zabálnak 5V-on?
Sziasztok
találtam ebben a témába ledes villogót és azt szeretném meg kérdez hány darab szuper erős kék ledet tudnák róla működtetni
Hali!
Attól függ mit értesz Idézet: alatt és milyen tranyót használsz! „szuper erős kék led” szerk.: Minél nagyobb áramú tranyót használsz, annál több LED-et tud meghajtani, de vigyázz, változni fog a villogás frekvenciája is!
Hány darab LED-et akarsz villogtatni és milyeneket.
Ilyet? Viszont úgy nagyon változhat a frekvencia, sokat kell vele szöszmötölni. Inkább ezt a kapcsit ajánlom, ez is filléres: Bővebben: Link
Hali mindenkinek!
Gondoltam megépítem a csatolmányban található kapcsolást. De csak FET-em van itthon mégpedig ez. Az lenne a kérdésem hogy a két ellenállás értékét (1k, 3k3) milyenre kell hogy változtassam? Előre is köszönöm! Üdv!
A csatolmány lemaradt
Szia!
Az 1k ellenállást cseréld 100 Ohm-ra, a 3,3k ellenállást meg elhagyhatod. Üdv.
Egy újságban megjelent kapcsolással szeretnék kedveskedni nektek, hátha még nem volt, és jó lesz valakinek a témában.
Hűűűű!
Köszönjük szépen! Én most nagyon örülök neki! Üdv!
Sziasztok!
Megépitettem a következő kapcsolási rajzot, és nagyon jól üködik. Azt szeretném kérdezni, hogy tudnám ezt a zene hangjára villogtattni?
Sziasztok!
A mellékelt oldalon található kapcsolást szeretném megépíteni de az R5ös potinál a 20 nebo az mit jelent? Gondolom az értéke 25Kohm csak ez a nebo nem tudom mit jelent. Tudnátok segíteni? üdv szaky27 Bővebben: Link
Az egy sima trimmerpoti, és az értéke 20k, de tehetsz helyette bátran nagyobb értékűt is,25-50k között bármilyet.
Egyébként a "nebo" csehül annyit jelent:vagy.
Tehát a potenciométer 20 vagy 25k értékű legyen.
Köszönöm a gyors választ!!
Még annyit hogy ezzel 10 db Lednél többet is lehet vezérelni?
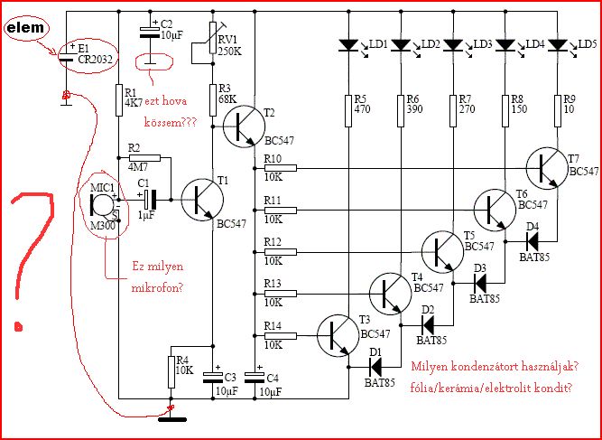
Sziasztok!
Ezt a stroboszkópot szeretném megépíteni, de lenne pár kérdédem. Ezeket megtalálhatjátok az általam mellékelt képen. A válaszokat előre is köszönöm.
Elektrolit kondikat kell használnod, a kondi negativ pontját testre kell kötni (a vizszintes vonal) a mikrofon pedig piezo.
Ha ezt a Kapcsolást megépítem mennyit fognak villogni a ledek másodpercenként? 5 x felvillannak?
És hogy hat ez a ledek élettartamára? (kedvezően vagy sem?)
Hello!
Ennek a kapcsolásnak, kissé véres a torka.. - Hiányzik a tranyó és az IC között egy bázisellenállás. (pld. 470ohm) - A 100kohm-os poti, és a dióda közé is kellene egy ellenállás. (pld. 10kohm) (A 4. lábat, nem szokás az 5. lábra kötni, hanem a tápfeszültségre. Ettől még működhet) Ha ezek a változások megvannak, akkor a poti állásától függően másodpercenként kb. 1..10-szer fog villanni. A Led-ek elég jól bírják a villogást. Viszont a Led típusának ismeretének hiányában nem lehet tudni, hogy a 100ohm-al beállított Led-áram nem lesz-e túl sok. üdv! proli007
Ezt a kapcsolást csináld meg. Ez tuti működik!STROBI
Én épp a minap csináltam ,DE a bd249 helyett bd139-et tettem bele és a 25k poti helyett egy 1k nagy potit.Továbbá kihagytam az r1-es ellenállatot és oda tettem be a potit,a 100 mikrós kondi helyére egy 470 mikrós került.Ezekre a változtatásokra azért volt szükség hogy valóban stobi szerű legyen a dolog, de még így is csiszolni kell rajta.Eredeti állapotában olyan gyorsan villogott hogy a szem alig reagált rá,szinte csak vibrált. A másik probléma vele hogy nem kigyulladnak a ledek hanem elalszanak folyamatosan így ha nagyon gyors villogásra állítom akkor szintén csak vibrál, ha lassúra akkor patentul muzsikál.(mondhatni mint egy strobi) Egyébként 40 magasfényű fehér led villog,simán bírja abszolút semmi melegedés,még 60 ledet tervezek hozzá.
Hello!
Csak a tisztánlátás kedvéért.. Nos, ez a kapcsolás működhet, de műszakilag koránt sem korrekt. - A kapcsolás 5V-ról működik, és a Led-ek előtt nincs áramkorlátozó ellenállás. Holott az általad alkalmazott fehér Led-ek maximális nyitófeszültsége valahol 3,6V körül lehet. (A kapcsolásban eredetileg alkalmazott Led-eknél ez 2,2V és a maximális nyitóáram 7,5mA) - Így a Led-eken folyó áram, alapvetően az R4-es 8,2kohm-os bázisellenállástól és a BD139 végtranzisztor áramerősítésétől függ. Egy-egy Led-en átfolyó áram, pedig az árameloszlástól, ami a Led-ek gyártási szórásától lesz függő. Ha a kis BD áramerősítését (bétáját) 100-ra vesszük, akkor a várható kollektoráram, 500mA körüli értéket fog felvenni. [ Ib=(Ut-UBE)/Rb (5V-,65V)/8,2kohm=5mA Ic=béta*Ib 100*5mA=500mA) Ez oszlik meg a Led-eken. (az eredeti kapcsolásnál, ha feltételezzük, hogy az áram még is valamely szerencse folytán egyenletesen oszlik el, 50mA-t jelent a katalógus maximális 7,5mA-el szemben..) - Az eredeti kapcsolásban a Led felvillanási idejét, az R2 ellenállás, és a C1 kondenzátor határozza meg. T=R2*C1*0,7=180ohm*100uF=13msec - A szünetidőt az R1-es ellenállás, az R5-ötös poti, az R2 ellenállás és a C1 kondi határozza meg. Ezt a poti két végállásában kell vizsgálni. Tehát Tmin=(R1+R5+R2)*C1*0,7=(560+0+180)*100uF*0,7=52msec (ez másodpercenként kb. 20 villanás) Tmax=(R1+R5+R2)*C1*0,7=(560+20kohm+180)*100uF*0,7=1,45sec (azaz kb. másfél másodpercenként villan) Az R1 ellenállást semmi esetre nem szabad kihagyni. Mert ha a R5 potit minimumra tekered, akkor amikor a 7. lábon lévő tranzisztor kinyit, nem korlátozza az áramot semmi (illetve megint a belső tranyó áramerősítési tényezőjének és bázisáramának szorzata). A 7. lábon lévő Discharge tranzisztor maximális kollektorárama, valahol 20mA körül van. De ha Te ezt zárlati árammal terheled, akkor simán tönkre mehet a tranyó, ha akar. 20mA árammal számolva, R1 minimális értéke 5V/20mA=250ohm üdv! proli007
Még kísérletezgetek a dologgal szal nem végleges+ figyelembe véve amit leírtál,az alapján is tudok már állítani rajta
"- Az eredeti kapcsolásban a Led felvillanási idejét, az R2 ellenállás, és a C1 kondenzátor határozza meg. T=R2*C1*0,7=180ohm*100uF=13msec - A szünetidőt az R1-es ellenállás, az R5-ötös poti, az R2 ellenállás és a C1 kondi határozza meg. Ezt a poti két végállásában kell vizsgálni. Tehát Tmin=(R1+R5+R2)*C1*0,7=(560+0+180)*100uF*0,7=52msec (ez másodpercenként kb. 20 villanás) Tmax=(R1+R5+R2)*C1*0,7=(560+20kohm+180)*100uF*0,7=1,45sec (azaz kb. másfél másodpercenként villan)" Ebben a pár mondatodban egyetlen egy hiba van.Méghozzá a hiba az hogy folytonos villogást szaggat az 555-ös szóval nem felvillanások vannak,hanem folytonosan kialszik a led ahogy állítod.Tehát beleszaggat az állandó világításba.(remélemérthetően írtam le )Nem tudsz vagy tudtok erre megoldást?Tehát felvillanások legyenek az a lényeg.
Hello!
Az hogy valami felvillan, vagy megszakad csak nézőpont, de legfőképpen a négyszögjel kitöltési tényezőjének kérdése. Az 555 alapkapcsolásában (mint ez) olyan jelet tud kiadni, ahol a magas szint ideje, hosszabb mint az alacsony szint idő. Ha ezt egy egyszerű tranzisztoros meghajtóra vezetjük, akkor a Led-ek tovább égnek, mint amikor sötétben vannak. Ezért van a meghajtó tranzisztor előtt a jelet invertáló tranzisztor. Tehát, ez a kapcsolás, alapból jól kell hogy működjön. (Az első tranyó kollektorában már fordított a fázis, ott a magas szintnek van rövidebb ideje. Tekintve, hogy Te a kondit megnövelted közel ötszörösére, a felvillanási idő 13ms-ról kb. 61ms-ra nőt. Mivel az ütem ezzel lassult, kisebb potit alkalmaztál. Az 1kohm-os poti ellenállásának maximális állásában, a szünetidő most kb. 388ms. A jelidő közben 61ms. Minimális állás mellett pedig folyamatosan ég, mert áll az 555. Ha "villogásnak" szeretnéd látni, vissza kell állítani a jel-szünet idő arányát. De lehet ez okoz némi érzéki csalódást. A szem, ugyan is integrálja a fényt, tehát ha egy Led felvillan, azt látja, ha ugyan ennyi időre elalszik, azt szinte nem veszi észre. Főleg az éleslátás mezőjében. A perifériás látásnál, (tehát oldalról nézve de nem arra tekintve) az 50Hz-et is villogásnak észleled. Vagy ha mozgatod a tekintetedet, vonalakat látsz mint a "szkópon". üdv! proli007
Helo sziasztok!
Olyan kérdésem volna, hogy megépítettem az alábbi kapcsolási rajzon szereplő áramkört és olyan próblémám van, hogy beüzemelésnél csak villan egyet és utána elalszik.Ez mitől lehet?(kezdő vagyok az elektronikában, de tanulékony )A tranzisztort bc 140-re cseréltem.Előre is köszönöm a segítséget! Helo!
A 4-es lábát kösd össze a 8-as lábbal. Úgy már fog villogni.
|
Bejelentkezés
Hirdetés |









)





