Fórum témák
» Több friss téma |
Sziasztok.
lenne 3 kérdésem lm3914-es vu-meterrel kapcsolatban. elég kezdő vagyok még ehhez, de sikerült építenem egy müködő vu-métert csak kiváncsi vagyok mennyire lehet módosítani esetleg ezt a szerkezetet. 1.:készítettem egy vázlatot a kapcsolási rajzon hogy csak egy kicsivel mélyebb hangokra reagáljon jobban.. (az értékeket sajnos nem tudom körülbelül sem) ezt meg lehet esetleg csinálni??? 2.:egy másik vu-meternél láttam visszafutási idő "állítást" (220nF-1uF) és ezt ha gyorsra szerettük volna akkor 220nF-es kondenzátor-> gyors kell , ha lassabra akkor 1uF. , Szóval ebbe az áramkörbe lehet ilyet rakni?? 3. autóba terveztem a dolgot , és olvastam olyat hogy estleg sok lesz amit kap az áramkör vagy ilyesmi... mi a teendő ha esetleg autóba szeretném beszerlni ezt? (egy trimmer a +IN hez mondjuk ?? ) elnézést ha estleg már szerepeltek ezek a kérdések de teljes mértékben nemtaláltam választ a kérdéseimre így gondoltam felteszem őket . Üdv. Zsolt
Szia
1. amit csináltál az egy aluláteresztő szűrő. A vágási frekije a f=1/(2*pi*R*C) képlettel számolható. 2. visszafutási időt nem lehet igy állítani szereintem. Ugy lehetne, hogy csinálsz egy csúcsdetektort és ugy választod meg benne a R,C elemeket hogy addig tartsa bent a jelet ameddig szeretnéd (dióda, R, C) Nekem ezzel az a bajom, hogy elég freki függő. A mély hangokra érzékenyebb mint a magasakra. Bár lehet ez kell neked. 3 az auto hangszóró kimenetéről le tudod venni a jelet természetesen egy oszó segítségével Az előző hozzászólásomban az orion.jpg-ben találsz egy csúcsdetektort osztóval (alső ábra). Az M1501 helyére bekötöd az Ic bemenetét. A RC elemek értéket lehet változtatni kell. Ja, a 3914 lineáris IC. Hangerő mérésre logaritmikust szoktak használni a 3915/3916-t . A 3916 nagyobb átfogást ad. Zs
Szia
Köszönöm a segítséget . Még elég kezdő vagyok ezért nemigazán értettem néhány dolgot ebben a csúcsdetektorban. Megpróbáltam megcsinálni a rajzát de nemsikerült .
köszönöm!
Hello!
Hú, ha most erre a felmerült kérdésekre mind válaszolnék, akkor az egy végeláthatatlan folyamat lenne, de azért próbáljuk meg röviden.. - A referencia feszültség számításánál elsőnek a szükséges Led áramot vesszük figyelembe. az egyszerűség kedvéért ezt most 12mA-re válasszuk. Így tudható, hogy a referencia feszültséget ennek kb. tizedével kell terhelni, hogy az ára,generátorok tényleg 12mA-el hajtsák majd a Led-eket. (vélhetően ez a módszer az IC lábak csökkentése miatt lett választva) - Amennyiben a belső referencia értéke 1,2V, 1,2mA terhelő áramhoz az R1-et 1kohm-ra kell választani. - Ha az IC referencia feszültségét 10V-ra szeretnénk választani (10V-ra gyúladjon ki az utolsó Led) akkor ebből a feszültségből az R1 ellenállásra 1,2V jut, az R2-re pedig a maradék 8,8V. Mivel az R1 és R2 ellenálláson ugyan az az áram folyik át, R2 értékét UR2/IR2 képlettel számolhatjuk. Így R2 értéke 7,33kohm-ra adódik. (Az Ic bemeneti áramát most lazán elhanyagoljuk). - Most ha R1 értékét 1kohm-ra, az R2-őt 7,3kohm-ra választottuk, akkor a tényleges referencia a referencia kimenet és a GND között kb. 10V-ra ál be. Így a Ref-Hi és Ref-Lo lábat ide kötjük. Mint említettem, az IC váltófeszültséget dolgoz fel, de csak a pozitív félperiódust. A jel a csúcsértékén sokkal kevesebb ideig tartózkodik, mint alacsonyabb szinten, ezért a felül kigyulladó Led-ek halványabbak. Jól látod, ha ezt át szeretnéd hidalni, egyenirányítani kell. De mivel az egyenirányítóban kondi is van (ami tárolja kellő ideig a csúcsértéket), lassítja is a kijelzés folyamatát. (Olvassátok el, amit a műszeres kivezérlésjelzőről írtam a kis cikkben) - Az általad választott áramkör analóg műszerhez készült. Annak terhelése is bele van kalkulálva a csúcsérték tároló kondi terhelésébe. Így nem biztos, hogy a kapcsolás közvetlenül jól fog működni ezzel az IC-vel. - Tekintve, hogy a műszernek mindegy hogy pozitív periódust egyenirányítod vagy a negatívat (mert csak a műszert kell fordítva rákötni) itt a negatívat egyenirányították, de ez számodra nem jó. - A műszerrel párhuzamosan kötött soros ellenállás-dióda, megpróbálja a logaritmikus skálát ráigazítani a műszer skálájához. Úgy, hogy torzítja a lineáris kijelzést. Az IC-nél ez felesleges, hiszen az valóban dB-ben van kalibrálva a belső feszültségosztóval. - Tekintve, hogy a hatékony kijelzéshez a kondit gyorsan kell feltölteni, a töltési folyamat a dióda kis ellenállásán keresztül zajlik le. De illik sorba tenni valamekkora ellenállást ezzel a diódával, mert esetleg a kondi beterheli a végfokot és az nem igazán fog örülni neki. A töltés tárolása (meddig látszik a kijelzett érték) viszont a kondi kisütési ideje fogja meghatározni. Azaz a kondira kapcsolt terhelő ellenállás és a kondi értéke. Ez az idő közelítőleg a T=R*C képlettel határozható meg. - Mivel a végfok feszültségét hozzá kell igazítani a kijelzéshez, célszerűen ez a terhelő ellenállás, a kondi után kötött poti ellenállásával lehet beállítani. A szükséges kondi értékét meg próbával, hogy számunkra mi a megfelelő kalimpálás. Szóval ezeket az elméleti alapokat kellene megfontolni az átalakításhoz. üdv! proli007
Szia!
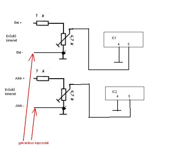
Köszi a választ. Az lenne még a kérdésem, hogy ha csinálok egy bemeneti osztót a bemenetre és annak a negativ polusát az erősítő negativ csatlakozójára kötöm majd a komparátor negativ ref lábát a fóldre akkor müködik rendesen a kijelző. (A pozitivakat meg a megfeleleő helyekre). Ha azt megépítem sztereo kivitelben akkor az erősítő negativ csatlakozói össze lesznek kötve egymással galvanikusan és még a fesz. stab.-ok negativ csatlakozojával is össze lesz kötve a negativ hangszóró kimenet. Ez nem gond az erősítőnek? Csatoltam rajzon is.
Hello!
- Egyenirányítani közvetlen a hangszóró jelét érdemes, hogy a dióda (700mV) nyitófeszültsége elhanyagolható legyen a bemeneti feszültséghez képest. Így a feszültségosztót, az egyenirányító után és nem elé célszerű tenni. - Tekintve, hogy a kivezérlésmérő az erősítő kimeneti jelét méri, minden GND pontot (erősítő-egyenirányító-kivezérlésmérő táp) közösíteni kell. Viszont arra kell ügyelni, hogy ha a végfok hídkapcsolású, akkor a hangszóró vezetékek "negatív" pontját, nem lehet közösíteni. Ebben az esetben is megoldható a kivezérlés mérése, csak a kivezérlésjelző tápfeszültség GND pontját, az erősítő tápfeszültség GND-vel kell összekötni (ugyan úgy mint az előző esetben is). Az egyenirányítóra menő jelet, pedig az erősítő "plusz" kivezetéséhez. (Az erősítő "negatív" pontja ilyenkor csak a hangszóróra megy.) Azt tudni kell, hogy az erősítő kimenetén a "plusz-mínusz" (piros-fekete) megjelölés, csak a hangszórók polaritás (fázis) helyes bekötését szolgálják. A hangszóróra menő hangfrekvenciás jel, váltakozóáramú, tehát "plusz-mínusz" polaritása nincs. A fázishelyes bekötésnek elsősorban a sztereó jel miatt van fontossága, hiszen a sztereó tér információját a váltakozó feszültség fázisviszonya hordozza. Úgynevezett "féltápfeszültséges erősítőknél azért is volt fontos, a fázishelyes bekötés, hogy a hálózat bekapcsolásakor létrejövő táplökés, a hangszórót membránt kifelé mozdítsa el. Így elkerülhető volt a hangszóró tekercs felütközése. üdv! proli007
Szia!
Szerintem nem fogom egyenirányitani, mert végülis a pillanatra felvillani jelek az aktuális csúcsértéket mérik amit tényleg az erősítő lead. Igy legalább fürge marad a cucc. Akkor nem gond ha a negativ csatik össze vannak kötve? Még a táppail is? Nem hidban dolgozik most az erősítő. Gondolom nem szabad az egész kivezérlésmérő dobozt negativ csatlakozóját a védőföldre kötni, ha az erősítő védőföldezve van. (Az erősitő digitális, de tényleg)
Hello!
Ha az erősítő GND pontja földelve van a hálózati földhöz, akkor úgy van. (De ha digitális a végfok, akkor erős a gyanúm, hogy még is hidalt.) De a kivezérlésmérő tápfeszültségének GND pontját, az erősítő GND pontjával kell összekötni. (A kivezérlésmérő háza ne legyen a hálózati földhöz kötve, mert földhurkot és ezzel búgást okozhat.) Legjobb, ha a hangszóró negatív pontját nem bántod. Csak a két GND-t kötöd össze, és a plusz kimeneteket kötöd a kivezérlésjelzőre bemneteire. Jobb lett volna látni az egész megoldást (készülékeket), mert szerintem nem tudod lerajzolni az általad kiválasztott bekötést. (legalább is nekem ez jön le) üdv! proli007
Szia!
Akkor az elejétől. Haverom házimozi erősítője, Yamaha rx V757. Ehhez szeretne kivezérlés mérőt. Most az erősítő földelési pontja (kis csavar a hátulján) nincs sehová sem kötve. Az erősítő össze van kötve tv-vel, számitó géppel (földelt). Két hangszóró kimenetre kötném be a kivez. mérőt. A hangszóró pirosát az osztóra a negativakat közösítve a VU méter negativ portjára és VU méter tápfesz negatív pontjára.A VU méter tápfeszét egy bolti 1A-es 12V os táp szolgáltatná, a VU méterben stab kockák a fesz stabilizálás és az 5V miatt (LED-nek)..
Hello!
A "vízen túli" szabványban az érintésvédelmi földeléseket külön kell bekötni, ezért van hátul a kis csavar. (Amúgy nagyon helyesen, ez azért is célszerű, mert a buta RCA csatlakozó csatlakoztatásánál, a jelvezeték ér be előbb. Pedig a harangnak kellene!) Amit kieszeltél, az megfelelő, csak bekötés előtt, mérd meg, hogy a hangszórók negatív pontjai között zárlat van-e (nulla Ohm). Ha igen, akkor sima a végfok, hiszen azok a GND-re mennek. Ha nem akkor hidalt, és nem kötheted össze. Egyébiránt sem célszerű a kivezérlésjelzőnél a két hangszóró vezetéket közösíteni. Elég lenne valahonnan a ki-bemeneti csatlakozóktól "ellopni a GND jelet. Ha pedig a GND tényleg összekötött a hátoldali kis csavarral, akkor onnan is elveheted a kivezérlésjelző számára a GND pontot. A jelet, meg a hangszórók pluszáról. Így biztos nem lesz gyereke senkinek.. üdv! proli007
Szia!
Ezt egyszer már megmértem és a két fekete között szakadás van! (kikapcsolt erősítő mellet) Nem tudom, hogy a kimenetet kapcsolo relay-k ilyenkor mit csinálnak. Leszedem majd az elektrotany-ről a rajzot és megnézem, hogy össze vannak-e kötve valamivel. Ha hidalva van gyárilag akkor? Idézet: „Elég lenne valahonnan a ki-bemeneti csatlakozóktól "ellopni a GND jelet. Ha pedig a GND tényleg összekötött a hátoldali kis csavarral, akkor onnan is elveheted a kivezérlésjelző számára a GND pontot. A jelet, meg a hangszórók pluszáról. Így biztos nem lesz gyereke senkinek..”
Ok.
Akkor majd összemérem a csavart az RCA testekkel. Még egy érintésvédelmes kérdés ezzel kapcsolatban. Amikor csatlakoztattam neki a kábeleket és ment a számítógép akkor az RCA kábel környékén bicsergést éreztem az ujjaim végén.. Ez földhurok vagy honnan jön a delej. Ha csinálok neki egy 3 polusu csatlakozóból egy konnektor védőföldjére csatlakoztatható kábelt amit az előbb említett kis csavarra kötök akkor az megoldaná a problémát vagy búgást okozna? Villámveszély nő igy?
Hello!
Ha "bizsergett" amikor a két készüléket megérintetted, akkor egyik még sincsen mind két készülék földelve, hiszen potenciálkülönbség volt köztük. Általában számítógép táppal történő összekötésnél mindig van egy kis gond, ott belül vannak kondik a számgép és a föld között, és a GND pontja minden esetben össze van kötve az érintésvédelmi földdel. A számgép az tényleg egy "gép" és nem egy "audio" eszköz (ma még). Általában házi erősítők esetén a szigetelt padló miatt nem olyan kényes az érintésvédelmi földelés, és a földhurok miatt vagy egyáltalán, vagy csak egyik készüléket érdemes a földeléssel összekötni. De az minden esetre jó megoldás, ha legalább egy csatlakozó soron vannak a készülékek. Néha az is segít, a földben keletkezett zajon, ha valamelyik dugaszt megfordítjuk. Alap esetben erősítő hátsó felén található földelő csavarokat kötik össze fonott vezetékkel (mint pld. egy vastag árnyékolt vezeték harisnyája) ez után csatlakoztatják a jelvezetékeket, és csak ez után csatlakoztatják a készülékeket a hálózathoz és kapcsolják be a készülékeket. Így nem hibásodhat semmi. A villámveszélynek ehhez semmi köze. Az ha akar úgy is bemászik a hálózatra ha földelt ha nem. A villámvédelmi "levezetést" a hálózat betáplálási pontjánál kell elhelyezni (ha lenne ilyen). üdv! proli007
Szia!
Arra gondoltam, hogy a biztoság kedvéért érdemes kondival leválasztani a bemeneteket? Nehogy valami hiba miatt kijuthasson egyenfesz a végfokra. Én 10µF-os elco kra gondoltam. De mekkora legyen a fesz? 50V-os nem elég egy 140W/8ohmra, az 35VAC és 100V p-p. Elég az 50V? Vagy más tipusu kondik kellene?
Hello!
Nem igazán tudlak követni. Most a végfok és a kivezérlésjelző közötti kapcsolatról van szó? - Mert ha a kijelző bemenetén a poti előtt ellenállás van, mint itt akkor nem tud kárt okozni a végfokban, ha a potira egyenfeszültség jut. - Kondi értékét, meg a kivezérlésmérő bemeneti ellenállása, és az alsó határfrekvencia határozza meg. C=1/(2*Pi*Rbe*fa) De jobb ha nem elkó, mert azt csak igazán akkor használandó, ha valamelyik ponton egyenfeszültség van. Fólia kondi a legjobb, és eggyel nagyobb feszültségű legyen a szabványos sorban, mint a végfok tápja. üdv! proli007
Sziasztok!
Elkészült az alkotás! http://www.youtube.com/watch?v=oR-BKvgH_jQ Köszönöm a segítségeket!
Hello!
Jó lett, de ráadhattad volna a "koxot" hogy látni lehessen az összes Led. Meg valami másik zenét is ami "sztereózik" is. Ha a link megadásakor a LIKNK gombot használod, nem kell kimásolgatni a címet. üdv! proli007
Sziasztok
még csak annyit szeretnék kérdezni ,hogy ezen a rajzon milyen típusuak legyenek a diódák? Üdv. Zsolt
Hello!
Ez így nem igazán lesz jó! - Tényleg csak 3V a tápfeszültség amiről járatni szeretnéd? Mert így az IC referencia feszültsége csak 1,25V lehet, a így bekötött 5kohm-os potival, tulajdonképpen a Led-ek fényerejét (áramát) fogod állítani, kb. 0,02..20mA között. - Ez az egyenirányító, (amivel összeházasítottad az IC-t) analóg műszerhez való. Jelenleg nincs az áramkörben a műszer belsőellenállása, így nem fog jól működni. A jobb oldali dióda egyenirányít, 47µF szűr, és a baloldali dióda+300ohm a műszer karakterisztikát módosítja. A hiányzó műszer ellenállása miatt nagyon lassú lesz a kijelzés, mert a kondi így túl nagy. A karakterisztika módosításra meg az IC-nél nincs szükség. Arról nem beszélve, hogy a GND ponthoz képest, negatív feszültséget ad az egyenirányító, de jelenleg az IC számára meg 0..1,25V pozitív bemeneti feszültség szükséges. - Ismerni kell a rádió felől érkező feszültség nagyságát. (Kimenő teljesítmény és hangszóró ellenállás) Az egyenirányítót, csak ez után lehet "méretezni". üdv! proli007
Hello!
12V ról fog menni a berendezés és autóba lesz ... a többiről megpróbálok még információt szerezni : pl kimenő jel hangszóró ellenállás) szerinted mi lenne a jó megoldás ha egy ilyen (lm3915)Vu-metert szeretnék rakni a kocsiba de a rádiót nemszeretném szétkapni hozzá ezért valahogy a hangszórókimenetről próbálom levenni a jelet. üdv :Zsolt
Hello!
Akkor kissé elkomplikáltad a dolgot.. Agyári adatlap 22. oldalán, ott van a számodra megfelelő áramkör.. Ha hídkapcsolású lenne a végfok, akkor a R1 (10..30kohm) ellenállással sorba, esetleg egy kondi is szükséges lehet, mert annak kimenete lehet hogy "féltápon" van egyenáramilag. A 390ohm helyett 1,2kohm-ot, a 2,7kohm helyett 7,5kohm-ot tegyél, mert az IC esetleg túlmelegedhet maximális kivezérlés mellett. (A National adatlap is elég slampos, mert a kapcsolásban két R1/R2 is szerepel. Valamint nem elég a hangszóró ellenállása, a végfok teljesítménye is szükséges a baloldali R1 megválasztásához..) A rajzodon, a T1 tranzisztoros kiegészítés, csak arra szolgál, hogy a D10 jelzése esetén, kioltja D1.D9-ig a diódákat. Ezzel látványosabban jelezve a "túlvezérlést". A rádiót természetesen nem kell szétszedni. Arra viszont vigyázni kell, hogy ha hídkapcsolású a végfok, nem szabad a hangszóró "negatív" pontját az áramkör testével (GND) összekötni, mert a végfok zárlatba kerülhet. Tehát a kivezérlésmérőnek meg kell adni a +12V-ot és a gépkocsi testet, az erősítőre (hangszóróra) csak a kijelző bemenete menjen. (R1 pld. 10kohm felső lába) Így csak három vezeték van, természetesen sztereó kijelzőnél négy. (Két bemenet van, és két tápfesz.) üdv! proli007
Hello
megpróbáltam mindazt értelmezni amit írtál de nemigazán sikerült :| az elején volt szó arról a kis kondiról , megpróbáltam elhejezni bár nemhiszem hogy sikerült ![]() az ellenállásokat értettem... a hangszóróhoz az ellenállást majd kiválasztom a táblázatból. a hangszórónak az ellenállásait hagyjam a rajz alapján így ? (ez egy nagyon köszönöm a segítséget , bocsánat a sok kérdésért Üdv :Zsolt
Hello!
- A kondi jó, csak ne polarizáltat (elkót) használj, mert itt váltóáram lesz, ha a végfok kimenetén nincs féltápfeszültség. Egy 470nF elég lesz hozzá. - A 10kohm-os R2 alsó felét, ne a hangszóróra kösd, hanem ezt is a GND pontra. Tehát, csak az R1 megy a hangszóróra. A többit majd a GND pont intézi. üdv! proli007
... regi szep idok, amikor en is epitettem egy kivezerlesmerot a vegfokhoz, 10 savos volt, akarcsak az equaliser, viszont volt egy "kis csavaras" benne. En nem egyszeruen a kimenetrol jarattam a display-t, hanem elobb egy lin-log konverter, majd savszuro az adott frekvenciara. Sokkal hasznalhatobb volt igy az egesz kijelzo. Akkoriban meg az LP-k voltak divatban, igy a jol osszeepitett rendszerben ezen a kijelzon szepen lehetett latni, amint felkevertek a mesterszalagot, mert akkor kezdett el "elni" az egesz. Szoval szerintem direktbe nem erdemes meghajtani ezeket az IC-ket, csak erdemes belegondolni, alapesetben mekkora is a felbontasa? Egy lin-log konverterrel ez szepen kb 60dB-es nagysagra nyujthato, ami 1000-szeres feszultsegkulonbseget jelent igy a 12 pozicioval meg lehetett valositani a +6, +3, 0, .... ~ -60dB tartomanyt. Sajna mar halvany lila gozom sincs mi volt a lin-log konverter IC tipusa kb 20-25 eve epitettem, sajat fejlesztes, de nem is volt olcso, mivel nagy savszelessegu es preciz volt -persze mert nem ilyen felhasznalasra szantak
, hanem muszerekbe-.
AD 636 szerintem
kozben megleltem: ICL8048 Bővebben: Link
Szép jó napot minden kedves fórumozónak....Az interneten találtam az alábbi VU metert... http://www.youtube.com/watch?v=J8eI7La4pPQ&feature=related
http://www.youtube.com/watch?v=pbTF772ylwo&feature=watch_response Az érdekelne nem e tud valaki valami okosat írni erről a szerkezetről???Lényegében azért kérdezem ezt mert meg akarom építeni csak eléggé kezdő vagyok a szeren és nem tudom hogyan kezdjek neki...Jah és mikrofon helyett rendes audio bemenetet szeretnék rakni...Előre is köszönöm ha valaki segít...Tisztelettel : Atielectronic(Kovács Attila) |
Bejelentkezés
Hirdetés |





. Még elég kezdő vagyok ezért nemigazán értettem néhány dolgot ebben a csúcsdetektorban. Megpróbáltam megcsinálni a rajzát de nemsikerült . 









