Fórum témák
» Több friss téma |
Szia !
Én azért csinálok hozzá egy digitálisat, mert az elmúlt 4 évben kettőt kellet cserélnem ,és addig tönkrement a kaja. Meguntam ,hogy ezek ilyen sza...ok. Meg tetszik,hogy mutatja a hőmérsékletet a hűtőben. Mire kész lesz nem lesz olcsóbb mint az eredeti,de remélem tovább fog tartani.
A kajának nem kell tönkre mennie, ha itt visszaolvasol, Imi szépen elmagyarázta nekem, hogy össze kell kötni a barna és fekete vezetéket, kiiktatva az egész szabályozót, és akkor hűt. Csak ez átmeneti megoldás, mert így folyamatosan hűt, tehát fagyaszt, szóval néha ki kell húzni a konnektorból, de olvass vissza.
Digitálist hol lehet venni? Milyen típust veszel?
Szia !
Persze nem kell tönkremenni ,csak az egyik eset nyáron történt amikor nem voltam otthon kb 2 napig. Amikor észrevettem én is összekötöttem a két vezetéket ideiglenesen. Venni nem tudom hol lehet. Épp most a Vicsys féle ChronoTemp-et építettem meg,( http://vicsys.hu/chronotemp.html ) csak még nem volt időm beépíteni az érzékelőt a hűtőbe. Jelenleg épp a "próbaüzem" megy a hűtő tetején. De nagyon jól szuperál
Köszi,
akkor már le is mondtam a digitális verzióról, ennyi macerát nekem nem ér, ha van más megoldás is ![]() Köszönöm a te segítségedet is, remélem ha majd megvettem az új cuccot, akkor a beszerelés már simán fog menni. Szép napot.
Az új szabályozót megvettem, beszereltem, remekül működik.
Happy end ![]() Iminek és Kapcsrajznak még egyszer köszönöm a sok segítséget, nélkületek nem ment volna.
Örülök neki hogy jó lett a készülék.
Imi
Sziasztok!
Nekem is problémám van! Vettem egy elég jó hütőt egy miele ganggenau rt282-est a probléma az volt hogy nem indult a motorja. Kicseréltettem szerelővel és azt mondta szar a kondi 4 mikronos a megfelelő. Csinált érdekes dolgokat mert r600a helyett r134a-val töltötte fel. majd beindította a rossz kondival meg egy másikkal és és jól működött. lelkemre kötötte cseréljek kondit. Ez meg is történt. be is indult. Aztána a helyére raktam a hütőt és az ujabb bekapcsolásnál a motor be indul majd le is áll és búg... Melegszik... nem szeretném ha leégne mi lehet a baj?
No és persze a szerelő nem veszi fel a tellót... Be palizott?
Nem kért keveset viszont a hütő nem üzemmel. Nem értem... amikor kicseréltem a kondit egyből indult lehet hogy a mozgatás miatt nem akar indulni?
ja és azt el is felejtettem hogy üzem közben klutyogott...
Egy másik szerelő azt mondta dobjam ki és vegyek újat... ??? Sok hűhó semmiért???
Szerintem keresd meg a szerelőt aki csinálta, mert ez így nincs rendben. Lehet, hogy elszökött a gáz és azért nem indul.
Erdemes visszahivni annal is inkabb, mivel nem szabadon valasztott az, hogy valaki R600 helyett R134a-val tolti fel. Egy hutos oldalon lattam, nem is olyan egyszeru, kell nemi atalakitas. Bővebben: Link
Szevasz!
Ha elszökött a gáz, akkor legfeljebb nem hűt /bár nem egészséges, ha levegő is jut a rendszerbe/, annak az induláshoz nincs köze. Egy R600 közegre készült hűtőt gyakorlatilag nem lehet a paraméterek megtartása mellett R134-re "átalakítani". Az átalakításhoz új, méretezett kapillárcsövet kéne beépíteni, de az szerkezetileg szinte lehetetlen. Üdv: StMiklos
Kedves szakik!
16 óra állás után be indult a gépezet!!! A hűtés a fagyasztóban 10 perc elteltével határozottan érzékelhető volt. Viszont a jellegzetes "kluttyogás" megmaradt. Felhívtam a szerelőt és jövő hétre ígérte magát, és feltölti a megvásárolt R600a-val. Gondolom a gáz különbség miatt is hangosabb a motor mint azt én gondolnám...? Mindenesetre ha valaki tudja mi lehet ez a "kluttyogás" azt nagyon megköszönném. Thx Atesz
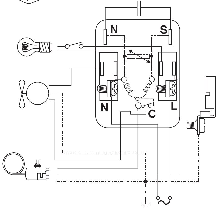
Ki tudja ,hogy kell bekötni egy PTC relét (N,L,C,S,)jelű csatlakozókhoz.
Az előzőhöz adok egy képetBővebben: Link
köszönöm működik bár még a szaga elég borzalmas de gondolom még az előző égés miatt
Sziasztok!
Van egy fagylalthűtőnk egy teaházban, de nem tudjuk a márkáját sem meg semmit róla, a gelato italiano-tól vettük. Sajnos nem tudjuk beállítani rajta a hőfokot, minusz 23-ig hűt és elég lenne minusz 17-ig. Valaki esetleg tud egy honlapot vagy akármit ahol találok hűtőmárkákat meg használati utasítást fagyihűtőkhöz??? Nagyon fontos lenne! Előre is köszönöm!
Szia!
Elsősorban R6oo freonnal működő gépet ill. kompresszort nem lehet R134 el működtetni.Ehhez kompresszor csere szükséges. A más tipusu gáz miatt hangosabb a gép, ami egy idő után le is fojtja a kompresszort, úgyhogy azt ajánlom amig nincs a megfelelő gázzal töltve ne működtest mert tönkre teheti. Az a kluttyogás pedig valoszinűleg a túltöltéstől van. Üdv! Vince.
A digitális szabályzó típusát jó lenne tudni (általában az előlapján is fel van tüntetve) de ha nincs akkor a szabályzó műanyag házának felső oldalán van az "adatlap" ,vagy ha minden kötél szakad legalább képet tegyél fel róla .
Szevasz!
Egy hűtőszerelő a tünetek együtteséből tételez fel egy hibát, ennek megfelelően avatkozik be, változtat valamit.. Sok jel van, amit nem szakember figyelemre se méltat, pedig sokszor döntő lehet. Azaz: most első blikkre túl sok benne a gáz, folyadék állapotban is jut vissza a kompresszorba, és amikor belekerül az olajba, az olyan, mint amikor Te a forró olajba vízcseppet juttatsz.. Ez lehet az a hang.. Sok gáz= nem hűt elég mélyre.. /kevés gáz úgyszintén/ De hangsúlyozom, más is lehet... Üdv: StMiklos
Sziasztok, 1-2 hete itt segítetteket nekem megjavítani a Zanussi Lehel két kompresszoros hűtőnket. A hőfokszabályzója ment tönkre, vettem újat és kicseréltem ahogy írtátok, és szépen működik is a gép azóta.
Túl szépen, ugyanis most már fagyaszt. Vagy legalábbis fagyhatáron van, a tej-tejszín jégkásás, és minden kaja nagyon hideg. Mi lehet a hiba? Azt nem hinném, hogy rosszul kötöttem be az új hőmérséklet szabályzót, mert alaposan megnéztem, ugyanúgy van mint az előző volt.
Szia!
Állítható a szabályzó, igaz? Tekerj rajta, hogy ne hűtsön annyira.
Szia!
ezt azért már próbáltam még hidegebb lett...
Akkor mélyhűtőhöz való szabályzót vettél. Az meg oda nem jó.
Aki eladta, annak mondtam, hogy a felső részbe kell, és ahhoz adott.
De az alsó részben nincs szabályozó. A mélyhűtőt, ha jól sejtem, a hűtő külső felületén fent a peremen lévő kis tekerő szabályozná, de szerintem már sz is elromlott vagy tíz éve, de az nem baj, mert a mélyhűtő a szépen hűt. Ez, amit kicseréltem, egy kb 5x4x4 cm nagyságú fém kocka, amiből kiáll egy hosszú kapilláris cső, és a másik végén meg vannak a csatlakozók.
A fagyasztónak a hőfokszabályzója is úgy néz ki...
Ha vissza tetted a helyére rendesen a fém patenttal akkor másik szabályzót kell keresni. Imi
"Ha vissza tetted a helyére rendesen a fém patenttal akkor másik szabályzót kell keresni."
Ezt nem egészen értem. A felső rekeszben a hosszúkás műanyag tokban lévő hőfokszabályzó ment tönkre. Itt segítettél többek közt te is, az instrukcióknak megfelelően kiszereltem abból a rosszat, amit kidobtam. Vettem újat, azt beszereltem. Fém patent? Olyan nincs, műanyag dobozban volt, csavarokkal rögzítve, illetve a drótokat kellett a helyére dugni. Le is fényképeztem, itt kell lennie valahol a fórumban hátrább, visszakeresem mindjárt. A másik szabályzó az azt jelenti, hogy rosszat adtak el nekem? Mélyhűtőbe valót?
Tehát itt vannak a fényképek, erről van szó.
Szia!
Nem a szabályzó felfogatása a lényeg(tehát a képek erre nem adnak támpontot), hanem a kapillárcső rögzítése az elpárologtatón. ...ugyanis az által érzékeli az elpárologtató -és ezáltal- a hűtött tér hőfokát. |
Bejelentkezés
Hirdetés |







