Fórum témák
» Több friss téma |
szasztok!
Az atmel32 egy forgásirányt kapcsol edy dc motornál a fet hidal! nemvagyok egy eletronikai guru de egy pár fetes hid átnyálazása után öszeraktam saját tudásom szerint egy fetes hidkapcsolást csak az elenálások kiszámolásával és értékek beálitásával vagyok gondba azt hogykel ehez a kapcsihoz beméretezni gate"R1.R2.R3.R4"és a gate hidegités a"R5.R6.R7.R8" ???????? ebbeszeretném a segitségeteket kérni meg hogy a kapcsoláson esetleg van e valami hiba esetleg müködési zavarok elkerülése szempontbol vagy esetleg alkatrész védelmi szempontbol is! http://kepfeltoltes.hu/080831/ATMEGA32BRIDGE_www.kepfeltoltes.hu_.jpg
MIÉRT KELLETT MINDENT NAGYBETŰVEL ÍRNI, ÉS MIÉRT NEM TUDSZ KERESNI?
TOVÁBBÁ MILYEN JÓ IS LETT VOLNA, HA HASZNÁLOD A LINK GOMBOT, ÍRÁSJELEKET, SZÓKÖZT ÉS HANYAGOLOD AZ IDEGBETEGSÉGEDET? PL: ??????????????????????????????????? ?????????????????????????????????????? Mi van ma? Mindenki be van kattanva? Szerk: Javítottam a téma címet.
Szerintem Q1-nek és Q3-nak P típusúnak kellene lennie, és az egész hidat kicsit át kellene szervezni. Ha N típusú marad, akkor kellene egy, a +12V-nál nagyobb segédtápfeszültség ahhoz, hogy tisztességesen kinyisson.
Nem feltétlen kell P csatornás. Használhat FET driver IC-ket. Ilyen pl.: IR2111, ez kifejezetten Half-Bridge driver. Ennek segítségével akár N csatornást is lehet használni, mert a gate vezérlő feszültéget relatív állítja elő a híd felső ágánál lévő N csatornás FET source feszültsége alapján.
Az OK, de a belinkelt rajzban source-követőként működik, és a G-jére még a 12V is kicsit leosztva kerül rá. Ez jópár V-os feszültségesést jelent a FET-en, amikor annak ki kell nyitnia -> fűteni fog tisztességesen.
Persze, vannak FET-meghajtók, amik pont ezt oldják meg, bár ha ez nem egy kapcsoló üzemű tápegység, ahol periódikusan váltakozik a FET-ek vezérlése, akkor a kondenzátoros feszültségemelés nem biztos, hogy működni fog.
Én még csak egy FET vezérlésénél tartok de a vége majd szintén híd lesz.
Én a helyedben kezdésképpen kivenném az optocsatolókat. Tök fölösleges mert a Gate szigetel. Másfelől a legprofibb kapcsolásokban is n x 10 ohm ellenállások vannak a gate-el sorban. Ha nagy az ellenállás a gate számára a föld felé akkor a gate lassan sül ki (mint egy kapacitás) és hát nem éppen kapcsoló jelleget fog mutatni... Egyébként ha nagyon ragaszkodsz az optocsatolóhoz azt összeházasítani a digitális elektronikához itt egy jó pdf:Optocsatoló használata
Ha jól értelmeztem, itt nem lesz gond a kapcsolási sebesség, mert motor forgásirányát kellene változtatni, az meg - gondolom - nem másodpercenként többezerszer lenne aktuális
Amúgy igazad van, hogy jóval kisebb impedanciákkal szokás meghajtani, ha gyors kapcsolásra van szülség. Engem inkább a felső FET-ek elégtelen kinyitása aggasztana.
akor már a szimulácioba is azéert van csak 5v kimenez a motor helyén már világos!
fetmeghajto icvel nemakarom még a kapcsolást bonyolitani jobban akor csak 2 P fetelkelene kicserélni a kapcsiba ha kivetem a szavaitokbil?! a tápfesz meg adot sajnos ugyanis 12v aksi a táp és az nem lehet másrol megoldani! optos megoldáshoz ragaszkodom a proci védelme miat! meg az opto kapu meg a gate közé egy tranyot teni és ugy kitudna nyitni a gate rendesen
Éppen ez az... Nem bonyolítanád. Eccerűsítenéd. Van olyan IC ami komplett híd, 3A-t bír. PWM-el meghajthatod, és így beállítod a max (átlag) motor áramot. Van neki egy írány bemenete, meg fék. Ekkor az összes (belső) FET kikapcsol. A híd alsó ágába meg beraksz egy apró ellenállást és mérve rajta a feszültséget vissza tudod ellenőrizni az MCU AD bemenetével hogy mennyi is az az áram.
Híd: LM298. Lomexbe nettó 1053 Ft. A négy FETed szerintem drágábban jön ki... Ja és ez DUAL H Bridge.
Én valami ilyenre gondolnék.
Én egyébként hülye vagyok analógból, szóval magyarázd már el kérlek hogy miért jó N és P csatornás FET-eket használni? A probléma nálam is adott lesz majd az ablakmotoroknál, de ott még nem tartok. Még csak a fényszórókat kapcsolgatom ki-be...
LM298 nemnagyon birki 10-15 A max 3 azal csak anyi a baj !
PWM meg ép nem akarok használni mert nincs rá szükségem :yes: egy sima irányváltásrol van szo4
Ja kérem.... Áramigény nem volt írva....
Na meg ebben az energia szegény világban hová ez a sok amper? Szóval szilva ha még itt vagy várom a válaszod...
Azért kellhet ide N és P csatornás is, mert a "felső" FET kinyitásához a source-ánál a nyitási feszültséggel magasabb vezérlés kellene, ha N csatornás lenne. Ez azt jelentené, hogy ha a source-án 12V-ot akarunk látni, akkor 4-10V-tal a 12V fölé kellene menni a gate-tel, ehhez kellene valami segédtáp. A Topi által is említett FET-meghajtó ugyan képes lenne előállítani ezt a magasabb feszültséget, de csak akkor, ha folyamatosan kapcsolgatjuk a hidat (mint ahogy pl. egy kapcsoló üzemű tápegységben tennénk).
A P csatornás FET azonban a source-ával a +12V-ra csatlakozhat, mert annak pont ellentétes vezérlés kell, azaz a source-tól negatívabb gate-re fog kinyitni. Ha a rajzomon látható elrendezésben vannak a FET-ek, akkor valamelyik optocsatoló nyitásakor a híd átellenes FET-jeire kerül vezérlés, mégpedig mindkét gate-re kb. a 12V fele, azaz 6V. Az N csatornásnál ez a source-hoz képest +6V-ot jelent, azaz ez a FET nyit, a P csatornásnál a +12V-hoz képest ez -6V-ot jelent, azaz ez a FET is nyit. Ha elengedjük az optocsatoló vezérlését, akkor mindkét FET lezás, mert az ellenállások a gate-eket visszahúzzák a source-ok potenciáljára.
Az 540-et a 9540-nel hasonlítsd inkább (33A vs. 23A), akkor máris nem fele lesz csak az áram. Az viszont igaz, hogy P csatornásban "gyengébbek" a FET-ek.
Köszi. Elengedni nálad mit jelent? Nem L, és nem H? Azaz az MCU lába nagy impedanciás? Tehát ha "elengedjük" akkor fék => motor áll? Csak mert elég bénán néz ki egy erőlködős ablakmotor pl. Kimértem az enyémet, 4-5A amikor felhúzom, aztán stabilan 13 amikor fent megakad... DVD, neked ez mihez kell?
Itt csak bekapcsolni tudod a híd valamelyik ágát, vagy kikapcsolni. Kikapcsolt állapotban minden FET zárva van. Ha fékezni kell, akkor ellentétes irányú impulzust lehet adni a motornak. Ha aktív fékezést is akarsz, akkor tényleg négy vezérlőjellel kell a négy FET-et kapcsolgatni, akkor lehet olyat csinálni, hogy megálláskor nem "levegőben lógva" hagyjuk a motor kivezetéseit, hanem pl. mindkettőt a földre zárjuk - a rövidre zárt forgórész miatt az egyenáramú motor fékeződik.
Arra amúgy nagyon figyelni kell a meghajtó programban, hogy még véletlenül se nyissa ki a híd mindkét ágát egyszerre, mert abból csattanás és füst lesz, a FET-ek repülnek.
nekem "szilva " kapcsolása böven megfelel csak Pmos fetet idáig csak 15A felet nemnagyon találtam mert legalább max 30A kellene a hidnak kibirni de csak 15A
üresjáratba a dc motor ha meg szakaszonként megterhelem átételen keresztül a motrot igen veszegeti az ampereket joval 15A felet mert Nmos fetek azokal nincsis ba azokba van nagyobb tudásu fetek is! de ez a fránya P verzio a gyenge lántszem :no:
Nyitva mindkét ága? Azaz a két oldal vagy ellentétesen legyen vezérelve, vagy a híd le legyen ültetve?
Kicsit fejleszteni kellene ezt a hidat... Hálám nem maradna el... (Pl: egy (sok) katonai temetésen voltam aktív közreműködő (parancsnok) és fel tudom ajánlani az (egyik) özvegytől "hálából" kapott két üveg Egri Bikavér című bort... )Szóval mondjuk nem volna hátrány olyan hidat gyártani ami az ablakot lassan kattintja a végére, és ne vágódjon az ablakkereten mint a féltégla... Az egyenáramú motor vezérlés úgyis jó 30%ban előfordul pl az autóban, egyből sok sok helyre fel lehetne használnom. Na jó nem biztos hogy mindenhová TO220-as tokkal rendelkező 50A-est kellene tenni, mert hogy én az asztalon IRFZ44N-et használok. A szenzoros és programozós részét meg tudom csinálni, de az analóg fele nekem kapufa... Valahogy sosem volt hozzá
igen ezért is eröltetem csak a Nmos megoldást mert abol lehet épiteni igazán csak mivel az az elterjetebb akár 200A fetekel is töredékbe kerül csak!
hát igen a jo kapcsolást nehéz megcsinálni ezért is kértem a segitségeteket mert én nem eletros a szakmai szempontbol csak hobbym ! de vanak akik napmint nap evel foglalkoznak szoval egy ilyesmi valakinek nemjelent gondot öszedobni éas jo is legyen
Csak úgy általánosságban jegyezném meg... sima, mezei optós fet-meghajtást nem alkalmaznék.. a meredek éleket nem viszik át, a fet-nyitás-záráshoz pedig az kell, ha nem akarunk túl meleget...
pwm esetén lene csak jelentösége az ilyesmi figyelenbe vételének meg gyors kapcsolgatás esetén de it csak sima egyen van kapcsolva 0 vagy 1 vagyis 1hz sincs a freki
sima dc motor irányváltásrol van szo csak
Üdv!
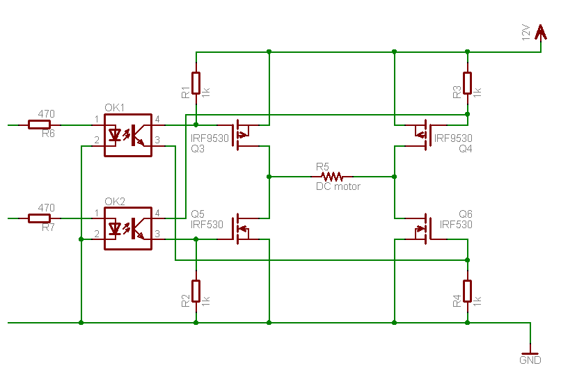
Építettem két FET hidat. Nem értek a FET-ekhez nagyon, ez az első hidam,azért szeretném megkérdezni,hogy használható-e és érdemes megépíteni, ezt a hidat. Az X1-1 pontra a tekercsekre kerülő pozitív feszültséget kötöm, a X1-2re pedig a földet. Az SV1-re egy mikrovezérlő lábait kötném. A hidakat szeretném használni, DC motor meghajtására (1híd-1 tekercs) és Bipoláris léptető motor meghajtására is. (2híd-2 tekercs). Optocsatolón keresztül. Segítségeteket előre is köszönöm! A kapcsolást mellékelem:
Ahogy látom a digitális táp és a motortáp nem egyezik meg, így a P-s FET-ek állíndóan nyitva lesznek, mivel a mikrovezérlők lábaira vannak védődiódák helyezve, amik által az max. tápfesz + diódán eső fesz. potenciálra képesek felmenni. Ez esetben azonban a G-S feszültésg nem lesz 0. Tehát kell oda egy NPN tranyó, vagy ha a tápfesz labils (pld akkuról hajtod, és le tud esni digit táp alá, közelébe akkor egy FET.)
A 1N4148 diódát én gyorsan elfelejteném, valami masszívabbat tennék oda.
Megírnád pontosan, hogy hova is kellenek azok a tranzisztorok. Én a P FET elé gondolom a tranzisztor, oly módon, hogy a tranzisztor kapcsolja a P FET-et.Diódát nem is figyeltem, keresek majd valami masszívabbat.
Köszi a segítséget!
Köszi a kapcsolást!
Jól néz ki, meg is építem. Régóta szenvedek már ezzel a problémával, most végre megoldódik (megoldottad). Nehéz ilyen kapcsolást találni, mindenütt, az IC-s motorvezérlőkkel találkoztam. Az meg nem jó DC motorhoz meg bipoláris motorhoz egyszerre. Még egyszer köszönöm!
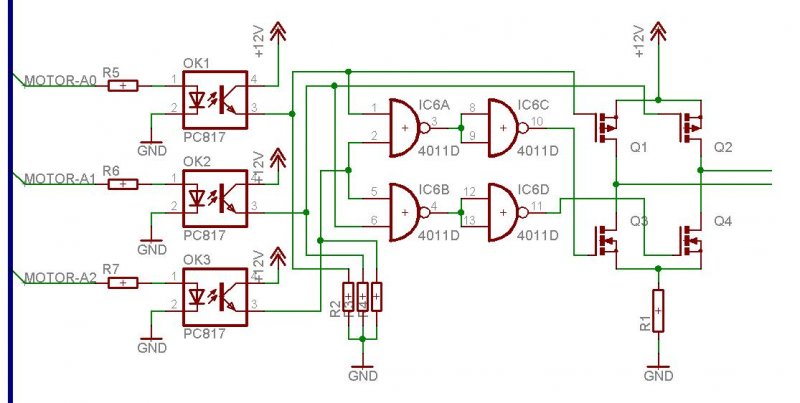
Elkészült az én H-Híd változatom.
Itt ketyeg az asztalomon. Négy fet, P csatornás felül, N csatornás alul. FET cserével véleményem szerint akármekkora áramra tervezhető. Kell hozzá még AND kapu (2db), esetleg NAND kapu de akkor 4 (ahogy ebben látszik). Tudja az előre, hátra, fék, álj, üzemmódokat, plusz van neki PWM bemenete ami ha nem kell akkor H szintre kell kötni. 4011-nek a HFE4011BE típust használtam. Mivel a kapuk közvetlenül vezérlik a hídat, ezért az 5V logika nem jó. A típus mivel autóba lesz, jelenleg 12V-on üzemel, az adatlap szerint 22-ig bírja. 15V táp mellett a kimenő H szinthez, minimum 11V kell, így a bemenetét illeszteni kellett az MCU környezethez. Felmerülhet a kérdés minek a kapuáramkör. Nos azért hogy az MCU inicializásó és reset időszakában a kapuk nem engedik hogy a híd rövidre zárja a tápot bármely függőleges irányba. Elérakva optocsatoló földelt kollektoros kapcsolásban. Ennek így megvan az az előnye, hogy ha nincs bemenő jel, akkor a kimenet "L", azaz minden áll, a kontrol totális tehát. A kapcsolás ötlete egyébként itt van a fórumon egy link formájában. A rajzon nincsenek alkatrész értékek. Az optocsatoló emitter ellenállásai nálam 3.8k, a bemenetén 12 bekapcsoló fesz mellett a soros ellenállás 680Ohm, 3.3V mellett 100Ohm, 15mA LED áramhoz tervezve. Motor-A0, Motor-A1 az üzemmód: 00 kikapcs, 01,10 előre, hátra, 11 fék. Motor-A2 a PWM bemenet. ha ez nem kell akkor a 3. optocsatoló kihagyható, és az IC6A, IC6B kapuk 2,5 lábait 12V-ra kell kötni. A híd alján az ellenállás elhagyható, nekem azért kell mert AD konverter fogja mérni a híd terhelését. Kb ennyi egyenlőre. Bocs a béna rajzé.
Hello!
Tud valaki olyan FET-es motorvezérlő IC-t mint amit itt feljebb már írtak 3A-est csak 5-6A-esben? Létezhet egyáltalán ilyen? |
Bejelentkezés
Hirdetés |




Amúgy igazad van, hogy jóval kisebb impedanciákkal szokás meghajtani, ha gyors kapcsolásra van szülség. Engem inkább a felső FET-ek elégtelen kinyitása aggasztana.

)




