Fórum témák

» Több friss téma
Fórum » Indukciós hevítő készítése
Lapozás: OK   13 / 63
(#) (Felhasználó 46585) válasza p_istvan hozzászólására (») Máj 21, 2010 /
 
Azért én inkább litzéből tekernék trafót, nem rézcsőből... egyszerűbbnek tűnik.
(#) p_istvan válasza (Felhasználó 46585) hozzászólására (») Máj 21, 2010 /
 
Nem olvastalak elég figyelmesen!
Bár, ha belegondolok abba hogy a munkatekercs rézcső, akkor a szekunderen is el lehet gondolkodni és a trafónak is lesz hatékony hűtése! Persze kör keresztmetszetű ferrit kell, ETD vagy hasonló.
(#) (Felhasználó 46585) válasza p_istvan hozzászólására (») Máj 21, 2010 /
 
Hát, nagyon vonzó, hogy a szekunder ugyanaz mint a munkatekercs, hiszen akkor egybe lehet hűteni a kettőt vizzel. De volt egy két témám vízhűtéssel, nem igazán tetszettek... tiszta vízvezetékszerelés. Persze, van amikor másképp nem megy.

De én nagyobb teljesítményekre inkább több kisebb trafót használnék. Ha már nagy áttétel kell, akkor a szekunder egy menet, a primer meg annyi, amennyi kell. A vasmag meg mondjuk 20...30 mm körüli gyűrű(k) lenne. Aztán a trafók szekunderét párhuzamosan kötném a nagy áram miatt, a primereket meg sorba, a nagy áttétel miatt. Ha meg az egy menetes szekunder csőből van, akkor lehet koaxiális trafót csinálni, garantáltan kicsi lesz a szórása... igaz, ehhez speci litze kell, mert bele kell húzni az áttételnek megfelelő menetszámot a szekunder csőbe... és ugye a 4 kV-os leválasztás problémás lehet...
(#) deguss válasza p_istvan hozzászólására (») Máj 21, 2010 /
 
Kérem szépen sok helyes elgondolás gyűlt itt össze az elmúlt napokban. Köszönöm Péternek a szimulációt, és a Többieknek a hasznos hozzászólásokat!

Amit István ír a behatolási mélységről, az fontos ugyan, de én nem célkészüléket készítek. Hatékony átmelegítéshez, pl. kovácsoláshoz, a legnagyobb köranyagot (20mm átm.) alapul véve, a képlet alapján fmin = 31.8kHz-et kapok (lambdaFe=1e6 S/m, mu=4*pi*1e-7), de ha mu=mur * mu0-t számítok,
pl. mur=2000-rel, akkor 16Hz-et kapok???
Én szeretném kovácsolásra (egyenletes melegítés) is használni, de fontos, hogy tudjak edzeni vele, tehát nagyobb vésők, téglalap keresztmetszetű acélszerszámok felületét minél előbb hevítse.

A trafó:
Az áram 63%-kal csökken a homogén eloszláshoz képest 50kHz-en 0.26mm-en, 100kHz-en 0.18mm-en, 150kHz-en 0.15mm-en, a réz fajlagos vezetésének 5.62e7 S/m-t alapul véve.
Így indokolt lenne max 0.3mm átm. elemi szálakból készített licnis huzal. Ha azonban a tervezett 6mm átmérőjű rézcsövet használnám, (mint a szekunder tekercs, mint a munkatekercs elkészítésére egyaránt) akkor annak hasznos keresztmetszete (0.2mm behatolási mélységig számolva) 3.64mm^2 lenne. Ez 51db 0.3mm átm. párhuzamos szálnak felelne meg. Én inkább maradok a rézcsőnél! Az én magom ablak mérete 30*80mm (oldalanként), ezen egy rétegben elfér még 11 menet is. A magátmérő közel 32mm, ha a primer fölé (vagy esetleg közé a szorosabb csatolás és a jobb hűtés érdekében) készítem a szekundert, akkor is elég nagy a hajlítási sugár, és van hely. Egyedül az utólagos menetszám változtatás okoz nehézséget, ezért kéne gondosan megtervezni, meg kipróbálni előtte. Jól gondolom, célszerű ugyan annyi szekunder menetet tekerni, mint amennyi a munkatekercs lesz? Pl. 3 menet?
A magom adatlapját korábban feltöltöttem a témába, a számított menetszámokat is hamarosan leírom.

szerk: István! Kérlek számolj utána az alsó fmin képletnek, mert most veszem észre, hogy mu-vel a relatív permeabilitást jelöli. Kevésbé hihető értékek jönnek ki nekem...
(#) mex hozzászólása Máj 23, 2010 /
 
(#) FREDDI válasza deguss hozzászólására (») Máj 23, 2010 /
 
Sziasztok !

Házi nagyáramu kis induktivitásu kondi készítéshez teflon lenne jó. Utána néztem, elvileg beszerezhető 0,1mm minimális vastagságban a kolofolnál. Viszont ha valaki tudja, hol lehetne venni táblában 0,1-es és 0,2mm-es réz lemezt, az jó lenne. Az árak is érdekelnének, ha valaki utánanéz, mert a kolofol oldalon nem írnak róla. A réz az biztosan magas áron van.

Egy másik ötlet kondira, ami talán jó lenne, 1 vagy 2kV-os kerámia kondik, és ezekből több összerekva, még pedig azért, mivel így a fegyverzet hozzávezetések keresztmetszete megnő. Gyakorlatilag növelhető is, ha kisebb értékekből állítjuk össze (több láb x kereszmetszet). Így csökenthető a vékony lábkeresztmetszet okozta melegedés és veszteség. A kerámiának alacsony a hozzávezetési indukciója is, és bírja a magas frekit is. A hűtése is kiváló, mivel magas a hőkivezetése a burkolóanyagra, és elég magas hőmérsékletet is elbír. Egy ilyen összeforrasztott pakli még mindig sokkal olcsóbb, mint egy speciális nagyáramu kondi (kb 3.000-ből kijön). Jól összerakhatók léghűtésre kis helyre, pld. 4 rézszálra négyszög alakzatban (az egymással szembeni szálak azonos potenciálok).
(#) (Felhasználó 46585) válasza mex hozzászólására (») Máj 23, 2010 /
 
Szerintem az eladónak fogalma sincs, mit ad el. Az adataiból legfeljebb a 30 cm igaz... Az 5 m biztosan nem, a 2 mikron szintén nem. Ha csak 2 mikron lenne, az már semmire sem használható, olyan vékony. Esetleg az 5 km hihető. Ha 20 mikron alatt van a vastagsága, akkor nem szabad megvenni, különben nem lehet vele dolgozni. Ha ez 35...50 mikron, akkor ideális!
(#) FREDDI válasza (Felhasználó 46585) hozzászólására (») Máj 23, 2010 /
 
Igen, ezeket én is így látom. Hogy mennyi lesz a vége, az sem biztos, mert liciten van.
(#) pimi9 válasza deguss hozzászólására (») Máj 23, 2010 /
 
Saját tapasztalat szerint, a működési frekvencia csak kis mértékben befolyásolja a hevítés menetét, ilyen méretekben, amiben mi gondolkozunk.

Másrészt a munkatekercsben egy gyorsan változó mágneses mezőbe kerül a munkadarab, és itt örvényáramok indukálódnak benne, biztos hogy mást is figyelembe kell venni a behatolási mélység számításán kívül a frekvencia meghatározását illetően.

Kondit illetően: Én MKP10-es kondikat javasolnám, próbálok majd egy konkrét mérést (inkább becslést) elvégezni az 1kV-os 47n-s MKP10-es kondikat illetően, mit bírnak.
(#) (Felhasználó 46585) válasza FREDDI hozzászólására (») Máj 23, 2010 /
 
Olvasd el mit írt a fazon most! Nem az egész gurigát adja el, hanem csak 5 métert belőle!!! Ez aranyárban van. Egyébként ez nagy valószínüséggel MYLAR, nagyon finom kis anyag és kilója ( ! ) kb. 3000,- Ft a Villértnél. Ha ez tényleg 2 mikron, akkor néhány kilóméter biztosan beleférne a 3000,- Ft-ba...
(#) FREDDI válasza (Felhasználó 46585) hozzászólására (») Máj 24, 2010 /
 
Hát ez nem semmi ! A legtöbb ilyen fazonnal nagyon kell vigyázni, sajnos ez van. De ez nem arany ár, ez drágább ! Most jut eszembe, a kolofolnál van ragasztható telflon is. Sok minden érdekelne onnan, pld ellenállás huzal.
(#) (Felhasználó 46585) válasza FREDDI hozzászólására (») Máj 24, 2010 /
 
Igen, ez a pofátlanság netovábbka. Csak azokat a kezdőket sajnálom, akik bedőlnek egy ilyen alaknak.

Ellenálláshuzalt is nézd meg a Villért-nél, Kistarcsán, a kórház mellett. Nagyon sok fajta kanthált láttam és tisztességes áraik vannak. Általában érdemes oda elmenni, nagyon sok mindent tartanak, ami ilyen "szerelési" anyag. ( textilbakelit, prespán, zománchuzal millió fajta, stb )
(#) hexaszer válasza deguss hozzászólására (») Máj 25, 2010 /
 
Három év alatt építetettem néhány hevítőt saját használatra. A 2 db megy egy automata kovácsológépen napi 8 órát kb. 50%-os működési idővel. Tanácsos soros illesztőket használni, mert szinte teljesen megszűnt a trafó melegedése.(PM114 20x0.4 zománcozott huzallal tekerve.)
(#) (Felhasználó 46585) válasza hexaszer hozzászólására (») Máj 25, 2010 /
 
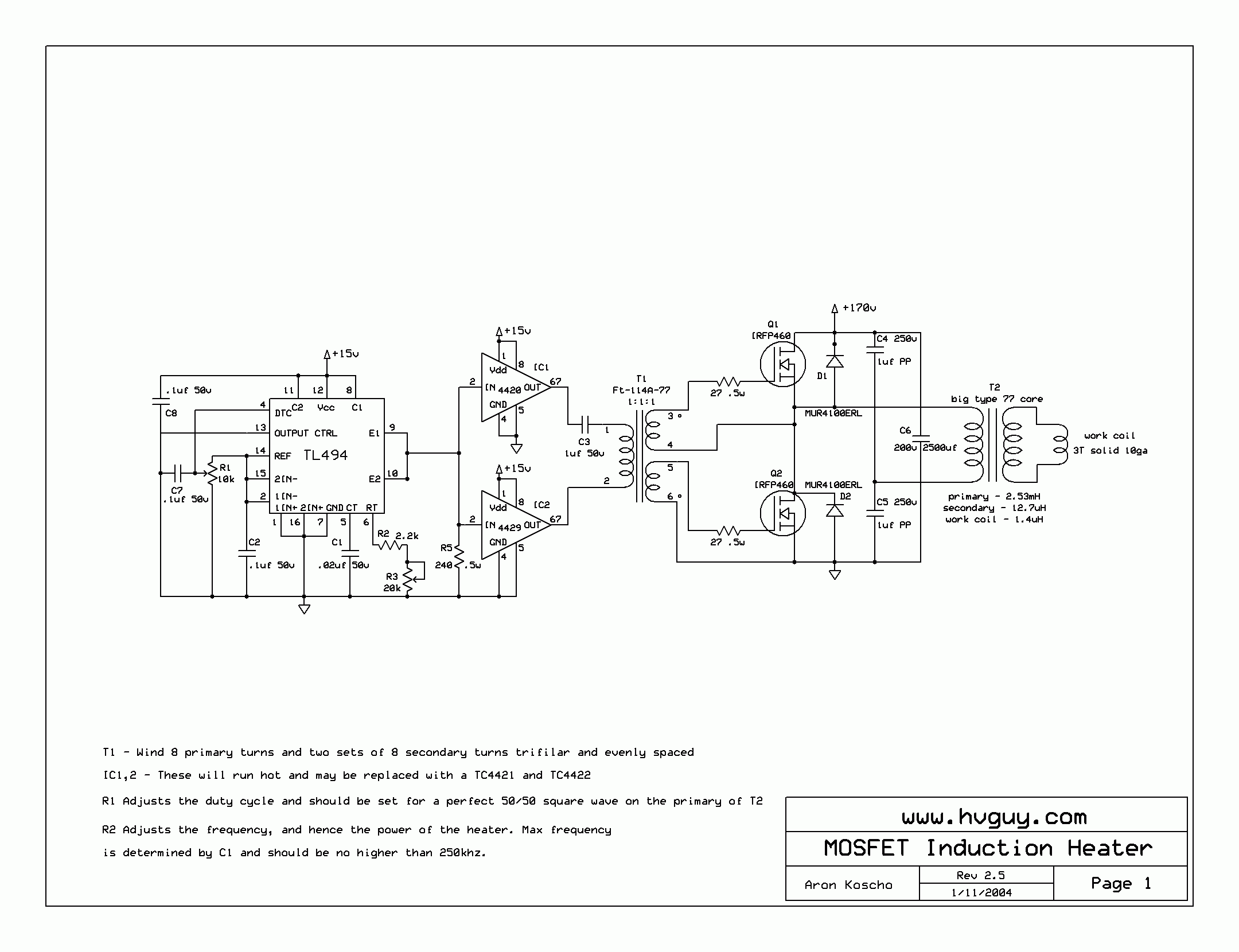
A PM114-et ismerem. De mi az a soros illesztő? Betennél egy főáramköri rajzot?
(#) deguss válasza hexaszer hozzászólására (») Máj 25, 2010 /
 
Szervusz!

Végre valaki, akinek van tapasztalata! Szabadna még egy kis információ után "kóstatni"?
Meghajtási elv? Visszacsatolás? Tank kondenzátor kivitel, érték?
Félhidas vezérlést feltételezve, az "illesztő" alatt fojtóinduktivitást értesz, vagy "blocking capacitort"? Méretezés, esetleg mag méret?
Elnézést a sok kérdésért, remélem nem veszed zaklatásnak.

szerk: PM114/93 fazékmag légréssel.
(#) p_istvan válasza deguss hozzászólására (») Máj 25, 2010 /
 
Szervusz!
Lehet hogy már láttad, itt is van gyakorlati megvalósítás: Bővebben: Link
(#) hexaszer válasza deguss hozzászólására (») Máj 26, 2010 /
 
Szóval sorban:

-220 AC
-áramváltó az áramfelvétel egyszerű méréséhez
-szilárdtest relé
-diódahíd
-szűrőkondik
-bekapcsoláskor a szűrőkondikat egy izzó tölti, mert egyébként lenyomja a 20A megszakítót, 170 V-nál kapcsol a szilárdtest relé
------------------------------------------------
DC-DC
tl494 pwm kontroller + 4xIRFP460
fojtó PM 114/93 8mm légréssel 4 menet
-----------------------------------------------
INVERTER
kontroller 4046, de most nem használom a PLL-t
4x5 db IRFP460 fullbridge
PM114/93 leválasztó trafó cca pri/sec 20-20 menet
illesztő induktor 2x3x6 db FERRIT E 42x21x20 E42 N27 B66329-G4500-X127 (EPC)-ból összeragasztott fojtók 3 menet 1mm légréssel
---------------------------------------------------
TANK
10 db MKP10 1 µF 1600V
8 menet (D=50mm) 8-as rézcsőből
---------------------------------------------------
Visszacsatolások a TL 494-hez:
-áramváltóból az áramfelvétel
-tankfesz induktív csatolással, mert egyébként elszállna, mint a győzelmi zászló!
Így vagy az áramfelvétel vagy a tankfesz szabályozza vissza a DC-DC-t.
---------------------------------------------------
DC blocking kondi nem kellett, mert az inverter folyamatosan megy. A táppal megy a bekapcsolás és a szabályzás. 15A-t vesz fel 200V-on nagyjából 3kW.
A DC-DC melegszik egy picit, az inverter csak langyos.
A tank kb 250 V AC 50 kHz.
(#) hexaszer válasza deguss hozzászólására (») Máj 26, 2010 /
 
először az első képen lévő félhidas megoldást használtam 6 db gagyi hegesztőtrafó táppal, de a nagyobb teljesítmény érdekében áttértem a teljes hidas nagyfrekis leválasztásra, de fet-ekkel.
(#) hexaszer válasza deguss hozzászólására (») Máj 26, 2010 /
 
itt próbálkoztam a soros meghajtással, de folyamatos üzemre nem jó. A fojtók miatt raktam fel.

IMAGE_035.jpg
    
(#) (Felhasználó 46585) válasza hexaszer hozzászólására (») Máj 26, 2010 /
 
Az egész műküdő (!!!) példányról nincs véletlenül egy fotó? Esetleg több, valami meggyőzőbb...

Miért kell egy 4 A-es diódát párhuzamosan kötni az IRFP460-nal? Abban benne van a substrat dióda, a mellé tett dióda olyan, mintha ott sem lenne! Hol lehet ezt élőben, működés közben megtekinteni?

Kiváncsivá tettél...
(#) hexaszer válasza (Felhasználó 46585) hozzászólására (») Máj 27, 2010 /
 
Ha az inverter nem a tank rezonancia frekijén dolgozik, nagyon komoly terhelés jelenhet meg a freewheel diódákon. Jobb ha nem fet-ét használjuk. 100ns-nél gyorsabbak már jók.
(#) (Felhasználó 46585) válasza hexaszer hozzászólására (») Máj 27, 2010 /
 
Nagyon komolytalannak tűnik egy 4 A-es dióda egy IRFP460 mellett... de hát, te tudod.
(#) hexaszer válasza (Felhasználó 46585) hozzászólására (») Máj 27, 2010 /
 
nem 1 db van, hanem több.
A 35ns-es nyitás 46 Ft-os ár miatt a legjobb választás. Csak kritikus helyzetben dolgoznak, de akkor kímélik a feteket.
(#) deguss válasza hexaszer hozzászólására (») Máj 27, 2010 /
 
Kicsit meg vagyok keveredve.
Az "első képpel" a fetindheat.gif képen lévő kapcsolásra gondolsz, ugye? Ennél semmilyen visszacsatolást nem látok, a kitöltési tényező, mint pedig a frekvencia egy-egy potenciométerrel állítható. Ennek a táplálásához kellett(ek) a hegesztőtrafó(k), jól értelmezem, ugye?
Ha már a TL494-ben van beépített deadtime-control (holtidő-figyelembevétel) akkor miért nem úgy használtad? Nem nyitottak egymásra a FET-ek, nem volt ebből probléma?

A második (igbtindheat.gif) kapcsolásnál lényegében egy teljes híd került megvalósításra, de ugyan ezzel a meghajtással. Nem látok én ezen semmilyen visszacsatolást.
Ha építettél be a 230V-os részbe áramváltó trafót, akkor annak áramát egy ellenálláson feszültséggé alakítva, majd egyenirányítva rávezetted egy potin keresztül a TL494 DTC pinjére, szűrés mellett? Vagy hogyan oldottad meg, előfeszítéssel? Tisztában vagyok vele, hogy nem szándékozol komplett rajzot megosztani, de ez a részlet engem speciel érdekelne.

A transzformátor keresztmetszete, vagy fényképe érdekelne, ha már a menetszámot megírtad. Most Te építettél egy az egész kapcsolás elé egy kapcsoló üzemű leválasztó transzformátort (következtetek rá abból, hogy írtad, "primer és szekunder is 20-20 menet") vagy valamit félre értelmezek? A munkatekercs nem a leválasztó trafó szekunderére van kötve?

Köszönöm válaszod.
(#) hexaszer válasza (Felhasználó 46585) hozzászólására (») Máj 27, 2010 /
 
Bocs, SF68, RURG3060, vagy RURU8060 jók.
De azt hiszem vhol már írtam.
Ne keress logikát ez tapasztalati úton alakult így.
Elvileg 1 FET is bőven elég lenne, de a gyakorlatban másképp működik a dolog. Én már felrobbantottam fetjetim javát.(Legalábbis remélem)
(#) hexaszer válasza deguss hozzászólására (») Máj 27, 2010 /
 
A kapcsolásokat csak a fetmeghajtás miatt raktam fel.

Próbálkoztam leválasztott szabályozható táppal, flyback ill. phase shift módban.

Egyszerűbb ha még a le nem választott tápot szaggatod pwm-mel. A fojtó it is PM114 csak 8 mm légréssel.

Az áramváltó illetve a tankfesz csökkenti a kitöltési tényezőt a TL494-nél.

Sokkal egyszerűbb és agyonüthetelen lenne egy tririsztoros meghajtás, de cos fi miatt nem ezt választottam. Egész nap megy.


A leválasztó trafó az inverter után van szimmetrikus négyszögjellel meghajtva. Igy simán átmegy a 3 kW a PM114-en, épphogy langyos.
A fojtók pedig a tank szinusza és a z inverter négyszöge közti illesztést végzik.
(#) ekkold hozzászólása Máj 28, 2010 /
 
Nekem annyit siekrült kihámoznom, hogy:
Van egy táp (valószinüleg step-down) ennek a kitöltési tényezőjét szabályozza le a tank kör feszültsége, és/vagy a nagyfrekis félhíd kimenő árama.
A nagyfrekis félhíd mindíg rezonancián megy, a pwm táp oldja meg, hogy ne szaladjon meg terhelés nélkül, vagy túl nagy terhelés esetén. Ennek a megoldása így lehet egyszerű visszacsatolt önrezgő, szinkronizált oszcillátor, vagy PLL-es megoldás is (amelyik tetszik ).
Ha jó teljesítménytényezőt akarunk akkor a 230V-ot egyenirányítva nem is kell komolyabban szürni, csak nagyfrekisen, hadd dolgozzon a pwm táp
Szóval Hex, nagyooon mellényúltam, avagy kapisgálom a dolgot?

Amiről beszéltünk eddig az annyiban egyszerűbb, hogy a megszaladás ellen félrehangolással (induktív irányban) védekezne. Így nem kell még egy step-down szabályzót elétenni - bár lehet, hogy az a megoldás jobban bírja a strapát.
(#) (Felhasználó 46585) válasza ekkold hozzászólására (») Máj 28, 2010 /
 
" Nekem annyit sikerült kihámoznom, hogy:..."

Hm... jó neked. Nekem semmi nem jött ebből le. Nekem csak egy össze-visszaságnak tűnik az egész. Inkább nem írom le, hogy mit gondolok a szerzőjéről. A legkevesebb az idegen tollakkal való kapcsolata...

Senki sem kért komplett kapcsolási rajzot. De egy blokkvázlat, egy érthető magyarázattal azért illene ide, ha már megszólalt a kolléga...
(#) p_istvan válasza (Felhasználó 46585) hozzászólására (») Máj 28, 2010 /
 
Idézet:
„Senki sem kért komplett kapcsolási rajzot.”

Én viszont igen! Ha valaki el akarja a nagyérdeműt kápráztatni, akkor bizonyítson is, elvégre ez egy szakmai fórum.
(#) (Felhasználó 46585) válasza p_istvan hozzászólására (») Máj 28, 2010 /
 
Hát... várakozó álláspontra helyezkedünk...
Következő: »»   13 / 63
Bejelentkezés

Belépés

Hirdetés
XDT.hu
Az oldalon sütiket használunk a helyes működéshez. Bővebb információt az adatvédelmi szabályzatban olvashatsz. Megértettem