Fórum témák

» Több friss téma
Fórum » Relé vezérlése tömeghatár elérésekor
Lapozás: OK   1 / 2
(#) unicorn hozzászólása Máj 16, 2010 /
 
Egy tömeg mérőeszköz megépítéséhez szeretnék segítséget kérni, mely egy csomagológép része lenne.
A feladat a következő lenne:
Van egy tömeghatár, melynek elérésekor a kapcsolás kapcsol egy relét. Ezt a tömeghatárt egy potméterrel kéne tudni állítani, hogy eltérő tömegeket is lehessen mérni.
Én egy mérőcellában (mondjuk ebben: EST-mérlegcella) gondolkodtam, melynek a jelét szerintem nem is kéne erősíteni, hiszen nem akarom AD átalakítóra tenni.
A mérésnek különösen pontosnak sem kell lennie, 500g célérték esetén 530g-ra állítanám be, tehát elég nagy a biztonsági tartalék.
Kérem, ha valakinek van kapcsolási ötlete, segítsen.
(#) didyman válasza unicorn hozzászólására (») Máj 16, 2010 /
 
A cuccban egy wheatstone híd van, ez kap tápot és produkál egy differenciális jelet, amit például egy műveletierősítővel aszimmetrizálsz és komparátorral megfigyelsz. mV nagyságrendről van szó, a konkrét típus paraméterei között kikeresed annak határértékét. A potmétert a komparátor referenciafeszültsége fogja kapni, a kimenethez vélhetően tranzisztorral tudsz relét illeszteni. Nagyon le kell rajzolni?
Valami jobb képességű precíziós OPA fog kelleni hozzá. Alacsony drift, alacsony ofszet! Az aszimmetrizálóban célszerű erősíteni is, így a referencia lehet magasabb, kevésbé precíz.
(#) mex válasza unicorn hozzászólására (») Máj 16, 2010 /
 
Egy komparátor kell, valamint egy referenciafeszültség.
A komparátor kimenete aztán már vezérelhet tranyót, fetet, stb. Néztem a cella érzékenységét, de számomra nem egyértelmű ez a mV/V. Hogyan kell értelmezni?
(#) vilmosd válasza unicorn hozzászólására (») Máj 16, 2010 /
 
Hali
Nezted a cella jellemzo erzekenyseget? 1 mV/V ami azt jelenti, hogy 10 V(max) tap eseten a max terhelesen 10 mV jelet tud adni. Azert erre a tartomanyra jo komparatort csinalni mondjuk 500-as felbontassal nem lesz konnyu megcsinalni. 20 uV lesz egy osztasod. Ez mar a OPA driftjehez kozelit. Ez azt jelenti, hogy az egesz maszni fog a homerselet fuggvenyeben, mint pok a falon.
Udv Vili
(#) unicorn válasza didyman hozzászólására (») Máj 16, 2010 /
 
Sajna elég lámer vagyok a témában, jól jönne egy kapcsolási rajz.
(#) proba válasza vilmosd hozzászólására (») Máj 16, 2010 /
 
(#) unicorn válasza vilmosd hozzászólására (») Máj 16, 2010 /
 
De ha ilyen hőmérsékletfüggő, akkor hogyan lehet használni egyáltalán ezt a mérőcellát?
(#) unicorn válasza proba hozzászólására (») Máj 16, 2010 /
 
Ezek az árak komolyak?
Próbálnám egy kicsit olcsóbban megoldani...
(#) vilmosd válasza unicorn hozzászólására (») Máj 16, 2010 /
 
Hali
Nem a cella a homersekletfuggo, hanem az altaltok elkepzelt egyszeru komparator. A kozonseges muveleti erositoknek igen nagy az offszetfesz hofokfuggese (viszonyitva a merendo jelhez). Tehat ha valtozik a muveleti erosito homerseklete valtozik a kapcsolasi kuszob. Megoldas lehet a proba kollega altal emlitett atalakito. Nem tudom mennyiert merik a cellat, de ha erre van penz, akkor egy komolyabb , mukodokepes elektronikara is kell kolteni.
Udv Vili
(#) unicorn válasza vilmosd hozzászólására (») Máj 16, 2010 /
 
Igen, sajna túl sok pénz nincs rá.
(#) didyman hozzászólása Máj 16, 2010 /
 
500-as felbontás nem fog kelleni, írta a srác, hogy 30g belefér a pontatlanságba, az a közölt érzékenységen fél mV. Ekkora értékre precíziós OPA még bőven használható, például OPA27/OPA627: 10uV ofszet, 0,1uV/C°drift..
Persze tervezni kell, a bemenetek azonos mértékű lezárására figyelni kell, aztán az aszimmetrizálás+erősítés után már relatív egyszerű a feladat.
(#) baloghzoli1 válasza unicorn hozzászólására (») Máj 16, 2010 /
 
Szia
Ha nem kell olyan nagy pontosság,én egy egy hagyományos körszámlapos mérlegbe épitettem be egy induktiv kapcsolót ami a rudazat mozgását figyeli és jól müködik és nem is volt ilyen ára mint az itt ajánlott ketyeréknek
(#) unicorn válasza didyman hozzászólására (») Máj 16, 2010 /
 
Biztató, amit írsz. Van esetleg egy kapcsolási rajzod?
(#) vilmosd válasza unicorn hozzászólására (») Máj 16, 2010 /
 
Akkor nem lesz megcsinalva szerintem. Vagy keresni kell egy hozzaertot (nem Mekk mestert) aki tud csinalni egy komolyabb elektronikat. Egy jobb erosito azert nem 58kft +ifa. Szerintem meg lehetne csinalni sokkal olcsobban is. De nem 100 Ft-bol, mint az elkepzeles volt Masik esetleg meg szet kelleni nezni a Kaliber kft-nel. Kb 85 eve csinalnak mindenfele merlegtechikai dolgokat, lehet hogy ertenek hozza. A mai arakrol nem tudok semmit. Regen sokat hasznaltam a cellajaikat. Nem egy Hottinger, de az altalanos felhasznalashoz arban es minosegben megfelelo. Nekik is vannak 0-10V, 4-20mA atalakitojaik. Szet kell nezni a PIAC-on, nem csak egy cegnel.
Udv Vili
(#) vilmosd válasza baloghzoli1 hozzászólására (») Máj 16, 2010 /
 
Hali
1967-ben gyartas alatt volt az ilyen tipusu automatika. Sokat csinaltunk ilyen automatikat, de most mennyibe kerul egy korszamlapos, ha kapsz egyaltalan. Sokkal egyszerubb egy jo erosito + cella + tap.
Udv Vili
(#) unicorn válasza vilmosd hozzászólására (») Máj 16, 2010 /
 
Ez a Kaliber Kft. jó ötlet. Holnap elnézek hozzájuk.
(#) baloghzoli1 válasza vilmosd hozzászólására (») Máj 16, 2010 /
 
De itt a mérleg megvolt használták,csak nem kapcsolt ki.10000 körül volt az induktiv kapcsoló és az elsöre müködött.Ezekkel az ipari környezetbe szánt otthon gyártott cuccokkal az a baj hogy sokat kellene tesztelni hogy megbizhatoan müködjön.Mert ha ilyen miatt vissza kell járni javitgatni annak senki nem örül,az anyagi vonzatról(km díj,idö,)meg ne is beszéljünk.De ha van rá idö teszteld,de mindenkinek azonnal kell minden általában
(#) vilmosd válasza baloghzoli1 hozzászólására (») Máj 16, 2010 /
 
Hali
Mi 100-szamra gyartottuk az erzekeloket, es a korszamlaposokat. Reles vezerles volt hozza RB dobozban. A finomitokban hasznaltak kenozsiros es kenoolajos bodonok toltesere. De szerintem ma mar ez nem igazan jo megoldas. Ha nincsen meglevo mechanikad, akkor egyszerubb a cella+ elektronika. Mi sok korszamlapost alakitottunk at elektronikusra. A huzoszarba beraktunk egy cellat, es mar lehetett is rakotni az elektronikat. Ipari (nem kereskedelmi) meresekhez megfelelt. De ma mar szinte nem talasz korszamlapost gyartasban. Esetleg a kinaiak.
Udv Vili
(#) unicorn válasza baloghzoli1 hozzászólására (») Máj 16, 2010 /
 
Ne haragudj, de egy HM2 elnevezésű csomagológépet szeretnék egy kicsit átalakítani. Ezt a típust használták az átkosban KGST szerte. Ennek megfelelően eléggé elavult: a mérést úgy oldja meg, hogy egy rugót nyom lefelé. Amikor elér egy mágnes egy érzékelőhöz, akkor megvan a súly. A tömeg állítás a mágnes magasságának állításával történik.
Ez a gép egyrészt nem is működik, másrészt szeretném, ha nem egy ilyen őskövület dolgozna. Ezért szeretnék egy mérőcellás megoldást tenni ide.
(#) didyman válasza unicorn hozzászólására (») Máj 16, 2010 /
 
Az elavultsága azt jelenti, hogy nem alkalmas feladatára? Annyi az összes baja, hogy őskövület? Miben lenne jobb egy szopószorzóval teli, ésvagy drága vadiúj elektronika, ami ki tudja, mikorra fog jól működni? A közölt tűréssel én nem is gondolkoznék, a jelenlegi megoldás alkalmazásának megtartásán. Tisztítás, hozzávetőleges kalibrálás, beállítás, lock-tight és le van róla a gond az elkövetkező x évre.
(#) vilmosd válasza unicorn hozzászólására (») Máj 16, 2010 /
 
Hali
Ha ez technologiai meres akkor nem nagyon fontos a pontossag, es a hitelesites, de ha kereskedelmi, akkor csak hitelesitett merleget lehet alkalmazni. Esetleg nezz szet meg a Metrisoft oldalan is. Professzionalis ceg. Van meg sok kisebb nagyobb ceg, de az emlitett ketto oreg motoros sok tapasztalattal.
Udv Vili
(#) baloghzoli1 válasza unicorn hozzászólására (») Máj 16, 2010 /
 
Hát erre irtam az induktiv kapcsolót annak nem árt a ráfojt olaj sem (IP67),egyébként én is javitottam ilyen HM2 DDR-es csodát ha azon javitani akarsz a komplett vezérlést kidobhatod a szerelölemez mögötti csatlakozókkal kezd azok a legsz...ak rajta utána a DDR-es relék
(#) unicorn válasza baloghzoli1 hozzászólására (») Máj 16, 2010 /
 
Az a helyzet, hogy a cégnél van egy HM2 beállítva üzembe és van még 4, amelyeket csak alkatrésznek vettünk a működőhöz. Az évek alatt
1. kilopkodtunk belőlük mindent
2. kint álltak az esőben, fagyban
Ezek után én azt hiszem, hogy nem ezek a HM2-esek jelentik a legbiztonságosabb utat.
(#) Műszerész válasza unicorn hozzászólására (») Máj 17, 2010 /
 
Szia! Ha tudsz keress Ishida rajzot, nagyon pontos mérlegeket csinál. nem tudom mit szeretnél kimérni, de térfogatmérés nem jöhet szóba? Üdv.
(#) unicorn hozzászólása Máj 30, 2010 /
 
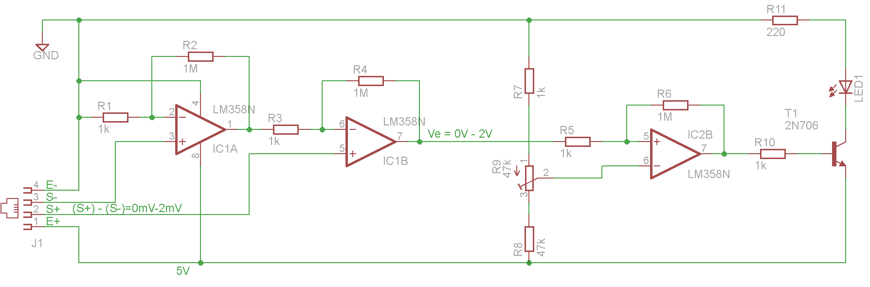
Tisztelt fórumozók!

Sokat olvastam a témában, és a mellékelt kapcsolási rajzot raktam össze.
Ahogy gondolkodtam:
Van +5V stabilizáltam, ezt használom az általam szerzett mérlegcella meghajtására.
E- = 0V
E+ = 5V

A próbáimból kiderült, hogy a cella által kibocsátott jel (azaz: (S+) - (S-) ) 0mV és 2mV között mozog (2mV ha 2 kg terhelést kap a cella).

1.
Tehát első körben ezt a jelet kell erősíteni mondjuk 1000 szeresen. Ezt az LM358-as adatlapja szerinti "High Input Z, DC Differential Amplifier" kapcsolás szerint csináltam meg. Az erősítés elvileg 1+1M/1k = 1001 szeres (R2/R1=R4/R3=1000).

2.
Ezt követően az LM358-ast használtam komparátornak is a "Comparator with Hysteresis" kapcsolás szerint. A komparátor negatív bemenetét egy potméterrel lehet állítani kb. 0V és 2,5V között.
Meglátásom szerint, ha a potméterrel a negatív bemenetet 1V -ra állítottam, akkor az IC2B kimenetén akkor lesz 0V, ha az IC1B kimenete 0V - 1V tartományban van. 5V akkor lesz az IC2B kimenetén ha az IC1B kimenete 1V - 2V tartományban van.

3. Egy tranzisztor segítségével hajtok meg egy LED-et, ha a az IC2B kimenete 5V.

Kérem, hogy véleményezzétek a megoldásomat, ha hibát találtok benne, adjatok segítséget a megoldáshoz.

(Bocsi, hogy felülre tettem a GND-t, alulra az 5V-ot.)
(Ezt az adatlapot használtam: LM358.)

export.png
    
(#) unicorn válasza unicorn hozzászólására (») Máj 30, 2010 /
 
Senkinek nincs véleménye?
(#) otto54 válasza unicorn hozzászólására (») Máj 30, 2010 /
 
Hello!
Ha a jól bevált jelölési módot alkalmazod (GND lent,magas táp fenn),akkor valószínűleg az áramkör végén a LED vezérlést sem rajzoltad volna rosszul!
(#) vilmosd válasza unicorn hozzászólására (») Máj 30, 2010 /
 
Hali
A kapcsolas maga lehet jo is , de en eloszor is szet valasztanam ket erositore. Ebben a ket OPA-s reszben nem csinalnek 1000x erositest, mert ugy induloban a 358 offset feszultsege tipikusan 2, max 7mV, es ha ezt felerosited 1000x bizony jelentos hiba. Nagyobb mint a cella altal adott teljes jel. A masik: az offset fesultseg hofokfuggese tipikusan 7 uV/C. Amennyiben az erosito homerseklete megvaltozik 10 fokot, a kimeneten ez 70mV hibat (elmaszast) okozhat. Ezert szoktak cellaerositokben olcsobb specialis OPA-t alkalmazni(5-20$), vagy komplett modult (100 $). De annyira nem veszes a helyzet. Erre kaphato jo erosito pl OPA 2277. Tipikos offszetje 10uV, es a drift 0.1uV/c. Ez mar akar alkalmas is lehet erre a feladatra, de ennel is ervenyes az elobbi, hogy egy fokozatban nem csinalunk 1000x erositest. Terveztem eletemben egy par merlegmuszert, ezert tapasztalatbol tudom mondani. Viszont ha mar teszel utana masik fokozatot, akkor erdemes megcsinalni a szabvany Instrumental amplifier-t, mert sokkal jobb a drift elnyomasa, mint a Te kapcsolasodnak. A masik. szukseg van a stabilizalt kettos 5 V tapra. Feltapos alkalmazas nem nagyon jo a stabilitasok miatt.
Na ugy nagyjabol ennyi.
Udv Vili
(#) unicorn válasza vilmosd hozzászólására (») Máj 30, 2010 /
 
Igencsak kimerítően véleményezted a kapcsolásomat, köszönöm! Lenne néhány kérdésem:
1. az OPA2277-est hol tudom megvenni? Lomex-ben nem találtam. (OPA27 nem jó esetleg helyette?) Ha már a "szabvány Instrumental amplifier" kapcsolást javasoltad, akkor gondoltam, hogy az INA126 -os instegrált megoldást kéne alkalmazni. Erről mi a véleményed? Persze ezt se találtam sehol, szóval ha van ötleted...

2. Az általad említett "szabvány Instrumental amplifier" kacsolásból elég egy és azzal már lehet 1000×-es erősítést csinálni?

3. Az OPA27-es adatlapjában található Instrumental amplifier kapcsoláshoz kéne még INA105/INa106 is, de ilyet se találtam a Lomex-nél.
(#) vilmosd válasza unicorn hozzászólására (») Máj 30, 2010 /
 
Hali
A OPA27 is jo valasztas, igaz kicsit nagyobb a driftje (0.4uV/C), de ide megfelelhet. Az instrument ampra en nem kesz gyari tokra gondoltam, hanem egy ilyen tipusu erosito kapcsolasra. Mellekelek egy kapcsolast, ami megfelelhet ennek a kovetelmenynek. Az elso resz erositese 100x, a masodik resz 10x. Ez garantaltan stabil 0-100 C tartomanyban. Nagyon (!) fontos az ellenallasok parba valogatasa, es legalabb 1% femreteg ellenallasok alkalmazasa. De jobb lenne meg nagyobb pontossagu ellenallas, viszont azoknak az ara is jelentos(10k 0.1% 1ppm/C 13.95$). Mindenesetre, ha veszel 20-30 db 1 %-os ellenallast egy jobb multimeterrel (nem 3 es 1/2 digites) ossze lehet valogatni a parokat. Ugyanez vonatkozik a kimeneti erosito ket 100k ellenallasara.
Ugy korulbelul ennyi. Udv Vili

inst_amp.pdf
    
Következő: »»   1 / 2
Bejelentkezés

Belépés

Hirdetés
XDT.hu
Az oldalon sütiket használunk a helyes működéshez. Bővebb információt az adatvédelmi szabályzatban olvashatsz. Megértettem