Fórum témák
» Több friss téma |
WinAVR / GCC alapszabályok: 1. Ha ISR-ben használsz globális változót, az legyen "volatile" 2. Soha ne érjen véget a main() függvény 3. UART/USART hibák 99,9% a rossz órajel miatt van 4. Kerüld el a -O0 optimalizációs beállítást minden áron 5. Ha nem jó a _delay időzítése, akkor túllépted a 65ms-et, vagy rossz az optimalizációs beállítás 6. Ha a PORTC-n nem működik valami, kapcsold ki a JTAG-et Bővebben: AVR-libc FAQ
Sziasztok!
Van egy problémám, amit nem tudok megoldani: Hogy lehet AVR-rel figyelni, hogy megy-e áram egy vezetéken? Konkrétan 5-23V egyenfeszültség lenne folyamatosan a vezetéken, és azt kellene megállapítani, hogy van-e rajta fogyasztó. Mérni nem kéne az áramerősséget, csak annyi kéne, hogy van-e áram, vagy nincs. Sajnos nincs sem hardveres, sem szoftveres ötletem, nagyon örülnék, ha segítene valaki. Előre is köszönöm.
Azt nem tudom hogy ekkora feszultsegek es aramok eseten mekkora a vezetek korul a magneses mezo nagysaga, de lehet hogy egy linearis Hall szenzor mar kepes erzekelni (Tudom hogy ez egy kicsit durvanak fog tunni, de esetleg tekerj egy 2-3 menetes tekercset a vezetekbol ha eleg hosszu es tedd be a Hall szenzort a kozepebe megfeleloen pozicionalva).
Az Allergo 1321EUA-T egy 5000 mV/G erzekenysegu szenzor (a 1322 es 1323 ennel kevesbe erzekeny) Allergo 1321EUA-T
Az eszrevetel jogos, nalam a motor.h fajl a WinAVR\avr\include\ mappaban volt ezert raktam "kacsacsorbe".
A cikkben nem tertem ki ra hogyan kell az altalanos es a sajat header fajlokat beilleszteni.
Köszönöm a választ, de még sosem volt dolgom ilyennel, meg az a max 1-2A, ami menne, nem valami sok ilyen érzékeléshez (persze lehet hogy tévedek, nem csináltam még ilyet). "Vezetékes" megoldás nem létezik?
Kell egy árammérő ellenállás. pl 0.1R ennek a két lábára kell rákötni egy komparátort. Ennek a kimenetén látható, hogy folyik-e áram vagy sem.
Merülj el a műveleti erősítő világában! Jó kis alkatrész!
Köszönöm, ennek utánaolvasok, ha nem megy valami, majd jövök.
Sziasztok!
Szeretnék egy kis programot írni, ami addig tartja magas szinten az adott kimenetet, amíg nyomom a távot (2 kimenet, egyszerre nem mehetnek...) az alábbi kis selecttel csak átbillenteni tudom a kimenetet és úgy marad. Hogyan kellene? On Int1 Getinfra Getinfra: Getrc5(Address , Command) If Address = 0 Then Command = Command And &B10111111 Select Case Command Case 16: pind.4 = 0 pind.5 = 1 Case 17: pind.5 = 0 pind.4 = 1 End Select Return Köszi Rag
Sziasztok!
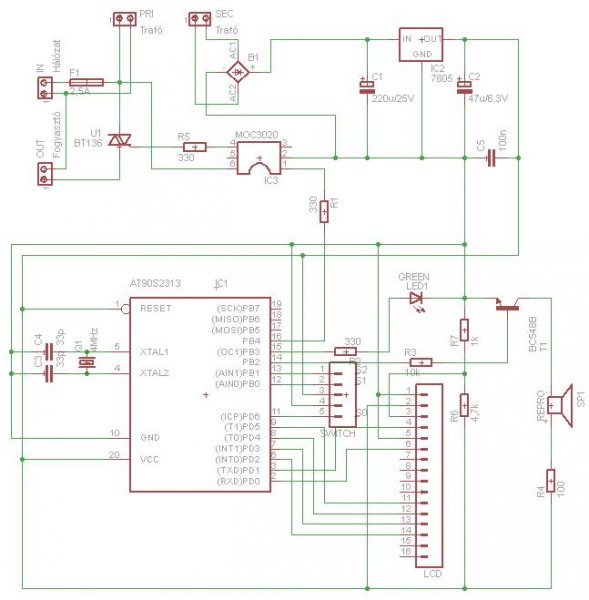
Egesz nap google baratommal probaltunk megoldast talalni a problemamra, de semmi. Alkonyat tajt ugy dontottem atnyalazom a forumot, itt is semmi. Feladat a kovetkezo: Szeretnek Mega8535-tel 230V-os fogyasztokat kapcsolgatni. Annyit mar sikerult kideritenem, hogy a triakot hogyan kell hasznalni. Egy MOC 3020-as optoval egy BT138( 800V, 12A )-at szeretnek vezerelni. A MOC-nak 60mA az aramfelvetele, AVR pin-en pedig 40 johet ki. Az igazi problemak ott kezdodnek, hogy en a programozashoz ertek, az elektronikahoz meg csak nagyon kicsit ( erintesvedelemmel kezdtem )Google baratommal egy tranzisztoros megoldast talaltunk, de azt hogyan kellene megvalositani? Addig talan meg okes, hogy a MOC infraja kap tapot, GND oldalra a tranyo, aminek a bazisara megy az AVR pinje. ( vagy ha nem igy, akkor a VDD feloli oldalba a tranz.. ) Kerdes: Milyen tranzisztor kell egy ilyen kapcsolasba?(neztem 30V, 100mA-est, az pl ki fog nyitni az AVR laban levo jeltol? ) Mely tisztelettel: atya
Szia!
Szerintem ezt a két kapcsolást kellene vegyítened, amit csatoltam. A MOC3020 bemeneti oldalára mehet az a tranzisztoros kapcsolási mód, a kimenetére meg a triakos kapcsolás. A MOC infra LED-je maximum 50 mA-t visel el, viszont ennél kevesebb áramról szokták működtetni, pl. vegyünk 30 mA-t alapul. Az infra tartománybeli LED-ek 1,8 V körüli nyitófeszültséggel rendelkeznek. A Vcc pont az az AVR-nek a tápfeszültsége, 5 V. A LED előtétellenállása tehát (5 V - 1,8 V) / 30 mA = 106 ohm, de betehetsz nyugodtan 120 ohm-os fajtát. Nem kell nagy teljesítményű, 0,4 W elegendő. A vezérlő tranzisztor típusa bármilyen átlagos típus lehet, csak az adott kapcsolástechnikánál NPN legyen használva! A triakok esetében szoktak egy RC tagot is betervezni az áramkörbe, ha jól tudom, bár lehet, hogy ezt csak induktív terhelések esetén. Mindenesetre nem árt, ha ennek is kicsit utánanézel a Google-val és ha beletervezed te is. Ártani nem árt.
Meg tegnap este akartam valaszolni, de nem talaltam semmit az RC tagrol, kiveve annyit, hogy egy kondi es egy ellenallas. Ma nezegetve a MOC adatlapjat, felmerzlt egy kerdes, hogy minek is oda a 39 Ω es 0,01 mikros kondi... leesett, hogy ez az RC tag
( milyen cimszo alatt tudok rakeresni angolul? )Szerepel par ellenallas szinten az adatlapon. Azoknak milyen teljesitmenyunek kell lennie? Egyik egy masik RC tag( 470 Ω, 0.05 mikroF ), masik egy 360 Ω-os, neha az opto kimenete, a gate es a 0 kozott is van ellenallas, szinten 360 Ω. ( ezeknek mi is a szerepe? ) Tisztelet: Atya
Szia!
Csatolok egy leírást ami remélem minden kérdésedre választ ad. Amúgy én 330Ω-360Ω 1/2W-os ellenállásokat szoktam használni, az RC-tagnak gyakorlatilag pedig megfelel a 10nF és 39Ω páros. Az RC tag csak induktív terhelés esetén szükséges. A pontosabb értékek kiszámításához részletesen kell ismerni a terhelés paramétereit.
Helló
Mellékelek egy kapcsolást triakos vezérlésről. Nekem bevált. A MOC 3020 optodiak infraledjén én maximum 20 mA áramot szokok átvezetni. Mivel induktív terhelést nem használok, RC szűrő nincs benne
Koszonom, mindenkinek. A doksi nagyon reszletesnek tunik, de meg nem tudtam elolvasni. Egesz nap ventillatort javitottam, meg parasitos klimat "keszitettem". Igy este negyed 11 korul a 30 fok az nem epp barati
![]() Regen keszitettem egy airbrusht. Jo eros kompresszor, es ablaktisztito szorofej adagolo csove... Azzal fujok most vizpermetet. A kompresszor( motorja ) ugye indiktiv terheles? Ma ota azt is tervezem vezerelni ![]() Udv.: Atya
Hali
Ez egy tobbszor kiprobalt kapcsolas. Termeszetesen a TRIAC lehet BT138, BT139 is a kimenoaramtol fuggoen. A MOC3062 jobb valasztas, mert csak nullatmenetnel kapcsol. A uC kimenetet direkt kapcsolhatod a panel bemenetere, nem kell semmi ellenalls. Igy kb 10 mA fog az opto diodajan folyni. Amennyiben induktiv terhelesre hasznalod a TRIAC melle kell egy soros RC tag : 47 ohm 2W es 47 nF 275 V~ X2 kondi. Talalsz a doksiban PCB rajzot is. Ez nekem egy panelbe kellett beforrasztani egy original SSR helyere. Udv Vili
Sziasztok!
Azt szeretném kérdezni, hogy ha pl. for ciklus segítségével szeretném feltölteni az EEPROM-ot akkor szerepelhet-e a
függvényben a 0-ás cím helyett a ciklusváltozó amelynek értéke az adott EEPROM cella címe. pl.:
Köszi szépen! i
Szerintem minden gond nelkul.
Ha megis gond lenne, akkor is csinalhatod azt, hogy konverzioval a ciklusvaltozo erteket atadod egy valtozonak.
Igazából ez egy függvényben foglal majd helyet ami paraméterben fogja majd megkapni a ciklusváltozót (tehát magát az eeprom címet) és a beírandó értéket.
Reményeim szerint így nem lesz probléma.
Elvileg működnie kell. Szerintem nem lesz gond vele.
Üdv mindenkinek!
Egy ismerősőm DMX vezérelhető dimmert épít ATmega8515-el. A hozzá való szoftvert nem tudjuk rátölteni, mert "valami" van benne, amit nem tudunk kitörölni. Az lenne a kérdés, hogyan lehet ezt megtenni? PonyProg-ot használunk. Előre is köszönöm a segítséget
Üdv!
van két DS1775-ös hőmérős szenzorom, i2C buszon kommunikál. Az lenne a kérdésem, hogy hogyan tudnák kettőt bekötni, mivel ezeknek elvileg ugyanaz a címük. vagy esetleg van valami megkülönböztető jelük, ami feless elsiklottam volna? 1 már tökéletesen működik, csak szeretnék rákötni egy másikat is.
Szia!
Bővebben: Link Ezen adatlap szerint írom válaszom. Először a 9. oldalon találod a slave címét, onnan pedig az első oldali ordering information táblázatra irányít. Vagyis a szenzor típusa adja meg a slave adress utolsó három bitjét. Ha jól vettem ki a szavaidból, neked két azonos típusod van, esetleg megoldás lehet, hogy az AVR két lábát felhasználod a szenzorok tápfeszének kacsolására, hogy csak az kapjon tápot, amelyiket olvasnád. Jobbat nem tudok mondani.
Helló!
Szerencsére két fajta van itthon, csak kíváncsi lettem volna, hogy egy azonos típust nem lehet-e valahogy bekötni. Ezek szerint nem. Mondjuk ez a tápfesz kapcsolgatós dolog sem rossz ötlet.
Sziasztok!
Tervezek egy AVR alapú készüléket melynek hálózati feszültségről kellene üzemelnie. Mellékelek egy hevenyészett rajzot mely még kivitelezését tekintve természetesen nem végleges. Szeretném kérni, hogy nézzetek rá, kapcsolási szempontból jó-e így, megfelel-e a mikrovezérlőnek? A C1 kondenzátor felelne a "simításért" ennek értékét mekkorára válasszam? Minél nagyobb annál jobb? A C2 értéke a 7805 adatlapja szerint 0.33µF C3-é pedig 0.1uF. (Természetesen a C2 is elko, a rajzon hibásan kerámia kondi van amiért elnézést kérek.) Köszönöm!
Ebben annyi hiba van, mint lyuk az ementáliban.
Volnál olyan kedves és el is árulnád hogy mi?
Először is, a pufferkonit nem sorosan kell bekötni, hanem az egyenirányító után párhuzamosan, plusz a stabic bekötése sem jó. Nézd már meg a 7805-ös IC adatlapját és már láthatod is, hogy hogyan kellene bekötnöd.
|
Bejelentkezés
Hirdetés |




( erintesvedelemmel kezdtem
)






