Fórum témák
» Több friss téma |
Fórum » LED-es kivezérlésjelzők
Témaindító: KeserűCukor, idő: Márc 27, 2006
Témakörök:
Köszönöm.
Közben rájöttem, hogy nem akarom bonyolítani a dolgot és jó lenne egy IC-s kapcsolás is nekem, konkrétan erre gondoltam. Mi a véleményetek, jó kapcsolás? Valaki esetleg megépítette már?
Inkább LM3914-el csináld. Az elsőre indulni fog
Végülis elvileg mindegy melyiket építed meg, csak az LM3915 nem mindig indul elsőnek, legalábbis így a fórumot olvasva... (bár szerintem nincs semmi baj ezzel az IC-vel). A bekötésük azonos.
Akkor kipróbálom mindkettővel, ha a xx15-tel nem indul akkor jön a xx14
.
Hello!
Ez badarság! Egy milliós példányban gyártott IC mindig jó, csak a felhasználók nem elég képzettek.. :yes: üdv! proli007
Eddig ezt a kivezérlésjelzőt építettem meg egyedül, remélem két mono változat már csak összejön
.
Én is ezt akartam leírni, csak nem mertem
Ejj, tényleg. Ezt el is felejtettem. :hide:
Találtam egy kapcsrajzot ami elvileg arra szolgál, hogy ha a kivezérlésjelzőre ráadom a tápfeszt akkor LED-ek egy pillanatra sorban felgyulladnak majd kialszanak. Ezt a lentebb említett (Bővebben: Link) kapcsolásba be lehet iktatni? Ha igen, hova kell bekötni?
Hello!
Ez elég nyilvánvaló nem? Az AMP bemenet megy az erősítőre, Az LM3915 pedig az IC 5. lábára. A GND az GND, a +12V meg az LM 3915 tápfeszültségére. üdv! proli007
Szia!
Berajzolgattam a képen hogy mit hova raknék, viszont az AMP-al kicsit bajban vagyok, nem teljesen értettem hogy melyik bemenetre kellene kötnöm, arra gondolsz amelyik a 4-es lábbal van összekötve?
Hello!
Az AMP bemenetre megy az erősítőd kimenete. Ezen a fokozaton keresztül megy majd a hangfrekis jel a kivezérlésmérődre. Csak éppen bekapcsoláskor egy pillanatra felvillantja a kijelzőt a kondi. üdv! proli007
Sziasztok! Üdvözletem!
Készítettem egy labortápot és annak a kivezérlését szeretném 2 sor leddiódával kivezérelni. Egyik sor lenne az áram, másik az amper. Elképzelésem szerint az áram részét 5 voltonként jeleníteném meg az az 0-35v 7db led diódával. Az amper részét 0-3A 0,5A-onként 1 led (6db led) Ehez szeretnék ötleteket kérni tőletek, vagy esetleg müködő kapcsolási terveket, elméleti kapcsolásokat. üdv szabi
UAA180-nal , vagy hasonló lineárisan működő IC-t kell keresned. Az UAA-t azért ajánlom, mert csak be kell állítani neki az alsó és felső küszöböt, ő pedig szétosztja ezt a tartományt. Az áramot egy ellenálláson eső feszültséggel tudod érzékelni, esetleg nem árt egy műv. erősítővel növelni ezt a feszültséget. Adatlapban mindent megtalálsz!
Hello!
"Egyik sor lenne az áram, másik az amper." Csak a kettő, meg ugyan az. Igaz, hogy az áram mértékegysége az Amper. Amit Te "áram-nak" titulálsz, az a feszültség. Persze tudom elírtad.. De szerintem nem lesz ennek felbontása számodra megfelelő. Még az áram mérésénél, nem gond hogy 6.. Led van, de a feszültség felbontását, szinte semmire nem lehet használni. akkor meg minek.. Kijelezni persze lehet egyszerűen egy LM3914-el is. kapcsolások az adatlapon vannak. De az áramérzékelő Shunt ellenálláson minimum 1,2V-nak kell esni, vagy ahogy Kovidivi írta, erősíteni kell. üdv! proli007
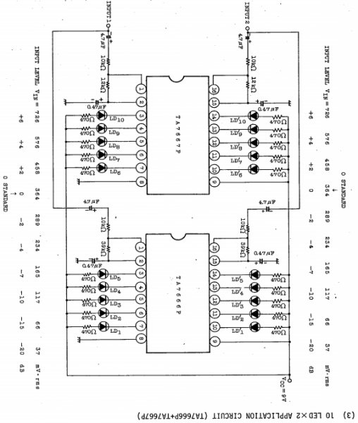
Megépítettem az LM3915-ös IC-vel a kapcsolást, működik de valamiért nem az igazi. A TA7666P IC-nek az adatlapján találtam egy kapcsolási rajzot, ami 2x10 LED-et hajt meg, és pont van itthon két ilyen IC-m. Szerintetek ez a kapcsolás mennyire működőképes? Az input 1-re és input 2-re kell kötni a jobb és bal csatorna jelét?
A rajzon az egyik tok mintha TA7667 lenne,ha nem csal a szemem.
Nincs eget verő különbség köztük, csak a kapcsolási szintek mások.
Mivel gyári ajánlás, ezért jónak kell lennie.
Jogos,ennyire nem néztem át a rajzot.
Nekem is van itt a fiókban 2db 7666-os tok,de lehet,hogy soha nem készül el
Sziasztok
Ezt a kapcsolást szeretném megépíteni. Azt szeretném megkérdezni lehet esetleg stereot csinállni belőle az nélkül ,hogy kettőt építsek. A másik kérdésem ,hogy milyen Diodák a rajzon azok egyenirányítók? Köszönöm előre is a válaszokat.
Szia!
A sztereónak az a lényege, hogy kettő független csatornát használsz. Úgyhogy muszáj lesz duplázni. A diódák típusa szerepel a rajzon.
Olyan kivezérlésjelző kapcsolási rajzot tud valaki linkelni, ami nem hangerőfüggő? Konkrétan olyanra gondolok, mint pl. amik a régebbi erősítőkben vannak, hogy akármekkora a hangerő, halk vagy hangos, felvillannak az utolsó LED-ek is. Esetleg a tranzisztoros változat is olyan az erősítő rész miatt?
Szia!
A hangerőszabályzó elé kösd be a kivezérlésjelzőt, és akkor a hangerőszabályzó állásától függetlenül fog jelezni. |
Bejelentkezés
Hirdetés |




.
.
.








