Fórum témák
» Több friss téma |
Fórum » TV hiba, mi a megoldás?
Sziasztok
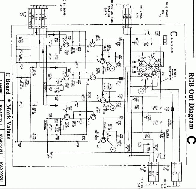
Szereztem tegnap egy Sony Trinitron KV-C296 1D Tipusu Tv-t- a hiba jelenség: Mikor elhoztam a tranziztor zárlatosvolt Na már most kicseréltem . El indult . De viszont mágnesel megy aképcső rendesen . de kép csak halványan van és azis gőrbe csak leoltott vilanynál lácik sőtéten de a tv adásnem lácik csak fehér kép. mi Lehet a baja mit nézek mit cseréljek? a segitségeket kőszőnőm előreis.
Mi az hogy mágnessel megy a képcső? A geometriával egyenlőre ne törődj. Mérd meg a képcsövön az RGB-n mekkora a fesz.Úgy 130-140 V körüli megfelelő. A kontraszt állítható e? G2 és fókusz rendben van e? A tápfeszek rendben vannak e?
Bekapcsoláskor rendesen megy a képcső és a sorkimenő a G2 hiába állitom a fénye nem lesz nagyobb. és néha gondol egyet és bekapcsoláskor kivágja a tranzisztort de nem mindig.A képcső megkapja a 200 w ot 140.Csak két hejen nem kap feszűltséget nemtoom hogy pontosan mejiken kellene feszűltséget kapnia. ha letudnád írni mejiken menyit kellene leadnia akkor megtudnám ugy mondani vannak a rajta leírésok a nyákon .
Sziasztok .
Van egy TV-m SHARP 63DS-03SL típusú. Ball és jobb oldalt beugrott a kép.Ha valaki tud segítsen.Előre is köszönöm.
Helo.
A tranzisztormező kivételével az összes IC t kicseréltem, de a helyzet változatlan.
A képcső áramköri lapon ott van a 200V,igaz? A katódok (képcső piros ,zöld és kék lábai) pedig 140 V-on vannak?
Az Ug2 (segédrács feszültség) mennyi? Melyik tranzisztort vágja agyon bekapcsoláskor? A képernyőn csak sötétben látni derengő fényt,vagy ki tudod a G2( SCREEN) potméter csavargatásával világosítani? Ha kicsit tagoltabban és egyértelműbben fogalmazol,akkor könnyebb lesz megérteni a hibajelenséget,lehet hogy könnyebb is lesz kiokoskodni valamit. István
Helo.
A trimmert cseréltem 10/40 es műanyagra. A probléma maradt.
Állíts a sorfázison, a sorvezérlő modulon.
Ezt melyik potméterrel tehetem meg? Az nem baj, hogy valaki az A255D IC t csrélte TDA2593 ra? A két IC kompatibilis egymással?
Rájöttem. R18 al kell. A nyákra van nyomtatva egy P és egy F betű
most cseréltem a sorkimenő kőrűl elkokat.Csak 2 őt nemtudtam kicserélni .valami 2.2 µF - 3 darab
Ojanom nincs de mostmár kivágja a sorkimenő tranzisztorátz bekapcsoláskkor és csak huppog Mit csináljak miért vágja ki a tranyot?
Szia!
(#782444) oriza ez volt a kérdésem. Természetesen nem akartam visszajelzés nélkül hagyni a segítségnyújtásodat! Még csak most jutottam el alkatrészt vásárolni. Kicseréltem a PTK-t és az alu kereten lévő S2055AF tranzisztort. Kettőt vettem. Csak 300Ft/db. Az alábbi történt: bedugtam a tv-t, főkapcsoló be, készenléti LED kigyullad, távival bekapcs, megjön a fény, sustorgás a hangszóróban, tudok csatornát ill. AV-re váltani, AV-n fehér zajos képernyő enyhe visszafutási csíkokkal. Semmi nem füstölt, nem melegedett. Kikapcsoltam kb. 8 perc után. Semmi bemenet nem volt, hát hoztam egy videomagnót. Betoltam a nyákot, a hátulját nem tettem még fel. Bedugtam a hálózati zsinórt, LED kigyullad. A videó még nem volt csatlakoztatva! A távival bekapcs. Kis csattanás, apró villanás, nem indul. A képernyő előtt álltam, így nem láttam, hogy mi vagy hol villant. Az új tranyó most közel ugyan olyan értékeket mutat, mint a hibásan kivett. A bizti jó. Bocs a bőbeszédűségért! Látsz valami kiutat? Köszönöm!
A képcsőföldelés a helyén volt? Meg kellene figyelni, hogy honnan jön a csattanás, hol húz át a szikra.
Köss sorba a sortápfesztültséggel egy 75W-os 230V-os izzót és úgy próbáld indítani. A Sony-knál nem szokott előfordulni sortrafózárlat, de nincs kizárva.
Sziasztok!
Köszönöm a gyors választ. Megnéztem a készülék hátulján lévő matricát, de mivel nem látok jól sokat nem tudtam kiolvasni, viszont találtam egy nagybetűs feliratot, ami valószínűleg segíthet: ts2623 SP Afentebb írtak miatt egyedül nem nyúlnék bele a készülékbe, de legalább tudom, hogy körülbelül hol lehet a hiba. xD Üdv!É
Ok de vegyem ki a tranzisztort és ugy kősek a hejére egy ízot ? mit kel csinálnia?. Bocs de ijet én nem csináltam csak azért kérdem
Tévészerelőhöz lehet elvinni a cuccot.
Freqenz. Csak ezt eddig nem vettem észre.
Ne vedd ki. Pontosan az a lényeg, hogy bent van, és a lámpával egy áramkorlátozott üzemet állítasz be. A sortápfeszültség a sortrafó egyik lábán megy be, és a sortranzisztor kollektorán köt ki. A sortápfeszültségnek a trafóba bemenő felébe kösd sorosan a lámpát és úgy indíts. A rajz segít.
Oké CSak az a baj nemtalálok rajzot hozzá
Rajz: Get Manual
Igazad van. Hogy tudom átváltani a TV t AV módra? A video csatlakozó jobb felső érintkezőjének 12V ra kötésével?
Igen. A 12V-os kapcsolójellel tudsz váltani.
Az 5-öset kösd össze az 1-essel. DIN AV aljzat
Sziasztok!
Szeretnék egy kis segítséget kérni Tőletek a TV-m javításával kapcsolatban. A TV típusa SONY KV-X2991D. A Hibajelenség a következő: Bekapcsolom a TV-t, és egy zöld csíkos kép jelenik meg. A zöld kép alatt látszik, hogy van rendes kép, a TV-adás megy. Hang is van, azzal nincs gond. Eddig úgy próbálkoztam, hogy a TV gyors ki, majd bekapcsolásával ez a jelenség megszűnt, és nézhető volt a TV. De már ez a módszer sem segít, és állandóan ez a zöld csíkos kép jelenik meg. Nem tudom hova kell belenyúlni, hogy működjön rendesen a TV. Légyszi segítsetek megtalálni mi lehet a gondja. Előre is köszi!
Helo.
Hiába állítom a sorfázist, semmi változás... A kép fekete-fehér. |
Bejelentkezés
Hirdetés |






