Fórum témák
» Több friss téma |
Fórum » LED-es kivezérlésjelzők
Témaindító: KeserűCukor, idő: Márc 27, 2006
Témakörök:
Hello!
Igen így gondoltam. De mint írtam, ennek értéke, és a bementi 39kohm-ok feszültségosztót alkotnak. Ezt úgy kell méretezni, hogy a bemenőjel csúcsértékét leosztva, a referencia feszültséget kapjuk. Tehát függ a végfok kimeneti feszültségétől, és a referencia feszültség értékétől. (A referencia elvileg itt, 1,25V..12V-ig állítható, így elég széles a bementi feszültség tartománya.) Ha a bemeneti jel kicsi, akkor elég egy 470kohm is, hogy a bement "ne lógjon a levegőben". Így az osztás is elenyésző lesz. üdv! proli007
Szia!
Lehet, hogy én nem értek valamit. A kivezérlésjelző bemenete az erősítő kimenete(ami a hangalakra megy)? Én a bemeneti jelet az MP4-emről gondoltam neki adni párhuzamosan, vagyis innen kapja meg az erősítőm is a bemenő jelet. Ez szerintem elég kicsi, bár lehet, hogy tényleg én értettem félre valamit. Nem tudom ez segít-e a méretezéssel kapcsolatban.
Hello!
Tekintve, hogy nem említetted mit építesz, nem is tudhattam. Az MP4 kimenete, nem tudom milyen szintű. Az vagy LINE vagy egy fejhallgató kimenet. De ebben az esetben, a minimális 1,25V referenciát érdemes választani, ha a jel csúcsértéke eléri ezt a szintet. (tehát a poti rövidrezárt állapotban van. Esetleg nem 10kohm, hanem 1kohm, akkor állítható is, kb. 1,25V és 2,4V között. Ekkor nem szükséges az osztó, tehát az ellenállás lehet a 470kohm. Ha a jel ennél kisebb, akkor előerősítő szükséges. üdv! proli007
Szia!
Bocsi, tényleg nem említettem. Az MP4 fejhallgató kimenetéről veszem a jelet az erősítőnek és szeretném a kivez.jelzőnek is. Akkor maradjon a plusz ellenállás(R5) 470kohm? A potit kicseréljem 1Kohm-ra?
Üdv. Mindenkinek! LM3915-ös IC-vel lenne egy kis problémám, van egy Attila86 féle Spektrum analizátorom, ami csak pontszerű kijelzést tud mutatni. Még anno proli007 írta hogy egyen kell irányítani a jelet, a kijelző felé. Idézem sorait.
"Tekintve, hogy a hangfreki váltó feszültség és a kijelző előtt nincs egyenirányító, így a kijelző a váltófeszültség félperiódusát mutatja (követi). Mivel a feszültség nulláról indul a csúcsértékéig, közben átsöpör az egész köztes feszültségen. A pont kijelzés, meg követi. Ezért gyakorlatilag ugyan azt látod, mint az oszlop kijelzésnél, csak kevesebb fényerővel. Mert miközben a feszültség áthalad egy adott Led jelzési tartományán, a Led csak ezen idő alatt világít. (míg a feszültség a két egymás melletti két Led kapcsolási tartományban van) Ellentétben, az oszlop kijelzéssel, ahol a Led addig világít, míg a jel pillanatnyi feszültsége magasabb mint a Led (műveleti erősítő) komparálási szintje. Ez viszont sokkal tovább tart. üdv! proli007,, Valaki tudna nekem segíteni, hogy hova értette, hogy diódákat kell tenni? Mellékeltem kijelző és a vezérlő kapcsolási rajzát. Segítséget előre is köszi!
Hello!
Most vagy Mi nem írunk érthetően, vagy Te nem olvasol. - Én pont azt írtam, hogy miért nem működik a pontszerű kijelzés, ha nincs egyenirányító az LM bemenetén. De Attilánál van. - Attila pedig ezt írta: "Az LM3915 (vagy LM3916) kétfajta kijelzésre képes: vonal ("BAR") - és pont ("DOT") kijelzésre. A két kijelzés-mód közt a nyákon lévő kapcsolóval lehet váltani." Tehát semmi dolgod nincs, mint ez LM 9-es lábára menő kapcsolót bekapcsolni (vagy ha nincs benne, rövidrezárni a helyét) üdv! proli007
Bocsi csak mert hiába kapcsolom kapcsolót vagy rövidre zárom a 9-es lábat akkor is csak pontszerűen jelez ki :S
Hello!
Akkor vagy rossz az IC, vagy nincs tápfeszültség a 9-es lábon. Meg kell nézni, hogy a nyákon nincs-e szakadás. A 2. lához képest ugyan akkora feszültségnek kell lenni a 9-es lábon, mint ami a 3-ason van.. üdv! proli007
Nos igen rajta van a táp fesz! 2-es lábhoz mérve 9-esen is és a hármason is. Viszont tapasztaltam egy érdekességet hogy ha leveszem táp feszt kapcsolóval a 9-es lábról akkor is lehet mérni rajta gnd-hez képest 2,39V-ot ez normális?
Hello!
Hogy mekkora feszültség van ott, azt nem tudom, kérdezd meg Attilát. De meg kell nézni az adatlapot.. Az nem egy sima bemeneti láb, több funkciójú alkalmazáshoz van készítve, így lehet a láb szakadtan is, ellentétben általában egy bemenettel. Az adatlap kapcsolásainál láthatod, hogy két IC alkalmazásánál, hogyan kaszkádosítják, ha Dot módban van.. üdv! proli007
Udv mindenkinek
Segitenétek legyszi egy projekthez a suliba ... a tanár azt mondta hogy egy vu metert keszitsunk . De en gondoltam hogy keszitek 3 - at , megpedig ugy hogy az egyik a melyt abrazolja , a masodik a kozepet es az utolso az élest . Elsonek egy hangszinszabalyzora gondoltam ( valamikor valahol lattam egy ilyen kapcsolast , passziv hangszin volt , es 3 kijovetele volt , mely,kozep,eles ) Utánna meg bejott egy olyan otlet hogy "hangváltót hasznalnek . Szerintetek melyikkel lenne pontosabb ? es ha tudnatok kapcsolasi rajzokat adni hozza Koszonom elore
Koszi szepen
. Szovval en Ebbol kell epitsek 2 ot , mert ahogy latom az ic sztereo . Csak egy baj van eddig nem tudom a labak szamat ? Es abbol a tablazatbol meg az egyik ilyen szuruaramkorre rakotom a : melyhez : 28,34 Hz Kozephez : 1 KHz Es a masik szuroaramkorre : magas : 16Khz Jol ertettem ? Bocsanat a tul sok kerdesert , biztos akarok lenni abban amit csinalok , mert nincs sok idom vacakolni vele
Sziasztok!
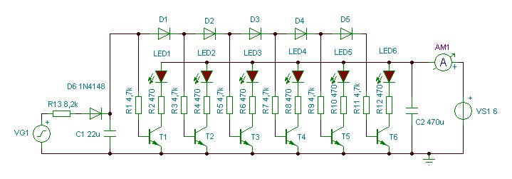
Végül is inkább egy tranzisztoros kapcsolás mellett döntöttem. Ezt a kapcsolást szeretném megépíteni egy TDA2030-as sztereó erősítőhöz, de úgy, hogy csak egy darab kivez.jelző lenne összesen és nem 1-1 db a jobb és bal csatornának. 1., Ehhez a kapcsoláshoz hogyan kellene közösíteni a 2 csatornát? 2., Hova kell kötni? A hangszórókra/ vagyis az erősítő kimenetére vagy a hangerőszabályzó pot.méter után/ a végfok elé/ ? Köszi szépen. Üdv.
A kapcsolások között található tranzisztoros kivezérlés jelzőhöz tud valaki nyák rajzot mutatni?
En adhatok neked egyet ..... amiben meg leiras is van
csak azaz hogy lengyelul , de ha akarod leforditod . 12 Ledes A dokumentumban : leiras,kapcsolasi rajz,nyakrajz,alkatresz lista,
Sziasztok!
Megépítettem a tranzisztoros kapcsolást. Működik rendesen, csak van némi problémám vele. 6 LED-esre csináltam, de a 3. LED-nél fentem nem megy hiába tekerem a potit( és szerintem nem azért mert valami hiba van pl. a forrasztásoknál...stb.). Úgy csináltam a 2 csatorna közösítését, ahogy mellékelték, egy-egy 10K ellenállással és úgy jön a 25K potméter. A másik: ha csak az egyik oldalt kötöm rá akkor minden OK, de ha mindkét oldalt bekötöm akkor olyan furcsa búgás/zúgás, talán kis torzítás is a zenében. TDA2030-as sztereo végfokról van szó. Valami ötlet a leírtakra? Köszi
OK! Köszi, megpróbálom, hátha ezzel már jó lenne. Amúgy nagyon szuper kis kapcsolás.
Köszi szépen.
Ha a kivezérlésre kíváncsi az ember (gondolom igen), akkor a végfok kimenetére célszerű tenni egy pár kohm-os előtéten keresztül, ekkor az eleje elhagyható mert nem kell a jelet erősíteni és a kisjelű fokozatokat sem fogja zavarni. Nálam szükség volt 1-2 tranyó bázisának lehúzására egy-egy 220k-val mert 3-500mV van rajtuk folyamatosan és nem mindegyik zárt le teljesen.
Nekem is jobban tetszik mint az UAA vagy az LM és olcsóbb is.
Szia!
Én az erősítők kimenetére csatlakoztattam, ahova a hangfalak/hangszórók is csatlakoznak és hát úgy viselkedett a dolog ahogy leírtam.
Sziasztok!
Minap megépítettem ezt a kivezérlésjelzőt: Bővebben: Link . Annyi változtatással, hogy nem 3914-et hanem 3916-ot használtam hozzá. Működik is, de a skála csak az első 10 lednél fut fel szépen, utánna a maradék 10 nagyon hirtelen végigfut, szinte egyszerre villannak fel. Használjak inkább logaritmikus meghajtót?
Heló! Mindenkinek
Azért nyitottam ezt a topikot, mert van egy fordulatszám mérőm és ezt szeretném átalakítani kivezérlésjelzővé.Erre a fordulatszám mérőre most reggel tettem szert,mivel autóba nem kell ezért gondoltam átalakítanám kivezérlésjelzővé.Eben kérek segítséget,amit előre nyagyon köszönök.
Itt egy pár kép a dologról.
Hello!
Elég természetes dolog. Hiszen a 3916 nem lineáris, hanem logaritmikus felbontású, az átfogása 16dB. Tehát két lehetőség van. Ha nagy a bemeneti jel, akkor a felső IC-nek leoszthatod a bementi jelét 6,31-el, vagy ha kicsi, akkor az aló IC bementi jelét, felerősítheted 6,31 szeresére. A két IC-nek azonos ilyenkor a referencia feszültsége. De nézd meg az adatlap 9. ábráját, hogyan oldják meg. üdv! proli007
Ha jól vettem ki a képböl egy UAA 180-as ic van benne. A 17-es lábra menő fóliát vágd el és tegyél oda egy potit máris megvan a bemeneted. A minimum és maximum szinteket pedig a 3-as és 16-os lábakon tudod beállitani. A 2-essel pedig a fényerőt. Amelyik alkatrész nem közvetlen az UAA-hoz megy ki is bonthatod, hogy ne zavarjon. Apdf-ben van mintakapcsolás is.
|
Bejelentkezés
Hirdetés |







, mert ahogy latom az ic sztereo . 











