Fórum témák
» Több friss téma |
Fórum » Indukciós hevítő készítése
Nem tudom hogyan fog működni. Ettől még lehet jó, a rezgőkörös invertereknek millió változata van. Első közelítésben a tranyók mellé kell dióda. Ha FET, akkor benne van. Mintha tirisztorokkal láttam volna valami hasonlót, bár az nem önrezgő volt.
Kérem szépen félre tettem a trafós royert, működött ugyan, de nagy feszültségű kapcsolóelemek kellenek a hálózati feszültségről való üzemeltetéséhez.
Megépítetettem a pimi9 féle royert, szépen működik, bár eleinte megtrükkölt. Amíg ekkold tanácsára nem kötöttem át a visszacsatolás vezetékét a drainről a tekercs vége felőli csatlakozóhoz, addig egy 4MHz-es vadrezgést láttam csak. Most nagyszerűen működik! Még tápegységhíján vagyok, de jelenleg 12V-ról már 4A-t vesz fel üresjáratban, ha beteszem a 10-es köracélt 5.6A-t, és leszabályoz a táp. Az FKP kondik hidegek, viszont az MKT 5 másodperc után 60°C-os, egy meg is döglött, nem erre való... Most 1.5µF-al is csak 160kHz-is sikerült letornázni, épp ezért most küldtem el a megrendelést 2µF-ra való 47nF-os FKP kondikra, illetve kértem ajánlatot WIMA FKP snubber-okra. A FET-eket most kicseréltem IRFP460-anra, amíg megjönnek az IRFP260-asok, jól működik ezzel is. Mellékelten pár kép, észrevételeket szívesen fogadok. Mostani felépítmény: asztal.jpg, és mérés1-2jpg. Miért van benne az a sok tüske vajon?
Az autóakksi az nem szabályoz le !
Aztán óvatosan told neki a köracélt. Egy söntel figyelheted az áramot is.
Ez fontos, amit írtál, nekem is az eggyik szemem az ampermérőn volt, amikor toltam bele a nagyobb vasakat.
40A-nál mindig megálltam, ahogy melegedett és csökkent az áram, toltam tovább. Ez a "human" visszacsatolás.
Szia deguss!
Én is építgetem a saját kemencémet így augusztus közepén, ami leginkább a pimi9 féle kapcsolásra hasonlít: http://spark2.uw.hu/ind_fmin1.html Csak én hegesztő invertert használok DC tápként. Ez saját találmány. Én 50 kHz-en 47 nF-os kondikat használok, alig érezhető a melegedésük. Előbb végig akartam olvasni ezt a fórumot, de amikor láttam, hogy kerestek grafit tégelyt, gondoltam megírom a címet: Mars Hungária Kft. http://www.marshungaria.hu/ Budapest, VIII. ker. Hős u. 1/A alatt a Stadionok metrómegálló közelében. 2 éve voltam náluk, akkor a legkisebb, kb 5 cm^3-is tégely került 2400 Ft-ba. A fél életem ráment az internetezésre, de megvannak az ilyen címek. Aluoxid tégelyt meg a Nefelejcs utca meletti utcában készítenek, 94 % aluoxid, 6 % SiC. Ott is 2 éve jártam utoljára, talán még működnek. 2 éve a mikrosütőben akartam fémet olvasztani, mert a grafit tégely jól melegszik benne, de ez az aluoxid tégely is, a 6 % SiC tartalma miatt, csak nem kaptam sehol 99,6 %-os aluoxid vattát, amivel ki szokták bélelni a mikrosütőt, hogy elszigetelje hő szempontjából a tégelyt a mikrosütő hőre érzékeny részeitől. Amúgy a homok, az üveg és így a samott is jól melegszik a mikróban. Szóval én ilyen aluoxid vattát keresek, de jó a habsamott tégla is. Abból is csak 67 %-ost tudtam szerezni, kisérletképpen megvettem, de a mikróba nem vált be, elnyeli az energiát.
Nekem a mikerontól van az aluoxid tégely. 65x190mm-es, és azt hiszem hogy kristályhúzáshoz lett kitalálva eredetileg. Egy ilyen tégely 10k. De ők bármilyen formát legyártanak, láttam náluk golyótól kezdve karimán át mindent.
Sziasztok!
Segítségeteket szeretném kérni, valamilyen működő kapcsolási rajzot szertenék kérni, komolyabb vasdarabokat szeretnék fehérizzásig melegíteni, ha lehetne igbt-s verzió érdekelne. ha valakit érdekel nagyobb áramú igbt az jelezze. előre is köszi. Üdv.
A pimi9-féle kapcsolás nagyon jó, én megépítettem, 12-es köracélt hiccelésig hevítettem 35mm belső átmérőjű vízzel hűtött rézcső tekercsben. Ha vissza olvasol a topicban, megtalálod.
Köszönjük az infókat, időközben sikerült alumínium-oxid tégelyt szereznem a vateráról. Már csak a megfelelő teljesítményű hevítő kell hozzá
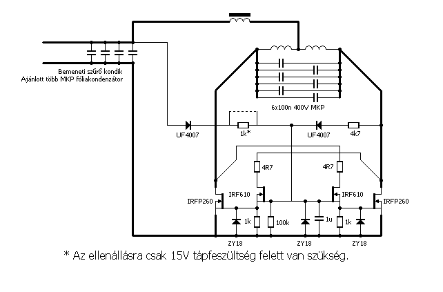
![]() Összegezve: A push-pull royert elvetettem, túl nagy feszültségű (>1000V-os) IGBT-k kellettek volna hozzá, a 320V-os táplálásból kiindulva. (roy_simple.png) A mazzili (itt pimi9 féle) royert azért vetettem el, mert nagyon nagy áramot vesz fel amíg hideg a vas, és a curie pont elérésével pedig alig vesz fel áramot, így ezt az én kialakításomban 10V-ról kéne indítani és lehetne 18-20V-ig menni a tápfeszültséggel. Ezt megcsapolásos trafóval mutattam be a találkozón, de túl nagy teljesítményt nem sikerült elérni vele, még nagyobb tápfeszültség kellett volna, menet közben. Még egy érdekes észrevétel: Az oszcillátor csak úgy indul, ha a tápfeszültség hirtelen szökik fel a névleges értékre, így a lágyindítós trafóval és 50mF-dal esélyem sem volt, míg rá nem jöttem. Így beiktattam egy kapcsolót a középleágazás elé. (royer_indheat.jpg) A következő, ami ígéretesnek hangzik, az alábbi kapcsolás. heater.jpg. Vbodi! Te is ezzel kísérletezel?
Ezzel a kapcsolással az a gond, hogy alaphelyzetben nem szinuszos feszültséget ad le. Soros tekercs is kell, és/vagy szórótrafót kell hozzá tekerni. De akkor már esetleg érdemes teljes hidat is csinálni. A 2153 helyett meg inkább 21531 (kisebb a holtidő). Egyébként elvileg ez az IC hagyja magát szinkronizálni - pl. ha a C3-al sorosan pártized voltnyi feszt visszacsatolsz a kimeneti körből.
Viszont terhelés nélkül megszaladhat ez a megoldás - kell valami áramkorlát, vagy túláram esetén félre kell hangolni (lehetőleg automatikusan).
Én az IR2153-as kapcsolást csináltam meg IRF540-es fetekkel a gate trafóval, a félhíd egy másik kapcsolás IRFP 460-as fetekkel, MUR4100 diódákkal,160V-ra tekert primérrel 4db E65-ös ferrittel és a szekunder körben egy fojtóval. A frekit be lehet állítani a munkatekercs+kondibank rezonancia frekijére és akkor szép a színusz jel a munkatekercsen. Olyat is próbáltam, hogy akkor legyen rezonancia, amikor bedugom a munka tekercsbe a hevítendő anyagot.
Az igazi megoldás szerintem is a H-bridge lenne áramváltós vagy primérköri söntös megoldású áram korlátozással. De egyenlőre meg sem tudtam közelíteni a pimi9-féle hihetetlen teljesíményét(85V 40A).
Ma megcsináltam a pimi9-féle hevítőmet vízhűtésesre. Nincs vörösrézlemezem, sárgarézből csináltam a fetek hűtőfelületét, amit ráforrasztottam a csőre.53db MKP 100nF 630V kondi van rajta.Bővebben: Link
3/4" vascső hiccelésig hevítve. Most már megy segédtáp nélkül, a táp felőli diódát fordítva kötöttem be.
Link
Azt nézd meg, hogy egyenletesen melegszenek e a kondik. ( már ha melegednek ) Az a baj, hogy nagyon hosszú az a két rúd, amire fel vannak forrasztva és így már nagyon egyenetlen lehet rajtuk az árameloszlás. Nem biztos, hogy ennek komolyabb hatása lenne, de ha egyenetlen a melegedés, akkor máshogy kell a kondikat bekötni.
Minden elismerésem! Igazán praktikus jelleme lett.
Az árammérést a középmegcsapolás bevezetésénél végzed, ugye? A beépített tápegység tényleg egy inverteres hegesztő tápja? Készülök én is egy kis csekélységgel, a hét végén képek!
Az ampermérő a teljes áramkör áramfelvételét méri.
A táp egy komplett inverteres hegesztő. Ezen kívül csak egy kapcsolója és a két csatlakozója van. Várom a hétvégét a képekkel!
Valami nem jó, mert ezen a linken nincs semmi...
Próbáld ÍGY
deguss: ha teheted próbálj ki te is egy 6 menetes munka tekercset.
Mekkora feszültséghez tartozik az a 40A? (magyarán: mekkora teljesítmény kell ehez?)
Köszi, működik!
Nagyon meggyőzőek a képek...
Szia!
Ne haragudj, de mindennap megnéztem a topicot és mindig engem írt ki utolsó hozzá szólónak, azt hittem nincs hozzá szólás. A tekercsek 10mm-es vörös réz csőböl vannak. A 6-menetes munkatekercs belső átmérője:62mm, induktivitása:0.94uH. Üresjárati feszültség:60V, áram:10A, aszínuszfesz a munkatekercsen:400V cs-cs. Freki:44 kHz. Hevítéskor: 40V 40A 35V 50A 32V 60A 27V 66A izzás 45V 32A izzás
Ez a tekercs fantasztikus. Ha a résbe bedugom a25x5ös laposvasat, hiccelésig hevíti. Érdekesek lehetnek az erővonalak
. Link
Köszi az infókat! A hiccelés mit jelent? Fehérizzás, vagy már olvad is?
Az adatok alapján, ha nem csökkenne a tápfesz a terheléssel, akkor felszaladna vagy 8kW-ig (ha jól számoltam), és ha a félvezetők is kibírnák |
Bejelentkezés
Hirdetés |








Aztán óvatosan told neki a köracélt. Egy söntel figyelheted az áramot is.











