Üdv Mindenkinek!
Van egy Sony
slv-f900 videó, aminek tönkrement a tápja, ami egyébként egy Mitsumi Sr826-os. Egyszer régen bekapott egy szalagot, és hónaokig nem használtam. Egyszer aztán ki is húztam a konnektorból. Most viszont kellene, így kioperáltam a kazettát, de amikor bedugom a videót a konnektorba, nyikkan egyet a táp (magasfrekvenciás nyikk), és se kép se hang. Ekkor eszembe jutott, hogy régen is csinált olyat, hogy egyszercsak nem jelzett ki semmit, kihúztam visszadugtam, és jó lett. Szétszedtem a tápot, nem találtam rossz alkatrészt, igaz a kondikat nem tudom mérni. A lényeg hogy a trafó után nem jelenik meg szinte semmilyen feszültség. Tehát gondolom nem tud begerjedni a rendszer, és Ti biztosan tudtok segíteni, hogy hol lehet a hiba, mit kell cserélnem.
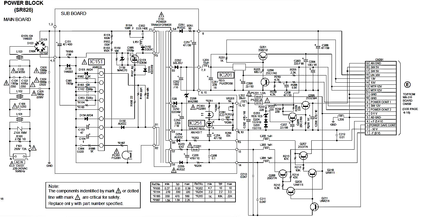
Mellékelem a táp rajzát, és köszönöm a válaszokat.
Szia! A C 153 és 154 elkókat cseréld ki mindenek előtt.
Annyit fűznék hozzá-az egyébként-hibátlan meglátáshoz, hogy Én ilyen esetben az ÖSSZES elkót cserélném a tápban.
Köszönöm! Én is azokra gyanakodtam. A héten kicserélem őket.
Szia.Mielőtt cserélnél elkót ami jó ötlet,húzd le a tápot a main panelről és kapcsold be,ha a shotkyk után,D251-256 után kicsi kis feszt mérsz akkor nem elkó a hiba.