Fórum témák
» Több friss téma |
Mielőtt kérdezel, a következő két dolgot ellenőrizd!
I. A helyes tápfeszültségek megléte.
II. A kimeneten van-e egyenfeszültség.
Élesztés.
Az erősítőd az nyáklemezre lett építve ?
Idézet: A bemeneti jelföldet soha nem kötjük a csillag pontra . / Tegyél már föl egy képet a műről hátha azon majd lehet látni valamit ?/ „Lehet, hogy a bemenet földjét nem a csillagpontba kéne kötni? De akkor hová? ”
Légszerelt. Megpróbálok valami képet rittyenteni róla, de előre szólok, hogy csúnya látvány lesz
![]() Akkor jól gondoltam, hogy nem oda kéne kötni a földet. De akkor hova? Idézet: „előre szólok, hogy csúnya látvány lesz” Ebben a bokorban még egy grizzlymedve is elférne.... Az ékszíjtárcsa azért nem rossz..
Látom tetszik
![]() Csak azt ne mondja valaki, hogy a légszerelés miatt búg. Ha zenét eresztek rá, teljesen jól szól. Ha a csillagpontról leszedem a bemenetet, nem búg. Nem gerjed (legalábbis a hallható tartományban), nem forrósodik az IC. A kapcsolás egyszerű mint a bot. 2 alkatrész van benne, ha a bemenethez menő 10k-s ellenállást, és a szűrőkondikat nem számolom. Nincs mit elrontani rajta, bokor ide vagy oda
Próbáld meg,hogy a jelföld és a táp földje közé teszel 10 Ohm körüli ellenállást.
Ok, kipróbálom reggel. Az mindegy, hogy a poti elé, után, vagy közvetlen a csillagponthoz teszem?
Úgy értettem,hogy az ellenálláson keresztül (sorosan) vezeted a jelföldet a GND-re.
Én is úgy gondoltam. Tehát a jelföld gondtalan útját valahol megnehezítem az ellenállással. Ezért kérdeztem, hogy hol?
Rendben csak nem akartalak félrevezetni,utána tedd.
Szia!
Idézet: „Van valakinek ötlete, hogy mit mérjek, cseréljek rajta?” Csak úgy cserélni nem érdemes semmit, inkább mérd meg a feszültségeket a tranzisztorok lábain, tedd föl ide a mérési eredményeket, vagy ha van működő oldalad, hasonlítsd össze vele.
Szia!
A tápfeszültség csökkenésből arra következtetek, hogy terheléssel próbáltad az erősítőt. Ha igen próbáld meg terhelés nélkül is, lehet, hogy nagy lesz a különbség. Szerintem a bemeneti differenciál erősítőket lenne érdemes átvizsgálni először.
Szia!
Nem terheltem az erősítőt. Már addig eljutottam hogy a hídat különválasztottam, az egyik feléből kivettem a biztiket, és úgy mértem. A kimeneti DC fesz közel 0 az egyik oldalon, a másik oldalon a fél tápfesz rajta van. A negatív oldali végtranzisztor kinyit.A tranzisztorok a végén jók, kivettem bemértem, biztonság kedvéért ki is cseréltem. Haladok a bementfelé, már a két sorbakötött tranzisztornál vagyok ami a bordára van felszerelve. Azok is jók. Szűkül a kőr. Természetesen a kimentre nem kötöttem semmit, hacsak a védelem be nem kever. A védelem tápellátását leválasztottam. Most hogy jobban belegondolok, a védelemre nem sok figyelmet fordítottam.
Azt hiszem megoldódott a földelési problémám.
Megálmodtam az éjjel, hogy a potméterem sorba van "felfűzve" a jelföld tekintetében is. Megváltoztattam úgy, hogy az RCA-ról külön vezetékkel hoztam be egy közös pontra a jelföldet, és a potméterről is egy másik vezetékkel csatlakoztam abba a pontba. Ezenkívül az IC nem-invertáló lábáról a 22k-s ellenállást sem a csillagpontba vittem, hanem az előbb említett jelföldes csomópontba. Majd ezt a csomópontot egy 3cm-es 1.5mm vezetékkel összekötöttem a csillagponttal. Most szép csendes az erősítő, és ha letekerem a potmétert a föld felé, nem kezd el búgni. Majd még megnézem jelet vezetve rá, hogy minden OK-e, de szerintem jó lesz. Utána pedig megyek, és meghallgatom köbzoli hawai dalát
Még egy kérdésem lenne ezzel az erősítővel kapcsolatban.
Ugye ez egy invertálós erősítő, így fordítva kell rákötni a hangszórót?
Igen , meg kell fordítani a polaritásokat , csak úgy lesz fázishelyes (abszolút fázis) a kimeneten .
Szia!
Igen van szkópon vagyis most átmenetileg nincs. De most építek majd egy függvény generátort. Amivel majd megtudom hajtani, vizsgálni.A régi elkókat 100yF/50V ma cseréltem ki a 47yF/16V már korábban egy lehetséges hiba ok kizárása miatt kicseréltem de semmi hatás. Zéner feszkók rendben. 6,2 mind. Mert nem zpd 5,6 van bennük hanem ZY 6,2. ( A másik oldalon is). A Tranzisztorok új csillámot, hővezető pasztát kaptak. A zárlat lehetőségét az első bekapcsolás előtt (is) ellenőriztem. Azok is rendben. Az tény , hogy volt egy zárlatom. Amit megtaláltam és kijavítottam. De valami még mindig problémát okoz.
Szia, ezt a zárlat dolgot kifejtenéd bővebben? Mikor vetted észre, és a meghajtó tranzisztor zárlata, esetleg nem küldhette e el jobblétre a végtranzisztort, lehet itt van a kutyi elásva, de gondolom , a zárlat javítása után, ellenőrized a végtranyót is. Ha igen, és minden félvezető rendbe van, akkor szerintem érdemes lenne egy szkópos vizsgálat. Ha generátorod nincs kéznél, az nem érdekes, erre a célra remek hanggenerátor programok vannak , tökéletesen megfelelne hibakeresés célra. Persze ha egybe lesz majd a szkópod.
Mellesleg jól szétbombáztad. De legalább újjászületik. Látom ez legalább egy szerelhető darab. Az megkönnyíti a munkát. Még egy dolog. A kis fólia vagy kerámia kondikkal mi a helyzet? Nézted őket? Egyébként elképzelhető, hogy csak az egyik fele rángatja a hangszórót, és félhullámokat kap, innen is eredhet a torzulás. Ezt mondjuk már szkóppal lehetne igazán megmondani.
Sziasztok.
Remélem tud valaki segíteni. A szubládámban (jamo) kiment a bizti, szétszedtem és szét volt pukkanva a termisztor SCK 104. Kicseréltem,-igaz sokkal kissebb a mérete de elvileg jó helyette- de megint kipukkant. Aztán kicseréltem a graetz hidat is de ugyan az a helyzet. Valaki esetleg tudna segíteni?
Graetz hidat miért cserélted? Biztos, hogy termisztor? Nem egy 100nF kondi? Végfokok nem szálltak el?
R betű van a nyákon ahol a termisztor van, szerintem az bizti,hogy az. a graetzet azért cseréltem mert azt hittem az a rossz...igaz nem mértem ki
végfokokat nem tudom mert nem akartam kiszedni őket, de lehet az lesz..ránézésre nincs bajuk
Vidd el szervízbe, ennek semmi értelme.
Köszi azért.
Sziasztok!
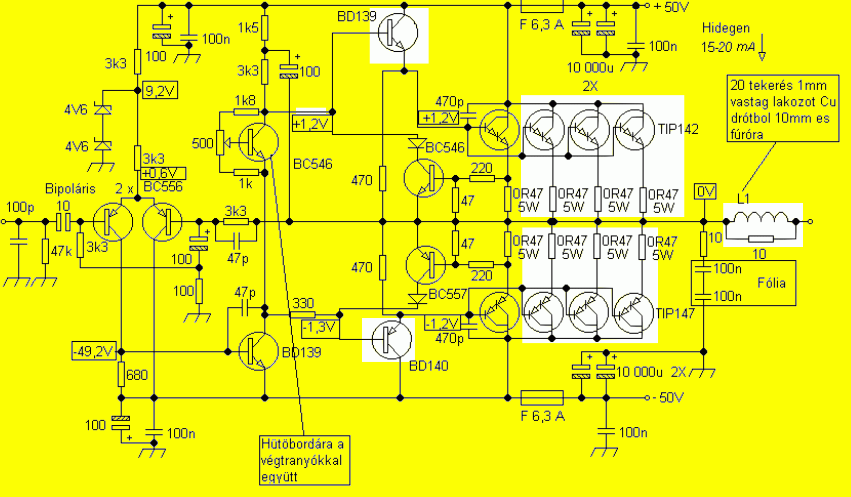
Itt a fórumban találtam egy kapcsolást. Véleményeteket szeretném kérni! Először is: Azt írta aki eredetileg felrakta, hogy 4ohm-on 500W RMS teljesítményű. Ez mennyire fedheti a valóságot? Másodszor: A darlington végeket lehet helyettesíteni fetekkel? És ha igen, akkor van valami amit ajánlani tudnátok? Köszi előre is!
50V-ról aligha, inkább 200W körül veszteségekkel.
Elvesztem a félvezetők erdejében és arra nem is gondoltam, hogy egy ellenállás is megszakadt.
Szemre semmit nem lehet látni de egy 68 ohm-os ellenállás bizony megszakadt amikor romba dőlt a végfok. Egyenlőre még nem tudtam kicserélni mert jelenleg nincs ilyen ellenállásom de most már szinte biztos, hogy ez okozta a bajságot. Kadarist-nál a piros pont! De köszönöm mindenkinek a segítséget , ötletet.
Szia!
4 ohm-ra max. 200W 8 ohm-ra 100W, több nem lehet a veszteségek és az alacsony tápfeszültség miatt. Viszont szerintem jobban jársz az eredeti kapcsolással.
A végtranzisztor vezetékét nem dugtam be rendesen a panelba és hozzáért a BD hűtőbordájához. Ami szinte ott volt közvetlen a furat felett. De miután észrevettem , megszüntettem újra átmértem a félvezetőket. Mondom rendbe megvagy. De továbbra is torzított... A pc-s hanggenerátorra látod nem is gondoltam. Mindent túlbonyolítok. Egyébként EO213 szkóp. kazettás elrendezésű. Összerakni mindössze pár perc.
Kis fólia kondikat is végigmértem mindet. Itt buktam el mert arra nem is gondoltam, hogy egy ellenállás megszakadhatott. Most már szinte biztos , hogy az a baja. |
Bejelentkezés
Hirdetés |






Az ékszíjtárcsa azért nem rossz..
De most építek majd egy függvény generátort. Amivel majd megtudom hajtani, vizsgálni.


végfokokat nem tudom mert nem akartam kiszedni őket, de lehet az lesz..ránézésre nincs bajuk


