Fórum témák
» Több friss téma |
Működik. De VIGYÁZZ!!, mert a poti lábain ott csücsül a hálózati feszültség!!! Szigetelésre kellően odafigyelni!
Üdv.: Travolta
Sziasztok lenne egy pár kérdésem:
Az autónak a xenon fényszórója jó-e a Stroboszkóp izzónak, illetve egy egyszerű potméterrel vezérelt meghajtórészt tudna e nekem valaki tervezni, egyettlen kikötést szeretnék kérni, hogy a tápellátás atx tápról mennyen. Előre is köszi.
Nem alkalmas, mivel nagyon lassan gyulladna be az izzószál.
A Xenon villanócsőnél pedig nincs izzószál, itt nagyobb feszültség hatására gáz kisülés jön létre egy harmadik elektróda segítségével. Mindenképpen csak villanócső alkalmas stroboszkópba!
Szerintem nem jó!
Ha az valóban xenon "izzó",akkor az biztosan nem jó! A xenon 'izzó" egy gázkisülés eleven működő eszköz. Egész pontosan egy "kvázi" hegesztő ívnek felel meg, ami az argonnal töltött kis üvegcsében jön létre a nagyfeszültségű impulzussal történő begyújtás után,aminek stabilitását aztán az elektronika vezérli,hasonlóan az inverteres hegesztőgépekhez. Ott is ugyanaz az ív jön létre (AVI) az argon védőgázzal beborított elektróda és a munkadarab között. gyuszuSS
Hali!
Van valakinek egyszerű ütemre villogó stroboszkóp rajza? Kb.:1500W csőhöz.
Rákattintassz a fényképező ikonra, és minimum 5 kapcsolást fogsz találni
Hát valóban vannak rajzok,de amelyik használható lenne olyan nem sok van.
Talán ez a legelfogadhatóbb: 7b9062127a49f4539d b86a56b222eec7.jpg De figyelembe kell venni,hogy a vakucsövekre 500 V-nál nagyobb feszültséget nem lehet engedni. Tehát ahol feszültségkétszerező van-márpedig majd' mindegyik ilyen kialakítású-, ott a vaku felvillanását kell olyan sűrűre venni,hogy a kondenzátor -ami töltődik a hálózatról, a megadott rajton a 12 mikrofarádos,-feszültsége ne emelkedhessen 500 V felé. Ez viszont azzal a veszéllyel jár,hogyha leáll a trigger impulzus-ami indítja a gyújtó tirisztort- a csőre 620 volt kerül. Itt jegyzem meg,hogy lehet bármekkora energiájú a cső,ha a kondenzátorban nincs megfelelő energia akkor az nem is kerülhet ki a csőre. Az energia ami a kondenzátorban tárolódik a W=1/2.C.Unégyzet képlettel számolható. (Ide nem lehet kitevőt illeszteni.) Tehát a 12 mikrofarádos kondenzátorban -nem számoltam csak saccolom-kb 5-10 Ws energia kerül tárolásra. Így egy 1500 Ws-cső is csak ezzel az energiával fog elvillanni. Ilyen alapon ide elég volna egy 30-40 Ws-os cső. 1500 Ws cső meghajtásához tapasztalatom szerint kb.2000 mikrofarádos kondenzátort kell(ene) feltölteni 500 V-ra . Az, ebben a villogási ütemben elég nehéz vállalkozás,még hálózatról is,hát még akkuról,vagy elemről. Mellékelek egy hálózati vaku villogó kapcsolást amely ezt a -kondenzátor- túltöltést megakadályozza,mivel a tirisztor 350 V-nál leállítja a kondenzátor töltését. A villogó 1,5 Hz re készült-közlekedési-de az 555 Ic 6-7 lábai közti potival lehet a villanások sűrűségét változtatni. Ha ezzel a kondival -22 mikro-nem lehet a kívánt nagy sűrűségű villanásszámot elérni akkor csökkenteni kell az értékét. Nem egy szép rajz,de nincs olyan programom amivel lehet rajzolni. Időm se,hogy megtanuljam,pedig hasznos lehetne. Ha stroboszkópként kerül alkalmazásra akkor a 100 mikrós elkót ki kell cserélni a hivatkozott kapcsolás szerinti 12 mikrofarádra és vélhetően a 6 mikrosat is 12 mikrofarádra. Ekkor mindkét kondenzátor fóliakondenzátor legyen mert az nem melegszik. gyuszuSS
Én fesz kétszerezővel használom évek óta, eddig nem volt gond vele (vagyis volt mert már leirtam, de a vezérlő elektronika adta meg magát, a nagyfeszültségű rész eddig kiválló) 1500W/S-os csőhöz szerintem nem kondis kapcsolás kéne
(van kapcs rajz dragon 1700, vagy bika strobi néven megtalálod). Valaki irta, hogy kipróbálta az XOP csövet kondenzátorral, 470µF volt a vége ha jól tudom, afelett már beizzott az elektróda.
Nem is akár hogy izzott! Én voltam az
Idézet: „De figyelembe kell venni,hogy a vakucsövekre 500 V-nál nagyobb feszültséget nem lehet engedni.” Ez úgy ahogy van sületlenség. ...talán a centis csövekre lehet ez igaz.
Az enyémben is 625VDC leledzik.
1.)http://www.conrad.hu/conrad.php?name=Products&cid=Vkcxd1FrMVZNWEZoTTNCUVVrVkZPUT09&pid=VkZaU1VrNVZOVFpWVkZKUVVrZE5lUT09
2.)http://www.conrad.hu/conrad.php?name=Products&cid=Vkcxd1FrMVZNWEZoTTNCUVVrVkZPUT09&pid=VkZaU1ZtUXdNVVZXVkVKUFlXdEZlUT09 3.)http://www.conrad.hu/conrad.php?name=Products&cid=Vkcxd1FrMVZNWEZoTTNCUVVrVkZPUT09&pid=VkZaU1ZtUXdNWEZUV0doUFpXMTBNdz09 4.)Az orosz IFK 120 max 500 volt és 120 Ws energiájú. Ha megtalálom az adatlapját idemásolom. 5.)http://members.misty.com/don/xea.html#218 Ratings of Some Xenon Flashtubes - small to large! Itt van egynéhány cső adata,angolul. A Felsoroltak között csak kettő-a nagyobbak -amelyiknek a névleges anódfeszültsége nagyobb mint 500 volt. gyuszuSS
A konrad-al nem kell foglalkozni, az árakat is sokszor a csillagos égig emelik.
Ez így van!
De nem az árak volt a "sületlenségem " tárgya,(Ez úgy ahogy van sületlenség. ...talán a centis csövekre lehet ez igaz.-írja db Thunder) hanem a csövek névleges feszültsége. Az pedig a conradtól sem függ! Az adatai miatt kerültek a linkek beillesztésre. A "sületlenségem" a "centis csövekre" vonatkozott ,mintha lennének nem centis hanem méteres villanócsövek is! gyuszuSS
A konradot azért irtam, mert láttam már furcsa dolgokat náluk. De amugy nem lesz semmi baja, ha egy IFK-120-as csőre 625 voltot kötsz, az első strobim az volt, és az is feszkétszerezővel van, azóta is működik, csak már nem nállam. Anno bescanneltem az XOP csőnek az adatlapját, ott 100V van irva, eddig nekem nem volt gondom, hogy nagyobb a fesz.
Ezt még el is lehet fogadni,hogy a cső elbír esetleg az előírtnál nagyobb anódfeszültséget, a meghibásodás veszélyét vállalva.
Olvasom itt ,hogy már régóta működnek stroboszkópok 620 V táptól. Ehhez persze olyan -nem elektrolit-kondenzátor kell ami azt el bírja-630 V-os. Elkóban nem igen van ilyen feszültségű típus. Az általam felvetett 500 V-os anódfeszültség átlépése az elko 450 V tipúsa miatt sem ajánlatos,és nem csak a cső miatt kell gondoskodni a 400 v-ra szabályozásról, hanem a elkó miatt is. És ezek szerint (is) amiatt a legfőképpen. gyuszuSS
Üdv!
Haverom hozott egy 20W-os kis stroboszkópot, ami nem működik, és hogy szereljem meg. Megmértem az alkatrészeket, mind jónak bizonyult. Villanócsövekkel még nem volt tapasztalatom, így az egyik kérdésem az lenne, hogy hogy tudom lemérni, vagy ellenőrizni, hogy jó-e. Van egy régi vakum, annak a villanócsövét beletehetem? Ezt a karakterisztikás dolgot nem igazán értettem. A másik, hogy 3200-ért megéri-e befektetni egy 100W-osra, ha azt házibulikra használnám? Előre is köszönöm!
Üdv.
Van egy ilyen autós stroboszkópom(12V) egyszerű alkatrészekböl. Az lenne a célom hogy gombnyomásra villanjon. Találtam benne egy kis 230voltos izzóhoz(olyan mint ami a kapcsolós elosztókba szokott lenni) hasonló valamit ami minden stroboszkóp villanáskor felizzik(gondolom ez kapcsolgatja) ha tényleg az aminek gondolom akkor azt szeretném tudni hogyha ezt kiveszem és a helyére egy kis gombot teszek akkor az működne-e. A válaszokat előre is köszi.
Az ami "felizzik" az egy glimmlámpa,ami jelzi,hogy a kondenzátor elérte a beállított feszültséget,egyben vélhetően indítja a triggerelő tirisztor.
Szerintem rövidzárral helyettesíteni nem lehet,jó esetben egy ellenálláson (kb.100 kiloohm) keresztül. De ez csak így látatlanban. Pontosan ismerni kellene az elektronikus felépítését! gyuszuSS
A villanócsövet nem lehet kimérni.
Csak helyettesítéssel lehet próbálkozni. Ilyenkor-egyéb ismeret hiányában- mérvadó lehet a csó geometriai mérete. Ha a helyettesítő cső kisebb akkor az veszélyt jelenthet a helyettesítő csőre. De ezek csak tapogatózások. A vizsgálat ennél részletesebb. Kondenzátor feszültségének ill töltőkörének ellenőrzése,kondenzátor ellenőrzése,tirisztor ellenőrzése,esetleg a gyújtótrafó ellenőrzése. Életvédelemre figyelni,mert az alkatrészek hálózati potenciálon lehetnek!!! A "befektetési" kérdést én nem tudom eldönteni az pénztárca függő! gyuszuSS[u]
Üdv mindenkinek!
Az erősítők után úgy gondoltam, hogy megpróbálkozok egy strobi építésével. Mivel még csak most ismerkedek velük, ezétr gondoltam nem leszek telhetetlen, és első lépésnek beérem azzal is, hogy felvillantok egy vakuból kiszedett villanócsövet Szintén a vakuból kiszedett kondenzátort használtam. 330V és 350 uF. A gyújtótrafót egy 22 µF-es kondiról próbáltam indítani. A gyújtótrafót jobb híján én tekertem, de nagyon brutális szikrát ad. Szóval feltöltöttem a kondikat egyenirányított háálózati fesszel, olyan 340 volt körül került a villanócsőre. Utána belesokkoltam a gyújtótrafóval, de nem történt semmi villanás Próbálkoztam még egy darabig, semmi eredménnyel. Lehet, hogy én csinálok valamit nagyon rosszul. Tudna valaki segíteni, hogy mi lehet a probléma?
Sziasztok.
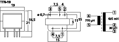
Ha tudja valaki hogy kell ezt a gyújtótrafót (TTR-19) bekötni azt meg köszöném.
Biztos,hogy ez tirisztor gyújtótrafó?
Nem szokott leágazása lenni! Csak a tekercsellenállás alapján tudok annyit ajánlani,hogy a kisebb ellenállásút kapcsolja a tirisztor és a nagyobb ellenállású menjen a csőre e szerint http://www.hobbielektronika.hu/forum/files/6f/6f0845cfe9add8bcd8f27...d5.jpg a rajz szerinti gyújtás elrendezésű kapcsolásnál. gyuszuSS
És miért nem a vaku eredeti gyújtótrafóját használtad,hisz azt ahhoz a csőhöz építették be.
Vagy arra gondoltál ,jobbat tudsz annál csinálni? A "belesokkoltam a gyújtótrafóval" az milyen kapcsolásnak felel meg? Egyáltalán,miért kellet a vakut szétszedni,hisz az kis átalakítással,stroboszkópként is használható. Igaz az akkor telepes táplálású lesz,feltéve ha a töltőáramkör győzi a kondi feltöltését. Ezen a rajzon http://www.hobbielektronika.hu/forum/files/6f/6f0845cfe9add8bcd8f27...d5.jpg találsz egy hálózati vaku villogót,csak a kondit kell kisebbre venni -amit tölt a hálózat-és a frekvenciát az 555-ön sűrűbbre állítani és már kész is a stroboszkóp. Életvédelemre vigyázni! Minden alkatrész hálózati potenciálon van! gyuszuSS
A vakut már régebben valaki szétszedte, és elég hiányos állapotban volt, se kondi, se gyújtótrafó. Azóta már megoldottam a gondot. Az volt a probléma, hogy a kondi, amit találtam neki, az nem töltődött fel. Biztos selejt. Most működik.
A belesokkoltam a gyújtótrafóval, az annyit tesz, hogy egy fóliakondit kisütök a gyújtótrafó lábain Mint később kiderült tökéletes megoldás Egyébkét mekkora kondit javasolsz hozzá? AZ eredetiek kb 350µF közöttiek. Most 22µF-ről megy, de nem villan túl erőset. Rendeltem alkatrészeket ahhoz a strobihoz, ami itt található a Hobbielektronikán, csak nem küldték ki a triszort
Végre elkészültem a strobival. Viszont a villanások az elején kimaradoznak. Amikor bemelegszik a cső, akkor már szépen működik, hibátlanul. Talán a cső lehet elöregedve? Vagy valami más lehet a hiba? Ha valaki tudja pls segítsen.
Előre is köszönöm!
A villanás "erőssége" az alábbi képlettel számítható:
W=1/2.C.Unégyzet.(U=volt,C= farad,W= Ws) Ebben a képletben a W és az U értéke nem haladhatja meg a cső adataiban rögzített értékeket. A kondenzátor értékét a töltőáráamkör teljesítménye határozza meg, akár 100 mikro is lehet,de olyat úgy sem lehet egyszerűen csinálni. Akkorára kell választani,hogy még begyújtsa a csövet,de határértéken túli nagy energiát ne adjon rá. Persze stroboszkópnál ez a veszély ritkán fenyeget,mert általában elégtelen szokott lenni a csőre adott energia,a kondenzátor feltöltéséhez rendelkezésre álló rövid idő miatt. A 832373 kérdésedre szerintem a válasz lehet az-ha a cső jó-,hogy a kondenzátor épp eléri a cső begyújtási feszültségét és azért hagy ki a villogás illetve amikor bemelegszik, akkor már kisebb feszültség is begyújtja. gyuszuSS
Van abban valami, amit írsz. Sőt...
Úgy oldottam meg a bemelegedés előtti kihagyást, hogy a fóliakondenzátort, amit a trisztor kisüt a gyújtótrafón nagyobbra cseréltem, így erősebb impulzust ad le a gyújtótrafó. Igaz egy 1M ellenállást ki kellett vennem a poti elől, mert lassabban is töltődött fel a nagyobb kondi. Szóval így oldottam meg a 832373. problémámat
Sziasztok!
Lenne egy kérdésem, mégpedig , hogy aderka által leírt stroboszkópot (LINK) rá lehetne-e valahogy kötni az 5.1esem mélynyomójára? Valami olyasmire gondoltam, hogy lenne a stroboszkópnak egy külön áram forrása, pl 230-ból kapja a kakaót és a mélynyomó kábelét valahogy megbontva azt is rákötni valahogy és amikor jelt kap akkor villanna a strobi. Igazából elég szájbarágós stílusban kellene leírni, mert ez lenne az első dolog amit csinálok, de nagyon kitartó vagyok ilyen téren. A válaszokat előre is köszönöm. Üdv: István |
Bejelentkezés
Hirdetés |






