Fórum témák

» Több friss téma
Fórum » Motor fordulatszám szabályzó
 
Témaindító: Tomy666, idő: Jan 18, 2006
Témakörök:
Lapozás: OK   7 / 23
(#) rammeradrian válasza proli007 hozzászólására (») Júl 6, 2010 /
 
A tápfesz 12V-os akku. Tehát akkor ez nem megy?
(#) proli007 válasza rammeradrian hozzászólására (») Júl 6, 2010 /
 
Hello!
Célszerűbb lenne egy PWM-es kapcsolás nem?
üdv! proli007
(#) rammeradrian válasza proli007 hozzászólására (») Júl 6, 2010 /
 
Lehet, esetleg egy konkrét kapcsolást tudnál hozzá?
(#) Kotesz hozzászólása Okt 25, 2010 /
 
Van egy 230v 90w-os varrógép motorom.Ennek szeretném megoldani a fordulatszám-szabályzását elektronikusan.
Van itt egy BUZ11A, amit fel tudnék e használni hozzá?
Tud valaki kapcsolást hozzá?
(#) lapose válasza Kotesz hozzászólására (») Okt 25, 2010 /
 
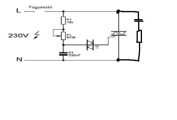
A BUZ11 egy 50V-os FEt, elég nehéz lenne 230V-ra használni. Ha ez egy kommutátoros motor, akkor neked egy triakkos szabályzó kell. Pl. ez: Bővebben: Link
(#) Kotesz hozzászólása Okt 26, 2010 /
 
Igen kommutátoros motorról van szó.

Köszönöm a segítségedet.
(#) Kotesz válasza Kotesz hozzászólására (») Okt 26, 2010 /
 
Milyen triak és diak használható itt?
(#) lapose válasza Kotesz hozzászólására (») Okt 26, 2010 /
 
Pl: Triak: BT138, BT139
Diak: DB3, ER900
(#) Kotesz válasza lapose hozzászólására (») Okt 27, 2010 /
 
Köszönöm
(#) Kotesz válasza lapose hozzászólására (») Okt 27, 2010 /
 
szűrőnek ez jó lesz?
(#) lapose válasza Kotesz hozzászólására (») Okt 27, 2010 /
 
Inkább valami ilyesmi: Bővebben: Link
Vagy akár PC tápból, vagy más elektronikai készülék tápjából is bonthatsz ki(TV, DVD lejátszó).
(#) Kotesz válasza lapose hozzászólására (») Okt 28, 2010 /
 
oké köszi, pc táp van rengeteg
(#) Kotesz válasza (Felhasználó 13571) hozzászólására (») Okt 29, 2010 /
 
Azóta már előkerült, hála tanult kollegának.
(#) zoltanbokor61 hozzászólása Nov 1, 2010 /
 
Van egy varrógépem, aminek elromlott a fordulat szabályozója.220v-os a motor. Ha valaki tud bármilyen rajzot küldeni, szabalyzóra, megköszönném!
(#) moele hozzászólása Nov 6, 2010 /
 
Szia !
Milyen típusú szabályzó ? A lábpedálban van elhelyezve ? Több típus van szénellenállásos,tranzisztoros, tirisztoros, triakos. Varrógép típusa ?
Üdv.: moele
(#) Kotesz válasza (Felhasználó 13571) hozzászólására (») Nov 7, 2010 /
 
Szia köbzoli!

Megépítettem az általad javasolt fordulatszámszabályzót.
Triac egy bt139, a diak ER900.

Ezzel a felállással nem szabályoz az áramkör.
90w varrógépmotort akarom szabályozni nyákfúrómon.

Szerinted mi lehet a gond.
(#) Kotesz hozzászólása Nov 7, 2010 /
 
Bocsi lehet hogy félreérthető voltam.A fúró működik, de akarhova tekerem a potit nem szabályozza fordulatot.
Mindjárt rámérek műszerrel.
(#) Kotesz válasza Kotesz hozzászólására (») Nov 7, 2010 /
 
műszer szerint folyamatosan 235V volt van a kimeneten,nincs szabályzás.
(#) Kotesz válasza (Felhasználó 13571) hozzászólására (») Nov 7, 2010 /
 
Kivettem a triac-ot és az MT1-MT2 8 Ohm, G-MT2 6 Ohm.

Betettem egy másik triac-ot MT1-MT2 szakadás, G-MT1 80 Ohm.

Kipróbáltam kb 3 másodpercig alacsony fordulaton ment a gép de utánna ismét max fordulat, triac elsuhant ismét.


Na ez miért van?

Kipróbálom MAC223 elvileg ugyan az, csak 25A bir.
(#) Kotesz válasza (Felhasználó 13571) hozzászólására (») Nov 7, 2010 /
 
Akkor kicserélem a diakot is és a kondit is.

Apropó kell hűteni a triac-ot?
(#) kadarist válasza Kotesz hozzászólására (») Nov 7, 2010 /
 
Építs be a két főelektróda közé egy 100nF-100ohm párost. A kondinak bírnia kell a hálózati feszültséget.

RCtagok.JPG
    
(#) Kotesz válasza kadarist hozzászólására (») Nov 7, 2010 /
 
jelenleg 68 ohm 47n van bent.
(#) Kotesz válasza Kotesz hozzászólására (») Nov 7, 2010 /
 
Nos, a diak, triac, kondi csere 100n, ellenállás csere 100 Ohm, 200k kivéve. Működik a kapcsolás izzóval.

Bár igaz nem alszik el a lámpa teljesen de ez nem is feltétel.

Mehet igy a motorra v. vissza tegyem a 200k-t?
(#) kadarist válasza Kotesz hozzászólására (») Nov 7, 2010 /
 
Azért a diakkal köss sorba egy 22 ohm-ot a biztonság kedvéért.
(#) Kotesz válasza kadarist hozzászólására (») Nov 7, 2010 /
 
33 v. 15 ohm van itthon
(#) kadarist válasza Kotesz hozzászólására (») Nov 7, 2010 /
 
15 ohm jó lesz. Ez korlátozza a gate-áramot.
(#) Kotesz válasza kadarist hozzászólására (») Nov 7, 2010 /
 
Köszönöm szépen a segítséget. :worship:
Tökéletesen működik minden!
(#) kadarist válasza Kotesz hozzászólására (») Nov 7, 2010 /
 
Szívesen!
(#) laacika hozzászólása Nov 25, 2010 /
 
Sziasztok.Lenne egy kérdésem.
Annó épitettem egy egyszerű ablaktörlő fordulatszám szabályzót és most az a gondom hogy annó le lett vágva a motorról és most nem tudom hogy kell bekötni.Gondolom a potira megy a plussz és minusz,és a motorra pedig az emiterről és a negativról kell a két szál.Remélem érthatő voltam és látszik valami a képen.

Köszönöm a segitséget!
(#) nikolatesla válasza laacika hozzászólására (») Nov 25, 2010 / 1
 
Nincs kép. :no:
Következő: »»   7 / 23
Bejelentkezés

Belépés

Hirdetés
XDT.hu
Az oldalon sütiket használunk a helyes működéshez. Bővebb információt az adatvédelmi szabályzatban olvashatsz. Megértettem