Fórum témák
» Több friss téma |
Mielőtt kérdezel, a következő két dolgot ellenőrizd!
I. A helyes tápfeszültségek megléte.
II. A kimeneten van-e egyenfeszültség.
Élesztés.
Szép ez a Bryston vita, csak előtte érdemes volna megnézni a kapcsolási rajzokat, sokszor csodákat rejt..
Először is 4 pár végtranzisztor ilyen teljesítményre nagyon szűk, főleg 4 ohmra. Ha megnézem a tápfeszültséget(+-65V), akkor könnyen kiszámítható, hogy 8 ohm-ra az elméleti maximum kb. 260W. Nocsak-nocsak!? Gondoltam előbb utóbb feltűnik valakinek, hogy a belinkelt 4 kapcsolásból 3 hídkapcsolású!! Így a 4 pár végtranzisztor tulajdonképpen 8 pár.. Mi a vita tárgya!?
Énnekem is feltűnt a lehetőség, de nem találtam a másik oldalt. 7B-SST rajzán csak az egyik fél volt ábrázolva. Így már logikus, a többi monoblokk is híd kapcsolású.
A a tárgy valami olyasmi volt, hogy XY 5000Ft-ot nem adna értük, mer annyira alul vannak méretezve [600W-ra a négy pár végtranzisztor...]
A kérdés csak költői volt!
Valóban elég nehezen olvasható a rajz, de pont a 7B rajzán a hangszóró kimenetre oda van írva: To inverted output. Mindenesetre a tápfeszültségből egyből kiderül, hogy valami szőr van a köszörűben, mert +-65V-ból élég nehéz 600W-ot csinálni..
Egyik napról a másikra elkezdett a conductorom jobb oldala( a bal csöndes) tisztán hallható rádióadást venni. Senki se nyúlt hozzá, csak bekapcsoltam reggel és azóta receiverem lett.. A bemeneti kábeleket lehúzva, illetve rövidzárral helyettesítve sem szűnik meg a jelenség. A kábelezés igaz hogy nem árnyékolt, de sodort UTP szálakból van kivitelezve. Ezt mi a fene okozhatja?
Nem gerjed egy picit véletlenül ? Lehet szupreg vevő lett belőle...
Sziasztok!
Érdeklődni szeretnék, a Giantsound 300wattos moduljából valaki épített már erősítőt? Ha igen mi a véleménye a modulról. A válaszokat előre is köszönöm! üdv.
Eddig nem gerjedt, volt valami alapzaja, de elhanyagolhatónak vettem. A táp sem izzad, és a borda sem melegebb a szokásosnál.. Szkópom nincs.
Szkóp nélkül pedig nehéz lesz... mondjuk nekem sincs még, pedig sokszor jó lenne.
Én csak azt nem értem, hogy mi a fittyfene változott meg éjszaka. A szomszéd indított egy rádiódaót, vagy mi a franc?
Nem lehet esetleg a hangfalkábel az antennád ? Próbáld meg igazgatni, vagy megcserélni a két oldalt. Több ötletem nincs...
Visszapofázna a bemenetre? Végül is, elég közel vannak egymáshoz. De szerintem majd túrok valami árnyékolt kábelt..
szerk: Kihúztam a bal csatornát, és megszűnt.. Visszadugom, és rádiózik tovább.. Van árnyékolt hangfalkábelem, kössem rá azt?
Hát ja, próbálj valamit... ezek szerint itt kell keresni a megoldást.
Üdv!
Szeretnék építeni egy 5.1-es erősítőt. Az elülső jobb és bal csatorna TDA7265-tel készülne, a hátsó kettő pedig TDA2003-mal. A mély és a közép csatornára kellene valami javaslat, hogy mivel lenne érdemes megcsinálni. Én a mélyet elsőre TDA2050-re vagy TDA2030-ra tippelném, mert van itthon, a középsőre pedig szintén a TDA2003-ast gondoltam. Tudom elég fura kompozíció, de szeretnék véleményt kérni, ha esetleg valamelyikőtök ezen IC-k valamelyikével épített erősítőt, akkor az hogy szólt, milyen volt, könnyen gerjed-e? Köszönet minden válaszért.
Update: a két hátsó TDA2005-tel lesz megoldva. Ilyenből épített már valaki erőlködőt?
tda2003-mat használtam, szépen szól, jó a basszusa, szép a középtartomány, és nagyon érzékeny. Kb. ennyi...
Szét szivtam Tavaly.
Agyig tuningolt CDjátszó _pótolhatalan_ irja "Nodisc". Elő kap egy másik az is. Szétszed, pucolgat. Tető nélkül magában müködik mind a kettő. Vissza helyére Nodisc Szentségelés. A hangfalkábel okozta . Akkor is ha az erősitő nem volt bedugva. Nem kevés idő a miértre. Valami franc volt a környéken, mert P 4-es gépeket be selehetett kapcsolni. P3-asok mentek. NHH ( Nemzeti Hirközlő Hatóság), meg túdos barátaim se találták az okát. Az egyik hozott egy olyan cucot, hogy 4 méterről mutatta a monitor sorvégének a jelalakját ( NASA-nak beszálitó) Nem derült ki mi volt hetekig a gubanc
tda2030-ból már építettem mélyládát szobába. Véleményem szerint tökéletes erre a célra. És már gyári aktív mélyládát is láttam ezzel az ic-vel felépítve. Persze ebben az esetben ne felejts ki előle az alul áteresztő szűrőt.
A giant sound termékeit csak ajánlani tudom a 100 Wattossal már találkoztam 4000Ft/modul és 2dbmj15024 a végtranyó már önmagába 2000Ft tehát ár érték arányba nagyon jó és minőségi alkatrészeket használnak.
Hát én most megnézem mennyi maradt abból az összvér hangfalkábelemből.. Ideig-óráig jó lesz az, de amúgy sajnos csak 0.75-ös
Berakva ezt az árnyékolt kábelt, (az árnyékolás nincs bekötve, csak úgy van) már alig hallani valamit. Érdekes jelenség, midnenesetre.
Igen, az aluláteresztő szűrő. Nem tudsz valami jó kapcsolást erre? (A sima RC tagot kivéve)
Megvan, találtam egyet egy könyvben, TL071-essel van megépítve.
Én egyszer próbálkoztam 2003-mal. Nem jött be Nagyon kis teljesítményre képes (kb 8 w ténylegesen), és hamar torzít.
2005-öt nem ismerem, de az adatlapját nézve nem túl erős az sem. Gondolom kis térben fogod használni. Próbálkozni lehet, veszíteni nem veszíthetsz semmit. Érdemes kísérletezni, én szubjektíven inkább a a TDA 1554-est ajánlanám a háttérsugárzókhoz
Hi Köbzoli!
Szűrőtervezésről lévén szó, beugrott egy szűrőtervező Burr Brown anyag. Legyen közkincs! Hajdanában ingyen kaptam kaptam a cégtől. Akkoriba sikk volt -reklám ként- a Béketáborba ilyeneket küldözgetni. Ugyanis a BB. kifejlesztett egy IC-t amibe 4 op. amp. volt. Na ez mire használható? Hát pl. a melléklet szerint aktív RC szűrőket lehet vele építeni. Alul/felül/sávzáró sáváteresztő, max. lapos, cauer, csebisev, inverz csebisev, stb. Kirajzolja az amplitúdó és fáziskarakterisztikát. A tervezés indirekt, ami alatt az értendő, hogy pl. megadod a perem feltételeket, típus, átviteli sáv, csillapítás ingadozás, stb. és hogy legyen pl. 6-od fokú. Kirajzolja az amplitúdó/fázis karakterisztikát, megadja a kívánt elemeket, -ha kell 1% os valódi értékekkel- és ez alapján eldöntheted, hogy megfelelő-e a fokszám v. változtatni kell rajta. Elég gyorsan számol, úgyhogy az indirektség nem zavaró. Az összes fájlt nem tudtam csatolni, az a következő üzenettel megy. Egy technikai probléma: Üzenet küldés / Fájlmelléklet /Tallózás / kijelöltem 3 fájlt / Küldés, de az üzenetbe nem jelenik meg. Hol lehet a gond?
Bocsi, de csak most kerültem net közelbe. De úgy látom megoldódott a szűrő kérdés.
Szerintetek lehet olyat csinálni egy hifiben, hogy a CD lejátszó amit jelet küld az erősítenek azt valahogy megnövelni, hogy nagyobbat bemeneti jel legyen. Esetleg van benne ilyen poti ami ezt állítja?
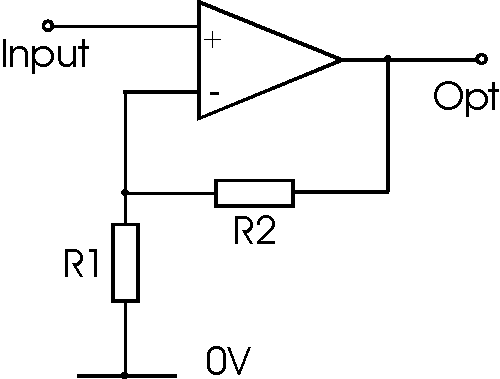
Persze, egy dupla műveleti erősítővel megoldható.
Az erősítés az R1-R2 ellenállások hányadosa.
Drahti, meg neptunes4you érdeklődött alul áteresztő szűrő után. A csatolt anyag valóban nem kapcsolódik általánosan és szorosan erősítő tervezés témakörébe. Persze azért van ellenpélda. Te jobban ismered a futó témákat, jó volna ha a generál radír helyet betennéd egy aktuális fórumba. Hátha valaki hasznát veszi annak a 200 kB.-nak.
|
Bejelentkezés
Hirdetés |









