Fórum témák
» Több friss téma |
Üdvözlet!
Több topic is foglalkozott rgb ledek ilyen-olyan meghajtásával. Jó néhány óra olvasgatás után szántam el magam újabb téma nyitására. A legtöbb egyszerű (pic nélküli) kapcsolás közös katódos ledekre alapult. Ebbe a fórumba olyan egyszerű megoldásokat várok, amelyek kifejezetten közös anódos rgb ledekkel dolgoznak. A ledek adatlapját mellékeltem. 1, Először olyan pwm áramkör érdekel, ami színenként állítja a kitöltési tényezőt KÖZÖS ANÓDOS ledek esetén. Mellékeltem egy 555 ic alapú kapcsolást. Szerintetek működhet? Esetleg más megoldás?(például LM 317...) 2, szintén mellékeltem egy 4060-as ic-re épülő rajzot. Egyszerűnek tűnik. Át lehet szerkeszteni közös anódos ledekre? Előre köszönöm az építő hozzászólásokat!
Közös katódos ledet nem nehéz beszerezni,de a legtöbb kapcsolást ki lehet "fordítani".A témát inkább kezdő kérdésekre kellett volna.De amúgy mit szeretnél építeni?
Köszönöm a gyors választ!
A fénytechnika gyakorlati okokból érdekel. Van fél kilónyi közös anódos rgb ledem! Hangulat világítás készülne belőle, kezdetben. Először 3 potis színkeverést, majd ha lehet 1 potisat (ha működik a 4060-as ic-s dolog) Kb 20 nagy fényerejű ledet szeretnék párhuzamosan működtetni. Szeretnék segítséget kérni az áramkörök kifordításában. Ha szerzek néhány sikeres tapasztalatot, belevágok a pic-es áramkörök építésébe is. Az eddigi fórumtémákban nagyon szerteágazó és sokszor bonyolult kapcsolások kaptak helyet. Ebbe a témába az egyszerűbbeket szeretném gyűjteni és kipróbálni, majd a tapasztalatokat megosztani. Üdvözlettel:Norbert
Kösd be a ledeket a táphoz ,ne a testhez.Mindkét kapcsolás IC kimenete tud mindkét irányba adni áramot.
Az 555-ös kapcsolást jövő héten megépítem.
A másikról tudnál összedobni egy kapcsolást az adott paraméterekkel? (paraméterek a nyitó hozzászólásban) Köszi!
A következő projekt egy változó színű meghajtás lenne pic nélkül.
Elképzelés: Építenék 3 egymástól független pwm meghajtást a r, g, b, ledeknek. A kapcsolás lassan felerősítené az adott led fényét és lassan kioltaná. Esetleg potival szabályozható frekvencián. A freki 0 Hz és 0,25 Hz között mozogna. Más más frekit állítanék be a r, g, b, színnek. Így minden színállapotnak lenne esélye előjönni. Példa: red 0,1 Hz ; green 0,25 hz; blue 0,2 Hz. Egyszerre indítva a színeket, az 5. másodpercben közel fehér lenne. a 10-ben sötét... Ötletek a kapcsolásra? Köszönettel: Norbert
Szia!
Bővebben: Link Egy példa arra, amit szeretnél, mikrovezérlő nélkül.
Köszönöm!
Sajnos ez közös katódos rgb ledekre vonatkozik. Esetleg átrajzolná valaki közös anódosra? Üdv!
Így nagyhirtelenben annyit mondanék, hogy tegyél be PNP-s tranyót és a LED-et pedig fordított polaritással tedd be, illetve a tápra kötsd. :gumicsirke:
szerk.: Illetve a tranyó kollektorát testre kötsd...
Így jó?
Elvileg működni fog? Köszi
Tegyél be PNP-s tranzisztort, és annak az emittere nézzen a LED katódja felé. Egyébként így gondoltam!
![]() szerk.: Továbbá a rajzon a 100k-s trimmer azon lábára menjen a GND, ami a TLC272 4-es lábára megy. Remélem érthető...
Ok!
A trimmer hibát javítottam. Ha jól értem 2 tranyó kell bele? Pnp és npn? Npn volt benne eredetileg(mellékelem), Ezt cseréltem pnp-re. Tegyek bele még egy tranyót? Üdv!
Több szem többet lát!
Akkor megépítem(ha ezen a héten kapok alkatrészt) és beszámolok.
Egyébként nekem ez az áramkör TL072-vel van/volt megépítve, azzal is szuperül működött. A kapcsolási értékeken kicsit módosítottam, mert ezekkel az értékekkel én túl gyorsnak találtam. A 10Mohm-os ellenállást 20Mohmra növeltem, a 220nF-os kondit pedig 4.7µF-ra. Ha jól emlékszem, mert ez már pár éve volt...
No még egy kis javítást ha eszközölnél.... A 22 ohm nem építhető be a ledbe ezért célszerű a másik oldalán elhelyezni.
Szia!
Ne haragudj, de ez most nem értem... Miért kellene a LED-be beépíteni az előtétet, egyáltalán ezt hogyan lehetne kivitelezni, továbbá miért kell emiatt a másik oldalára rakni? Biztos egyszerű dologra gondolsz, de ezt így nem tudom összetenni...
Ha közös anódos ledje van ,akkor ha az anód körbe raksz egy ellenállást akkor az mindhárom ledre fog vonatkozni .Apróság, de a rajzodon a led és az ellenállás helyet cserél akkor mindhárom lednek be tud építeni egy egy ellenállást.(Ha mindhárom részét megrajzolod a kapcsolásnak bekötöd a ledeket ,és ahogyan a valóságban van közösíted az anódot (mert a leden belül közös) akkor ez jól látszik.
Jó tudom csak részletkérdés ,úgyis rájött volna.
Bah... Így már értem!
Megfeledkeztem már arról, hogy közös anódos LED-ről van szó, és csak "egy LED-et" figyeltem. Így igaz, amit mondasz,köszönöm, hogy felhívtad rá a figyelmünket!
Üdv!
Megint átrajzoltam. Remélem ez már az 1.0 verzió .Hamarosan nekilátok megépíteni. Köszi
Megint üdv!
Megépítettem a legegyszerűbb pwm kapcsolást 555 ic-vel. Igaz még csak egy leddel. (A kapcs. rajzhoz képest beépítettem egy előtét ellenállást is.180 ohm körül) Gyönyörűen szabályozza a fehér led fényerejét. Remélem majd rgb-vel is működni fog. Szép álmokat
Üdv!
Megépítettem 1 leddel a kapcsolást. A gondom, hogy a kapcsolás a led áramát 5 mA és 13mA között változtatja. Amire szükség lenne, hogy a minimum olyan 0,2mA alatt legyen, a maximum pedig 20mA körül. Melyik értéket állítsam hozzá? Előre is köszönet a válaszért!
Sziasztok,
van 2db RGB ledem, amit a lehető legegyszerűbben szeretnék egy szokásos, jól ismert állítható feszültségű adapterrel meghajtani. Nagyon kezdő vagyok minden elektronikai témában és csak annyit szeretnék, hogy a LED pár órát világítson naponta. Az elgondolás az, hogy közvetlenül az adapterre kötöm, de ellentétben az általam eddig "használt" ledekkel ennek 4 lába van 3 különböző lenne a színeknek?Szeretném a rendelkezésemre álló dolgokból világításra bírni egyszerre mindkét LED-et. Amim van: - 2db LED - adapter - vezeték Az élettartamuk a legkevésbé sem érdekel (hacsak nem percben mérhető) Nagyon köszi a választ, hihetetlen nagy segítség lenne!
Szia!
Milyen színnel világítson? 4 lábú RGB ledet nem lehet sorba kötni, marad a párhuzamos kapcsolás. Jó lenne tudni, hogy közös anódos, vagy közös katódos leded van, mert ha fordított polaritással kapcsolsz rá áramot, akkor kiég. Ha ez megvan, meg kell mérni az adapter üresjárati feszültségét pl 6 Voltos állásnál. Ez akár 9 Volt is lehet. A különböző színekhez különböző nyitófeszültségek tartoznak. Ha tudod a feszültséget ki kell számolnod az előtét ellenállás értékét. Az alábbi linken:előtét ellenállás A nyitófeszültségek általában: Pirosnál ált 2.1 Volt Zöld 3.5 V Kék 3.5 V az átfolyó áram 20mA legyen. Előtét ellenállás MINDENKÉPPEN KELL ledes kapcsoláshoz !!! Ne kapcsold rá közvetlenül az adaptert, mert néhány másodperces élettartammal számolhatsz! Jó méregetést!
Üdv megint!
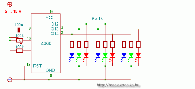
Építettem egy egyszerű rgb villogtatót 4060-as ic ből. Szépen dolgozik és nagyon egyszerű, bár csak 7 színt villogtat.
Kedves Zolee!
Megépítettem a tl072 kapcsolást, de nem működik. Nem tudnál utánanézni te annak idején hogyan oldottad meg? Köszi: Norbert |
Bejelentkezés
Hirdetés |














Megfeledkeztem már arról, hogy közös anódos 


3 különböző lenne a színeknek?




