Fórum témák
» Több friss téma |
Fórum » LC mérő
Már próbáltam is .., jól működik , 0-2 mili Ohm csak az ingadozás , ic-ESR is ok . Többit holnap tesztelem .
Most olvastam figyelmesebben , hogy csak kis induktivitások veszteségének mérésére alkalmas , így nekem ez nem lesz jó a kimenőkhöz .
A kimenőnél amúgy sem túl problémás az AC ellenállás értéke, viszont a szórt induktivitást és a tekercskapacitásokat tudod mérni.
Végig próbáltam minden funkciót , stabilan működik . C mérésben is kitolódott a mérés határa közel 1u-ig .
Rossz ESR érték kijelzése nagyon jó ötlet , könnyebb a szelektálni . Még jobban használható műszer lett .
Sziasztok!
Én is lekeztem az lcm3 projectet, ez a kijelző jó lesz hozzá? Backlight current: IF = 5.8 mA(VLED=3.63V) Ez az érték jó lesz hozzá? Bővebben: Link
Köszi!
pic16f690-ből melyik legyen i/p vagy e/p és mi a különbség? Vagy mindegy, mert már az e/p rendelés alatt van. Remélem nem kell lemondanom.
Mindegy!
Az I/P 85 az E/P 125 fokig működik.
Van egy ilyen kondim. Szerintetek még pontos lehet az értéke? Esetleg jó lehet hitelesíteni.
Ha van több, akkor igen, egyébként ha csak egy van, akkor nem lehetsz biztos benne hogy az eltelt 37 évben hogy változott az értéke, vagy már annak idején is kívül volt a tűrésen és azért nem építették be... A legtöbb ilyen kondi tudja a ráírt tűrést, de vannak amelyek kilógnak a sorból! (tapasztalat)
De az 1% tűrésre azért valószínűleg lehet számítani, és mindenképp jobb mint a kapható 5 vagy 10%-os kondik.
Megmértem az LCM3-al és 707,1pF a mért érték. Ez simán benne van a tűrésben. Van egy másik kondi is. Az eredetileg pontosabb volt 0,25%-os de sajnos az már 0,4% csak. 33,5nF helyett 33,64nF. Gondolom azért romlott le, mert ez nyitott kivitel és jobban elöregedett.
Üdv, és BÚÉK!
Karácsonyra megépítettem két példányt (ajándékok lettek) az LCM3-ból a cikkben közölt kapcsolási rajz szerint, a szintén ott megjelent paneltervet felhasználva. Mindkettő elsőre indult, kiválóan muzsikálnak. Nagyon hasznos eszköz, gratulálok a meglkotóinak, és köszönöm, hogy közzétették! Az alkatrészeket nagyrészt a leírások alapján válogattam, 5V-os stabilizátornak MCP1702-t használtam. Apró átalakítások a kapcsolásban az eredeti panelon kivitelezve: nem lett beépítve külső tápcsatlakozó, ezért annak a helye rövidre lett zárva; a felhasznált reed-ben beépített ellenirányú dióda van, ezért D2 nem lett beültetve; R11 helyett egy 220 ohm-os ellenállás lett beépítve a +5V-ra csatlakoztatva (nagyon kis áramú állandó háttérvilágítás, de félhomályban, sötétben pont elég). A gondom az MCP1702-vel akadt, a problémát leírtam itt. Örülnék, ha jelezné, ha valaki tapasztalt hasonlót. Minden egyéb ötletet is szívesen veszek!
Szervusz!
Csak egy tipp, a relé mellé próbáld betenni a védődiódát, a helye is megvan nem is drága. Hátha még sincs benne a relében, vagy hibás. István
Üdv és BUÉK minden LCM3at építőnek.
Próbáld meg az MCP1702 bemenetét és kimenetét hidald át egy diódával (értelemszerűen, bemenet katód kimenet anód). Nálam sajnos a kijelző produkál hasonlót.
Ha a stabilizátor bemenetéről elhagytad az elkót (mert nem tettél be külső tápcsatlakozót) akkor a a stab IC kimenete egy rövid ideig magasabb potenciálon lehet mint a bemenet a kikapcsolás után, főleg ha a stab IC kimenetére nagyobb elkó került.
Ezen segíthet a viszáramdióda, vagy egy elkó a bemenetre. Mindenesetre érdekes a jelenség...
Mivel most egyik megépített példány sincs nálam, kisérletezni akkor fogok tudni, amikor lesz egy sajátom is. Ha időm engedi, még a hétvégén összedobok egyet magamnak is. Egyébként szöget ütött a fejembe a megjegyzésed a relébe épített diódáról, és lehet, hogy igazad van. Hajlok én is afelé, hogy itt lehet a kutya elásva.
Az elkó a bemeneten amúgy megvan, azt nem hagytam el. A külső táp csatlakozóját és az ahhoz tartozó diódát nem építettem be, valamint a tápcsatlakozó két lábát (a telep negatív ágát továbbvívőket) kellett rövidre zárnom.
Üdv István és szilva!
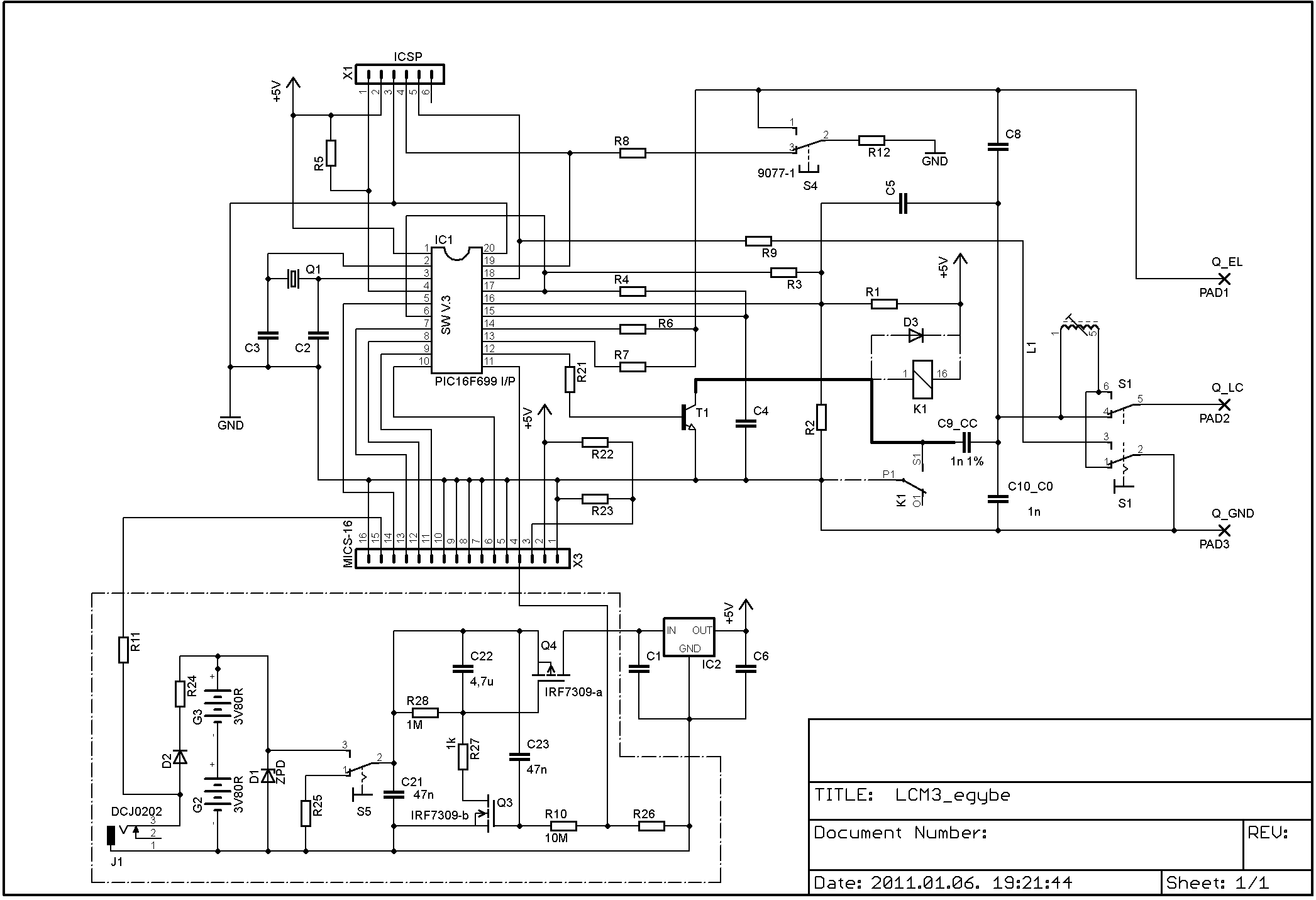
Sok különböző változat készült mindegyik működő képes a megépítők tapasztalata szerint. Az általam elkészített SMD-s nyáktervvel és két módosítással . Az automatikus kikapcsolás nem került rá a táppanelra , de feltételezem működő képes (Ez talán az István megerősítheti.) A részleteket az sch-n lehet látni. Az 5V-os táp ic LDO-s , kb 0,5V -os maradék feszültség mellett optimális az alkalmazott 7,2V-os táphoz. A relé elhagyásától nem kell félni, csak arra kell gondot fordítani, hogy lehetőleg kicsi C-E kapacitása legyen a tranzisztornak. Üdv: M-W
Üdvözletem!
Az LCM3 -ról szeretnék kérdezni. Nekem első sorban 0,5pf--200pf-os capacok mérése lenne a legfontosabb ebben a tartományban mennyire pontosan lehet mérni vele? Például 1,5pf-dot határozottan megméri?
Az általam készített példány gond nélkül méri. Gondolom a mások által készítettek is. Ilyen igény esetén javasolt egy fix mérőfoglalat alkalmazása.
A műszerem alaphelyzetben a 0,0 pF kijelzéssel indul. Úgy látom, hogy a felbontása 0,1pF ebben a tartományban. Ezért úgy gondolom, hogy a 0,5pF kondikat nem fogod pontosan megmérni vele, itt már nagy a bizonytalanság. De amúgy is, ez már olyan tartomány, ahol a közelben levő tárgyak is elviszik a mért értéket. Már azt is észrevenni, ha a kezemmel közelítek. Ha a két mérővezeték szigetelését megfogom, már 3pF-ig elmegy.
Igen, 0,1 pF a felbontás, lehetne növelni is, a korlát inkább a mechanikai és elektromos kivitelezés.
Kis értékek stabil méréséhez egész rövid mérővezeték, vagy leginkább fix mérőadapter kell. A fém készülékház, vagy árnyékolás (talán éppen jano36 készített ilyen nyákot) is jó hatású lehet a a kéz vagy egyéb test közelségének a mérési eredményre való hatásának csökkentésére. Tettem fel pár gondolatébresztőt a mérőadapterekhez... A fix mérőadapterhez a nyákon ki van képezve a beültetési lehetőség a hüvelysornak! (még senki nem kérdezte miért van ott az a furatsor, bár lehet azért mert mindenki rájött)
Kíváncsivá tettél. A frekvenciát hány bites számlálóval méred? Én eddig úgy gondoltam, hogy azért álltál meg a 0,1pF-os felbontásnál, mert ennyit enged meg a frekvenciamérés.
Egy másik kérdés, hogy ha a PIC nem 20MHz-cel hanem magasabb frekvenciával dolgozna, segítene-e a felbontás növelésében? Egy korábbi fórumos bejegyzésedben arról is írtál, hogy a 16F690-es memóriája már elég szűkös a program további fejlesztéséhez. Gondolkoztál-e már a 18F14K22-ben? Lábkiosztásra teljesen egyezik a 16F690-nel, de ez tud 4x PLL-t, így 64MHz-ig el lehet menni. A memóriája ugyan 8kbyte, ami 4k utasítást enged, akár a 690-es, de pl a szorzás utasítás, táblázatkezelés és egyéb más hatékonyabb utasítások csökkentik a memóriaigényt.
LCM3 -ba a 33uf kondit hogy kell beültetni,tipusa 033uf r.46 szürke mkp x2 275 vac-os, felül van egy "k" betű.
A "k" majdnem küzépen van.
Ez nem polarizált kondi, tehát mindegy hogyan ülteted be.
Köszi, akkor jól gondoltam, be is ültetem!
Igazából nem frekvenciát, hanem periódus időt mérek!
TMR1 bemenete külső kvarc esetén foglalt (ha jól emlékszem), ezért csak a TMR0 használható bemenetnek, ami ügye csak 8 bites, így nem maradt más választásom mint 256-os előosztóval a TMR0 bemenet. A mérés 64+256*n egész számú periódus mérésén alapul (n=0...255) úgy hogy legalább 500 000 utasításciklus teljen el (ezt a TMR1 megszakításokkal számolom előosztó nélkül, de a TIM0 is megszakításos vezérléssel működik) így a frekvenciát kb. 40 Hz és 600 kHz között tudom mérni minimum 1/500 000 felbontással. ebből kell frekvenciát számolni. Az elméleti felbontás 1nF mérőkapacitásnál pedig kb. 1/250 pF (egy kicsit nyűgösebb a kódolás de megérte) 18F14K22 - at néztem, de mintha 16K lenne a programmemóriája és a 18F13K22 pedig a 8K. Váltani most már csak akkor lenne értelme, ha még megvalósítható és hasznos plusz funkciókat lehetne kitalálni változatlan hardver mellett... A korszerűbb architektúra mellett két negatívuma azért van: - Az ADC mintha kevésbé lenne precíz az adatlap szerint, igaz a magasabb frekvencia miatt pontosabban lenn időzíthető a mintavételezés a 90 kHz szinusz csúcs és völgypontjaihoz. - Az EEPROM 10*szer kevesebbszer írható (100 000) lehet kicsit át kellene szervezni a kalibrációs adatok mentését, hogy csak tényleges változást és ritkábban mentsen. Szóval csak a nagyobb felbontásért nem érdemes már hozzá nyúlni, sok minden kellene megváltoztatni egy kis "apróság" miatt. A 18F14K22 miatt pedig az időzítéseket kellene átírni a megváltozott frekvencia miatt.
Én úgy látom, hogy a kérdésem előtt már alaposan körbejártad ezt a témát. Ismét meggyőztél arról, hogy a készülék megérte az árát.
Megint lenne egy következő kérdés(teljesen amatör vagyok a témában de a lelkesedés meg van
.Az induktiv tekercset hogyan kell beültetni LCM3-ba, 101-es van ráírva és előtte egy pont, egyik lába hosszabb. Pontosan nem tudom mik az értékei, majd rendelek tutira jót a lomexből. Az ellenálást(0.3,0.4R ajánlás) egyszerű ellenállás mérővel megmérem akkor jól járok el, vagy más a módja?
Szia debian és minden lcm3at építő
Szeretnék egy pár tévhitet eloszlatni. Ugyanis a tekercselt kondenzátorok (például stiroflex, vagy az a nevezetes 33 nF is ide tartozik) bekötés szempontjából nem mindegy hogyan kötik be, hiába tartják őket unipolárisnak. Mellékelten küldök egy fényképet, ahol egyértelműen látható minden kondenzátoron egy jelölés, ami nem jelöl mást, mint a tekercs külső kivezetését. Kisméretű kondenzátoroknál ezt egy színnel jelölik. Ugyan ez a helyzet a nyílt vasmagú tekercseknél is, itt a hosszabb kivezetés jelzi szintén a külső sor végét. Hogy konkrét példát mondjak, ha az 1nF-os kondi színezett végét kötjük a testre a kondi önmagát árnyékolja. ellenkező esetben antennaként szedi össze a zavarokat. |
Bejelentkezés
Hirdetés |












.





