Fórum témák
» Több friss téma |
Üdv proli007!
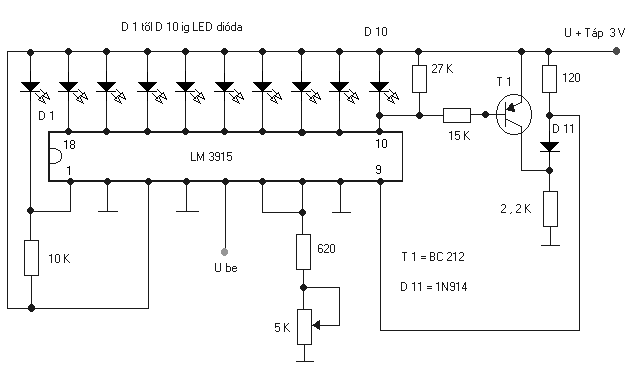
Tessék ittvannak a rajzok(LM3915-öt nemtaláltam Eagleben azért van 3914,BC 556B használtam mert nem volt bc212) a LED előtét ellenállások a kollektorban vannak. A Bázisellnállásokra azért nem volt szülségem mert nem akkartam hogy a LEDek még akkoris világitsanak(igaz hogy bár elég halványan) amikor nincs jelük. Lemértem bemenő jel nélkül és mindenhol 11,,89V van 12V tápfesz mellett. Elnézést kérek nem az 5. hanem a 6.lábról van szó Sajnos nemtudok ráadni jelet 0..3Vig mivel csak egy szabályozható tápom van és arrol megy ez a keceraj is,de megpróbálhatom ceruzaelemmel.Amugy a referenciát is mértem és az 3.01 V ,legalább az okés Amugy eredetileg a PCmhez készült ez az áramkör,de nem lesz gond máshol használnom(Amugy ha kérdezhetem PCről miért ne adjak neki jelet??) üdvözlettel Stuka !
Hello!
- "A Bázisellenállásokra azért nem volt szükségem mert nem akartam hogy a LEDek még akkor is világítsanak(igaz hogy bár elég halványan) amikor nincs jelük.' A bázis-emitter közötti ellenállás (nem a bázissal soros), pont azért szükséges, hogy jel nélkül ne égjenek a Led-ek. Ugyan is az IC-ben lévő áramgenerátoroknak (amik eredetileg közvetlen hajtották a Led-eket) van szivárgó áramuk. Erre az adatlap ki is tér, sőt az 1-es Led-sornál, még több is mint a többinél). Ez a szivárgó áram a bázisellenálláson nem ejt akkora feszültséget, hogy a tranyó kinyisson. Ha nincs bent, akkor a szivárgó áramot, a tranyó bétája szerint felerősíti, így a Led-ek béta értéktől éghetnek, vagy sötétek. - Nem szükséges két táp, elég egy mezei poti is, amivel a tápfeszültség leosztásával vezérelheted az IC-t. Ha egy 10kohm-os poti elé bekötsz egy 22kohm-os ellenállást, akkor a poti csúszkájáról, kb. 0..3V feszültséget vehetsz le. És már mehet is a próba. üdv! proli007
Üdv proli007!
Megépitettem a feszültségleosztót 3V-ra ahogy mondtad. Becineztem a bázisellenállásokat is,igy mostmább az első LEDSOR nem világit,de a 6. igyis,még akkoris ha nincs semmigéle bemenő jel Lemértem ,minden lábnál a tápfeszültséghez közeli érték van(11.89V). Mikor a 3V-os tesztre került volna a sor akkor a 10. Ledsornál próbálkoztam,mivel az nem ég.Mikor elkezdtem tekerni akkor a poti első lábánál elkezdett füstölni,igyhát abbahagytam.De mikor a fesz. osztót "előre" beállitva használtam(2.5V) akkor világitottt probléma nélkül(akkármelyik sor). Amugy PCről miért ne adjak neki jelet??? Üdvözlettel Stuka!
Hell!
- Ha a hatodik Led-sor még mindig ég, akkor ott zárlat van a tranyó kollektor-emittere között. Kikapcsolt állapotban ohm-mérővel keresheted a zárlatot. - Lehet le kellett volna rajzolnom a potit hogyan használd. Mert csak akkor füstölhet valami, ha zárlat (túláram) van. (De lehetett az is gond, hogy ki kellett volna venni a tranyót, mert ha a potit nullára tekered, akkor az IC esetleg kinyitja a tranyót, és a 220ohm/tranyó kollektor-emitterén keresztül a potira vissza jut a feszültség. Viszont ahogy írtad, hogy előre beállítva nem okozott gondot a dolog, akkor szinte biztos, hogy ez volt a probléma.) De meg kellett volna mérni, hogy vezérlés (hang) nélkül, az LM3915 5. lábán 0V feszültség van-e. - Kizárólag azért mondtam, hogy ne vezéreld a PC-ről, hogy csak akkor lépj tovább a hibakereséssel, amikor már az LM3915 rendesen működik. Az pedig csak akkor jó, ha a bemeneti jelet (az 5. lábon) 0..3V között változtatva szép sorban gyulladnak ki a Led-sorok. (oka pedig az, hogy a PC-csúcsdetektor által képzett egyenfeszültség, ne zavarja meg a mérést. - De ha már minden Ledsor működik a bemeneti feszültségre, akkor mehet a PC-ről a vezérlés.. üdv! proli007
Üdv proli007!
Elgondolkodva azon amit irtál újra átneztem mindent a kezdetétől a végéig.Amilyen laikus vagyok arra én is rájottem hogy zárlatot okoztam a potival . ÉS MEGTALÁLTAM A PROBLÉMÁT(legalábbis az eddigi tesztek szerint) Én hülye megtervezéskor rossz tranyot választottam(elkapkodtam) és emiatt a tranyó lábainak kimenetei pont forditva voltak.Erre akkor jötttem rá mikor bemeneti jel nélkül is ,SŐT lm358 nélkül is 1,2V volt a bemeneten.Igyhát megnéztem neten és beigazolódott a gyanum.Megforditottam a tranyót és végre működött!!! Köszönöm eddigi fáradozásod és remélem a jövőben még tanulhatok tőled Persze töltök majd fel videót is a projektról ![]() Üdvözlettel Stuka!
Hello!
Gondoltam, hogy írom, hogy a 2N4416 nem NPN tranyó, hanem egy Jfet aminek bekötése nem azonos (az mellett, hogy tök más) az általános bekötéssel, de a sas még is NPN tranyót mutat.. Miért?.. Viszont örülök, hogy működik, mert illik neki! A tanulság viszont az, hogy mérni és ez után gondolkodni kell. üdv! proli007
Sziasztok!
A VU métert a végfok és hangszórók közé kell bebiggyeszteni igaz?
Hello!
Kissé pontatlan a megfogalmazás, mert nem közé, hanem a végfok kimenetére. (Ha közé lenne kötve, ez azt jelentené hogy vele sorosan van. De itt párhuzamos kapcsolásról van szó). De a kivezérlésmérő lehet egy LINE kimeneten is. Ez első sorban a kivezérlésmérő érzékenységétől (feszültség illesztésétől) függ, másodsorban, hogy mit szeretnénk látni. Ha a hangerő poti előtt van, akkor a bemeneti szintet mutatja, ha mögötte (és ez lehet a végfok kimenete is) akkor a végfok kivezérlési szintjét. Tehát az első esetben a hangerő poti állásától függetlenül, míg a második esetben attól függően kalimpál. üdv! proli007
Hogyan tudom megmérni egy multiméter segítségével hogy az LM 3915-os kijelzőmeghajtóm működik-é?
Nem teljesen értem - mihez képest akarod hitelesíteni? A kivezérlés értéke nem olyan egység, mint pld. volt, amper, watt. Még az sem egyértelmű - max.torzításmentes kimenő teljesítményhez, vagy milyen más adathoz képest akarod "hitelesíteni". Szerintem a kivezérlési szint egy "relatív" érték - ha tévednék, okítsatok ki.
Sziasztok,
Szeretnék építeni egy vu meter-es álló lámpát. Sajnos nem vagyok annyira otthon az elektronikában hogy saját kezüleg elkészítsek egy komplett nyáklapot, úgyhogy egy régi erősítőből kitudtam szedni egy sztereo vu led-es kiejlzőt. Ezt szeretném felhasználni ha lehet, úgy, hogy jel kimenetre kötve ugyanúgy üzemeljen, mint régen az erősítőben. A problémám, hogy van 5 db vezeték a nyáklapon, amit nemtudok, hogy hogyan kéne kötni. Arra rájöttem, hogy a két szélső vezeték: a szürke és a zöld a nyákon lévő plusz POWER ON led-et hajtja meg. Ezt amúgy egy változtatható feszültségü adapterrel hoztam ki belőle. 1-5 - 12 Voltig világít. Ha szinkronban ezzel rákötem a maradék 3om vezetéket, akkor 3 V felett felvillan az összes led, majd sorban lekapcsolnak és ha hagyom őket rákötve, akkor sem gyulladnak fel újra, mind addig amíg nem bontom és nem kapcsolom újra rájuk a feszültséget. Kipróbáltam, hogy hifi jel kimenetre rákötöttem a maradék 3om vezetéket, egyidőben az adapterrel de meg sem mozdultak. Esetleg valakinek ötlete. Mellékletként képek!
Hello!
A kép alapján, úgy nézem, hogy a tápfeszültséget a panel, a barna (-) és a piros (+) vezetéken kapja. (én a szürkét, a forrasztási oldal nézetében barnának látom) De meg kellene nézni, hogy a két nagy kondi plusz és mínusz fele, melyik csatlakozólábra megy, mert a kondi polaritása nem látszik a képen. De a kondin biztos rajta van.. Viszont a PowerOn Led is beszédes lehet, metr ha akkor világít, ha a zöld a pozitív, akkor a barna(szürke) a negatív táp. A sárga és a narancs lenne a két hangfrekvenciás bemenet, de a csatlakozó oldalán jelenleg a kettő össze van forrasztva. (Valószínűleg mint "mono kivezérlésjelző" volt használva) De ez szétforrasztható, és akkor mehet rá az L és R csatorna. A zöld ha plusz tápot kap, akkor világíthat a Power Led. De egy áramkör általában nem kaphat akármekkora tápfeszültséget, sőt bemeneti jelet sem. Tehát célszerű lenne leolvasni mi van az IC-re írva, és megnézni az adatlapján, mekkora tápfeszültség és bemeneti feszültség igénye van. Mert ha túl nagy feszültségre kapcsolod, károsodhat. üdv! proli007
Üdv,
Köszönöm a gyors választ. Igazad van, tényleg inkább barna. Megnéztem Ba6104 az IC tipusa, de én ebben a leírásban amit találtam nem igazán igazodtam el. A kondik pozitív kivezetései a barnán vannak. A negatív az egyik kondinál a pirosra megy a másik kondi negatív lába közvetlen az utolsó ledhez. Szétforrasztani meg nem akarom, teljesen jó, ha mondóban szól, mert egy lámpát csinálnék belőle, úgyhogy nem lényeg hogy mono vagy sztereo.
Hello!
Ebből az adatlapból már egyértelműen látszik, hogy az IC 5. lába a GND, és a 9. lába a VCC. Tehát a tápfeszültség 12V, és a barna vezeték, a (+) valamint a piros a (-). Az utolsó Led akkor fog jelezni, ha az IC 8. lábán 1V feszültség lesz. A bemeneti jelet egy dióda egyenirányítja. Előtte van a kondi, és néhány ellenállás. (értékét nem igazán tudom kibogarászni) Ránézésre a bemeneten, kb. 1..3V váltófeszültség szükséges, hogy minden Led világítson. De a maximális bemeneti feszültség, adatlap szerint 4,5V. (elég szűkös). Ez bement gyanánt, 1..2W/4ohm-os erősítőt kimenetét feltételezhette. üdv! proli007
Mint azt már írtam egy kicsit hülye vagyok az egészhez
![]() Tehát akkor pontosan mire mit kell kötnöm? A barna+pirosra ráteszem a 12 voltot és marad a zöld a sárga és a narancs. Ezekre már elvileg rátudnám kötni egy vonal kimenetet? jelen esetben PC audio kimenetre menne.
Hello!
Igen, a barnára a 12V pozitív pontját, a a negatív pontját a pirosra. De a negatívnak, egyben közösnek kell lenni a PC GND pontjával. (Megkeresed a Net-en, hogyan van bekötve a hangkártya csatlakozó.) Ez után a hangkártya baloldali kimenetét, rákötöd a narancs sárgára, a jobboldalit pedig a citromsárgára. Tehát a hangkártya felé, három vezeték fog menni. A narancs , a sárga és még egy ami viszi a GND-t a pirostól. (De előtte a csatlakozónál szétforrasztod a két pontot, mert az össze van folyasztva. Megmelegíted, és kicsit odavágod a panelt, akkor lejön az ón róla.) A zöldet, pedig hozzákötöd a piroshoz. Így táp esetén az egyből világít. De sajnos egy rossz hírem is van. A hangkártya kimenetén, úgy emlékszem kb. vonalszintű jel van, az szerintem nem biztos, hogy elégséges lesz a panel meghajtására. Meg kellene mérni, az IC 7. lábának feszültségét. (Amelyik láb nem megy sehova, láthatóan csak egy pötty van a nyákon a lábnál. Ennek feszültségét kell megmérni a piroshoz (GND-hez) képest.) Ha az adatlapnak igaza van, ott most 3V mérhető. Ezt a feszültséget le lehet csökkenteni a láb és a GND közé kötött ellenállással, 0,5V-ra. De hogy mekkora ellenállás kell rá, arra az adatlap nem tér ki, de kárt nem lehet vele okozni az látszik az ábrán. Így az IC érzékenysége nem 3V, hanem 0,5V lesz ha igaz. Viszont még mindig ott van a dióda, aminek nyitásához kb. 0,7V szükséges. Így együtt a kettő, kb. minimálisan 1V kimeneti feszültséget kíván. üdv! proli007
Nos, ahogy írtad megcsináltam:
Barna 12V + Piros/Zöld 12V- és PC GND Narancs és citrom jelenleg még nincs szétforrasztva úgyhogy egyben vannak Az eredmény, hogy a LED-ek felvilágítanak, majd szép sorban a pirostól visszafelé kialszanak (kb 2mp alatt) és utána sötétség......majd ha bontom és újra ráteszem akkor gyulladnak ki újra! IC 7es lábán 1V-ot mértem
Sikerült időközben. A probléma az volt, hogy nem volt max hangerőn a PC. Így most megy, de a baj tényleg az, hogy kevés a feszültség hozzá. Az 5 ledből, jó ha 3om felvillan. Hogy lehetne ezt megoldani? Jó lenne valami olyan megoldás amivel változtatni tudnám az érzékenységét, egy potival.
Ha nem forrasztom szét a naracsot és a citromot, akkor gondolom, hogy rövidre is zárja és a hangszórón nem sztereo lesz, hanem csak mono....
Hello!
- Ezt potival, csak akkor tudod majd állítani, ha egy előerősítő fokozatot építesz hozzá. -Esetleg lehet az érzékenységet növelni, ha a két diódát germániumra cseréled. (Valami OA1060 v. 61 v. 84), valamint amit mondtam a 7. láb feszültségét 0,5V-ra lehúzni. De szerintem a PC akkor is ordibálni fog, legfeljebb mind az öt Led ég majd. - Így van, mono lesz, feltéve, hogy a hangszóró is erről a kimenetről megy, amiről a kijelző. üdv! proli007
A 2db IC 7es lábtól kell akkor egy-egy ellenállás a GND-hez azaz piroshoz?! Mekkora ellenállás kéne ide?
Helo!
"De hogy mekkora ellenállás kell rá, arra az adatlap nem tér ki, de kárt nem lehet vele okozni az látszik az ábrán." Írtam.. De miért nem olvasod el tüzetesen amit írok? :no: Nem csak írni, olvasni is kell!! :yes: üdv! proli007
Bocsánat tényleg írtad, csak olyan sok mindent, hogy nehéz feldolgozni
Nincs erre valami kalkulátor? az 1V-ot kéne 0,5 Vra lecsökkenteni
Jaj ne légy már ilyen értetlen.. Az adatlapról nem lehet leolvasni, hogy mi van az IC tokjában, a referencia fokozat paraméterei sincsenek megadva, csak a kapcsolást látni. Tehát nem lehet kiszámolni. Ha lehetett volna, már rég megmondtam volna. Próbálkozni kell, mint a kutya..
üdv! proli007
Okok, értem. Akkor próbálkozom. Köszönöm az eddigi segítségedet!
![]() Üdv
Hello mindenkinek.
Van egy ilyen stereo VU-meterem. Beraktam egy erősítőbe, minden ok klasszul működik. Beraktam elé egy előerősítőt és csak az utolsó led világít, előszőr azt hittem hogy sok neki az előerősítő jele ezért bekötöttem az előerősítő elé de nincs változás, néha viszont az utolsó led felől mintha működést produkálna(tehát az utolsó ledtől megy előre a fény...) nem találkozott valaki ilyesmivel? vagy nem tudja valaki hogy mit csinálhattam rosszul.elég jól mutatna szilveszterkor a házibuliba Segítségét előre is köszönöm(melléklet:előerősítő,VU-meter)
Hello!
Inkább az előerősítő kapcsolási rajzát (vagy linket) tehettél volna fel, ha már elvi hiba van. De a gond az, hogy ez az erősítő féltápfeszültséges módban működik. Viszont a kimenetén nincs kondi. Így a kimeneten a váltakozó (hangfrekis) feszültség mellett, kb. 6V egyenfeszültség is mérhető. Mire a VU méter maximumra kitér. Tehát a kimeneten található 1kohm-ok helyett, tegyél kondit, de az R-out és GND (valamint L-out és GND) pontok közé is kell egy "lezáró ellenállás". (pld. 1µF/100kohm) Ekkor megszűnik a kimeneten az egyenfeszültség, és marad a hasznos váltó. üdv! proli007
Ok, köszi megpróbálom.
sziasztok. nekem analóg vu méter nyáktervre lenne szükségem lehet ic-s tl 071 és beültetésre !nagyon hálás lennék ha valaki segítene köszönöm
Holnapra megnezem mert meg kell keresnem az egyik ujsagban. Egy szembemozgo kivezerlesmero ha jol emlexem!
Itt van egy mert a masikat men talaltam meg! A szoveg nem ehhez tartozik de a kep egyertelmu!!
|
Bejelentkezés
Hirdetés |

















