Fórum témák

» Több friss téma
Fórum » Visszaszámlálós ajándék
Lapozás: OK   9 / 9
(#) DB Thündér hozzászólása Feb 17, 2011 2 /
 
Ebben a videóban látottakat szeretném megépíteni:

http://www.youtube.com/watch?v=qvZGBXBhdZM

kaphatnék egy leírást a kütyüről? (nyákrajz, kapcs. rajz, PIC program)

Köszönöm előre is a válaszokat!
(#) pcroland válasza DB Thündér hozzászólására (») Feb 17, 2011 /
 
Látom, hogy írtál neki kommentet, de nem válaszoltak. Nem nagyon tudok neked segíteni, de annyit javaslok írj neki e-mail-t. Arra biztos válaszolni fog neked.
(#) DB Thündér válasza pcroland hozzászólására (») Feb 17, 2011 /
 
Sajnos az sem vált be :S
(#) DB Thündér válasza DB Thündér hozzászólására (») Feb 17, 2011 /
 
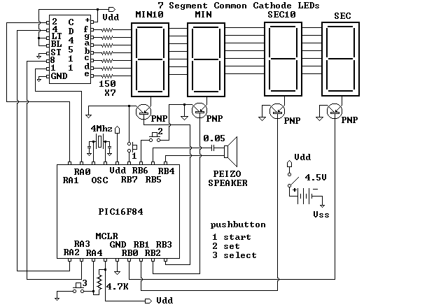
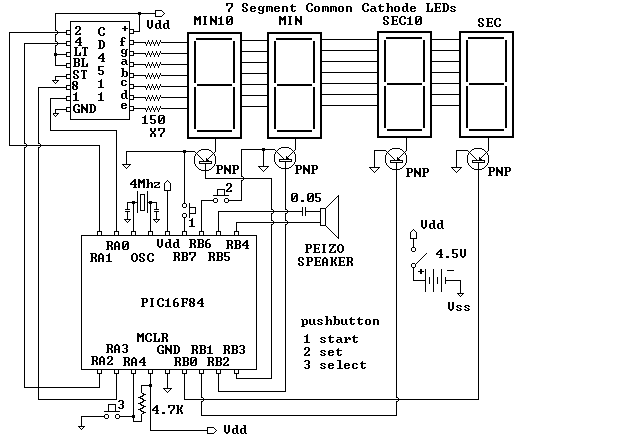
Kapcsolást már kaptam! Mellékeltem nektek is

cntdn.gif
    
(#) kaqkk válasza DB Thündér hozzászólására (») Feb 17, 2011 /
 
Visszaszámlálós ajándék címszó alatt van már egy témája ennek a dolognak itt a hobbin
(#) _JANI_ válasza kaqkk hozzászólására (») Feb 17, 2011 /
 
Épp ezt akartam belinkelni! _Visszaszámlálós_ajándék_
(#) _JANI_ válasza DB Thündér hozzászólására (») Feb 17, 2011 /
 
A videóban mintha egy kicsit nagyobb PIC dolgozna.
De a kistestvér ( PIC16F84 ) is elég lesz szerintem. :yes:
(#) DB Thündér hozzászólása Feb 17, 2011 /
 
Ebben a videóban látottakat szeretném megépíteni:

http://www.youtube.com/watch?v=qvZGBXBhdZM

kaphatnék egy leírást a kütyüről? (nyákrajz, kapcs. rajz, PIC program)

Köszönöm előre is a válaszokat!

Esetleg ilyen kapcsolást találtam: melékeltem

cntdn.gif
    
(#) kaqkk válasza DB Thündér hozzászólására (») Feb 17, 2011 /
 
A kapcsolási rajz viszont kevés a boldogsághoz : kell hozzá egy program is , és a benne lévő pic már elég drága ! Én inkább egy 16f628-at tolnék bele
(#) _JANI_ válasza kaqkk hozzászólására (») Feb 17, 2011 / 4
 
Mellékelem a PIC16F84-es mentett projekteket.
Jó munkát az átíráshoz!
Következő: »»   9 / 9
Bejelentkezés

Belépés

Hirdetés
XDT.hu
Az oldalon sütiket használunk a helyes működéshez. Bővebb információt az adatvédelmi szabályzatban olvashatsz. Megértettem