Fórum témák
» Több friss téma |
Fórum » Programozó kábel Telemecanique Schneider SR2 A101FU programozható reléhez
Témaindító: sanzol, idő: Júl 16, 2008
Témakörök:
Sziasztok!
Lenne ez a programozható relé, amelyet elméletileg RS-232-vel lehet programozni COM porton kersztül. Kellene a kábel bekötési rajza, ha van valakinek és megnézné az nagyon jó lenne
HI !
Nekem van egy SR2 CBL01-em. Ha az jó hozzá akkor szétpattintom és kirajzolom neked, bár a 2db IC-t ami benne van azt nem tudom, honnan lehet megszerezni.
Hello!
Hát azt nagyon megköszönném, ha nem lenne túl nagy fáradtság. Ahhoz képest elég irreális ára van a kábelnek..... Előre is köszi
Hát hogy irreális-e, nem tudom.De ezek optocsatolon keresztöl dolgoznak(galvanitikusan levállasztott).Nem csak egyfajta géphez jók.Natur leválaszto nélküli szinte bármelyik számtech boltban kapható pár százasért(com-com).Egy földelési hiba és egy ilyen direkt kötésnél elszálhat a gép és a programozando egység.
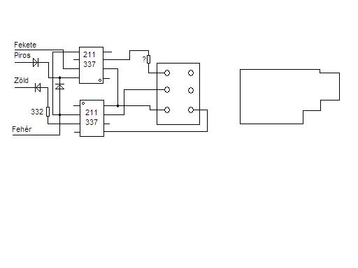
Hát itt a rajz, de nem sokat fog segíteni.
Nem röhögni ! A cégnél csak Paint az egyetlen amivel rajzolni lehet. Egyébként mindenképp leválasztott kábel kell, mert a PLC-ben nincs hálózati trafó, tehát elég könnyű kinyírni. Ha jól tudom valami 10 rugó körül van az ára a kábelnek (olcsóbb mint egy másik PLC )Egyébként is meg kell nézni, hogy ez jó-e hozzá, mert nem minden típushoz jó ! Én SR2 121 FU-hoz használtam. Laptoppal nehézkesen működött, asztali géppel hibátlan volt. De ezt a gyártó is megerőssítette, hogy előfordulhat ilyen a laptopok jelszintjétől függően.
Hello!
Nagyon szépen köszönöm! Szerintem ebből lehet még valami! Azt még ki tudnád mérni, hogy melyik szín hova megy a számítógép felöli csatlakozón? Egyébként ez az a kábel ami nekem is kell! Annyira biztos nem nehéz összehozni, mert magában a relében egy Atmel avr van, és annak az rs-232-es lábaira kellene illeszteni a COM portot.
Sziasztok!
Én is most akarok kábelt csinálni Zelio2-höz. Ha max232-őt használtál, akkor itt szintillesztés is kellett? Nem csak optoval leválasztani? Köszönöm a választ!
Sziasztok ! Én most próbálkozom egy SR2 D201FU programozható reléhez programot letölteni és adat kábelt hozzá készíteni de még ezen a téren kezdő vagyok. Valaki tudna nekem ebben segíteni ?
Sziasztok!
Nekem ojan problémám van hogy vangy sr2 b201fu-m és valaki lekódolta.Nemtudom a kódot .Hogy tudnám ujra indítani?Remélem egyszerü a dolog.Előre is köszönöm.Egyépként lenne egy progi hozzá,de kábelom nincs.
Sziasztok!
Nekem meg egy SR2 A201FU -m van, kábel is van ami RS232-en csatlakozik a géphez. Leszedtem a Zelio Soft 2 programot,de nem akar vele komunikálni,pedig a kábel is jó. És persze nekem is a kód bajom van,mert elméletileg csak PC-n keresztül irható felül ![]() Valaki tanácsot tudd adni? További minden jót!
A kódot nem tudod szgpel sem feloldani, ha nem tudod! Csak a programot törölve tudod oldani a kód nélkül, de ezzel a benne lévő program is törlődik értelem szerűen.
Gombos0: Ha STOP-ban van, akkor el kell indítani. Ezt fejből most nem tudom, de olyat keress, hogy RUN with.... és utánna YES.
Ha PC-n keresztül akarok programot törölni,akkor nem fog kódot kérni?
S akkor ha törlődik a program akkor a kód is? Már csak a PC kapcsolódást kellene megoldanom,mert azt irja ki nekem h csatlakoztassam,s DC46_10 - es hibakódot. De sok bajom van nekem. ![]() Amugy mire értetted a "Gombos0" Mert a 0000 alapot nem fogadta be. Köszönöm válaszod! Üdv!
Ha a programot törlöd PC-vel, akkor nem kér kódot csak megerősítést, hogy tényleg azt akarod e.
Ha a programot törlöd, ésszerűen, üres tárat (mert az még nem program) minek védeni? Az a kód másolás és illetéktelenek elleni zárolásra van kitalálva. Én is így védem a programjaimat. Alapból nincs is kód, azt neked kell megadni mikor a projektet letöltöd a Zelio-ba, vagy kézzel az előlapról, de ez csak opció. Remélem érthetően írtam.
Igen, megértettem!
![]() És nagyon köszönöm. Üdv!
A PC programozói kábelt hogy tudnám kitesztelni, mert nem kommunikál a gép a PLC-vel,de próbáltam már más gépel is.
Az optocsatoló része a kábelnek lehet rossz? De amúgy mikor összekapcsolom,s valamilyen kapcsolattal próbálkozom a PLC-vel a programból, akkor a PLC-n alul megjelenni a kis monitor jel,de semmi,s el is tűnik,de többszöri próbálkozásra már nem jön vissza. Ha valakinek volt már ilyen tapasztalata, akkor tudna segíteni? :help:
Én azt szeretném megkérdezni hogy a kábelt csinálni bonyolult?vagy netalántán csinálnál mégeggyet ha müködik?mennyiért? vagy rajzot küldeni de ugy hogy csak hobbi építő vagyok.
Előre is kösz János
Szia!
Nekem eredeti kábel van. "ciw" csatolt fentébb egy fájlt,amiben egy ilyen rajz van,az jónak tűnik ![]() Nekem meg még mindig élnek a csatlakozási gondok,csak nem tudom,h most a kábel rossz, vagy a PLC. ![]() Üdv!
Nekem ilyennel működik!
Elvben megvan minden, hogy megépítsem a kábelt (SR2CBL01 klón), de a fentiek valahogyan nem passzolnak össze, ezért kérek segítséget/megerősítést:
1) a PC400-nak nincs 2-es lába (adatlap csatolva), helyette a 3-as láb használatos 2) az SR2-es Zelio-ban a fogadó tüskesor függőlegesen található, a képen lévő kábel pedig vízszintes elrendezést mutat. 3) ha a tüskesor a kapcsolási rajzon oké, akkor az elrendezés az a Zelioban lévő csatit mutatja, vagy a csatlakozót? 4) PC400 helyett 4N25-öt használok (adatlapot szintén csatoltam), így a kiosztás kissé eltér, itt kérek segítséget, mégpedig fordítsam-e a 4-5 lábakat, mert a kimenet kollektora és emittere pont fel van cserélve a két opto csatolóban, azaz a) a PC400-ban a 4-es a kollektor, ez a 4N25-ben az ötös b) a PC400-ban az ötös láb az emitter, ez a 4N25-ben viszont a 4-es láb.
Sziasztok!
Valaki használ Telemecanique SR2 A201FU PLC-t, s ki tudná próbálni az én adatkábelemet? Fontos lenne még mindig! :help:
Szia reteck,
Nekem SR2 B201FU-m van, és mivel épp eggyel kevesebb kábelem van, mint kellene, ezért soros kábelt építek (már csak a fenti kérdéseimre várom a választ és minden oké lesz), de a tiedet is szívesen kipróbálnám. Addig is a fenti kérdéseimre tudnál vetni egy pillantást? Ha gondolod, akkor a tesztet megbeszélhetjük, Fóton dolgozom és Veresegyházán lakom, tehát ezen a tengelyen vagyok alapvetően elérhető. Üdv, Szücsi
sziasztok,én azt szeretném megkérdezni,ha sikerül valakinek egy kábelt építeni,nekem építene eggyet,és mennyiért.Én csak egy hobbis vagyok,és ijen dolgokban már nem merülök bele.Ha valaki segítene rajtam előre is megköszönöm.
Üdv Jánostól.
Szia gombos0!
Ha működni fog, akkor szívesen építek eggyel többet. Az árat még megbeszéljük (anyagköltség nem több egy ezresnél, plusz posta, plusz egy hatos sör?). Mivel én is hobbizom, ez egy jó alkalom arra, hogy újból nekifogjak idehaza nyákozni ![]() Sajnos garanciát nem vállalhatok, és az okozott károkért sem fogok tudni felelni, viszont "kiszállítás" előtt letesztelem majd a sajátomon. Ha valaki más jelentkezne, akkor fogadd el az ajánlatát, mert egyenlőre időt nem tudok mondani. Lehet, hogy két hét, de az is lehet, hogy egy hónap mire elkészülök, ui. az enyémmel együtt fogom csinálni, így a két nyák egyszerre lesz meg. Ha már te is hobbizol, esetleg küldjem-e kitben, hogy megmaradjon az építés/forrasztás élménye? Üdv, Szücsi
Uraim, jelzem, hogy nem működött a fenti bekötéssel az SR2 CBL01 kábelklónom (pid1951 kapcsolásával, 4N25 optókkal, 4-5 láb megfordítva). A Zelio Fault 058-cal csak villogott bután, amire a kézikönyv is csak annyit mondott, hogy firmware hiba, és hogy frissítsem, mer' az jót tenne neki. Hehe, frissítsem a firmware-t, de még csatlakozni sem tudok...
Majd ha csemete enged dolgozni rajta, akkor visszafordítom a 4-5 lábakat (de kétlem, hogy ez segítene), illetve megpróbálom kombinálgatni ciw rajza alapján a lábakat. Segítsetek, hogy legyen nekem és gombos0-nak is kábele!
Bízzunk reteck kábelében, és hogy sikerül leszervezni a kábelének a tesztelését!
Épp szétszedem a PLC-t, az eredményekről hamarosan beszámolok, egyelőre bizakodom!
Nem megy. Viszont a PLC fut a régi applikációval, mintha mi sem történt volna, és nem ad hibát. Ez egy kicsit aggaszt.
Ma este összedobom sanzol illesztőjét a próbapanelen, eredményekről beszámolok. |
Bejelentkezés
Hirdetés |




)









