Fórum témák
» Több friss téma |
Fórum » Ellenállásillesztés
Témaindító: daniel_palfi, idő: Ápr 13, 2011
Témakörök:
Sziasztok!
Kellene építenem egy áramkört, de mivel nem tudom megtervezni kellene a segítségetek. Feladata a következő lenne: Van egy jeladó és egy érzékelő egység. A probléma az, hogy míg a jeladó 0-100 ohm között mér lineálisan, addig a vevő 200-0 között mér. Így mikor összekötöm az analóg érzékelő egység pontosan fordítva mutatja mint a valóság, valamint pontosan a felét. Cél az lenne, hogy invertálni kellene a 0-200 tartományban az ellenállást, de előtte a jeladótól származó ellenállás értékét meg kellene szorozni 2-vel. Tehát: ahhoz hogy a mutató 0 mutasson: 200ohm kell rákötni, 100% hoz pedig 0 ohm szükséges A jeladó így működik 100% van 100 ohm 0% esetén 0ohm Mit kellene építenem, hogy működjön?
Hát kapásból azt mondtam volna, hogy végy egy műveleti erősítőt invertáló alapkapcsolásban, állítsd az erősítését kétszeresre, és kész...
Viszont te csak ellenállásokat adtál meg, és arra nem nagyon van ötletem, hogy feszültségek és áramok nélkül hogyan tudod megoldani ezt a feladatot
Esetleg a vevő alakja formája,típusa.Lehet egyszerűbb azt átalakítani.
Üdv!
Ha ez egy ellenállás mérő műszer, akkor nyilván az ellenállás értéket feszültségre konvertálja. Szerintem az adóegységet kéne átalakítani. Ha úgy van, hogy a 100% hoz egy adott feszültség tartozik, és a 20%-hoz ennek 1/5 része, akkor Az ellenállás-feszültség "konverter" és a jeladó továbbító része közé kellene tenni egy herkentyűt, ami: a 100% hoz tartozó feszültségből vonja ki az aktuális ellenállást (feszültséget), majd ezt megszorozza kettővel. Tehát műveleti erősítőkkel elvben megoldható. Először előállítod a 100%-hoz tartozó referencia feszültséget. Egy másik műveleti erősítővel a mért értéket (amit remélhetőleg feszültségre át van konvertálva) megszozod -1 -gyel (tehát ahogy kaszarober4 is írta: fázisfordító műveleti erősítő kapcsolás Au= -1 erősítéssel) , majd ezt hozzáadod a referenciához egy műveleti erősítős összeadó áramkörrel. Ezzel az áramkörrel (vagy belátásod szerint egy harmadik műveleti erősítővel) az összegnek a kétszeresét veszed.
Azért, mert elnéztem a "legfelső" hozzászólást (ami általában a kérdezőé).
Bocsánat, Pálfi Dánielnek akartam írni.
Digitális megoldás: a szenzort feszosztóba kötöd, egy uC ADC jére rárakod, a progi elvégzi az átalakítást. Az uC egy digipotit vezérel, ami mehet az érzékelôre.
Végül is nekem is szól, mert tegnap óta filozofálgatok magamba, hogy létezik-e ellenállás, mint fogalom, önmagában, feszültség és áram nélkül, és ha létezik akkor az egyik ellenállás változása elő tud-e idézni a másikban kétszerakkora változást? Létezik-e ilyen eszköz. Még arra is gondoltam, a kérdéstől elrugaszkodva, hogy akár egy 100KOhmos poti egy fogaskerékkel meghajt, egy 200kohmosat
![]() moltam válasza már nagyon közel áll a probléma tökéletes elméleti megvalósításhoz! Tudom, mostanában kicsit szétszórt vagyok...
Nekem valami programozásmentes megoldásra lenne szükségem, nem tudok égetni se pick-et se egyéb dolgokat, max tűzön...:S A műveleti erősítővel, hogyan lehetne megoldani konkrétan ezt az esetet?
Köszi előre is a segítségetek
Nagy segítség lenne az adóról meg a vevőről legalább valami.Ez nagymértékben egyszerűsítené a dolgot.
Mivel az ellenállást valamiféle feszültségosztóval méri a legtöbb műszer,ezért a kapcsaira adott megfelelő értékű feszültséggel szerintem el lehet vele hitetni , hogy a neki megfelelő ellenállás van rajta. (lásd multiméterrel feszültség alatti ellenállásmérés)
Szia!
Egyszerűbb lenne ha elmondanád mit akarsz és mire kell az áramkör...Lehet lesz belőle egy döglött topic, megoldás meg nem... Mindig a konkrét célt fogalmazd meg és akkor van megoldás! bgsf
Idézet: „Van egy jeladó és egy érzékelő egység. A probléma az, hogy míg a jeladó 0-100 Ω között mér lineálisan, addig a vevő 200-0 között mér.” Hőmérő? Ne görcsölj vele! Jeladócsere és az a legegyszerűbb! Ha meg más dolog akkor is! Jobban, olcsóbban, gyorsabban megúszod....
Gáztartály szintmérő, én inkább nem nyúlnék bele....
Amúgy a cél az, hogy összekötve a jeladót a vevő egységgel működjön. Mivel vevő egység egy analóg műszer és kicsi a mutatója ami 0-1/2 között mér nem olvasható le, hogy mennyi is van benne pontosan. Ezért szeretném kihasználni a teljes tartományt.
Akkor csak gyári és szakember papírokkal és pecséttel! Felelősség pedig az övé...
Azt a részét, hogy kié a felelősség azt megoldom, nekem csak egy kapcsolásra lenne szükségem, amivel el tudnám érni a célomat. Azért köszönöm a hozzászólásokat...
Ha a műszer szétszedhető , kikötöd a műszert ,és egy egyszerű műveleti erősítős áramkörre kötöd . Ha nincs fix helye a műszernek akkor lehet egy nagyobb műszerre is kicserélheted,a régit meg hagyod békében.
Szia!
Meg tudnád mérni, hogy 200 ohm ellenálláson mekkora feszültséget kelt a mérő berendezés?
Sajnos a műszer adott és nem szétszerelhető. Az ellenállás esetén fellépő feszültséget holnap kimérem és közzéteszem.
Szia,
a feladat aránylag egyszerűen megoldható,megfelelő pontossággal: A 100 Ohmos érzékelő ellenálással impulzusszéleség modulálni egy 555 astabil multivibrátort amely szabványos szervo jelet produkál... Egy miniatűr proporcionális szervomoci tengelyét összekötni a 200 Ohmos lin potival...
Szia. Kiindulva a gáztartályok jellemző alakjából, nem hinném, hogy egy lineáris jeladóval megúszhatnád a feladatot mikrokontroller nélkül. Ugyanis a nyomásállóság miatt a tartály alakja távol áll a tégla-testtől, ezért a gáz szintje nem arányos a térfogatával. Feltételezem, hogy inkább az utóbbira lennél kíváncsi...
Szia!
A messzehordó megoldásokba bonyolódás helyett én a következőt tenném: -betennék mégegy távadót,sorosan a másikkal. -a műszert "tükrözném"; átskáláznám.
Sziasztok!
Megmerétem a vevő egységet, 5v feszültségkülönbség jelent meg a signa és a föld között, áramerőssége ~0,07A. Nekem eddig a legszimpatikusabb az lenne, ha egy műveleti erősítővel meg lehetne szorozni az ellenállás mértékét 2-vel. Bonyolultságtól függően pedig az invertálást...
Itt minden megtalálható! Jó olvasgatást, tanulást!
Nem igazán azt mérted szerintem amit kértek.A műszer bemenetére tegyél 200 Ohm-ot -az érzékelő helyett- ,és ezen mérj feszültséget.Esetleg 100 meg 50 ohm terheléssel is kimérhetnéd. (5V/0.07A az sehogyan sem jön ki 200 ohm-ra.)
Szoval a jelado mer (?) linearissan 0-100 Ohm kozott ahol a "vevo" nem mer linearissan .A vevo 200-0 kozottt mer linearissan.
Amibol te irtal arra a kovetkeztetesre lehet juni hogy merjel a vevovel ha neked az felel meg vagy ne hasznald eleg ha a jelasdo "mer" minek ketszer merni ?. Szoval mindenki mer ebben a kapcsolasban ( meresi verszeny ..ki mer tobbet). Az ellenalast erteket igy kell megszorozni 200x 2=400 Lehet epiteni mindenfelet ..nem akarok tippeket adni ... De ha ideirnad mit csinalsz te tulajdonkeppen , milyen ezrzekelorol van szo es milyen kijelzo vagy fogado atalakito aramkor .Valoszinuleg kell egy masik "jelado" ( ezrekelo) az adott kijelzohoz. Ha szejjel lehet szedni a kijelzot ( analog muszeres ) passziv ...es ha van benne sont ellenallas vagy valami elooszto akkor erzekenyebbe lehet atalakitani az ellenallasok ertekenek megfelelo cserejevel. Ha nem eleg erzekeny akkor kell egy "impedancia" illeszto kapcsolas ( emitterkoveto tranzisztorral , vagy feszultsegkoveto IC-vel ) .ezeket elott aztan lehet feszultsegosztot hasznalni huogy a skalahoz igazitsad a vegkiterest .( IC eseteben eseteg a visszacsatolas allithato ..).Invertalas ugy tranzisztorral mint IC-vel szimplan megoldhato. Kapcsolasi rajzokat talasz "elektronikus voltmero" cikkekben, esetleg elektronikus multimeter Ohm-mero kapcsolasat hasznalni ha az "jelado" kimeneten egy ellenallas valtozas erzekeklehto, Le kene irnod mit is hasznalsz mifele kapcsplasok ..katalogus adatok ,,,stb..
Ilyesmi kell gondolom :
Bővebben: Link
Szia, nem irtad milyen tartalyrol van szo.
Ha lakossagi PB.tartaly akkor fordulj a szolgaltatohoz, nem hiszem hogy dijaznak a buheralast a tartalyjon. Ha jarmuben van akkoris a jelado gyarikijelzojevel hasznalhato csak. Egyebbkent minden ilyen barkacsolot fel kell jelenteni kozveszely okozasert. Robbanasveszelyes helyeken ugynevezet szikramentes tapegysegeket alkalmaznak. Ezeknek a par miliamperos kimeneti terhelhetosegehez vannak kialakitva a muszerek. Mas tapok nem hasznalhatoak.
Szia!
Járműben van a tartály és én se terveztem nagyon belepiszkálni a jeladó részébe. Jelenleg van 4db led ami világít egy bizonyos szintnél. Ami a konkrét problémám, hogy ezek a ledek össze vissza világítanak, mivel a hivatalos beszerelőműhely képtelen volt megbírkozni a gyári rendszer normális telepítésével. Így gondoltam, hogy a jelet rákötném a műszerfalon lévő kihasználatlan műszerre (olajnyomásmérő) így legalább pontosabban tudom besaccolni, mennyi is lehet a tartályban... Köszönöm a figyelmeztető tanácsokat, de ha ez zavar titeket, akkor csak annyit mondanék, hogy magam szórakoztatása érdekében kellene egy invertáló, erősítős áramkör...
Szia, nem ijesztgetesnek szantam. Ha a beszerelo muhely nem bir vele reklamaljal ezert van a fogyaszto vedelem. Az olajnyomasmerod ha hoszalas rendszeru akkor meglehet probalni a ket kivezetes felcsereleset a muszeren, de ettol meg a 2 szeres elteres nem szunik meg. Javaslatom lenne persze, nez szet a kivezerles jelzo topikban, UAA180 megfelelo bemeneti osztoval jo megoldaslehet szamodra.Az ne zavarjon ha a ledeket forditot sorrendben kell beepiteni.
Szia!
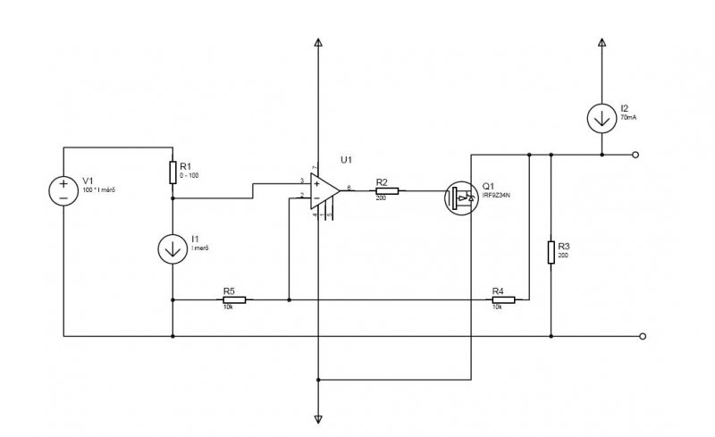
Szigorúan csak az áramkör feladatára koncentrálva - a mellékes körülményektől (gáz, szikramentesség, stb) eltekintve... A feladat egy vezérelhető áramgenerátorral oldható meg. Ki kell építeni a mérőkört a 100 ohm -os műszer (R1) részére, a lineáris skála érdekében egy áramgenerátorral hajtsuk meg (I1). Ebben a körben meg is oldhatjuk a skála meredekségének megfordítását, a jelet nem a műszerről, hanem az áramgenerátorról vesszük le. A V1 segédfeszültséget úgy állítsuk be, hogy az áramgenerátoron eső feszültség 0V legyen a műszer maximális ellenállásánál. A kijelzőben is van egy áramgenerátor (I2), aminek az árama hozzá illő érzékelő 0 .. 200 ohm ellenállásához illeszkedik, 200 ohm esetén 14V feszültséget kelt az érzékelőn. A feladat, hogy az áramot vagy egy részét ne az érzékelőt helyettesítő ellenálláson (R3) vezessük át. Az U1 erősítő úgy vezérli a kimenetét, hogy a - és a + bemenete között nem legyen potenciál különbség. A Q1 gate feszültségének változtatásával az áram egy részét a negatív táp fele irányítja, így csökkentve az R3 -on eső feszültséget. - Tegyük fel, hogy a + bemeneten növekszik a feszültség: A Q1 gate - source feszültsége csökken, a rajta átfolyó áram csökken, az R3 -on a feszültség nő, míg el nem éri a R5 - R6 közös pontja a + bemenet potenciálját. - Tegyük fel, hogy a + bemeneten csökken a feszültség: A Q1 gate - source feszültsége megnő, a rajta átfolyó áram növekszik, az R3 -on a feszültség csökken, míg el nem éri a R5 - R6 közös pontja a + bemenet potenciálját. Sajnos a rajzról lemaradt az erősítő tápja... (7 +táp, 4 -táp). A feszültségeket a kimenő kör 14V -os szintjéhez kell igazítani - az alkalmazott erősítő kivezérelhetőségével is számolva. Természetesen a V1, I1 generátorok további áramköröket igényelnek. Továbbá az érzékelő és a kijelző kivezetéseit a nemkívánatos túlfeszültségektől meg kell védeni.
Köszönöm az értékes válaszokat
Jelenleg ott tart a projekt, hogy összekötöttem az adót a vevőt minden elektronika nélkül... |
Bejelentkezés
Hirdetés |






