Fórum témák
» Több friss téma |
Szia!
Az csak egy sima 9V-os kimenet, "hátha kell valahova még tápfesz" jeligével tettem bele, volt hely hozzá. Alapvetően funkciója nincs, el is hagyható.
Szia!
Hát sajnálom, hogy döcögősen indul a project. Tudom nem vigasztal, de nem egyszer jártam így, zömében pusztán a figyelmetlenségem miatt. De hajrá, és várom a fejleményeket!!
nem tesz semmit! amúgy hogy haladsz vele? Remélem jó lesz.
Egyelőre fejben van az új verzió amibe a spirographot szánom de mivel mindjárt itt a vizsga időszak nem tudom hogy mikor lesz kész teljesen. Remélem azért hamar össze áll és akkor erről teszek fel képeket.
Összetákoltam a motyómat. Kell még cserélni pár ellenállást és be kell állítani, de sima sugárjátékra már jó
![]() Bővebben: Link
Hali.
Alakul jóó lesz az, gratula, és várjuk a képeket, addíg is megtudhatom hogy milyen arányban vannak benne a lézerek (mW)?? Közben haladok én is szépen a sajátommal, a doboznak már csak a teteje hiányzik, jövőhéten reménykedek meglesz az elektronika (dac, áram gen.) is, utánna már össze is tudom rakni Bővebben: LinkÜdv Gábor!
Köszönöm. A Te a cuccod is szépen halad.
A lézereim: piros: 16X DVD dióda UV/Lila: kb 150mw Zöld: újra beállított pointer 300mW infrával Az UV kevés hozzá ha a többi fel van tekerve. Ha lesz pénzem normális kékre akkor lecserélem. Ha nem akkor így marad
Az ígért képek. Dobozolás előtt, kábeldzsungellel
Jól néz az ki!
Sikerült nekem is nagy lépeseket haladnom az ver.2.0 dobozkával,hétvégén fotogén állapotba kerül. Egyenlőre még aktiv lézerek nélkül.
Sziasztok!
Hol lehet ilyen "dolgot" venni ami így széttöri a lézer fényét? És mi ennek a pontos neve?
Mezei CD-vel is lehet hasonlót csinálni, próbáld ki! :yes:
Mostanában elég sok munkával töltöttem a szabadidőm, íme az eredmény.
Plusz még pár.
Munka közben. Köszönet rengeteg leírt segítségért és persze Collector-nak a modulokért!
Következő projekt egy rgb, szépen lassan ahoz is gyűlik az anyag és az információ.
A haladás nem állhat meg!
Nagyon ügyes,szép munka Bár nekem nem fém és nem is három,de a doboz majdnem kész,ez a második,javitott verzió.Kisebb,kompaktabb,szebb .Bár ez csak fából van.
Nagyon jó lesz! szépen össze fog állni! És persze köszönöm te segítséged is! Rengeteg mindenben segítettél!
Sziasztok!
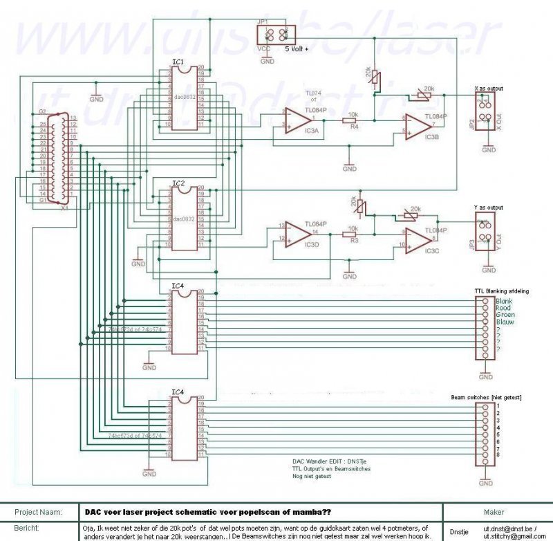
Lenne egy nagyobb problémám az általam megépített DAC-al. A mellékletben található kapcsolást használom és mivel aszimetrikusba, ezért az R4 és az R9 elől veszem le a jelet. A program NLS. Jelenségek: a programba ki tudom választani a dac 0832-t, ellenörzés után minden egyes IC megkapja a tápot, a lézer kimenetek működnek, a gép és a dac közötti kábelt többször is átnéztem, elméletben minden jónak tűnik. Viszont szkópra ráakasztva 20-50 mV van a kimeneten és az is egy nagy rakás zaj. Esetleg valakinek van ötlete mi lehet a gondd? Csatolok mindent a könnyebb áttekinthetőség érdekében.
Most ahogy elnézem, véletlenül nem a hibás nyákot épitetted meg? Amit szebence is. Nem ez az ahol nincs bekötve a gnd? Mert ezen a nyákterven csak a kondikig ér.
Azt észrevettem. Az elején az lm324 azért nem kapott tápot. A rész áthidalva de így is ugyanaz a helyzet. Annyi módosításra volt szükség, hogy a betáp gnd-t rá kellett kötni a 7805 gnd-jére és onnan minden megkapja azt.
Látom ide jött át a dolog, ezt írtam nemrég.Bővebben: Link
De ahogy nézem itt a nyákterv fent. Nézegetve, szerintem is ez az első, amit Bence készített, és emlékeim szerint több sebből vérzett, úgy drótozta át pár helyen, hogy menjen. A kábelnál én is az egyenes bekötést javaslom, úgy biztos jó!
Én megértem, hogy nem szívesen kísérletezel. Én a mellékelt dacot használom. A jel ezen is a 2-9 lábakon megy akárcsak a te verziódban. Nekem az egyenes kábel jött be. Ahol minden vezeték át van forrasztva. Ezért ajánlom annyira.
Egy próbát szerintem mindenképp megér. |
Bejelentkezés
Hirdetés |




























