Fórum témák
» Több friss téma |
Fórum » TV hiba, mi a megoldás?
Sziasztok! Tudna nekem valaki segíteni? Van egy régi PHILIPS tévé fadobozos de a tipust nem tudom nincs rajta. Az a gondja mintha a nagyfeszültségű halkan fütyülne, készenlét nincs,zárlatos alkatrészt nem találtam. Egy mérési ponton ahol 140 voltnak kellene lenni ott csak 50 volt van.Lehet a sokszorozó rossz? Ha igen azt hogyan tudom megállapítani? Vagy még mi lehet a baja? Köszi a segítséget.
Akkor, még egyszer nézd átt az 1µF-os kondi környékén a diódákat, ellenállásokat, és mérd meg mennyi sortáp feszültsége. A kondit könnyen fordítva is bele lehet tenni.
Én úgy szoktam kipróbálni a sokszorozót, hogy lekötöm az egészet. 3-4 ponton van csak bekötve. A képcsőre menő nagyfesz. rózsát nem kell levenned. Viszont, mikor a sortrafóról forrasztod le, nagyon vigyázz, mert könnyen leolvad a forr szem, és az is mehet a kukába.
Bocs! De ez már egyben van a sokszorozó a sormeghajtó trafóval. Rosszul kérdeztem meg. Lehet akkor az a gond sormeghajtótrafó? És ezt hogyan tudom megnézni?
Egyszerűen kiméred trafó teszterrel.
Oké! De még nem sikerült megcsinálni sajna.
Másal nem tudod kimérni egyszerűen. Már mondtam először szerszámozd fel magad. A szerelők is sokszor találgatnak, és megveszik feleslegesen a sortrafót mert azt hiszik az a baja. Műszerrel meg 2 perc. Kb 1500ft-ból meg van egy műszer. Írhatok én neked hogy ezt meg azt nézegesd, de vagy bejön vagy nem. Amióta kínlódsz a tv-vel már meg is építhetted volna.
Tudnál nekem majd de mondom majd össze állítani egy két műszert,vagy te megcsinálni ha ráérsz összeállítani és megbeszéljük a részleteket akkor privátban ha te is úgy gondolod. Köszi előre is!
Szia!
Magadnak kell megépíteni, mert abból is tanulsz.
Találtam egy diódát , mindkét irányban vezet .
A tipusa HER 06 SIYU . Sajnos nem tudom mivel lehet helyettesíteni . A neten nem találtam róla semmit sem . Méretileg akkora mint egy 1N4001-es .Tudna valaki ebben segíteni ? Előre is kösz .
Az HER106 lesz.Helyettesítő fent és lent
Bocs . Találtam egy másik diódát a panelen és azon jobban látszik a felirat : HER 106 a tipusa és megtaláltam a neten . 600 V 1 A
Oké! De vannak olyan gondok hogy a rajz nem minden részét értem.Olvasásában tudnál majd segíteni ha kell?
Van egy kombinált műszerem, melyben van ring (trafó-eltérítő tekercs-ew tekercs-demagnetizáló tekercs)teszter, infra teszter, L-C-ESR mérő, Zéner teszter, alkatrész teszter(dioda-fet-triac-thyristor-transistor) Fél évig terveztem, hogy minden egy műszerben legyen, és kicsiben. Ha érdekel komplett össze szerelve, akkor privátban írj. Persze elötte spórolj.
Mindent tud szinte ami egy komplett szervíz műhelyben sok kis műszer tud. És a nagy előnye, hogy hazai, könyen beszerezhető alkatrészekből van. Ezzel már tudsz indúlni.
Kicseréltem a diódát BYV26 C ment bele . Ez is 600 V 1A
Bekapcsolás után kb 2 mp múlva elfüstölt az 1mikrós kondi és kiment a sorvégfok egyik diódája is . Jelenleg ezeket cserélem .
A C714 jó az 1 µF mellett, nem szakadt? A sortápfeszültség is lehet magas, ez is okozhatja az alkatrészek ellövését. Érdemes lenne mindegyik szekunder oldali tápelkót cserélni, legalább egy próba erejéig.
Sziasztok.Volt már téma itt az LG Flatron Model:29fb5rlx típusú tv-m.A gondom az vele,hogy lilás lesz a képe egy idő után.Kontakt hiba kizárva,képcső jó.Félre volt téve és most újból nekikezdtem.Leszedtem a képcsőpanelt amit a melléket képen látszik is.Kimértem rajta egy kerámia kondenzátort ami rossz és még 1 RADIAL 1.5KV 5MM ellenállást.A képen be is karikáztam.A kerámia kondit megtudom rendelni,de a radial-al gondban vagyok,mert nem tudom hogy keressem.Ellenállásként vagy hogyan???
Ha valaki tudja a választ kérem írja meg. Ui:Nem vagyok profi tv szerelő(csak kezdő,de nagyon)azért kérem a segítséget. Köszönöm.
Szia!
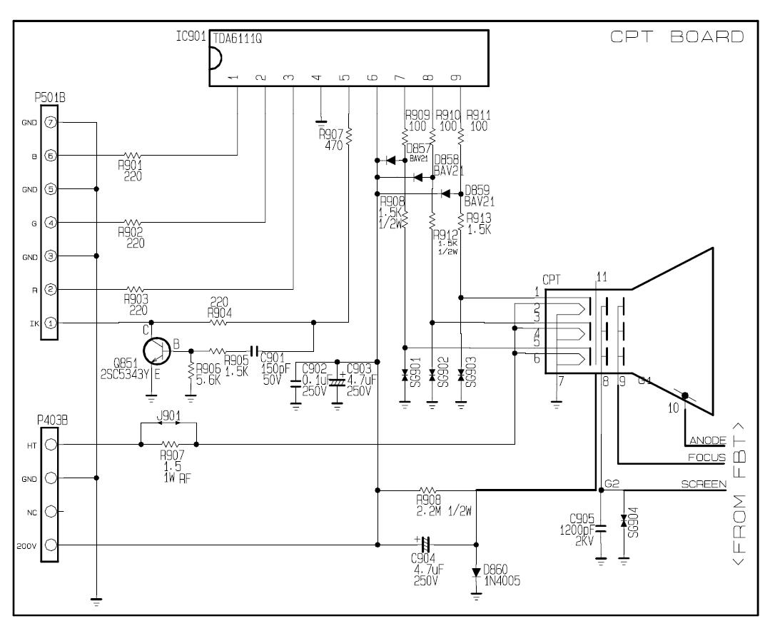
Az nem ellenállás, hanem egy üvegtokos szikraköz. Az akkor jó, ha szakadást mész rajta. A rajzon SG904-es számmal szerepel.
Keress hozzá rajzot, azon rajta van az , hogy az mi. Lehet dióda, de lehet túlfesz szikra köz is. A képből nehéz kivenni. A kerámia kondinak mi a baja, azért az érdekelne, meg az értéke is.
És hogy miért SG a neve a rajzon? Azért, mert angolul a szikraköz Spark Gap.
Na igen,akkor meg is válaszoltad magadnak
elektromosnak: Egyébként a kerámia kondinak nem tudok értéket mérni,mert meg sem moccan a műszer sem ellenállás fázisban sem pedig OHm állásban. Az üvegtokos szikraköz nem mutat szakadást,nem sípol a műszer,de még csak ott sem moccan pedig a 901,902,és 903 mérhető.Okozhatja ez a lilás képet??
Ohm-mérővel nem fogod a kondit kimérni. Ha csak nem zárlatos. Kapacitás mérövel mérd ki. Tegyél fel egy jó képet arról a lilás képről. Lehet inkább a video végfok IC-vel lesz a gondod.
Ahhoz előbb kéne egy olyan multimétert vennem ami rendelkezik kapacitásmérési funkcióval
Sajnos az én műszerem azt nem tudja.
Akkor honnét vetted, hogy rossz az a kondi? A képcső panelen van még pár ellenállás, azokat is kimérted? Azokat meg tudod mérni, mert Kadarist, mellékelt neked rajzot is.
Pillanat csinálok képet és felteszem.
A szikraközöket kiforrasztva mérd ki, mert beépített állapotban belemérsz még egy csomó mindent is.
A képcsőpanelen az összes ellenállást kimértem.A többi jó volt és a maradék 3 szikraköz is.Kivéve az ic-t nem mértem,mert azt nem tudom,hogy egyáltalán lehet-e.
Itt vannak a képek.Villog is a kép néha rendesen.
|
Bejelentkezés
Hirdetés |






elektromosnak: Egyébként a kerámia kondinak nem tudok értéket mérni,mert meg sem moccan a műszer sem ellenállás fázisban sem pedig OHm állásban. Az üvegtokos szikraköz nem mutat szakadást,nem sípol a műszer,de még csak ott sem moccan pedig a 901,902,és 903 mérhető.





