Fórum témák
» Több friss téma |
Egy A osztályú erősítő egyébként is kicsit loudness-esen szól, tehát érthető, hogy hiányolod a mélyet. Sőt, lehet van benne beépített, vagy állítható hangszínszabályzó. Egyébként elképzelhető, hogy most lineáris az átviteled, és ez a furcsa. Szerintem nincs gond a TDA7294-93 IC-kel.
Valamelyest hozzá szoktam már de nekem ez akkor sem tetszik nem "él" a zene ,persze ez saját vélemény!
Nem fikázom mivel a teljesítménye meg valami hihetetlen akkorát tud szólni ,hogy el sem hiszem ,egy házibulit lazán lehet vele tartani erre a célra tökéletes a borda totál nem melegszik fel nagy hangerőn sem és +/- 40 voltól megy.Legalább ezt is megpróbáltam és tudom,hogy vissza kell térnem a tranyós végfokokhoz. Mellesleg,ha valakinek szüksége van két d-audios megépített 7293-ra akkor ezt elég jutányosan továbbadom. Garanciát is vállalok és képeket persze mellékelek ,ha érdekel valakit!
Sajnos ez az IC nem szereti a fél tápot.
(Szerintem másik se.) Sikerült ma kinyírnom egyet.
Üdv!
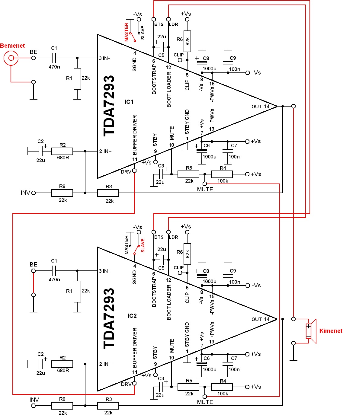
van 2 db 7293 Kitem és szerettem volna hídba kapcsolni de sajna 8Ohmon lehet a leírás szerint én 4Ohm os hangszórókat hajtanák vele autóba kapcsolóüzemű tápról. Láttam hogy lehet párhuzamos kapcsolás is. Csak a vélemények eléggé megoszlanak. És el kéne döntenem hogy párhuzamos járatásnál +-30V vagy +-40V de láttam +-50V is. a tápegysék kimenetét be tudom lőni fix feszkóra de mégis mennyi legyen? Ha párhuzamosan járatom akkor 2db kapcsoláson elméletben felfogatható THD mellet 160W tud így. De mi van akkor ha 3 kitet kötnék párhuzamba? 240W? Ez reális?
Lehet fokozni a teljesítményt. Ennél az IC-nél a hűtés nagy odafigyelést igényel. Autóban a hűtést biztosító környezeti levegő hőmérséklete is korlátokat szab nyáron. Egy IC-re 50W-nál nem számolnék többet.
Mekkora teljesítménnyel tudod/szeretnéd hajtani az erősítőt?
A hőtésre komoly hűtőbordákat illetve külön ventiket tervetem. A bordák teljesen el lennének szigetelve a paneltől tehát csillám nélkül kerülnének rá az ic-k.
A kapcsolóüzemű tápegység 500W tud leadni sajnos a trafó nem bírná. Kezdésnek 2 kitet gondoltam párhuzamba 160W de ha nem elég inkább 3 240W
Szia! Bocs hogy csak úgy ide pottyantam.
Régebbi RT ben olvastam a párhuzamosításról . Ott minden egyes erősítő egy néhány tized ohmos ellenállásra dolgozott majd így csatlakozott a hangszóróra. és pontosan egyformára be volt lőve egyformára az erősítésük. Na mindegy ,szerintem merész ez így. Szaisztok.
stk4050v :
Inkább csapj hozzá 1 kithez 2db tranzisztort, azt jobban meg fogják hálálni. Az a legegyszerűbb, legolcsóbb, és talán még a hangja is jobb lesz. Csak arra figyelj, hogy a tranzisztorok jó közel legyenek az IC-hez, és jól fel tudják azt melegíteni. Így a termikus védelmet is ki lehet pipálni.
Ezt próbáld meg. Kicsit szokatlan formájú a rajz, de korrekt. Amit csatoltál az sajnos nem az igazi.
Szia! Ezt az IC-t ilyen párhuzamosításra tervezték.
Ret ből volt rendelve a kit csomag és szerncsémre stimmel az általad ajánlottal (ugyan az majdnem)
a kimenten elég egy sima lábas ellánálás és egy fólia kondi? Ezt a kapcsolást csináltam meg
Az ellenállás legyen 1/2W-os.
A TDA7294 rajz, hogy kapcsolódik ide?
tökéleten müködik benne 7293 is :yes:
Köszönöm a segítséget!
Működik, de a TDA7293-nak van egy külön lába a feszültségutánhúzásra, azzal jobban kivezérelhető. A rajzon látom tervbe vetted a clip kimenet felhasználását. Nézd meg az adatlapját, egész kevés áram szolgáltatására képes, ledet inkább emitterkövetőn keresztül hajts meg vele.
Mi az a feszültségutánhúzás, és hogyan működik?
A meghajtó fokozat tápfeszültségét egy nagy pufferelkóval (az áramkör áramfelvételétől függ, tehát ne nagy kapacitásúra gondolj, hanem relatíve nagyra) megtartják, megfogják a kimenethez képest. Általában ezt a feszültséget egy sorbakötött diódán keresztül kapja meg a meghajtókör a tápfeszültségből (vagy egy nagyobb ellenálláson keresztül). A relatíve nagy elkó miatt ez a tápfeszültség minden pillanatban mozog a kimenőjellel együtt.
Mikor a max. kivezérlés környékére ér a kimenő feszültség, akkor egy hagyományos felépítésű végfokban elfogy a meghajtó tranzisztorok feszültsége és árama, mert ki kellene nyitniuk teljesen tápfeszültségre, de a bázisuknak, hogy ez megtörténjen, nagyobb feszültség kellene, mint a tápfesz, ami természetesen nincs. Itt jön a képbe az elkós utánhúzó, aminél a meghajtó tranzisztor tolja felfelé magával a tápfeszültségét. Így, mikor a kivezérlés a tápfeszültség közelében van, az utánhúzó kör tápfeszültsége nagyobb, mint maga a "rendes" tápfeszültség. Így lesz elég áram a meghajtó ranzisztornak. A soros dióda pedig közben lezár, amíg ez így van. Mikor lecsökken a vezérlés, a dióda ismét kinyit, és feltölti vissza az elkót. Huhh... ez bonyolult lett... remélem, érthető lesz.
én azt nem értem hogy 4Ohm on elméletben +-29V ír a leírásba. Ha sorosan kötöm és 4Ohmon ráadom a +-40V tápot nem fog elfüstölni?
Köszi a tippeket sokat segítesz Ami a legjobb nem lesz neki fémdoboza hanem néztem kajásdobozt olyat ami állítólag 120 fokot bír. Sajnos a kocsiba nem tudom védőföldre tenni és nem lenne jó ha 80V kergetőzne a házon véletlen ![]() Mikor próbáltam a kapcsolást kaptam egy nagy hifis sráctól egy 300W 8Ohm os hangszórót (legalábbis ez volt ráírva) kb. maxon (100W körül) jártam mikor füstkarikák kíséretével a "300W" os hangszóró elhullot. Van kilátásba egy újabb 4Ohm os csoda. A srác szerint 1000W bír én utána néztem 600W/260W írtak rá. Ugye még mindig 3 kapcsolást akarok párhuzamosan kötni azt én 240W saccolom kb ..... ![]() U.I.: többi fórumlakónak! Ha ezen a 200W párhuzamos járatáson jár az fejetek kérjetek valakitől help-et a hűtés miatt is pl! Tisztelet a kivételnek
üdv!
Nem értem amit írsz. Mit kötsz sorba..? Mi a kérdés a 40V-tal? Az IC bírja, ha +-40V -tal táplálod 4ohm terhelés mellett. Pusztán az van, hogy egy része fölöslegessé válik--> fölösleges hőtermelés. A tápfeszlimit azért van terhelőimpedanciához igazítva, hogy a SOA -ban maradj. (adatlapot nézegesd szorgalmasan, főleg a diagrammokat) Viszont ha párhuzamosan kapcsolod az IC-ket, akkor nyilván a disszipációs teljesítmény is egyenlő részben oszlik meg, így megnő a SafetiOperationArea. 240W kimenő teljesítményhez pedig a 40V nem hogy sok, hanem még kevés is! Én 46V- tal próbálkoznék, ha már párhuzamosan vannak kötve (3db)
bocsánat párhuzamos.
"Continuous output power:Folyamatos kimeneti teljesítmény d = 1%, RL = 4 Ω, VS = ą29 V 80W" Elméletben +-29V megy 4Ohm on szerintem a +-40V is sok de ez felett tuti h robban vagy nem?
Nem, nem tuti a robbanás. Sőt, +-43V-ot garantáltan elbír 4ohm terhelés mellett.
Nézd meg a diagramokat! Ha 1db TDA7293-at használsz, akkor 29V -ról 80W-ot ad. Igen... De ha adsz neki még egy kis feszültséget (mondjuk +-35V-ot) akkor 80W-nál több is ki fog jönni. Ha pedig több IC-t kötsz párhuzamosan, akkor 29V tápfeszültség mellett nem lesz jelentős teljesítménynövekedés, mert ekkor már a kimeneti feszültség (és nem a disszipáció, és nem a kimeneti áram ) lesz a korlátozó tényező (még 4ohmnál maradva)! Vegyél elő egy papírt és ceruzát és kezdj el számolni. U=I*R P=U^2/R Peff=Ueff^2/R = U^2/(2R)
ha jól értem te most arra akarsz rávezetni ha +-29V használok akkor jobban járok ha 4Ohmon hídba kötöm?
Nem.
A hidalást végképp felejtsd el! Arra akarlak rávenni, hogy HA párhuzamosan kötöd az IC-ket, akkor nyugodtan menj 40V -ig a tápfesszel.
Rendben.
Azt hiszem kell csinálni egy panelt A kitet elég kókány módon lehetne csak átalakítani
Figyu!
Miért nem teszel inkább a már meglévő paneled mellé még 2 tranzisztort+2 ellenállást..? Sokkal olcsóbb lenne, és egyszerűbb!
ezek a tranyók 2200 db ami nálam min 3000Ft/db
Nos?
Szia! Egy kis segítség a méretezéshez. Tapasztalataim szerint az IC kimeneti csúcsfeszültsége a tápot 4V-ra közelíti meg, a teljes tápfeszültséget figyelembe véve 8V a maradék feszültség. Vegyük példának a +/-40V tápot, ebből 80V-8V=72V hasznosul. Ezt emeljük négyzetre és osszuk a hangszóróimpedancia 8-szorosával: 72*72/(8*4)=162, az eredmény Watt-ban értendő. Az IC által leadható veszteségi hő és csúcsáram miatt minimálisan 2 db IC-t kell párhuzamosan kötni. Autós körülmények között jobb lenne a három.
Amennyiben kettőt kötsz párhuzamosan akkor +/-32V ról 100W teljesítménnyel tudod biztonságosan járatni. Mint írtad, a tápfeszültséget tudod állítani ezért a fenti tartományban nyugodtan kísérletezhetsz. A tápfeszültség felső korlátja a +/- 50V . A számítást elvégezve 4 ohm -on 265W-ot kapunk, ehhez 3-5 IC-t kéne párhuzamosan kapcsolni. Erre a feladatra inkább diszkrét félvezetőket érdemes használni.
Rendelj interneten keresztül és akkor nem lesz ilyen horribilis az alkatrészköltséged. Bővebben: Link
Kapott egy -Ut szikrát nem estem kétségbe labortápról megtápláltam jó volt (+-15V DC).De ha márt lúd legyen kövér találtam egy AC 45V os torroidot (Elektris 2000 es gyártmányút Gyöngyösről) csináltam belőle AC 2x22,5V stb.
eljutottam az indításig minden oké volt. Nekiálltam terhelni de nem bírta és -1db ic a trafó mégsem volt olyan jó Holnap ha lesz időm megrendelem vagy veszek a boltba tranyókat(persze ott sincs csak rendelésre) 1 Ohm 5W megfelel neki? Van még pár elektromos szaki akinél lehet h van valami hasonló körbetelózok. Holnap élesztem a tápot meglesz végre a tarfó hozzá. Ha nem jön össze van egy B tervem is! BD249c+BD250C nem írtatok semmit. Megnéztem a boltba de az is hamis szerintem mivel nem volt gyártó gyártója TO3 tok ezt öröm lesz rátenni a bordára! |
Bejelentkezés
Hirdetés |












