Fórum témák
» Több friss téma |
Fórum » Transzformátor készítés, méretezés
Ha kérdésed van, az alábbiak segítenek a hatékony választ megadni:
Mag típusa: M, EI, UU/LL esetleg I-kből összerakott, tekercselt, toroid. Lehetőség szerint képpel.
Méretek: magkeresztmetszet a*b (amit a tekercs körbeölel) ablakméret, lánc és toroidnál, belső-külső méretek.
Primer-szekunder feszültség(ek), teljesítmény igény.
Lenyűgöző!
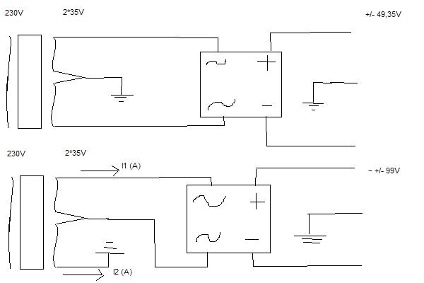
De amúgy nem,de most már tudok egyszeres tápból kétszerets általad Köszönöm!!!nah amit én mondok az ez,amit paint-ben rajzoltam: Nah és az a kérdés,hogy az I1 és I2 mennyire különbözik...mert nem akarom a két tekercset egymáshoz képest "elterhelni"
Szia!
Igen! :yes: Mégis csak jól gondoltam... Az alsó transzformátor megcsapolt kivezetése alacsonyabb feszültséget ad mint a teljes tekercskészleté. ...Ez olyan mintha két különböző feszültségű feszültségforrást akarmál egyesíteni... DE. A teljes terhelés a nagyobb feszültségű kivezetéseken fog jelentkezni. S a megcsapolásol (szinte) nem fog áram folyni. Mivel alacsonyabb a feszültsége, (egyforma tekercsek esetén csak a fele ). S így nincs sok jelentősége GRAETZ-hidat beépíteni, (vagy annak a másik váltóáramú pontját) úgy bekötni. Persze kárt nem okoz ha mégis bekötöd, csak fölösleges... Ga mégis GRAETZ-hidat alkalmazol, akkor a diódákat párhuzamosítva nagyobb áramot tudsz ráengedni, azaz mintegy megkétszerezed annak terhelhetőségét. S egy kis segítség: Tápegységtípusok -egyenirányító kapcsolások- Cikkek - Egyenirányítók.
Szia!
Igen! Tökéletesen igazad van A be nem rajzolt I3-on gyakorlatilag 0 Amper folyik. I1 = I2A diódahidat megtartanám...ahogy van,mert: 1.- elég amperes akárhogy is szeretném ![]() 2.- így szebb,így már be van dobozolva. Akkor még egy paró kérdés....mint mondtad a kisebb feszültés nem szól bele így a kondik feltöltésébe. Akkor tulajdonképpen nem okoz kárt a trafónak de a kimenő összteljesítménynek csökkenését okozhatja? Köszi!
Köszi!
Akkor hétvégén elkészül a legnagyobb trafóm
Csak psszt.!!! úgy néz ki ithon vagyok a hétvégén
Nah majd jelentek De a beszerelést nem garantálom,mert fél nap összesen az átszerelés.
Nah a trafó kész jelentem alásan..
2*43 menet került rá. 24,98-25V...ez lesz duplázva és akkor 70~V DC Kevesebb lett,mint vártam/tuk,de ez felfogható a vasmag hibájának,mivel sehol sem ér össze az E az I-vel. Üresjárat 80mA~ Ölni lehet vele,mert olyan nehéz. 20+KG A beszerelést nem garantálom a hétvégén....több óra,amíg szétszedem a cuccost és mégannyi,míg az új dobozt beteszem alulra a régi helyére...(túl meleg van...télen szeretek bütykölni) Ha sikerült volna egy 18DC-nek megfelelő tekercset még rátenni,akkor még ma beszereltem volna,mert akkor az egész elektronikát a föindító kivételével rá tudom építeni.(főként az Amper miatt) Ha beválik ez az építés,akkor a mostani 1400W+ trafóját áttekerjük hasonlóra és azon már 3-as drót is elképzelhető. Ami most sikerült az 2,5-ös. Igazából elég volna ez így,de még szeretnék két 300W körüli végfokot bele és akkor már teljes kivezérlésen nem csak max 2V-ot ugrálna a feszültség. Nekem pedig nagy tápstabilitásra épülnek a rendszereim,így ezért jól bírják a gyűrődést. Nah ez már teleregény. Fotók,amint lesz türelmem(stb)
Háhá....nem is fogom!...ragasztottam szinte mindent a régi dobozban...ez valahogy kiment a burámból
![]() Egy új dobozba teszem majd legalura...és külön kábelekkel viszem fel a jelet. De lehet kap teljesen új elektronikát az egész és kettős tápot építek...1400W+ a kisebbeknek...2500W a nagyvégfoknak. (csak akkor kell majd 4 orosz dióda De most marad így....délután csinálok képet a 2500W -ról. A többi fent van a honlapomon honlapom
Ígértem! És az szép szó!
Hello...
egy tanács.. Idézet: „Kevesebb lett, mint vártam/tuk,de ez felfogható a vasmag hibájának,mivel sehol sem ér össze az E az I-vel.” Egyik I oldal felöl, lazítsad fel a csavarokat, fogj egy kicsi 100-150g kalapácsot, adj neki 230-at és ütögessed az I lemezeket. Összebb fog menni, mivel fellazítva kicsit rezegnek a lemezek, kalapáccsal kicsit ütögetve a helyére gyógyulnak a lemezek. Ezt nekem gulyi88 tanácsolta és bejött. Egyik oldal kész utána a másik oldalt is.... Ez kaposvári trafó volt?? Üdv
HY
THX kicsit komplikáltabb a probléma. Nagyobb a csévetest...érdekes módon a keretleszorítók ehhez vannak passzolva. (jó magyarosan mondva) Ergo teljesen össze van nyomva...maga a csévetest ekkora... ÉS amúgy nem tudom...ferenc73@pr.hu Hát valami eszméletlen,hogy milyen állapotban küldte el a megvásárolt trafót. Az hagyján,hogy trafót tekerni nem tud,de úgy nézett ki,hogy ha ronygnak neveztük volna,akkor a kutya szájából szedték volna ki. Szekunder tekercs zárlat mellett a primer 4 fajta vezetékből volt "összetéve". Természetesen a tranzakció után nem volt elérhető az egyén. Éppen ezért mondtam,hogy kakiból építettünk várat...de egész jó lett,csak éppen 4-6 hónapig tartott Idézet: „ferenc73@pr.hu” Kerüljük nagy ívben, ismerjük, tagja volt az oldalnak, de ... no komment... Üdv
Köszönöm JANI
Felvidítottál![]() szabi83 Nem tudtam sajna....egyik fórumon a piachoz tartozik egy kit kerüljünk fórumtopik és abban szokás keresni,de ahol ráleltem neten ott nem volt ilyen ![]() De akkor is jó lett!....
HEllo!
Nekem van egy trafóm amit szétszedtem és eltünt az amire tekerni a rézhuzalt csak a cav van meg!Ebből szeretnék egy trafót csinálni!! Segitsetek köszi!
Köszi!
Eltudnád küldeni nekem ezt a .djvu fálj-t? És a parogramnak a linkjét?
Köszi!
De azt honnan tudopm meg hogy milyen vastagságú és mennyiségű rézhuzalt tekerjek rá?
Szia!
Például ez a program: Trafóméretező Bepötyögöd az adatokat és kiirja hogy mennyit kell milyet, és hogy elég e a keresztmetszet erre a terhelésre.
Tényleg ne haragudjatok hogy értetlenkedek de hogy kell kiszámolni a keresztmetszetet?
Igen böngésztem
De nem jöttem rá hogy mit mivel kell szorozni
Ha az E vasakat összeszorítod, akkor az E középső nyulványának a területe lessz a keresztmetszeted, de ezt így nem tudod pontossan lemérni, mert ha a csévetestbe berakod őket, akkor jobban össze lesznek szorítva.
Megelőztek
Igy már értem elolvastam figyelmesebben!
amúgy itt egy csévetest (vayg hogy hivják ) amit apa csinált régen egy inverterhez.Ez jó lenne az ég igényeimhez?
"Tényleg ne haragudjatok hogy értetlenkedek de hogy kell kiszámolni a keresztmetszetet?"
Én kimondottam örülök, hogy felfeded magad. Elektronikával érdemes elkezdeni foglalkozni, de ne hálózati trafó építésével kezdd!!! Ez most számodra és környezetedre nézve is életveszélyes. Tudod, hogy a hálózati trafó egyik legontosabb tulajdonsága a prim/szek jó elválasztása, vagyis szigetelése, stb? A legfonotsabb jelszó: Az érintévédelemben való jártasság. A hozzáértők házilag nem készítenek hálózati trafót, legalábbis mindent megtesznek, hogy ezt elkerüljék.
Na de most én is kérdezek
Van nekem is egy nagyon régi csöves rádióból, amiből majd a leendő csöves erősítőmnek a hálótrafója lessz, de a magokon fekete cucc, talán kátrány van, amivel össze volt fogatva és ragacsosak is. némelyikről pedig érdekes lilás elszíneződésű réteg akar leválni. Próbáltam drótkorongal megtisztítani, szép fébnyes is lett, de nem csináltam meg mindegyikkle, gondoltam hátha rosszat teszek. Hallottam talán olyanról, hogy ki kell főzni őket? Vagy ha nem akkor hogyan kell megtisztítani őket? Segítsetek lécci!
Ebben igazad van, amúgy már tekercseltem át egy-két trafónak a szekunderét de még primért soha.
És ez az egy trafóm van itthon amit tudok használni Pénzem mosz nincs rá úgy hogy ebből kell valamit ki hoznom... De esetleg ha te tudsz egy trafót egy 6 csatornás Lpt portos vezérlőért akkor szólj!...
"És ez az egy trafóm van itthon amit tudok használni
Pénzem mosz nincs rá úgy hogy ebből kell valamit ki hoznom..." Csak értékrend és felelőségteljes hozzáállás kérdése. Nagyon olcsók a kész üzleti trafók. Mennyit ér az emberi élet? |
Bejelentkezés
Hirdetés |




Köszönöm!!!



csak a cav van meg!

