Fórum témák
» Több friss téma |
Köszi a segítséget.
Ellenőrizzük le , hogy jól értem -e.: béta:12 Ut=12V Uc= a led teljesítménye(105mw)/a Led által felvett feszültésg(2V)=52,5mA=0,0525A A bázisellenállás értéke:12/0,0525/12=19,0476~20ohm A bázis áram: ohm törvénye alapján: 9,3V/20=0,465A a maximális érték amit használhatok. A9,3V az a 12V ból a Leden eső fesz 2V és a tranyón eső fesz 0,7V ból jött ki . A Leddel sorban lévő ellenállásra szerintem nem jó ez a program , mert belekell kalkulálni a tranyóban maradt fesz értékét is vagyis 0,7V , mivel a tranyók nem lesznek tisztavezetők, a program szerint 190ohm kellene oda , szerintem viszont:177.1ohm Remélem jó az elgondolásom, előre köszönöm a válaszokat. Üdv. : István
Hát úgy látom a zárójeleket jól kihagytam.
Rb=(Ut-0.7)/(Ic/Béta) .(a led it nem szerepel) (12V-0.7)/(0.0525A/12)=2582.8 ohm. A maximális bázisáram katalógus adat ranzisztoronként,tehát azt nem kell számolni. A katalógosban megadott értékből lehet visszaszámolni a minimális bázisellenállást. Rbmin=(Ut-0.7)/Ibmax, ha a beillesztett rajzot alkalmazod. Egyébbként a tranzisztorok jelleggörbéit ha tanulmányozod , arról le lehet olvasni hogy mekkora bázisáramhoz mekkora kollektoráram ,illetve Uce tartozik.(A led előtét számításnál ezt kell kivonni) Igazából ezekkel az értékekkel kellene számolni,ha igazán pontos akarsz lenni. A 0,7V nem igaz a tranzisztor Uce feszültségére ,ez lehet több ill kevesebb is.(vannak kifejezetten kis maradékfeszültségű példányok,valamint egy telj tranzisztort nagy terhellőáramnál nehéz 1V alá levinni. .Ha sima kapcsolónak akarod használni,inkább a próbálgatás/tapasztalat/más alkalmazások lekoppintása a legegyszerűbb.(a határok csak tájékoztató értékek.Pl led : tranzisztor B=100... Rb=10K..( lehető legnagyobb a fényerőtől függően) , Ut 12V )
hello Bago
összeraktam a kapcsolásod és valamiért nem jó, vagyis hát működik csak éppen nem ad elég áramot az égőmnek hogy teljes fényében égjen... rámértem kb 120mA folyik rajta.... ez mér van??? csak nem túl kicsi tranzisztort választottam (BC141)??? pls válasz...
Mekkora a terhelése ,mekkora bázisáram mekkora feszültségről ?
hali
mellékeltem a kapcsolást... eredetileg 5V-ról üzemelne.. de nekem valamiért a sima 2,4V-os 0,5A-os zseblámpaégőm nem akar világítani... kipróbáltam egy régebbi 6,3V-os égővel ami világított csak éppen alig... szerintem az a baj, hogy a kapcsolásban szereplő BC301 helyett én BC141-et használtam (pedig azt mondták ezzel helyetesíthető)ez nem enged valamiért át elég áramot ahoz, hogy izzon az égőm... valaki tudna segíteni... mert ez már vagy a 3. kapcsolási rajz amivel próbálkozom
R3 mondjuk 1K ,R1 mondjuk 100 ohm.Aztán lesz ami lesz.
hali
kipróbáltam amit írtál de semmi változás... akkor van csak változás ha megnövelem a tápfeszültséget 9V-ra ekkor már a 6,3V-os régi égőm elég jól világít csak hogy közben meg elkezd melegedni a BC141 (rajzon BC301-es)tranzisztor... szerintem az égővel van a gond mert már eddig vagy 5 fajta égőt próbáltam és mindegyik másképp világít...
Szia!
Bocs, hogy csak most írok, de nagyon elfoglalt vagyok. Első kérdésem az lenne, hogy a te fényellenállásod milyen értékű sötétben és megvilágítot állapotban? Az enyém 2,5-3,8k között változik. Ha tiéd ettől eltér, lehet, hogy az a baj. Próbáld meg a teljesítménytranzisztort közvetlenül kinyitni, hogy az izzó meghajtásához elegendő áramot át tud-e hajtani egyátalán.
Hali
Készülőben van egy atmega8 vezérlésem, és a kimeneteire szeretnék meghajtásra ötleteket. Van hogy negatív vezérelt, és van hogy pozitív vezérelt. 1A, és 6Amper terhelhetőségre. Pl 6A-hez IRF540 re gondoltam, de van valakinek tapasztalata 5v gate feszültség esetén jól működik? Ha elé rakok egy tranyót, akkor sajnos a bekötés miatt fázist fog fordítani Bővebben: Link A lényeg hogyan hajtsak meg több ampert az atmega kimenetével, hogyan szokás.
Az IRF540 5V-os gate feszültségnél még csak kb. 3A-enged meg, tehát nemjó. Esetleg IRL540 jó lehet. De én inkább valami nagyobb áramú tipusban gondolkodnék, mert IRF540-en 6A az már 2,7W disszipációt jelent, aminek az elvezetéséről gondoskodni kell. Viszont pl. IRF1010-et használva a disszipáció csak 0,4W, amit a tok le tud maga is adni, illetve az IRF1010 5V-ról már kb. 50A-t tud.
Ha a sebesség nem kritikus, csinálhatod optóval is.
Csak ki/bekapcsolni kellen a fogyasztókat, vagy esetleg PWM-el szabályoznál is?
4db 7szegmenses kijelző, multiplexbe hajtva 7db pozitív táp kapcsolással, és 4db negatív tápkapcsolással.
Ugye a 4 tranyón egyenként 4-7Amper folyna, és negatívot kellene npn tranyóval, vagy fettel kapcsolni, a 7tranyón meg 800-1000mA, pozitívat kapcsolni pnp tranyóval vagy fettel, 7db lehet síma tranyó marad mert kicsi áram folyik.
Megoldatlan dolgom a 4 tranyó aminek 5V vezérlésem van, és 12v 7amper körül kell kapcsolni. A két fet pdfjét megnézve irf1010nek, 5v GATE TO SOURCE VOLTAGE (V) értéknél 50Amper ON-STATE DRAIN CURRENT áramot ír. Az irf540-nek meg 15A. Amugy a 540-44mohm, a 1010-es meg 12mohm. De tök jó hogy mindenhol más értéket írnak.
Hú. Szép kis kijelző lehet, ami ekkora áramokat vesz fel. A 7db pozitív gondolom a 7 szegmens ( tizedespont nem kell?
), a 4 negatív pedig a kijelzők közöse?Mekkora frekin szeretnéd multiplexelni? Ha optót használsz, néhány száz Hz-ig szerintem jó lehet, bár még sosem csináltam ilyet. Az optóban az a jó, hogy a tranyóját kötheted a táp felé is és a föld felé is. Mekkora tápról mennek a kijelzők? Azok is 5V-osak? ( Gondolom, nagyobb feszről mennek. ) Másik ötletem ( most tényleg csak ötletelek ) vonalmeghajtó IC. Pl. 74LS07. Ennek a bemenetei TTL kompatibilisek, a kimenete open kollektoros. Max. 30V-ot bír ( típusfüggő ) és max. 45mA-t tud kihajtani. A negatív kapcsolás alatt gondolom azt érted, hogy a földet kell kapcsolni? Esetleg nézd meg az ULN2003-at. Ezt relék meghajtására találták ki eredetileg, 50V, 500mA-t képes egy lábon hajtani. Ezzel közvetlenül hajthatod a terhelést, nem kell külön kapcsoló elem. Valaki mintha itt a HE-n keresett volna hozzá párt ( mármint ami pozitív tápot képes kapcsolni ) és mintha mondtak volna is neki típust.
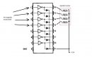
Köszönöm az eddig segítséget, mellékelem a kapcsolást ami kisáramú.
Jol mondod úgy lesz, egy szegmens 21ledből 12v-al hajtva, 3 sorba plusz ellenállás, így 7*15mA=kb100mA, de multiplexbe ennek a négyszerese és a táblának két oldala van egyszóval szegmensenként majdnem 1A. Tizedes nem lesz, nem én írom a szoftvert az avr-be. Biztosra akarok menni a nagyáramú résszel. Sajnos amiket felsoroltál, az kisáramú.
Igen, kisáramúak viszont ezekkel tudnád a kapcsoló tranzisztorokat hajtani. Az áramon kívül a fesz. illesztést is meg kell ugye oldani. Az áram illesztését megoldja a kapcsoló tranzisztor, a tranyó kapcsoló feszültségét pedig meg tudod oldani valamelyik megoldással, amiket felsoroltam.
Még néhány gondolat. Én az ULN2803-on erősen gondolkodnék. Ezekben ugye van 8 db darlington, mindegyik 0.5A-el terhelhető. Ha ezekből kettőt-kettőt összefogsz, megvan az 1A. Mindegyikhez kell egy ellenállás, ami segít elosztani a terhelést. Persze ha túl akarod méretezni, az nem árt.
Sziasztok!
olyan kapcsolást szeretnék ami, ha kap 1-1.5V feszültséget akkor kapcsoljon 6vagy 12V-os relét.
Szia!
Nézd meg ezt. A "Using a transistor as a switch" szekcióban van konkrét rajz, számítás.Bővebben: Link
Hello
Kiszereltem egy régi nyomtatóból egy unipoláris léptetőmotort(5 vezetékes, tekercsek közös vezetéke a +5V-ra). Akváriumi haletetőt szeretnék belőle csinálni, pic fogja majd vezérelni uln2003-as tranzisztormezőn keresztül. Próbanyákon összedugdostam az áramkört, a tranzisztormező után védődiódákat tettem(párhuzamosan a tekercsekre), írtam egy egyszerű programot pic-re, mely csak tesztjelleggel forgatja a motort. Szépen is működött, de 5V-os tápfesszel kicsit gyengének bizonyult a motor. Rákötöttem a motor-tekercsek közös kivezetését 12V-ra, a motor elindult, most már erősebben, a pic táplábai közt pedig 9V-ot mértem(5V-os tápfeszt nem is volt rákötve). A mikrovezérlő nem melegedett. Mi lehet a jelenség oka? Valahogyan visszajutott a fesz a pic-re? De hogy lehet, hogy bírta a 9V-ot? Ezzel a tranzisztormezővel nem tudom akkor biztonságosan megoldani, hogy 12V-al lehessen hajtani a motort? Üdv.
Hello
Időközben, ahogy felrajzoltam a kapcsolásomat, már rájöttem, hogy hol a hiba. Ugyanis amikor összeállítottam próbanyákon az áramkört, nem gondoltam arra, hogy esetleg majd kevés lesz a motornak az 5V. A most feltöltött rajzon már jól rajzoltam, viszont nálam a próbanyákon az IC 9-es lába az 5V-os táp-sínre kapcsolódik. Így viszont amikor 12V-ot kötöttem a motor közös kivezetésére, akkor ez a fesz megemelte a tekercseken és a belső diódákon keresztül az 5V-os tápot. Szóval figyelni kell Minden jót! Üdv.
Hello!
Abba kéne segítség hogy, szeretnék működtetni egy kis motort egy távirányítósautó hajtómotorja mellet, egy tranzisztorral, Külön elemről hogyha megy a hajtómotor menjen a kisebb is. (a hajtóteljesítményét nem tudom) Milyen típusu tranzisztor kéne és kell-e hozzá még valami?
Üdv, nem tudom jó helyen kérdezem-e meg, de ha nem igazítsatok el!
A tranzisztorokról szeretnék többet megtudni, elolvastam a cikket, de azért belekérdezek, hogy pontosan hogyan is számolunk a h21e értékkel? Mert akárhányszor számolnom kellet elrontottam.
Hali!
Az lenne a kérdésem hogy az alábbi kapcsolásban milyen értékű fotoellenállás szükségeltetik? Köszönöm válaszod!
SZiasztok!
Valaki tud nekem segíteni hogy egy tranzisztor kapcsoló üzemben mikor hogy mükődik? Köszi a választ
Ha a bázisárama nagyobb annál mint amekkora a rajta átfolyó kollektoráramhoz szükséges.
mit jelent az hogy inverz üzemmódban mükődik és telített?
KÖszi szépen
Igazából ezért kérdezem ezeket mert szeretném egérteni ezt a TTL NAND kapu pontos müködését!
http://sub.allaboutcircuits.com/images/04125.png
Szia!
Okosítás: Bővebben: Link. Kattints az "indít"-ra. |
Bejelentkezés
Hirdetés |




szerintem az a baj, hogy a kapcsolásban szereplő
olyan kapcsolást szeretnék ami, ha kap 1-1.5V feszültséget akkor kapcsoljon 6vagy 12V-os relét.




