Fórum témák

» Több friss téma
Fórum » Tv tunerek kapcsolási rajza
 
Témaindító: gerenk, idő: Feb 4, 2012
Témakörök:
Lapozás: OK   1 / 2
(#) gerenk hozzászólása Feb 4, 2012 /
 
Sziasztok !
Új témát nyitottam, sokszor keresek a neten tv tuner
kapcsolásokat, de sajnos ez a terület "fehér folt".
Ha van Nektek ezekről kapcsolási rajzotok kérlek töltsétek fel ide.
Indulásként egy THOMSON CTT5045 hypertuner
kapcsolása.
(#) jankoo válasza gerenk hozzászólására (») Feb 5, 2012 /
 
(#) Medve hozzászólása Feb 5, 2012 /
 
Az utóbbi nálam vírusos
(#) gerenk válasza jankoo hozzászólására (») Feb 5, 2012 /
 
Szia !
Köszi a linket, sajnos a képek között egy sincs ami a tuner belső kapcsolását adná.
(#) gerenk válasza jankoo hozzászólására (») Feb 5, 2012 /
 
Ezeket is köszi, de nem számitógép tv tuner kártyák szervíz manuáljára gondoltam.
(#) efraim válasza gerenk hozzászólására (») Feb 5, 2012 /
 
(#) konam válasza gerenk hozzászólására (») Feb 6, 2012 /
 
Szia ha kell tudok kölcsönadni kb. 100db. tv kapcsolási rajzot, ha betudod szkennelni, és megoszthatod a fórumozókkal.
(#) gerenk válasza konam hozzászólására (») Feb 6, 2012 /
 
Szia !
Köszi a felajánlást, nem TV kapcsolási rajzokat keresek
azokból rengeteg van a neten.
Kizárólag TV , VCR, DVD tuner egységének kapcsolási
rajzát keresem.
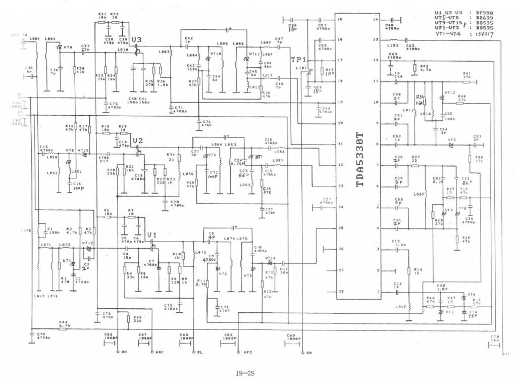
pl. mint a csatolt kapcsolás
(#) Medve hozzászólása Feb 6, 2012 /
 
Íme a 80 évek magyar televíziógyártásának két remeke, az Orion és a Videoton FET-1-es tunerje:
(#) Medve hozzászólása Feb 6, 2012 /
 
Ez pedig egy általam ismeretlen Grundig tuner a TUA2000-es chippel
(#) gerenk válasza Medve hozzászólására (») Feb 6, 2012 /
 
Köszönöm a rajzokat , ilyeneket keresek ha tudtok töltsétek fel ide.
(#) Sebi válasza gerenk hozzászólására (») Feb 7, 2012 /
 
Én is néztem neked kettőt.
(#) gerenk válasza Sebi hozzászólására (») Feb 8, 2012 /
 
Köszönöm a rajzokat, sajnos a Grundig nem látható jól.
(#) gerenk hozzászólása Feb 8, 2012 /
 
Orosz tv tunerek a paletta bővítésére
(#) gerenk hozzászólása Feb 8, 2012 /
 
Még egy pár nem annyira ismert tv tuner....
(#) Sebi válasza gerenk hozzászólására (») Feb 8, 2012 /
 
Tényleg... Valamiért átméretezte az oldal és még én sem tudom törölni. Itt van pdf-ben.
(#) gaben62 válasza gerenk hozzászólására (») Feb 8, 2012 /
 
Ezek a Thomsonba Vestel tv.be Grundig tv.be való hypersávos tunerek ,nagyon ritkán mennek tönkre.
Amikor mégis, akkor a bemeneti fokozat fetje hal meg, ezt rajz nélkül is lehet cserélni.
Ritkább esetben, 10évesnél régebbi készülékeknél, egy alapos átforrasztás után megjavulnak .
üdv
(#) gerenk válasza gaben62 hozzászólására (») Feb 8, 2012 /
 
Elsősorban nem javítás hanem más célra való alkalmazás miatt keresem a kapcsolásokat, meg azért is hogy mások
munkáját is segítsem.
(#) csacsa72 hozzászólása Feb 9, 2012 /
 
Sajnos a tuner része tönkre ment villám csapás következtében. A tuner típusa ENGF7502GF ,de ugyan ilyet nem tudtam szerezni kicsi pénzért , ezért vásároltam egy DMR-EH52 tipusú rossz készüléket amiben a tuner működő képes és kicseréltem , igaz a két tuner nem egészen egyforma ENGF7501GF a típus. De a tuner vezérlő panel pont egyforma. Na most a probléma az hogy a készülék továbbra sem működik,mi lehet a gond. Teszek fel kapcsolási rajzot az egész készülékről hátha valaki tudna segíteni. Letölthető Innen DMREH50_schematic és Innen DMR-ES10
Köszönettel.
Csaba
(#) csacsa72 hozzászólása Feb 9, 2012 /
 
A hozzászólás első fele lemaradt valamiért.
Szóval , a készülék Panasonic DMR-EH50 DVD felvevő aminek a tunerje elszállt.
(#) gerenk hozzászólása Feb 9, 2012 /
 
Orosz tunerek UHF sávra...
(#) dejoe hozzászólása Feb 25, 2012 /
 
Esetleg meglenne valakinek SK-D-30-1E és SK-M-30-1E kis orosz color star 525 tv-nek a tunerje v. kapcs. rajz?
Nem lehet rendesen behangolni, elmászik a program. Amugy szép képe lenne.
(#) gerenk válasza dejoe hozzászólására (») Feb 25, 2012 / 1
 
Itt az oldalon megtalálod, a CK-M és CK-D ugyanaz mint
a SK-M és SK-D.
Orosz C = Magyar S
(#) gerenk válasza dejoe hozzászólására (») Feb 25, 2012 / 1
 
Nem biztos hogy a tunerrel van probléma, lehet hogy a tuner hangolófeszültsége nem stabil, melegedésre megváltozik, meg kellene mérni hogy üzem alatt változik -e .
(#) dejoe válasza gerenk hozzászólására (») Feb 28, 2012 /
 
Mivel nem tudok oroszul eligazodni, betudnád azonositani nekem a kábel kivezetéseket magyarul.
Sajnos csak ez a két tuner rajzom van.
(#) gerenk válasza dejoe hozzászólására (») Feb 28, 2012 / 1
 
SK-D30-1

1. AGC FESZÜLTSÉG BEMENET 2. NC. 3NC. 4. TEST

5. HANGOLÓ FESZ. BEMENET 6. +12 V TÁP

7. NC. 8. KF. KIMENET 9. TEST



Az UHF tuner ugyan külön egység de a VHF tuner keverő tranzisztorát használja a kf erősítésére, mivel a VHF kf magasabb színtű jelet ad és az UHF modul alacsonyabb szintű kf feszültségét hozzá kell erősíteni.

SK-M30-1

1. AGC. BEMENET 2. 1-2 SÁV +12V

3. 3. SÁV +12V 4. TEST 5. HANGOLÓ FESZ. BE

6. 4-5 SÁV +12V 7. UHF KF BE. 8. VHF KF KI.

9. TEST
(#) faller marcsi hozzászólása Aug 11, 2013 /
 
Szia! Szeretnék kérni orion t2975 sptx-s-flat áramköri rajzot vagy kapcsolási rajzot. Nagyon szépen köszönöm ha tudnál küldeni egyet.Marcsi
(#) kadarist válasza faller marcsi hozzászólására (») Aug 11, 2013 /
 
Szia!
Kattints a kis idő múlva alul megjelenő "Get Manual"-ra. Bővebben: Link
(#) elektroncso hozzászólása Márc 15, 2014 /
 
Sziasztok, Jalco gyártmányú MCB4-UO3603 típusú videómagnó tunerjéhez keresek kapcsolási rajzot.
Következő: »»   1 / 2
Bejelentkezés

Belépés

Hirdetés
XDT.hu
Az oldalon sütiket használunk a helyes működéshez. Bővebb információt az adatvédelmi szabályzatban olvashatsz. Megértettem