Fórum témák
» Több friss téma |
Fórum » USB-s Kapcsoló akkumulátor szint szerint 230V-ra
Témaindító: mrgrassy, idő: Nov 26, 2011
Témakörök:
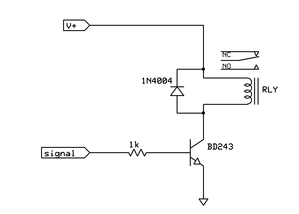
Nem nem! Lásd mellékelt kép...
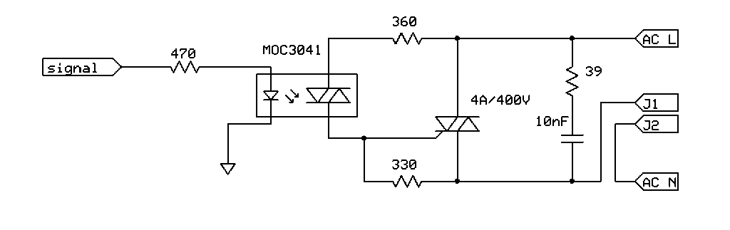
De miért relézel? Optotriac + triac párosítás miért nem jó? Ha nullátmenet kapcsolós optotriac-ot raksz bele, akkor még nem is fog zavarokat kelteni a hálózatban. A relék meg kattognak és életük vége felé be is sülhetnek az érintkezők, és még nagyobb zavarokat is kelthetnek.
Köszi tegnap nagyon nem fogott az agyam.
És valami hasonló kapcsolást már kaptam az előző oldalon de akkor triacos lesz a történet.
Egy kicsit méricskéltem tegnap egy hp compaq notebookom a töltő üresjárata amikor nincs rádugva semmi kb. 3.5 W ha rádugom a gépre de nincs bekapcsolva és nem tölt 4,5-5 W , ha tölt és működik a gép 23W de ha nem tölt akkor is annyi nem tudom hogy csinálja ezek után az én véleményem is az ha nem létfontosság a szünetmentes működés akkor aksit ki és had menjen hálózatról mert ettől olcsóbb nem lesz
tudom de így praktikusabb a gép mivel bele van építve a szünetmentes táp és igen is fontos a szünetmentes üzem.
Segítsetek egy kisit mit kössek az AVCC lábra
A leírása: "AVCC is the supply voltage pin (input) for all analog features (Analog Comparator, PLL). It should be externally connected to VCC through a low-pass filter." Én értem rosszul vagy egy alul áteresztő szűrővel kell rákötni a bemenő feszültséget.
Nem ismerem az AVR-ek lelki világát, de szerintem nyugodtan összekötheted a VCC-vel. Ez akkor lenne lényeges, ha analóg jeleket szeretnél pontosan mérni és nem szeretnéd, ha a digitális rész belezavarna a dologba.
Akkor viszont jó az ötlet mert ha folyamatosan hálózatról megy és benne az aksi azt nem szereti az aksit le kell meríteni had dolgozzon (találkoztam olyan kétéves géppel amelyik egy percet nem ment aksiról de az meghalt benne)
Utána néztem az adatlapon és az AVCC-nek kell az alul át eresztő szűrő de mekkorára méretezzem ?
Energiamegmaradás törvényét nem lehet felülbírálni, csak rontanád a hatásfokot. Akkor lehet hogy tényleg működhet, ha a tápja nagyobb terhelésen nagyobb hatásfokkal megy. Lehet hogy évente 1-2 ezer forintot meg tudnál spórolni, HA tényleg így van, de jelenleg sokkal drágább egy akksi, ráadásul még buherálni is kell szerencsétlent, szerintem felejtsd el ezt, bár meg lehet csinálni.
Akkor maradjunk az USB-s 230-as kapcsolónál aztán ha ugy gondolom akkor utolag meg tudom csinálni mert csak a gépen lévő szoftver átirását kell meg tenni és kész
Ahogy én néztem az "USB BUS-Powered" tipikus kapcsolását az adatlapban, ott nem volt semmi szűrő, csak simán össze volt kötve. És a neten sem találok semmit erre.
Akkor össze kötöm és remélem nem lesz vele semmi probléma
Sziasztok körbenéztem a neten és találtam már kész bordot és szerintem tudja azt amire én szeretném használni
csak van több fajta és nem tudom melyik lenne nekem jó. tudnátok segíteni egy kicsit. Itt a választék. Melyik lenne a legjobb, hogy minél több 230v-os kapcsolókat hozzak létre velük?
Csatlakozom a többiekhez, hogy nem sok értelme van megépíteni pont erre a célra, mivel úgy is cseréled majd a netbookkot, meg mért lógatna az ember még egy hardvert egy USB porton és foglalná azt. (nem mondok márkát de a céges laptopom csak akkor tölt ha lemerül a beállított érték alá és minden gyári rajta.)
Szerintem az aksi feladata, hogy áramszünet esetén közbelépjen de hogy állandóan azt használni nem szerencsés döntés. Mellesleg egyszerű idő kapcsolóval is megoldhatod a feltöltés a lemerüléshez persze kell program is de mondok egyszerűbbet is nem kell USB sem ott a hang kimenet pityeg ha etetni kell ha 100%-os abbahagyja. Pityegést meg nem muszáj hallgatni csak direktbe kötöd rá a jelfeldolgozóra vagy IR IC-vel leválasztod. Szerintem ez a projekted teljesen más célt fog szolgálni ha elkészül. ![]() Amúgy itt h.e. oldalon már láttam USB-s és mikro vezérlős demo cuccokat amit kis módosítással egyedivé tehetsz. Hajrá! |
Bejelentkezés
Hirdetés |






