Fórum témák
» Több friss téma |
Sinus vagy zene?
Egyébként én 7V-ra kb. 470-1k-ig próbálkoznék.
Srácok!
Én egy CASTONE dobozába épített 100w-os erősítőhöz építettem egyszer "CLIPP" led-es "véggáz" visszajelzést, hogy a srác még részegen is észrevegye, hogy a cucc torzításközelben van, és ne tekerje fejjebb a hangerőt! Ugyanúgy passzív volt, és a hangfalkimenet hajtotta. A turpisság, viszont abban volt, hogy ugyebár a 8ohm 100w-hoz 40v pp kell, namost egy síma sárga lednek kell 1.8v, sorban egy 470ohmos ellenállással nagyon jól világít p.l. 12v-ról. viszont itt ugyebár 40v van... Hehe van olyan, hogy Zéner dióda is!!! záróirányban sorba a rendszerrel egy 30v-os zéner, és máris csak olyan 70-80w körül kezd el villogni! és véghangerőn is normális a fényereje. Persze ZPD típust, vagy valami fémházasat kell választani, mert azért a 10mA is melegíti egy kicsit!! Ha kisebb a teljesítmény, ahoz képest kell a zénert csökkenteni.
Azt azért had jegyezzem meg, hogy az eredeti kérdés nem egy túlvezérlés indikátor minél kevesebb alkatelemből való összeállítása volt. Ez már nagyon leredukálódott képződménye a kiindulási tervnek. (lásd. Topik címe)
Az előző hozzászólásomhoz mellékelnék egy rajzot is.
A rajz alapja, licence, alkotóelemei előző hozzászólónktól: mgabesz -től lett lopva... Az ellentétes polaritású feszültséget és irányú áramot, a LED, bár dióda, de nem szereti, ezért van sorbakötve a rendszerrel az a plusz dióda, meg azért, hogy a zéneren se follyon nyitóirányú áram, ha a Led feladná.
Hmmm../IGAZAD VAN...!!!/
Akkor: Ha van teljesítmény fokozat, akkor ismét passzív alkatrészekből: Kimenetre graetz híd, +- ra kondi, arra ellenálás, és arra vagy LED, vagy akár még egy izzó is, csak feszültségben megfelelő. Az RC taggal nagyonjó időállandót lehet meghatározni, és tuttibiztos, hogy csak a mélyre fog villogni, ha jól állítják be. És akár jó sok LEDet is rá lehet kötni.+ 10-12v pp már egy 4ohm/25w-os erősítőből is kijön, arról már tökéletesen működnie kell! Alatta nem ajánlott!
Jogos szamóca szaktárs felvetése !!
Valóban nem ez volt az igazi kérdésfeltevés, de elmentünk a clipp indikátor felé. Ahhoz viszont, hogy mindenféle hangerőn azonosan jelezzen a led mindenképpen aktív elektronika kellene ( pl. komparátor ), ahhoz meg táp amit kis hangerőn nehéz kitrükközni a hangfrekis jel egyenrángatásával.
Clip indikátoros rajzot találtam itt az oldalon
Na most a rajz amit EcoPityu mellékelt szerintetek így már müködni fog , ?
Azt írtad, hogy "Amikor az erősítő padlón megy 7V megy a hangfal kimeneten".
EcoPityu 10-12V pp-től írja használhatónak a kapcsolást. Tehát 7V pp kevés, kisebb zenert kell betenni.
Ahoz, hogy utemre pislogjanak a ledek, vagy csak a melyekre akkor egy led fenyorgona kapcsolasra van szukseg amelyek bemeneten egy egyszeru szurokor van.
Az alabbi linken lathato egy ilyen kapcsolas amely harom reszre osztja a hangspektrumot es mindegyik led csak a kivalasztott frekvancian kezd el villogni. Bővebben: Link Ha valamit nem ertetek akkor leforditom Ps. A ledek elotet ellenallas erteket az adott tapfeszultseg szabja meg !! R = U tap - U led / I led Legyen Utap = 12 V , U led = 2 V ES I led = 20 mA Akkor az ellenallas erteke : R = 12 - 2 / 0.02 = 400 ohm
Remélem még nincs ilyen topic és tudtok segíteni. Egy olyan kapcsolást szeretnék építeni amely mély hangra léptet az egyik izzóról egy másikra. Valami "hangra működő futófény" szerűt. Volt egy bemenetválasztó kapcsrajzom erősítőhöz egy 40XX-es IC-vel. Na ilyesmit kellene összehozni hogy ütemre kapcsoljon egy izzót.
Helló!
Már van pár hasonló téma, hátha találsz bennük valami hasznosat. Link
Van egy jó kapcsolásom Nem bonyolult de látványos. :yes:
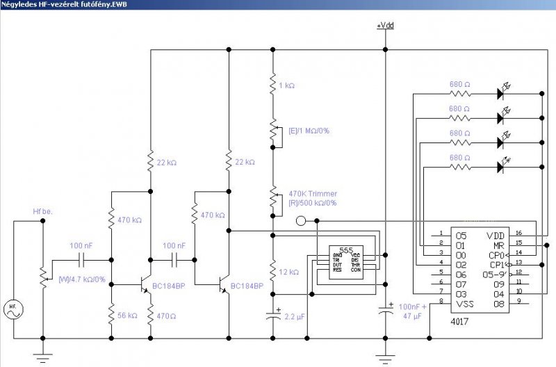
Bár annak a neve inkább "zenével vezérelt futófény" lenne. S 4 LED-et hajt meg alapból... Egy tranzisztoros illesztőfokozat, egy 555 és egy 4017-es, valamint az izzók meghajtásához kell még egy teljesítmény meghajtó is. Hányvoltos izzókat használsz?
hali! Sok lehetőségem nincs izzókkal de 12 vagy 220v-osak lennének, igazából cfl elektronikával hajtott csövek vagy led-sorok lennének. Érdekelne az a kapcsolás mert a négy szín elég is lenne, egy nagy csillag formát szeretnék 8 ággal szinenként 2 cső.
S elkészült a rajz...
A kimenetekre inkább egy egy SSR-rt, vagy MOC-( PL: MOC3041 )-al elkészített triakos leválasztást is készíthetsz. Ez már csak rajtad múlik...
Nagyszerű már csak egy mic-előerősítőt kell csinálnom és meg is lesz
Ezt még lehet bővíteni is igaz?
Ja még valami ha pl 8-ledet hajtanék meg akkor a 08-at kell összekötni az MR-rel?
|
Bejelentkezés
Hirdetés |











