Fórum témák
» Több friss téma |
Amennyire én tudom, a D+ a táp felé megy egy 1.5k ellenállással, és ha ezt nem fel hanem lehúzod, akkor nem is csoda ha kéri a belső felhúzó ellenállást (USB_CFG_PULLUP). Persze azért kipróbálom.
Az USB_CFG_CLOCK_KHZ-et azért írtam át, mert a tutorial is átírta, és próbáltam betű szerint csinálni. Elvileg így ugyanaz, mint amúgy, mert a makefile így is, úgy is definiálja az FCPU-t 12000000-re, amit ha elosztok 1000-el, az ugyanaz lesz. De ezen se múljon, nem tart semmiből visszaírni. Ellenben valamiért az UART-ot tényleg nem néztem még meg. Valamiért azt gondoltam, hogy ha nem megy akkor az sem megy. Ez viszont jó ötlet!
Az UART-al hamar kiderül, hogy jó-e a sebbességed... ha megy, jó a beállítás, ha hibázik, akkor el van állítva.
Működik az egérizgató!
Igazából nem értem hogy mitől javult meg. A makefile volt az, amit berheltem. Eddig azt csináltam, hogy a jól bevált saját makefile-t igazítottam hozzá a projekthez, ez volt ami nem működött. Most kipróbáltam, hogy a vusb makefile-ját alakítottam a saját dolgaimhoz (órajel, programozó, stb), és így meg működik. ![]() Mindenesetre ezt most jól eldugom, hogy meglegyen a továbbiakban is! Azt hiszem most egy kicsit hanyagolom a témát, és örömömben inkább megnézek egy filmet, mielőtt elszúrok valamit.. Állati nagy fun, ahogy próbálok rákattintani valamire a képernyőn, és mindig odébb mászik az egér! A hozzászólás módosítva: Dec 20, 2012
Kicsit izgalmasabb egy keyboard HUB.
Úgy állítod be, hogy fél percenként irogasson valamit... vicces szavakat.... esetleg idézeteket. Bedugod haver, barátnő gépének USB-jébe (persze picire meg lehet csinálni)... LOL ))))
Sziasztok!
Valaki használt már vUSB-s bootloadert atmega8-hoz? A hivatalos oldalukról szedtem le ,de sehogy nem akar működni.12 MHZ-s rezonátort használok. A fuse biteket a leírtak szerint konfigoltam,d+ ,d- beállítva.Ha usb-re rádugom akkor az: usb eszközt nem lehet felismerni szöveg fogad. A hozzászólás módosítva: Feb 3, 2013
Meggyőződtél róla, hogy valóban 12MHz-ről jár (led-villogtató teszt)?
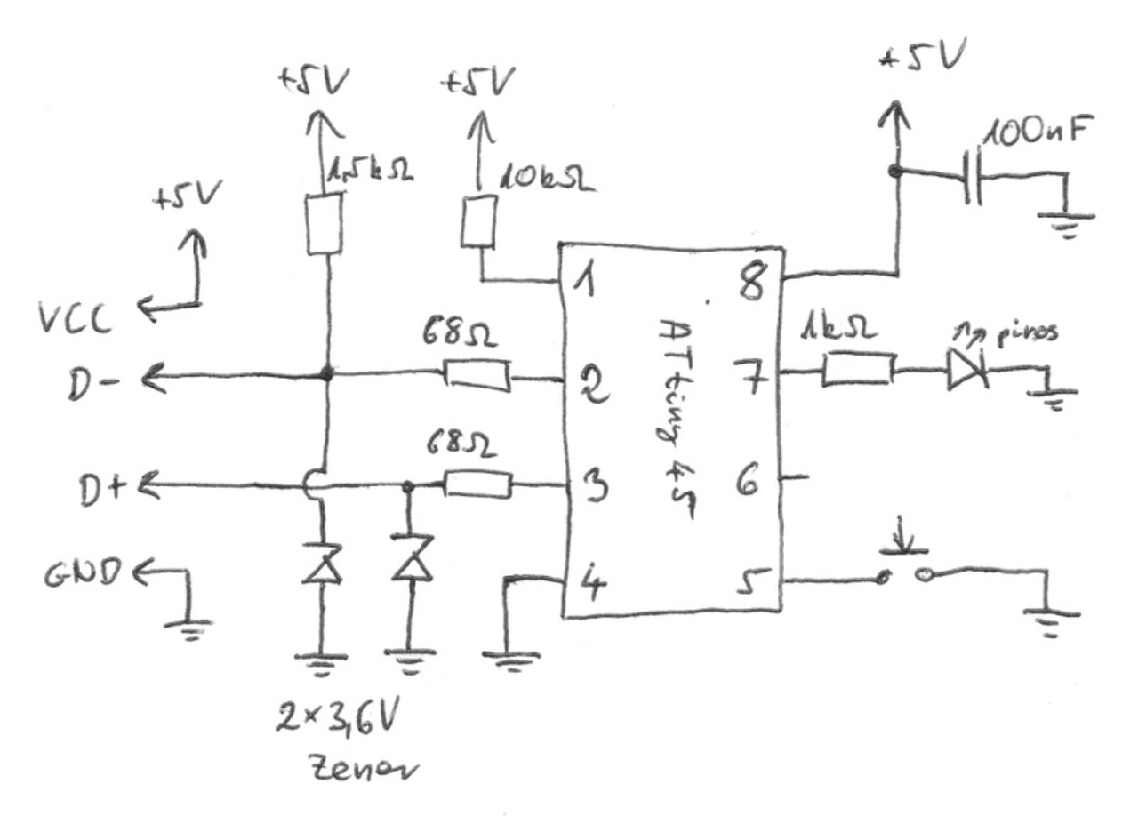
Nem csak az órajel lehet ludas! Azt vettem észre, hogy nagyon hisztis a feszültségszintekre! 3,3V-os zenerek bent vannak? Bootloaderrel még nem foglalkoztam, szóval csak általában kérdezem.
a tesztet még nem csinálam,de mindjárt belevágok.Az én kapcsolásomban nincsenek zenerek.
: forrásom
sajnos az 5V lesz a ludas
Vagy ldo-zd le az egész procit 3,3V-re (5V bemenet egyből 3,3V) vagy a D+ D- -ra kell egy 3.6V zéner
Egyszer találtam egy példát arra, hogy hogyan lehet nagyobb mennyiségű adatot egyszerre áttolni vusb-vel (c#-ban), de bakker, sehol sem találom. Nincs valakinek erre egy demója?
Használta már valaki a vusb-t long-transzfer módban?
Van egy ilyen kapcsoló: USB_CFG_LONG_TRANSFERS, de ha bekapcsolom, akkor egyre csak gyűlik a fordítási hiba. Sajnos nélküle meg nem tudok rendesen nagy mennyiségű adatot átküldeni (64k), mert minduntalan ugyanazt a blokkot veszi. Mondjuk jelen pillanatban se vele, se nélküle nem megy.
Na, megvan a példaprogram, fel is teszem ide, hátha egyszer jól jön másnak is!
Nem tudom már kitől kaptam, remélem beleegyezik a publikálásba. Megyek letesztelem hogy ezzel jó-e! A hozzászólás módosítva: Márc 18, 2013
Teszteltem, jó!
Szóval kiindulásnak jól használható, mert egyben benne van minden ami kellhet.
Hello.
Mostanában elkezdtem a v-usb projectet ez alapján a leírás alapján: Bővebben: Link, de megakadtam a firmware fordításánál. Az Atmel Studio ezt írja ki: invalid conversion from 'void*' to 'usbRequest_t* {aka usbRequest*}' [-fpermissive]. Tudna valaki segíteni, még nagyon kezdő vagyok a témában. A válaszokat előre is köszönöm.
Sziasztok.
Tudna valaki mutatni egy olyan v-usb kapcsolást ami 100% működik, mert én amiket eddig próbáltam azokban valami miatt mindig "unknown device" hibaüzenetet kaptam.
Szia!
Bővebben: Link Én ezt építettem meg jó pár éve, azóta is teszi a dolgát (nem túl szép házi nyákon, még lakkozva sincs). Az USB vonalak feszültségére érzékeny a dolog (kell a 3V6 zener). Szerk.: ezt is megépítettem, simán próbanyákra. Itt találtam. A hozzászólás módosítva: Jan 19, 2016
Gondolom, driver problémád van. Próbálj ki valamilyen HID projektet (egér, billentyűzet, játékvezérlő...), azokhoz nem kell külön driver.
OK, köszi.
Megpróbálom.
Ami lemaradt: az UsbAsp driverrel működik (libusb), a Nintendo adapterhez nem kell, HID eszköz.
Megpróbáltam megcsinálni ezt az usb hid billentyűzetet, de megint "unknown device" 43-as kódú hibaüzenetet kaptam. A fuse biteknél az alsót 0xef re állítottam és egy 20mhz es kristállyal hajtottam.
Tudnál segíteni, hogy mi lehet a probléma?
Ennek biztosan működnie kell, ugyanezt a HID leírót használtam már én is. A kapcsolásod és a kódod is egy az egyben ugyanaz? Biztosan fut a program az AVR-ben?
A flash verify-nél nem ír ki hibát és a kristály is működik.
Milyen kapcsolást használtál, mert én konkrétan ehhez a projecthez nem találtam csak más projekthez?
Például így kellene kinéznie az illesztésnek, én is valami kísértetiesen hasonlót használtam. Ha nem stabilizált 3,3V-ról táplálod az áramkörödet, hanem közvetlenül az USB 5V-járól, akkor azok a Zener-diódák nagyon fontosak. A D- vonalon lévő ellenállás pedig elengedhetetlen, ez jelzi a hubnak, hogy egy kis sebességű eszközt csatlakoztattak. De az lenne a legegyszerűbb, ha megmutatnád a kapcsolásodat.
A kód sajnos nem ugyanaz, mert kb 10 hibát kaptam így néhány helyre be kellett írnom, hogy "const".
Aztán meg ezeket a hibákat kaptam: #error "USB_CFG_CLOCK_KHZ is not one of the supported non-crc-rates Warning 1 passing argument 1 of 'buildReport' makes integer from pointer without a cast [enabled by default] Ezeket úgy javítottam, hogy átírtam az (F_CPU/1000) parancsot (20000)-re az usbconfig-ban. A hozzászólás módosítva: Jan 20, 2016
Köszi. Kipróbálom.
Ha ugyanazt a chipet (ATtiny2313) használod, akkor próbáld meg beégetni azt a hex-et, ami ott van a ZIP fájlban, akkor biztos nem fog a fordítón múlni a dolog.
Sikerült
![]() Köszi!! ![]() Az volt a probléma, hogy usb hubot használtam. Ezzel kapcsolatban még annyi kérdésem lenne, hogy ez miért van? Instabil a hub feszültsége?
Sajnos közben kiderült, hogy csak egy gépen működik, de itt is csak usb hub nélkül, a többin mind "unknown device" hibaüzenetet ír.
Valaki tudna segíteni, hogy mi lehet az oka? Én arra gyanakszom, hogy a kapcsolás instabil.
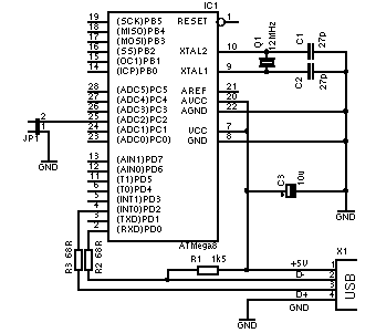
Ezek a kapcsolások kicsit megerőszakolják az USB specifikációt, a fizikai rétegre vonatkozó pontokat nem igazán teljesítik, ezért az ilyen áramkörök kényesek lehetnek a megépítés módjára (kapacitások, kábel hossza és minősége stb...). Arra tippelek, hogy ebből adódnak a gondjaid. Csatoltam egy kapcsolást, amit én használtam egyszer. Ez nyákon megépítve, kábel nélkül (a panelre forrasztott csatlakozóval) megbízhatóan működik.
Köszi!!
![]() Ez az a kapcsolás amit kerestem, tökéletesen működik minden géppel és hubbal. |
Bejelentkezés
Hirdetés |





)))) 









