Fórum témák
» Több friss téma |
Fórum » Vaillant eloBlock villanykazán áramváltó
Témaindító: kiraly965, idő: Nov 29, 2022
Témakörök:
Sziasztok!
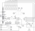
Olyan kérdésem lenne hogy egy áramváltó relét a Vaillant eloblock típusnál miképp kell bekötni? Csatoltam egy elvi rajzot hogy miképp gondolom én. Viszont a leírásában szerepel egy olyan: 5.3.2 A két áramtarifás üzemmód beállítása 1. Vegye le a hidat az X2-kapocsról (ESC). (→ Oldal: 24) 2. Csatlakoztassa a vezérlőjel vevőjének érintkezőjét az X2-kapocsra (ESC). Ez mit takarhat pontosan? Mert elvileg enélkül is működnie kellene a kapcsolásnak, kazánnak. Előre is köszönöm a helpet.
Szia !
Az áramváltó egészen más. Te a mágneskapcsolót nem tudod bekötni, pedig ott a rajz. Nem lenne jobb szerelőt hívni ?
A villamosenergia szerződésed szerint a vezérelt hálózatra kötött készüléket nem szabad átkapcsolhatóvá tenni a nem vezérelt hálózatra. Pont az a lényege a vezérelt hálózatnak, hogy a rendszerirányítás csökkenteni tudja a csúcsidejű fogyasztást, cserébe ezért olcsóbban kapod az energiát.
Kedves Zsolt!
A mágneskapcsolót nyilván be tudom kötni rajz szerint amivel nincs is probléma. Problémám az X2 kapcsos dologgal van hogy mi köze van a kazánnak a mágneskapcsolóhoz, mikor a mágneskapcsoló saját maga teszi a dolgát.
Szia!
A megadott rajzról Én sem kötöm be az X2 kapcsot ! de csak azért mert X1 és X3 van rajta .... Esetleg egy fénykép.? A mágneskapcsoló rajz ,sem jó igy ---Nálunk a Nulla vezetőt(a szétválasztási ponttól ) külön viszik az A1 és B tarifa esetén . Az meg a Hálózati szerződésben benne van ,hogy átkapcsolhatod mindkét tarifára? Milyen feltételeket kell betartanod? Villamos terv, kivitelező , MGT . S mivel az itteni közönségből még senki nem találkozott ezzel a készülékkel/problémával, igy érdemi válasz nem valószinű.
Sajnos a hálózati szerződést még nem néztem át de gyanítom hogy benne lehet hogy nem szabad áttenni kapcsolhatóvá.
Idézet: „ Nálunk a Nulla vezetőt(a szétválasztási ponttól ) külön viszik az A1 és B tarifa esetén .” Igen, de ezzel az a baj hogy a készüléknek nincs külön nulla becsatlakozási pontja úgy hogy külön kell azt is vinni. Lehet több a vesződség vele mint amennyire megérné. ![]() Idézet: „S mivel az itteni közönségből még senki nem találkozott ezzel a készülékkel/problémával, igy érdemi válasz nem valószinű.” Sajnos pont ez a baj hogy nagyon kevesen értenek hozzá, környékbe több villanyszerelőt is kérdeztem de legtöbbjük csak "lekoptatott" ezért gondoltam hátha itt a fórumon többet tudnak hozzászólni. |
Bejelentkezés
Hirdetés |






