Fórum témák
» Több friss téma |
Örülök ha segítettem
Trafó ügyben vedd fel a fórumtársakkal a kapcsolatot Bővebben: Link
Mivel toroid trafó van benne, arra nyugodtan tekerhetne pár menetet segédfesznek, és utána azt egy egyutas egyenirányitással bekötni a hangszinnek tápnak. Természetesen stabilizálhatja is. Igy külön lenne az erősitő tápjától, és tutira nem búgna semmi. Én így oldottam meg annó az ST151-ben a hangszin panelom tápját. Abban is LM1036 volt.
Szia! Teljesen egyet értünk. Bővebben: Link
Huu... ezt vagy átugrottam, vagy nemtudom.
Szia, igazad lehet, reloop is említette, de végülis elvetettem, mert ez jobban kezelhető, megbarátkoztam a 2 trafóval, vettem egy 5W-os kis trafót 350Ft-ért ez pont jó lesz szerintem.
Legalább azt a pár ledet is meghajtja, ami a bemenetválasztóhoz kell. Már csak a dobozon agyalok, ezt képzeltem el.
Igen, az épités legnehezebb része a bedobozolás. Amugy nekem tetszik.
SZiasztok,
nos, jelentem, az erősítőm működik, 2 trafóval ugyan, de működik. Nem is zúg, szép hangja van, úgyhogy mindenkinek köszönöm a segítséget! Ha kész lesz az egész, "hálából" felteszek néhány képet is. szep hetveget!
Sziasztok!
Teljesen kezdő vagyok! Szeretnék egy TDA 2030-asból végfokot csinálni! Találtam az alapkapcsolásoknál egy megfelelő topikot ami egy kezdőnek való! Egyszerű 14 W-os erősítő TDA2030-al Lenne pár kérdésem! Na most én számítógépre szeretném kötni! 1.miért csak 1 input van megadva a rajzon?egy jackdugóban 2 eres kábel van!Azokat össze kell kötni?vagy mégis azt hogy kell megoldani? 2.Gnd!(földelési pont! A rajzon ha nem tévedek 2 földelési jel is látható?Miért? A gnd ágához nem lehet kötni?vagy csak simán egy fadarabhoz kössem?És a GND ágban miért van külön jelölve a föld? 3.A tápfesz (-)-ja az megegyezik a GND-vel? Bocsi még nagyon kezdő vagyok! Válaszotokat előre is köszönöm! Tisztelettel:Ricsippi
1- mert a rajz egy mono erositot abrazol
2- ha stereot szeretnel kettot kell csinalnod (mint az utolso kepen) 3- igen
Sziasztok!
Nemrég megépítettem ezt az erősítőt, szépen elindult működik normálisan csak egyszer azt vettem észre, hogy a fülemet zavarja valami. Egy spektrométerrel rámértem és azt tapasztaltam hogy a egy kb. 20KHz es tűske állandóan jelen van ha szól az erősítő. Szerintetek ez mitől lehet és hogyan tudom elűzni. A rajzról nem látszik de TDA2030 IC van benne, és a tranyókat BD711 és BD712 -val helyettesítettem. Még annyi változás van hogy az egyentápfeszről kivezettem egy vezetéket egy 7805-re amivel hajtom a ventillátort. Előre is köszi.
Érzékeny a tápra ez a kapcsolás én is meg csináltam , igaz én BD Tranzisztorokkal . A pufer kondik után tegyél még 220nf kondikat azzal kísérletezzél hogy a legjobb . És a tápod+és - kivezetését is kösd össze ilyen kondival .
Sziasztok. Egy TDA2030 híd mennyi maximum feszültséget kaphat 4ohm esetén ? Jó lenne ha 38V-ot elviselne.
Hat az adatlapja max +/-18V -- 36V -ot ir igy necces.
Be kell építeni az egyenirányitás után néhány feszcsökkentő diódát amiken a feszültség esni fog 1nyéhány tized voltot ,akkor jó lehet.
Akkor elolvastam egy picit! Valamiért én +-22V ra gondoltam. Mondjuk letekerem én a toroidot úgy, hogy 33V DC legyen csak az gond, hogy fogja-e bírni hídkapcsolásban a 4ohm-ot ilyen magas tápfesz mellet.
A TDA2030 3,5A áramot képes leadni. 4 ohm -on ez 14V-ot jelent. Az e feletti táp csak hőt termel. Természetesen kell ráhagyás a maradék feszültségnek, de a híd kapcsolásnak 22, vagy +/- 11V-nál értelmetlen többet adni. Változik a helyzet, ha tápáram vezérelt tranzisztorokkal egészíted ki.
Sziasztok ! Szeretném kérni a segítségeteket , hogyan tudna ez a kapcsolás megvezérelni 1TDA2030IC t? Amúgy jól működik de mint ki derült korántsem hangszórós vevő, csak fejhallgatóval működik . Milyen kapcsolással lehetne megoldani hogy megvezéreljen egy ilyen ic t ?
http://bsselektronika.hu/index.php?id=477 Ez volna az.
Pedig egyszerű.
Megépíted a TDA2030 adatlapi alapkapcsolását. A bemenetére megy a kis kapcsolásod a kimenetre meg a hangszoró.
Én TDA2030Hídkapcsolást kötöttem rá ami egy cd le játszót működtet jelenleg ide haza tehát működő képes a híd. Viszont nem vezérelte meg valamiért.
Sziasztok!
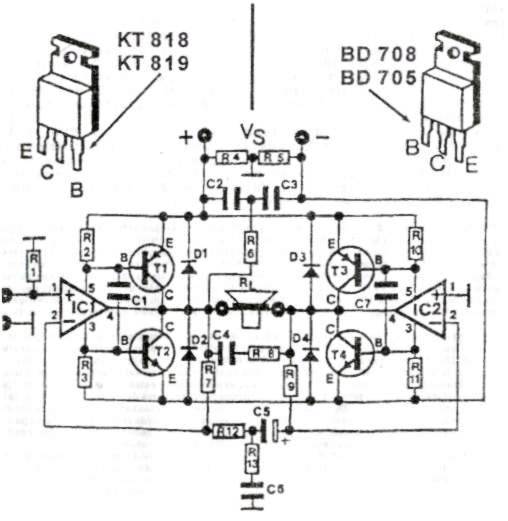
Egy kis segítségre lenne szükségem!Nemrég kezdtem építgetni és találtam Takee kollégánál egy megfelelő rajzot meg hozzá minden egyéb szükséges dolgot! Viszont 2 problémám van! 1.Az R6-os ellenállás értéke lemaradt! Meg tudná valaki mondani milyen értékű ellenállás kell oda? 2.A panelrajzon van egy nagyobb méretű kör!Annak mi a szerepe?Vagy az csak felfogatás? A rajzokat mellékeltem! Segítségeteket előre is köszönöm! Üdvözlettel
Sziasztok!olyan kérdésem lenne hogy a tda2030 as erősítő sima (+ 18v) és (gnd) tápfeszszel is elmegy vagy csak középpontmegcsapolású Trafóval ahol +18V és-18V kell??????mert szerintem elég neki +18v és egy Test(GND)
A Válaszokat előre is köszi ![]()
Sziasztok!
Agyaltam rajta hogy 2 ohm os hangszóróhoz mélyládába milyen erősítőt tudnék tenni nekem elég lenne kb 100 watt teljestményű. A következő kapcsolást találtam: http://www.eleccircuit.com/power-amp-super-bridge-120w-by-ic-tda2030/ Olvasgatam róla azt írják néhányan hogy gerjedékeny meg nincs jó hangja. De SUB ba talán megteszi. Ha valakinek bármilyen tapasztalata van kérem ossza meg velem, vagy ha kész panelterve pdf ben vagy valami nyomtatható formátumba amiből panelt lehet csinálni.
Találtam egy lengyel kapcsolást! Elég komoly munka mi a vélemény? Bővebben: Link
Szia! Ezek a tápvezérelt megoldások bár működőképesek, mégsem terjedtek el. Nem tartom szerencsésnek. Ha IC párti vagy köss párhuzamosan TDA7293-at, az nálam 2 ohm-on bevált.
SUB hoz megfelelő hangja van. Tda 7294 es ic ből van itthon pár meg kb 500 ft az IC+ alkatrészek. Olcsó stabil viszonylag jól szól. Azt mondod ha 2db TDA 7294 est párhuzamosan kötök kibírja?
Pedig jó lett volna mert az van ...
Részleteket tudnál írni ? Tápfeszültségről kapcsolási rajz nyomtatható panel
Találtam egy kapcsolást!
http://www.google.hu/imgres?q=tda7294+parallel&um=1&hl=hu&client=op...ih=960 |
Bejelentkezés
Hirdetés |




Trafó ügyben vedd fel a fórumtársakkal a kapcsolatot










