Fórum témák
» Több friss téma |
Fórum » Vezeték nélküli vezérlés
Témaindító: CoderKevin, idő: Ápr 18, 2007
Témakörök:
Az LA7913 egy tunercontroller, I2C vezérléssel, és persze itt medvének igaza van mert a pll nem tökéletes folyamatos hanem stept hangolást biztosit,
és ennek az irányitásához külön softvert kéne irni. a HQ-ban 207-ft.most néztem a lapján. Vezérelni 1 pic-el lehetne de tudni kéne a 7913 hardvercimét is az I2C protokol részére, különben bajos lessz megszolitani az I2C buszon.
Medve testvérem lelki szemei jóval távolabb látnak, mint az enyém
Csináltam pár képet a "maradékokról", sajnos nekem nem sokat mond, remélem, csak egyelőre. Az I2C nem volna gond, írtam már PC-re meg PIC-re is ilyet, EEPROM-hoz, valószínűleg ezt is össze tudnám hozni. Eddig csak egy adatlapot találtam hozzá, három oldal japánul, a protokoll aligha van benne, csak az elektromos paraméterek, meg három kis rajz. A címet talán ki tudnám nyerni belőle, ha meg tudnám szólítani, mert legfeljebb elsőnek olyan progit írok, ami a teljes címtartományon végigszalad, és ha jön válasz, megvan a chip. Barátom, a gugli még dolgozik a jobb közelítésen
Kép is van, bocs...
üdv mindenkinek
![]() nekem is kéne egy adó-vevő de nekem infrás és nem rádiós ![]() de inkább vmi olyasmi kapcsolási rajzott szeretnék kérni ami 100% h müködik az lenne a legjobb ha vki már csinált iet és müködik neki elöre is kösz
Itt az oldalon találsz ilyeneket, ezek keresését rád bízom, de adnék egy linket, ahol (mindig) érdemes keresgélni: discovercircuits
Ha csak ki-be akarsz valamit kapcsolni, el sem lehet rontani
Helyesbítek, megnéztem az adatlapot, nem is tudtam, hogy japánul is tudok...Az LA7913 csupán egy kapcsolófesz. "konverter", csak logikai funkciója van, gyakorlatilag egy demultiplexer, a két bemenetből állítja elő a négy sávkapcsoló jelet. Lehet használni, de egyelőre jobb ha nincs. A kapcsolójeleket egyszerűbb előállítani egy akármilyen 4 állású kapcsolóval. Valamint ha PLL-t használnánk a hangolófesz. szűrésében segít. Még ez sem kell. Egy szép sima 30V megteszi.
Higyjétek el, nem vagyok én ellene a PLL-nek, sőt, de először az analóg rész muzsikáljon, aztán lehet PC-zni...
Találtam egy oldalt, máris tudom, mit jelentenek a feliratok a lábaknál
Megyek tápot csinálni...
Hát, alighanem belenyúltam a házilag legmacerásabban kivitelezhető dolgok egyikébe ezzel a spectrum analyzer irányvonallal... Ha valaki végigolvassa az alábbiakat, segíthetne, mit és honnan lehet még megtanulni a működés megértéséhez.
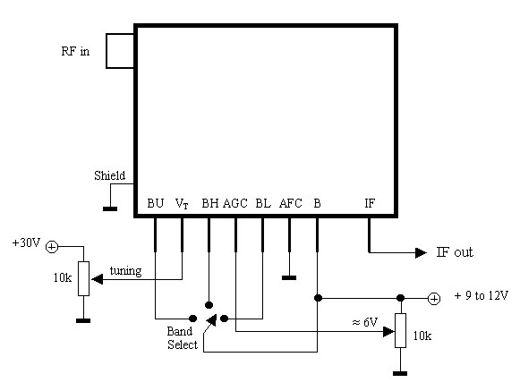
Szóval, elkészült valami, talán az eleje. A korábban említett tunerhez csináltam tápot 12 és 30 voltra, meg egy próbanyákra feltettem az alábbi rajzon látható potikat, kapcsolót. Helipoti szerencsére volt, így azok vannak benne. Még nem kapcsoltam be, de remélem, nem füstölöm el... ja, és korábban elírtam, BI helyett BL van. Ha jól értelmeztem azt, amit eddig összeolvastam, meg a meglévő tuneremben látok, akkor a BL, BH, Bu lábakkal választható ki rendre a tuner kis-, közép-, illetve magas frekvenciás sávja, a Vt lábon lévő feszültséggel ezen a sávon belül állítható a frekvencia, az AGC erősítést állít be (bejövő, vagy kimenő oldalit?), az AFC-n pedig finomhangolást lehetne még csinálni. Az MB pedig a +12V, gondolom. IF kimeneten 38.9 MHz jön, és a régi nyákján itt háromfelé ágazott szét. Ha abból indulok ki, hogy 300 ... 450 MHz között szeretném keresni az eredeti távirányítóm jelét, akkor ez talán a középső sáv, tehát BH megy a tápra. És innentől jön a bökkenő, legalábbis nekem: hogyan tudok egy adott középfrekvenciára állni (vagyis hogyan függ f a Vt-n lévő feszültségtől), mekkora lesz a sávszélesség és tudom-e állítani, valamint mit kell csinálni a kapott IF jellel, jó-e hozzá a szintén meglévő mixer áramkör?
Épp akartam ajánlani azt az oldalt!
A sávkapcsoló bemeneteket jól értelmezed, az AGC az előerősítők erősítéseit állítja. f-Vt görbe eléggé esetleges, van némi tűrése a függvénynek, nem mondhatjuk, hogy 10,537V-nál a vett freki 315,625Mhz. A frekvenciahiteles megoldás a PC (PIC)-PLL es módszer, vagy az olyan tuner amely tartalmaz, egy előosztót. Ennek kimenetén a (vételi freki + 38,9MHz)/256 MHz jelenik meg. Ezt kell mérni. Na most itt problémát jelenthet a berendezés szélessávúsága, de ezen még nem gondolkoztam el. Ha a hangot nézzük, (hallgatjuk) akkor a hangvivővel módosul a 38,9...Mindegy, egyszer kell lemérni. Szóval, a műszered még nincs kész, a tuner IF kimenetére rá kell akasztani a KF egységet (LA7530). Ez adja a HF és térerő jelet, amivel pontosan rá tudunk majd állni a frekire. Ui.: A tunert levetted a panelről?
Hát, izé... Levettem. De nem úgy, hogy a kis dobozkát szétszedtem volna, hanem az egész dobozt forrasztottam ki, a B, AGC stb. lábaknál, ahol eredetileg egy nagyobb nyákra rá volt ültetve. Ha ez baj, öt perc visszaforrasztani azt a pár drótot, csak azért szedtem le, mert eredetileg ugye ez egy videó volt, és van még azon a nyákon pár dolog, ami vagy kell, vagy nem, vagy bezavar, vagy nem...
Na jó...a későbbiekben még jól jöhet az a panel...Jó lenne egy rajzot készíteni róla...
Hello mindenki!
Van egy TX2-es adóm és egy RX2es vevőm ezeket szeretném működésre bírni. Az adatlapjukban van is egy tesztkapcsolás de nem teljesen tiszta. A adó rajzán gondolom az RF outra megy az antenna ez lehet egy darab drót a 2-es lábra kötve? a következő problémám az, hogy nem tudom mit jelent a txd felirat (ide kell magas jelet adni ha a másik oldalon pl egy ledet szeretnék bekapcsolni?) A vevő oldalon azt meg tudná mondani valaki, hogy mi az az RXD,AF,CD? és mijen tranyót tegyek bele. Köszi a segítséget.
Hello!
Kicsit közelebbit tudnál írni a panelekről? Gyártó? Esetleg hol vetted? Sajnos néhány gyártó szereti a rövidítéseket, és így azonos néven lehet több féle is.
Hello csatolom az adatlapot.
Hello!
Köszi,ezt a gyártmányt nem ismertem. A kezelése olyan mint a többi RF egységé. Itt a hobbielektronika.hu-n volt egy tanfolyam ebben a témakörben,most így hirtelen nem találom,hogy milyen néven,de szerintem célszerű elolvasni. A leírtakból arra következtetek,hogy most elsősorban kísérletezni szeretnél az adó/vevővel. A kérdésekből pedig arra,hogy még nem foglalkoztál ilyen modulokkal. Ha addig nem kapsz választ mástól,akkor délután vagy este bővebben leírom,hogy mit és hogyan tegyél. Üdv. Ottó
Üdv az uraknak!
Vakut akarnék elsütni rádióval. A fényképezőgépek rövidzárral sütik el a vakukat (2pólus összeérintése). Ez a rövidzár lenne az adó bemeneti jele, és a vevő kimenetén megjelenő jel vinné el a vakukat. 1adó négy vakut(vevőt) kéne elsüssön. Nem lenne rossz, ha be lehetne állítani, ha több ilyennel is dolgoznak mások is, hogy ne akadjon össze (címezhető?!?!) Tudtommal az Aurel cég gyárt ilyeneket, de dunsztom sincs melyik kellene pontosan illetve jól gondolom e. Pl van e bolt ahol emberrel tudok beszélni aki megmondja, igen ez és ez a termék megfelel erre a célra. előre is köszi minden hozzászólást.
Sziasztok!
Van egy kérdésem, amire eddig sehol sem kaptam választ: Egy olyan egyszerű áramkörre van szükségem, ami azt csinálja, hogy ha az adó oldalon megjelenik +5 Volt (vagy épp 0 volt), akkor a vevő oldalon is jelenjen meg + 5 Volt (vagy épp 0 volt). Sikerült úgy megépítenem egy ilyet (Adó: PIC+868MHz adómodul, Vevő: PIC+868MHz vevőmodul), hogy az adó folyamatosan sugározza az infot, hogy épp +5 vagy 0 Volt van a bemeneten. Ez jó megoldás? Talán úgy kéne, hogy csak akkor sugárzok jelet, ha változás történt a bemeneten (nem pedig egyfolytában)? köszi
igen, ha be tudod programozni, hogy például kiküld 3x át az a kikapcsolt állapot, a bekapcsoláshoz pl. 3x 1-et.
Csak egy impulzus nem elég, mert adatvesztéskor nem fogja tudni, hogy mit kell csinálnia! a lényeg, hogy a be és a kikapcsolt állapot más szám (jelsorozat legyen)
Megpróbálom hátha vetődik erre valaki.
Van olyan egyoldalú adó vevő rendszer ami tud 500métert légvonalban kint a pusztában??? 2Db adó 1db vevő Egy mágneskapcsolót kellene vezérelnie öntözőszivattyút. Adóknál nincs áram csak a vevőnél.
Remélem egyidőben csak egy adót akarsz üzemeltetni. Mindenesetre megpróbálhatnál egy vezetéknélküli kapucsengőt felhasználni erre a célra, ha tisztességes antennát teszel az adóra és a vevőre is, az 500 m sem probléma, és eredetileg is elemről működnek, és nem drága.
Szevasztok.
Segítséget szeretnék kérni az ügyben hogy egy adóval szeretnék vezérelni a vevő oldalon 4 relét. Ezen topic elején van egy igen egyszerű rajz a vevőröl és az adóról. Aztán kerítettem ilyen bizonyos RF modulokat is 433MHz ISM vevő 433MHz ISM sávú adó csak én nyugtalanítóan sok pint látok ezeken a modulokon, így az lenne a kérdésem hogy ezek a modulok illeszthetőek-e közvetlenül az alább mellékelt 2 kapcsoláshoz? Ha igen akkor mely pineket kellene felhasználni és mire? Előre is köszönöm.
Egy kissé belenyúltál. Ezeket a modulokat mikrovezérlős használatra fejlesztették ki. A mikrovezérlők nélkül el sem lehet indítani, mert az RF jellemzőket is bele kell írni. Olvasd át az általános tudnivalókat, mindjárt az adatlap elején.
Sziasztok
Szeretnék építeni egy fényérzékelős jelzőt egy rádiófrekis adó és vevő segítségével. A lényege az lenne, hogy ha fényt érzékel, akkor az adó elkezdjen sugározni, és egy ledet kapcsoljon a vevő. Tudtok hozzá egyszerű kapcsolást?
nincs kéznél egy fölösleges sem, és inkább magam szeretném megépíteni hogy tanuljak is valamit belőle
Szia!
A "434 és 868 MHz-es adóvevő modulok" topikban vannak rajzok.Szerintem azt a topikot is böngészd át. Üdv. Ottó
Találtam egy 27MHz-es adó - vevő párost. Ezzel szeretném távolról kapcsolni a ledet vagy egy relét.
Elméletben működőképes ez a kapcsolás? És a vevő bal alsó sarkában annak a tranzisztornak hová megy a lába? Hibás a rajz, vagy nem kell bekötni?
Ha már valaki lerajzolta, biztos működik is. Elvi hibát nem látok benne, de attól még lehetnek problémái. Az a tranzisztor csak stabilizálás miatt van ott, és csak a bázis emitter diódája van használva.
|
Bejelentkezés
Hirdetés |


















