Fórum témák
» Több friss téma |
Fórum » Visszapillantó tükör behajtómotor vezérlés
Témaindító: bragalyi, idő: Okt 2, 2013
Témakörök:
Köszönöm a segítséget. Nagyon tetszik. A pwr-nek adhatok állandó +12V feszültséget, nem fogja az akkut lemeríteni? Jó lenne, ha nem indulna mindig elölről. Szerintem a VW, Mercedes, Bmw amik minden harmadik szélvédőmosás után lemossa a fényszórókat, ott ez gyújtás levételével is meg van jegyezve.
Nyugodtan adhatsz neki állandó tápot, nem fog fogyasztani..
Kedves Proli007,
Szuksegem lenne jelenleg egy olyan kapcsolasra, ami ennek pont a forditottjat tudja. Rovid nehany masodperces INP jelre kiad az OUT-on 30 masodperces jelet. Az elkezdett idozites jo lenne ha torolheto lenne negativ jelre valo kapcsolasra. Ugyanigy 555 IC-vel szeretnem hasonlo modon elkesziteni, mint a fenti kapcsolast. Tudnal ebben is segiteni?
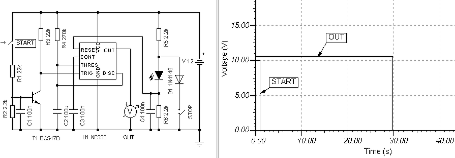
Hello! Ha így megfelel..
- A Led csak szinteltolásnak van az áramkörben, lehet bármilyen. - Az indtó Start jelnem lehet hosszabb, mint az időzítés. - A Stop jelre törlődik az időzítés, de ha a jel fixen alacsony szinten van, akkor indítani sem lehet. - Az OUT kimenet maximum 100mA-ig terhelhető. A hozzászólás módosítva: Szept 7, 2020
Sziasztok!
Opel astra h autóba szeretnék utólagosan elektromosan becsukódó tükröt tenni. A tükröket meg tudom venni. A hozzá való kapcsoló panel viszont már nehezebb ügy, de még ez sem lehetetlen. Az eredeti, ajtóban lévő kapcsoló panel tartalmaz egy elektronikát, ami a tükrökben lévő motorokat vezérli. Ennek a kapcsolása a mellékelt képen látható. Az elektronika bal felső szélén látható vezeték az egy +12V táp, amit a REC ( csomagtér elektromos központ ) modulból kap, gyújtás ráadásakor, illetve, a központi zár nyitásakor. A 13-as pontra jövő vezeték az elvileg egy direkt +12V, amit szintén a REC modulból kap, a 26-os biztiről. Namost viszont ez a kimenet egy áram figyelt kimenet. Ami a motorok végállásba történő mozgásakor kiold. De ezt a funkciót az én REC modulom nem tudja… ennek a rendszernek a kiváltására kellene nekem egy elektronika. Ami úgy működne, hogy záráskor a riasztó komfort kimenete ad egy hosszú, kb 30s impulzust. Ami negatív. Ezzel kellene, hogy bezáródjon a tükör. A nyitás pedig mehetne a kp zár motorról levett impulzussal nyitáskor, vagy akár a gyújtásról, hiszen attól, hogy kinyitom az autót, még nem biztos, hogy megyek is vele. Az eredeti kimeneten 7,5A biztosíték van. De az áramfigyelésnek állíthatónak kellene lennie, kb 500mA-7,5A között. Erre kellene nekem egy elektronika. Az eredeti elektronikához tartozik egy külön gomb belül, amivel manuálisan nyitni, zárni lehet a tükröt. Ez látszik a rajzon. Jó lenne, ha esetleg ezt is tudná. Segítségeteket előre is köszönöm!
Hello! Ehhez a feladathoz néhány mérési eredmény is kellene.
- Illene tudni, mennyi idő alatt nyit és zár a tükör. - A motor induláskor megrántja az áramot és erre az időre hatástalanítani kellene az áram figyelést. Különben induláskor azonnal leold. Tehát egy idő kellene amíg az indulási tranziens lejátszódik. - A képen úgy látszik, hogy a két tükröt egyszerre vezérli. De ha nem egyidőben nyitnak ki, akkor két elektronika kell, mert a gyorsabb túlárama fogja leállítani a nyitást vagy zárást. Tehát valami szkóppal meg kellene mérni a működés közben az áramot és az időket. A feleadat megoldható, mikrokontrollerrel, vagy analóg/digitális áramkörükkel. Utóbbiba esetleg tudok segíteni, de egy kazal alkatrész igénye van. De hogy állsz a nyáktervezéssel, kivitelezéssel? A hozzászólás módosítva: Jún 11, 2023
Engem tökre érdekelne, mi a motiváció ennek az utólagos beszerelésére. Nekem 6 éve van kocsimban gyárilag, de én inkább kiiktatnám, csak épp nem lehet. (Vagyis ki lehet programozni, de akkor végleg, úgy nem, hogy amikor én akarom akkor hajtogassa a tükröt, de minden kp.zár zárásakor ne.) Talán két alkalom volt, amikor jófejségbôl piros lámpánál behajtottam, mert motorosnak segítettem elférni hogy elôrébbrôl indulhasson. De inkább csak frusztrál, két hibalehetôséggel több, egy amúgyis agyonbonyolított technikában.
Ford Fiesta. A főnökasszony kocsijával egy alkalmazott állt be a garázsba, a kulcsot benne hagyta, az meg idővel szépen bezárta magát. A tartalék kulccsal mechanikusan kinyitották, de a tükrök nem nyíltak ki. A felszabadított fő kulccsal ki/be zárás/nyitás, semmi. Elindult vele pár métert, akkor se...
Levették az akkusarut, vissza, semmi változás. Próbálták belülről állítani a tükröket, a tükörlapok mozogtak, a behajtott tükrökben... Nézem, van ennek a joynak egy piktogramja középen, felfelé...próba, és igen! A tükrök kinyíltak, utána már úgy működött, mint előtte, a nyitás/zárással együtt. (az alkalmazott kiszálláskor valószínűleg véletlenül megnyomta ezt a manuális becsukást) Nekem igen érdekes megoldás, hogy egy manuális tükör behajtást nem bírál felül a számítógép, hogy elindult az autó, hahó, mégis ki kéne nyitni... A hozzászólás módosítva: Jún 12, 2023
Idézet: Nem biztos, mert ha valami szűk helyen szeretnél átmenni és közben kinyílna eléggé mérgelődnél. „hahó, mégis ki kéne nyitni...”
Azért ez elég ritka esemény lenne, ahol még ennyi is gondot okozna.
![]() A másik furcsaság, hogy behajtott tükröknél is lehet állítani a tükörlapot...erre valami? |
Bejelentkezés
Hirdetés |








