Fórum témák
» Több friss téma |
Na már itt is vagyok!
Váó ez nagyon komoly! Persze, hogy tervezhetsz Szuper!!Hogy mit programozz be szerintem közösen beszéljük meg. Én pl ilyen "univerzálisra" szeretném majd megépíteni. Ezt úgy értem, hogy pl karácsonykor odaadom valakinek, aztán készítek másikat, azt pl valaki születésnapjára, és szülinapkor nem lenne jó a hull a pelyhes. Vagy olyan felirat, hogy Boldog karácsont! Persze aki tud PIC-et égetni annak ez semmiség ezeket módosítani. Tehát ha valakivel felprogramoztatok előre pár PIC-et akkor azt bármilyen alkalomra fellehessen használni. Hogy mi legyen benne? Nekem tetszene akkor a következők: Kijelzés: 2x16 karakteres kijelzővel, háttérvlágítás nélkül (esetleg külön ki-be kapcsolási lehetőség) Visszaszámlálás XX napról kezdve. Ekkor kiírhatja pl: Még XX nap, 20:20 van hátra <= (itt még nem írna másodpercet) Ha már 0 nap lenne hátra, akkor nem írná ki, hogy 0 nap hanem akkor így jelenítené meg: 20:20:20 <=(itt már másodperc is menne lefelé, vagy akár tizedmásodpercek is mehetnek) van még hátra. Funkciók Szerintem az a 3 vezetékes dolog mókás lenne, bár nem tudom mennyire bonyolítja meg az egészet. 1. kábel elvágása: felgyorsítja a számlálást (em sokkal) 2. kábel elvágása: megállítja a visszaszámlálást 1 órára majd ugyanonnan folytatja 3. kábel elvágása: visszapörgeti a számlálót 1 órával korábbi állapotra és onnan folytatódik a visszaszámlálás. Meg arra is gondolni kellene, hogy ha elindítjuk a visszaszámlálst, akkor ha szükséges ki tudjuk nyitni valamilyen módszerrel még az idő lejárta előtt, és folytassa a számlálást közben vagy újra belehessen állítani. Ezt meglehetne oldani úgy hogy pl egy mikrokapcsolót betenni a dobozba és kifúrni egy 1 max 2mm-es lyukat és tűt benyomva lehetne aktiválni, hogy kinyissa a dobozt, mint ahogy a modemeket, router-eket lehet resetelni. Az meg már más dolog, ha valaki ennek a kapcsoló helyére egy kódzárat köt be, a lényeg az ugyanaz. Ha beütik a megfelelő kódot az egy kapcsolóként működik és nyitja a dobozt. Szerk.: Ez így mennyire megvalósítható, kinek mennyire tetszik? Esetleg még annyi, hogy az nem foglal sok helyet, hogy "univerzális legyen" Akkor előre beprogramozott kiírások közül lehetne választani, hogy mit jelenítsen meg ha lejár az idő: Pl be lehetne állítani még a visszaszámlálás elindítása előtt hogy ezek közül mit írjon ki: Boldog karácsont! Kellemes ünnepeket! Boldog születésnapot! Boldog névnapot! stb.
Én nem gondoltam ennyire túlbonyizni, mert nincs időm. (Párhuzamosan fejlesztem az infrás hangerőszabályzót)
Arra gondoltam, hogy van egy óra naptár IC, aminél 3 gombbal lehet beállítani a pontos időt. Ehhez képest egy menüben az aktivációs időpontot lehet megadni. (pl.: 2009/12/25, 20:38) Persze aktiválódáskor kiírhat egy tettszőleges szöveget, de mint mondtam (írtam) én nem tennék rá kijelzőt. Max. egy csipogót ami bip-bip-bip hanggal előjelezné, hogy pl. 10mp. múlva robbanik, izé, nyílik a zár. Persze, rejtett kapcsolót lehet rátenni, ami nyitja a belső zárat.
Nekem ez is teljesen tökéletesen megfelelne!
Örülök, hogy egyátalán nem utasítottad vissza a felkérést!
A zármechanika viszont rádmarad...
Egy skiccet készítettem, hogy én milyenre gondoltam. Ez egy lenyomással (mint az autó motorház fedele) lecsukható. Nyitni az elektronika fogja. A doboz fedeléhez (pl a sarokra) kell tenni egy kis (tollbetét) rugót, ami felfelé feszíti 2-3mm-rel a fedelet. A tekercset el lehetne készíteni egy kibelezett 5V-os nagyáramú reléből.
A mechanikus nyitást illetve a mágneszárat megoldom
![]() Még esetleg annyit kellene megbeszélni, hog amikor lejár az idő akkor hány másodpercig húzzon be a mágneszár. Szerintem max 3-5 másodperc elég lenne. Ettől kvesebb szerintem ne legyen, hátha valaki valami kis motorral akarja megoldani, vagy valami más módszer választ.
Szerintem meg 120~200ms elég ahoz, hogy kipattanjon a fedél.
Van még jelentkező a projektre? :whistle:
Engem érdekel az tuti. Ja meg természetesen nekem elég egy felprogramozott pic meg egy kapcsolási rajz az a felhasznált alkatrészekkel.
Az LCD-s része az lehetne HD44780 kompatibilis? Csak azért mert ilyenem van itthon és eléggé ismert, elterjedt típus.
Csakis az lesz! Ugye 2x16-os?
Kapcsolási rajz hamarosan, ha lenne még érdeklődő rajtad kívül is...
Igen 2X16-os. Remélem, hogy másokat is érdekel, például akik nemrég nyitották a a topicot és áthelyezték ide a hozzászólást, vagy az eredeti témanyitót, aki 2 éve nyitotta. Ma néztem az adatlapját 4 napja volt itt, de csak olvasgat, nagyon nem ír. Majd megkérdezem tőkle, hogy még érdekli-e a dolog.
Esetleg rovásírásos verzió és 1x 16 karakter vagy 1x40? :hide: :peace:
Jelentkezem! Engem is érdekel a projekt! :wave:
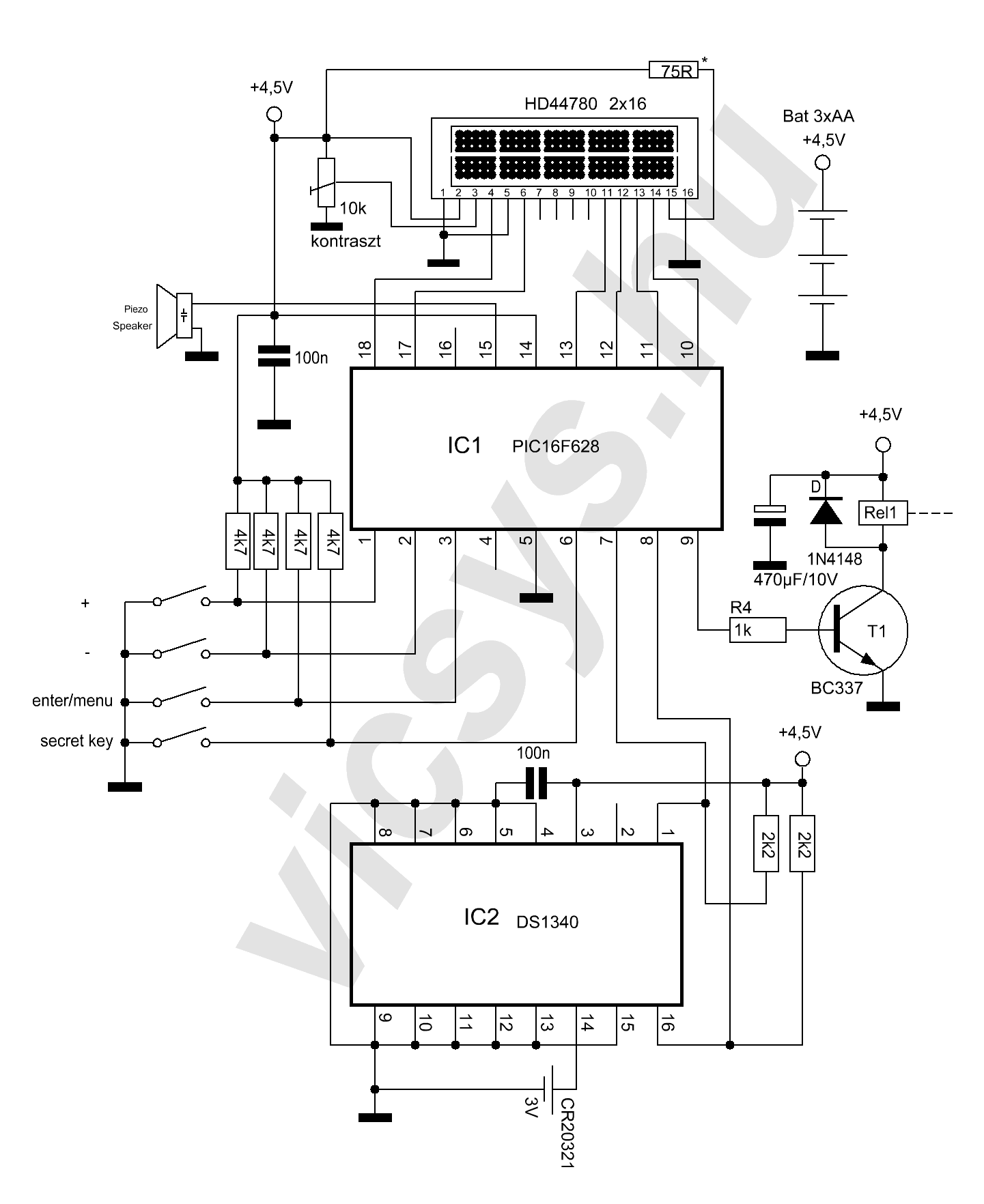
Csatoltam a kapcsolási rajzot. Nézzétek át, hogy nincs-e benne hiba, elkötés. Ha van ötlet a módosításra, szóljatok.
A "secret key" titkos kapcsoló, lehet egy reed cső, amit kívülről egy kis mágnessal lehet aktiválni...
Én nem látok benne hibát, de több szem több csipa, nézze át más is.
Elkészítettem a nyáktervet is. Mindössze 45x45mm-es lett. Ezt is átvizsgálnátok?
Jól nézki! Köszönjük!
Szerk.: Ezt a DS1340 IC-t hol lehet beszerezni?
Szia!
Bővebben: Link
Értem! Ezeket találtam. Jó az a DS1340 amit mintaként lehet rendelni? Látom, több db is van, melyik lenne a legjobb?
Szerk.: Látom a weblapon van 8 és 16 lábú is. Akkor kijavítva a kérdésem. Mindegy, hogy melyik 16 lábút rendelem meg?
Szerintem azok is jók, amiket mintaként lehet rendelni.
Csak a tokozásra figyelj, ne SOIC legyen. De ha jól tudom 6-7 tételig lehet mintát rendelni, úgyhogy mindegyikből rendelhetsz egyet-egyet hátha szükség lenne rá...
Bocsi, a nyáktervet most néztem csak meg, szóval SOIC kell!
Nem mindegy! Egyébként is minek rendelnél? Még nem is biztos, hogy működni fog... Vagy nem adom ki mert nem fog tettszeni.
Be-be-beeee :beka3:
WÁÓ! Te aztán nem fecsérled el az időt! Már fotózott nyák is van hozzá
Nem semmi!Már hogyne tetszene!
Már meg is találtam az első hibát. Tehát a nyák nem jó.
4 és 5-ös lábak... Nézd meg a PIC adatlapját. Most buzerálom a programot. Érdekes módon, a PIC 80% memória telitettség felett kifagy...
Menj, pihenj le, majd holnap tiszta lappal elkezded és megoldod a problémát.
Ha jól sejtem, ezek a megfelelőek hozzá:
DS1340C-18# DS1340C-3# DS1340C-33# Az alsó 3 db-ról van szó.
Nem ilyen egyszerű. Nézd át az adatlapját, különös tekintettel a tápfeszre(!) és az integrált/külső rezgőkvarcra.
Ezért nem szeretem ha arra buzdítanak, hogy rendelj ész nélkül! Aztán a komoly fejlesztőknek meg beintenek majd a cégek... :bummafejbe: Tipikus példa a Vishay, vagy a Microchip. Aki esetleg nem értené: Magyarországot kizárták néhány hülye kis :kocsog: miatt. Részemről meg meggondolatlanság volt előre feltenni a kapcsrajzot. Úgy néz ki jelen pillanatban, hogy a PIC és a kapcsolás is változik. Sajnos a 628 kicsi a sok printf()-hez. Saját LCD meghajtást meg most nem írok. Na megyek, rakok egy nagyobb picet bele és átírom a progit. |
Bejelentkezés
Hirdetés |




Szuper!!
Örülök, hogy egyátalán nem utasítottad vissza a felkérést! 





Nem semmi!
Mi a hiba?
