Fórum témák

» Több friss téma
Fórum » Walkie-Talkie külső tápegység
Lapozás: OK   1 / 1
(#) Onishi hozzászólása Aug 13, 2007 /
 
Hellósztok!

Én vettem a szamszédommal közösen egy Walky-Talky-t. Mi otthon akarjuk használni, és nem akarunk állandóan elemeket venni bele. Megpróbáltam egy trafót rákötni (6V), bekapcsolódott meg minden csak egymás hangját nem nagyon hallottuk benne. Az lenne a kérdésem hogy miért van ez és hogyan tudnám megcsinálni úgy, hogy trafóról működjön?

Előre is köszönöm.
(#) Moderátor hozzászólása Onishi hozzászólására (») Aug 13, 2007
 
Téma címét javítottam.
(#) Topi válasza Onishi hozzászólására (») Aug 13, 2007 /
 
Trafó nem elég. Szűrni is kell borzasztóan az egyenirányított tápot. Mondjuk 7806 és egy halom kondenzátor.
(#) hetfield hozzászólása Aug 13, 2007 /
 
hello
sztem csinálsz egy aluláteresztőt meg rakszrá pár ezer mikro farádot azzal már meg tudod szürni annyira a sdolgot hogy türhető legyen
(#) Onishi hozzászólása Aug 13, 2007 /
 
Egy kicsit pontosabban is el tudnátok magyarázni nekem, hogy milyet vegyek hol és hogyan kell megcsinálni stb. mert még eléggé kezdő vagyok ebben a témában
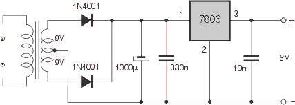
(#) Topi válasza Onishi hozzászólására (») Aug 13, 2007 /
 
Itt egy rajz, ha a trafó már DC-t ad, akkor a diódás trafós rész elhagyható, és a feszültséget tulajdonképpen az 1000µF-os kondi két kapcsára kötöd...

stabic.gif
    
(#) Csibi hozzászólása Aug 13, 2007 /
 
hello
Itt szerintem eleg szepen el van magyarazva
Bővebben: Egyeniranyitok
(#) mokus válasza Onishi hozzászólására (») Aug 13, 2007 /
 
walkie-talkie-nak nem pont az a lényege, hogy ne legyen madzaghoz kötve az ember?

Szerintem vegyetek tölthető akukat AAA méretben és egy töltőt, aztán ha lemerült mehet bele egy másik garnitúra.
(#) tonio hozzászólása Aug 14, 2007 /
 
Tulajdonképp hány db. elemmel működik a készülék?Nekem is van de az nem 6 V-os!Ezek szerint a tied 4 db. elemmel működik?
(#) Onishi hozzászólása Aug 14, 2007 /
 
Igen 4db 1.5V-os micro AAA-val működik.

mokus:Igen de mi csak otthon akarjuk használni, a szomszéd meg túl lusta ahhoz hogy állandóan töltögesse.
(#) Inhouse válasza Onishi hozzászólására (») Aug 14, 2007 /
 
Ha szabad kérdeznem, hova kötöttétek a tápot? Az akkuk helyére, vagy a töltő csatlakozójára? A töltő részen keresztül nem biztos, hogy lehet táplálni, valószínűleg nem egy az egyben van az akkukra kötve a csatlakozó...
Az AAA akkuk max kb. 800mA-esek, tehát nagy valószínűséggel egy 0.5A-es táp bőven kiszolgálja. Tehát 500mA dugasztáp beszerez, vagy keres otthon, és fojtó+puffer kondi, esetleg stabIC.

Üdv
Inhouse
(#) Onishi hozzászólása Aug 19, 2007 /
 
A tápot az elemek csatlakozási pontjára forrasztottam. A két szélső fémlapra.
(#) bodnar00 hozzászólása Ápr 23, 2008 /
 
Egy nokia gyorstöltő is teljesen megfelel!
Következő: »»   1 / 1
Bejelentkezés

Belépés

Hirdetés
XDT.hu
Az oldalon sütiket használunk a helyes működéshez. Bővebb információt az adatvédelmi szabályzatban olvashatsz. Megértettem