Fórum témák

» Több friss téma
Apróhirdetés » HD magassugárzópár
HD magassugárzópár
Hirdető: igi, idő: Csü, 21:39, Hirdető értékelése: Még nincs
Eladó a képeken látható, elvileg Hans Deutsch hangszóró.
Neten nem találtam semmit, viszont a teszt meghallgatáson kifejezetten jól zenélt.
Nyitott, részletező, kiegyensúlyozott hang jellemezte.
Sajnos a meglévő "fészekbe, pont 10mm-el nagyobb, és nincs kedvem átszabni a dobozt.

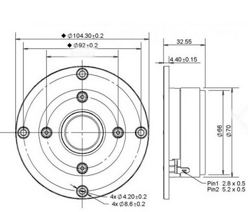
Méretei a 3. képen.
Re: 4,3 Ohm
Z: 5 Ohm
Érzékenység: kb 90 db 1W/1m
Más infóm, sajnos nincs a hangszórókról.
(Ha valakinek van pontosabb infója, kérem jelezze!

Ára a párnak: 15 000Ft
Alkuval, kérlek nem fáradj, csere csak kp-re.
Átvétel, csomagküldés egyeztetés tárgya.
Van speciális doboz a postázáshoz.
Gyors elérés: 06703920500
Köszönöm, hogy benéztél.
     
Termék állapota: Új állapotú
Megye/vármegye: Pest vármegye
Település / kerület: Farmos - Budapest
E-mail: [Bejelentkezés szükséges]
15 000 Ft
Lejárat: Jan 8, 2026
Megtekintve: 71
Hirdető értékelése: Még nincs
 
Hozzászólás íráshoz bejelentkezés szükséges!
Bejelentkezés

Belépés

Hirdetés
XDT.hu
Az oldalon sütiket használunk a helyes működéshez. Bővebb információt az adatvédelmi szabályzatban olvashatsz. Megértettem