A tápegység
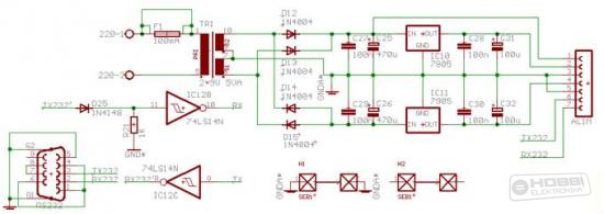
A tápegység panelon található a 18V-os 5VA-es középmegcsapolt transzformátor, az egyenirányító, a puffer kondenzátorok, a stabilizátor IC-k, valamint a számítógépes csatlakozáshoz használandó 9 tűs RS-232 es csatlakozó.
Itt látható a tápegység kapcsolási rajza:

(A nagyobb felbontásban történő megjelenítéshez kattints a képre!)
Itt pedig a nyomtatott áramköri rajz:

(A nagyobb felbontásban történő megjelenítéshez kattints a képre!)
A tápegység paneljának mérete szélességre megegyezik az alaplap szélességével, segítve ezzel a felfogatást.
A tápegység csatlakozását az alaplaphoz egy 7 pólusú csatlakozóval oldottam meg, az eredeti mintát követve. A tápegységben a 7805-7905-ös stabilizátorokat alkalmaztam, hogy a PIC-nek, a digitális alkatrészeknek, ill. a műveleti erősítőknek stabil feszültséget szolgáltasson. A pozitív stabilizátoron üresjárásban kb. 800mA áram folyik, míg a negatívon kb. 700mA. Ezért indokolt volt a hűtőbordák alkalmazása is.
A cikk még nem ért véget, lapozz!
Értékeléshez bejelentkezés szükséges!