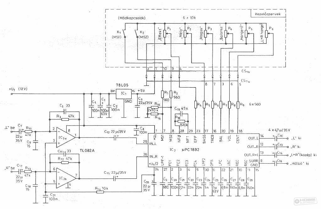
Az IC-hez található ajánlott kapcsolási rajz is az adatlapjában, de én a neten leggyakrabban fellelhetőkből rakok most be ide egyet. Sőt, van ahol komplett kit-et is vásárolhatunk belőle. Érthető módon nem említem ezek elérhetőségét.

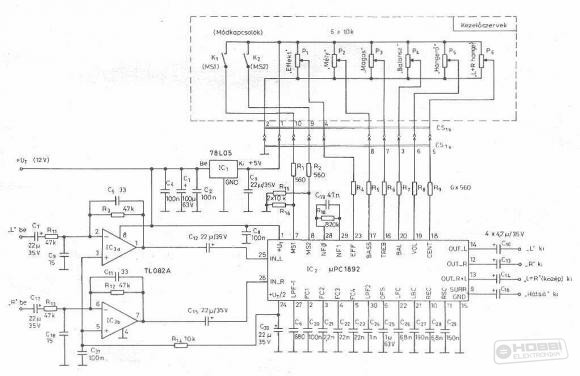
Előerősítővel egybeépített megoldás. (katt a képre a nagyobb méretért).
A mai technikai fejlettségek és árak mellett már megkérdőjelezhető, hogy van-e értelme ezen analóg 4.1-egy rendszer megépítésének, mivel ára egyenlő egy olcsó DVD lejátszóval, ami ráadásul már az 5.1-es digitális rendszert is tudja. Akkor miért is mutattam be? Egyrészt technikatörténeti érdekességként, ugyanis a maga korában, az akkori magas árához (8000 Ft) képest igen sokan megépítették, hisz egy gyári házimozi dekóderes erősítő akkoriban a 100 ezres nagyságokban mozgtak. Másrészt alapozásként, a működési elvének megismeréseként.
A felmerült észrevételeket, kérdéseket szintén a Dolby dekóder rajz című topikban tárgyalhatjuk meg.
Értékeléshez bejelentkezés szükséges!