Fórum témák
» Több friss téma |
Cikkek » Menetszámláló tekercselőgéphez Menetszámláló tekercselőgéphez
Szerző: Bakman, idő: Ápr 11, 2017, Olvasva: 18605, Oldal olvasási idő: kb. 1 perc
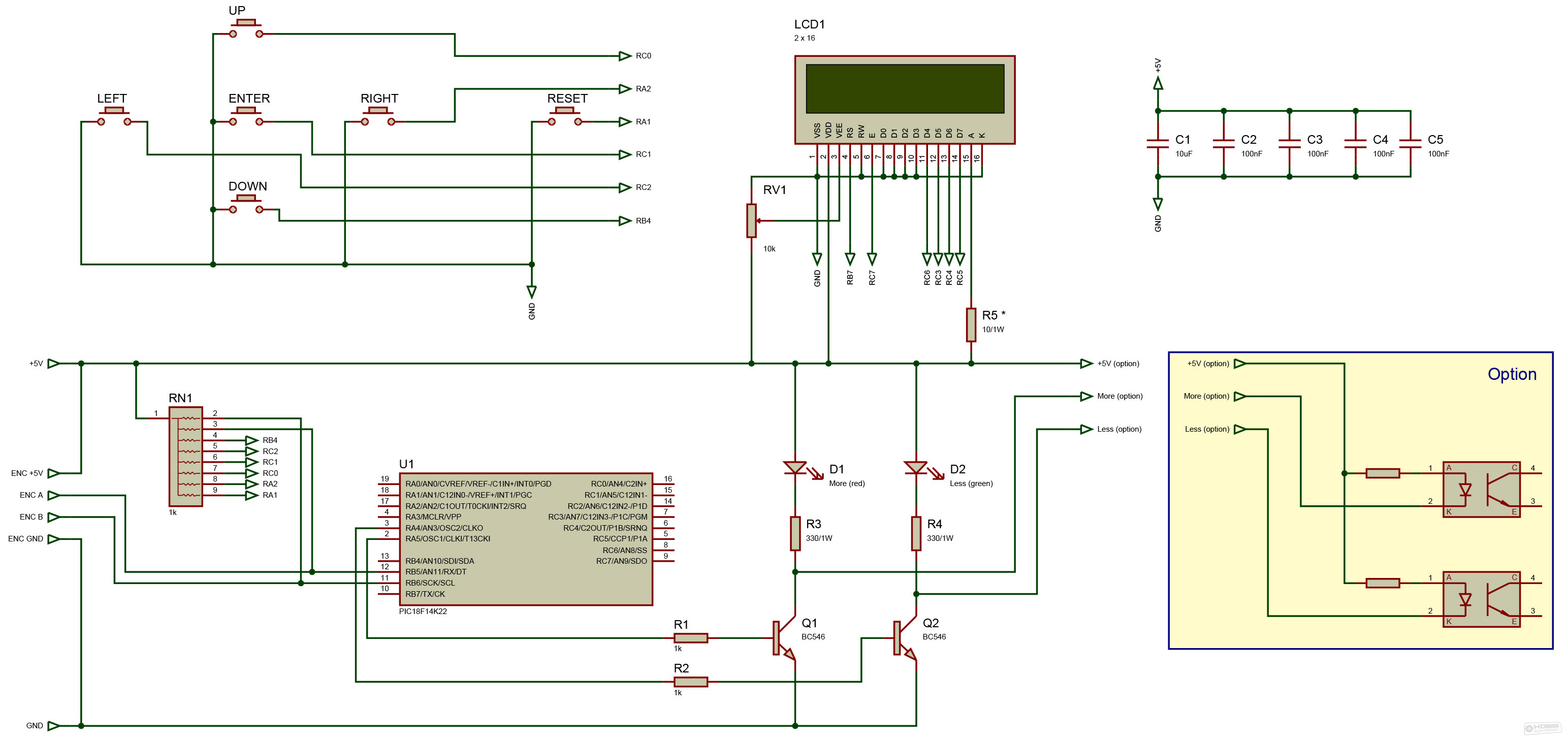
Katt a képre a nagyobb méretért! Enkóder: A rajzon konkrétan nem szerepel, csak mint csatlakoztatható alkatrész. Az egész kapcsolás és a program nyitott kollektoros kimenettel rendelkező enkóderre épül, azok közül is csak olyanok használhatóak, amelyek kimenetén valós "Gray-kód" jelenik meg, továbbá a kimenetük pergésmentesítve van. A program az enkóder jeleit nem pergésmentesíti semmilyen formában, így, ha azok nem tiszta négyszögjelet juttatnak a kontrollerbe, a számlálás téveszteni fog. Alapvetően két típussal teszteltem a kapcsolást: 360-as, illetve 600-as felbontásúval. Ezek tulajdonképpen 1440-es és 2400-as felbontású enkóderek, a "Gray-kód" szerint ennyi állapotot lehet megkülönböztetni egy teljes fordulat alatt. A 2400-as enkóderrel kb. 1000 f/p, az 1440-essel pedig kb. 1700 f/p sebességig használható a szerkezet. Az alacsonyabb felbontású enkóder nagyobb megengedett fordulatszámot biztosít, cserébe viszont pontatlanabb a mérés. Egy egyszerű beállítással (részletek a következő oldalon) szinte bármilyen felbontású jeladó használható. A képen látható enkóderek szinte bármelyik online piactéren beszerezhetőek, a többi alkatrész viszont már itthon is kapható pl. a HEStore áruházban. RN1: Ellenállás háló, a bemenetek felhúzásáért felel. Nyolc db., egyenként 1 kΩ-os ellenállást tartalmazó, kilenc lábú alkatrész. U1: Nyolc bites mikrokontroller, adatlapja szabadon elérhető. D1 és D2: LED-ek, amelyek vizuálisan is jelzik, hogy a beállított menetszámhoz képest hol tart a számlálás. Pontosabb működésről a következő oldalon. Q1 és Q2: Két egyszerű NPN tranzisztor, szinte bármilyennel helyettesíthető, amelyik elbír kb. 100 mA-es áramot. LCD1: A lehető legáltalánosabb, 2 x 16 karakteres, HD44780 kompatibilis kijelző. R5: Értéke a kijelző típusától függ. Az olcsóbb, egy LED-es háttérvilágítással rendelkezőhöz 330 Ω/1W-os, több LED-eshez pedig 10 Ω/1W-os dukál. Elméletileg. Gyakorlatilag az érték aszerint módosítandó, hogy a kijelző háttérvilágítását mekkora árammal kell/szabad hajtani, erről mindenki maga tájékozódjon a megjelenítő adatlapja/saját mérése szerint. Nyomógombok: Ki-ki igénye szerint olyat használhat, amilyen neki tetszik. Egy feltétel van: alaphelyzetben nyitott érintkezővel (is) rendelkezzenek, a kapcsolás alaphelyzetben nyitott gombokhoz készült. A NYÁK terveken egyszerű mikrokapcsolók szerepelnek. C1-C5: Némi puffer és hidegítő szerepet töltenek be. Option rész: A NYÁK terven csak a kimenti csatlakozó szerepel, a keretbe foglalt rész nem. Lehetőséget ad további eszközök vezérlésére. Javaslom a rajzon is látható optocsatolós megoldást, védve ezzel a menetszámlálót az esetleges zavaroktól. A cikk még nem ért véget, lapozz! Értékeléshez bejelentkezés szükséges! |
Bejelentkezés
Hirdetés |




