Fórum témák
» Több friss téma |
hali
nem tudnátok véletlenül hogy hogy lehet 1200voltot sokszorosítani úgy kb 15KV-ra (ívhúzásra kéne) köszi
Ha váltakozó fesz az 1200V, akkor nincs akadálya.
Ívhúzásra kis feszültséget és nagy áramerősséget használnak (pl. ívhegesztés). Így valószínűleg szikrakisülést fogsz előállítani.
Nem tudom, praktikus-e ekkora feszültségnél trafót alkalmazni, a Marx-kaszkád viszont esetleg szóba jöhet.
ok vátófezs azzal nincs gond csak én olyat szeretnék mint a neon invertáó (ilyen van) csak pár milliméternél nem lehet nagyobbat húzni és ezért kéne gondolom egy kicsit feltúrbózni hogy már pár centiset tudjak vele csinálni
köszi
Ha váltakozó áramu az alapfeszültséged használhatsz diódás-kondenzátoros feszültségsokszorozót(ha jól tudom Valton-Cocroft sokszorozónak is nevezik) amilyet a TVk ben is használnak. Én épitettem egyet ionizátorhoz. Az 230 ból csinál 5kVt. A Yahoon utánanézhetsz "homemadie+ioniser" kulcsszavakkal. Ha nem találsz semmit előások egy kapcsolási rajzot. Egy fontos: ennek a sokszorozónak igen kicsi a belső ellenállása. Tehát ha hozzányúlsz AZONNAL MEGHALSZ
. Egy soros ellenállás a megoldás. Légy óvatos!!!!! :yes:
Uraim, kedves fórumozó társaim! Kérlek titeket, hogy használjátok a válaszgombot a fejlécben és a válaszokat címezzétek annak akinek válaszoltok. Ne csak úgy a "levegőbe" szóljatok hozzá a témához. Így könnyedén nyomonkövethető a párbeszéd.
Köszönöm
Én már építettem Marx kaszkádot. Szerintem sokkal előnyösebb mint más sokszorozó, mert olcsón össze lehet dobni. Én a nagyfeszkondikat alufóliából meg papírból készítettem és nem húzott át. Elméletileg 10kV volt a bemeneti fesz 5 lépcsős kaszkád -> 50 kV. És valóban kb 2 cm es szikrákat kaptam(úgy tudom 3000V/mm az átütési fesz a levegőnek).
Szebbek a szikrái mint egy sima sorkimenőnek(nem lilás hanem fehéres a színe mint a villámnak) és hangosak. UI Ezt nem címeztem senkinek, csak a tapasztalatokat osztom meg, ha mást is fog érdekelni a Marx kaszkád
A marx kaszkádnak mi a lényege?
Én sorkimenővel töltöttem fel általam gyártott nagyfeszkondit, és amikor átütötte a levegőt az is fehéres volt(de megkockáztatom, hogy erősen UV-s mert a papír a környezetben kéken reagált a villogásra, és a szemem is megfájdult) :yes:
Használj írásvetítőfóliát
Ívhúzásra NAGY feszültséget és KIS áramot használnak.
Arról van szó,hogy a hegesztőgépeknél kell egy megindított ív ami beindítja a nagyáramú fő ívet. (hogy ne kelljen az elektródát odakoccolni az anyaghoz) Így szokták sokan a multiméterüket tönkrevágni,mert nem tudják,hogy a nagyáramú(kisfesz) ív nagyfeszültséggel gyújtódik.
Valami régi könyvben láttam megoldást erre (kb. 20 éve), ha jól emlékszem valami soros fojtó kellett a hegesztő hegesztőáramú ágába, a nagyfeszt meg kisteljesítményű nagyfrekis trafóval állították elő. (fojtó nagyfrekis szempontból nagy ellenállás - nem söntöli le a nagyfeszt a kis ellenállású kör). Rajzot tudsz felrakni?
Nincsen rajzom-sajnos,és nem is nagyon vagyok otthon a hegesztéstechnikában.
Csak akkor jártam utána ennek a dolognak amikor az egyik-vidéken nagynak számító -üzemből már feltűnően sokadik multimétert hozták javítani.
Kicsit off,de hátha belefér. Sokféle hegesztési eljárás van,többségükben nem használnak ivgyújtásra külön áramkört. Az általánosan bevont elektródásnak nevezett ivhegesztőgépek:egyen és váltóáramú kivitelüek ún:eső jelleggörbével rendelkeznek. Üresjárási feszültségük~65V.az égési fesz pedig~22-28V.Az ivgyújtást az elektróda bevonata segiti elő,a továbbiakban pedig ivstabilizáló szerepe is van. Az ivfogáskor "koccolni"kell. Aluminium argon védőgázas hegesztésekor használnak külön gyújtóáramkört itt viszont wolfram elektróda és a hegesztendő anyag között képződik az iv,a hozaganyagot külön adagolják......
A leírtakban teljesen egyetértek veled. Az biztos, hogy a hegesztő TR nem sima TR hanem egy különleges transzformátor (régebben már tekercseltem hegesztő trafót, igaz az elsők csak kísérleti darabok lettek és alapanyagként szolgáltak a véglegeshez).
Az előző hozzászólásomból kimaradt a nagyfesz rövidzárvédelme (erre már nem emlékszem hogy hogy volt), de én egy soros kis veszteségi tényezőjű kondit raknék be.
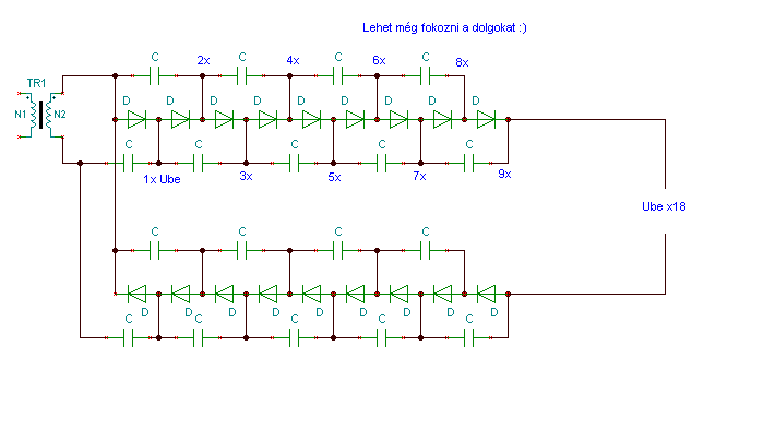
Íme a diódás sokszorozó rajza... Több diódával értelemszerüen "folytatható" az áramkör, ha nagyobb kimenö feszültség kell.
A kondikban tárolt energia miatt akkor is veszélyes lehet, ha kicsi a maximális bemenö áram!!!!
Nem értem miért mondod, hogy "valszeg azért volt kicsi a szikrád." Ha a 10 kV-ot 5 szintes Marx kaszkádra kapcsolom az elméletileg 50 kV. Ha a levegő átütési feszültségét 3000V/mm nek vesszük, akkor ez 30 kV 1 cm re és 60kV 2 cm re. És én kb 2 cm szikrákat kaptam(pontosabban 17 mm volt a szikraközök közti távolság. A sorkimenőd is húz ennyit? Sztem csak szét tudod húzni ekkorára, de nézd meg hogy milyen távolságon keletkezik). Ami az elméleti számítottnak szinte hajszálpontosan megfelel(17*3000=51000). Tehát a kondik nagyon is jók voltak.
kösz! (már párszor jártam ott, de ezt a részt vhogy mindig kihagytam)
én sorkimenőről feltöltöttem egy kondit(házi gazdaságos)
És a szikraközöm 15mm-es volt, átütötte. Egyébként nem 2kV/mm a levegő átütése? Szerintem meg csak rendesen 2 gömb között lehet mérni szikraközt, bár én csúcsok közt mértem (nemtom, de én valahogy úgy hajtom meg a sorkimenőt, hogy a lábai közt is átszikrázik )
A levegő átütési szilárdsága sokmindentől függ: páratartalom, nyomás, hőmérséklet....szinuszos váltakozó feszülség, egyenfesz, magas homlokfalú fesz.... 21-30kV-ig minden belefér.
"Szerintem meg csak rendesen 2 gömb között lehet mérni szikraközt" Ez tévedés, mivel homogén erőtereknél lehet, és homogén erőtér két végtelen felület között lép fel. Egyébként a legjobb erre a célra két full polírozott felület (térerősség nem növekszik meg helyileg) aminek a szélei vissza vannak hajtva. A második legjobb gömb/félgömb - sík felület utána a harmadik helyen a gömb/félgömb - gömb/félgömb (a görbe felületek átmérőjét nagyra kell választani minden esetben). A sorkimenőnél célszerű orosz típusokat választani (nagyobb vasmagkeresztmetszet, igénytelenebb tekercsek, két nagyfesztekercs is elhelyezhető ritkán egymás mellett - ha egy kicsit köszörülsz rajta ).Nekem valaha sorkimenő tekercsek összekötésével csúcs - csúcs szikraközök között 7,2cm szikrákat sikerült elérni (a tekercsek olajban voltak, igy nem ütött át a lábai között). A legjobb meghajtásom a MOSFET önrezgős áramkör volt, hátránya csak az volt hogy néhány perc után a hagyományos sorkimenő tekercsek belseje felforrósodott és a műanyag szabályszerűen domborodott össze-vissza (utána természetesen a tekercs kukába, mivel pillanatok alatt belül is átütött).
amikor én síklapok közt néztem a szikrát, elsősorvan a szélek között szikrázott. Ezért gondoltam, h csak gömbök közt (ill domború felületek) közt lehet mérni tényleges szikraközt.
A szekunder felforrósodott? :eek2:
Mondjuk én csak 20W-al döngetem meg, 18 voltról, 1-1,5A felvétel mellett. mondjuk amikor rövidre zártam a szekundert 7A- is felvett. Jaah, hogy a széleket vissza kell hajtani... Most esett le.
Igen kézzel nem lehetett megfogni (forró volt), de csavarhúzóval a hirtelen kitüremkedett részeket nyugodtan lehetett nyomkodni vissza. A fogyasztására már nem emlékszem de amíg tönkre nem ment, a tápom, addig egy 0-35V 6A-es tápról működtettem (most tervezek ill. építek egy brutál kapcsolóüzemű tápot 2x1200W - ez már jobban fogja bírni a kísérleteket).
Ja egyébként a MOSFET-es kialakításnál még kevesebb menetszám kellett illetve a ferritmag nem UU alakú volt, hanem csak I a hossza pedig kb. 3-4cm.
Szia Skori!
Ez kisfeszültségre is jó lenne? Pl: 12 volt többszörözésére?
Működik kis feszültségen is, viszont minél jobban összemérhető a diódák össz nyitófeszültsége, a működési feszültséggel, annál rosszabb lesz a hatásfoka. Vannak olyan áramkörök, ahol ez nem probléma, és teljesen jó megoldást ad, és olyan is van ahol nem célszerű használni.
|
Bejelentkezés
Hirdetés |




. Egy soros ellenállás a megoldás. Légy óvatos!!!!! :yes:


) 