Fórum témák
» Több friss téma |
Üdvözlet Mindenkinek!
A következő problémával állok szemben: Adott egy IC (egy RC vezérlőpanelon), aminek egy eseménykor (megnyomok az adón egy gombot) az egyik lábán megjelenik kb 1 Volt feszültség (egy LEDet felvillant) kb 1 másodpercig. Ezt az impulzust akarom használni arra, hogy egy 7 Voltos bemenetet kapcsoljon egy tartó-relére. Van olyan tranzisztor, ami a Bázisra kapcsolt 1V-nál már átadja a rákapcsolt 7 Voltot? Vagy bármi más megoldás szóa jöhet: logikai IC, stb... Sajnos nagyon láma vagyok a témában, de ezt meg kellene oldanom az RC tankomban. Előre is köszönöm a segítséget.
Igen, minden általános rendeltetésű tranzisztor képes erre! Ám lényeges adat a relé áramfelvétele is.
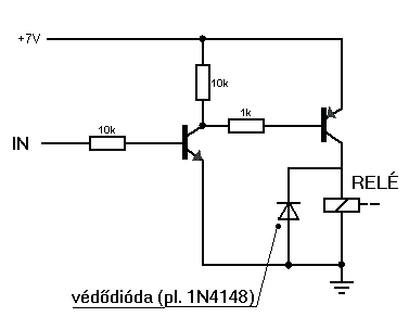
Két tranzisztorral már biztosan megy, Darlington-kapcsolásban. A bemenetre egy kisjelű npn-es, kollektora és a táp közé egy ellenállás, valamint a kollektoráról egy nagyobb teljesítményű pnp-s kapcsolhatja a relét, a rajzon látható módon.
Hát én is így gondoltam, van is egy D882-es NPN tranzisztorom, amit bekötöttem, és amikor 4 Voltot adok a bázisra, akkor működik, de amikor az IC lábához kötöttem, ott már nem működik lehet, hogy nem folyik át rajta elég áram?
Esetleg FET-tel is megoldható lenne? Vagy csak a választott tranzisztorom nem megfelelő a célra.
Gyorsak vagytok, köszi!
Ezt a Darlington kapcsolást kipróbálom, aztán visszajelzek. Ja és használahtó a Darlingtonhoz egy B772 PNP és egy D882 NPN?
A tranzisztorod jó lehet, csak nem szokták az npn-esek díjazni, ha az emittert nem a földre kötöd, ezeknél a terhelést a kollektor elé illik tenni a kapcsolóüzemi stabilitáshoz.
Nem akarom fényezni magam, de szerintem a korábbi rajzom alapján működnie kell a relének (csak elrontottam a feliratokat, a 100 Ohm-os ellenállás helyére megy a relé).
A D882 szerintem határeset, a bázis-emitter feszültsége 1-2 V között van, nem biztos, hogy a kis jel teljesen kinyitja; inkább teljesítménytranzisztor, mint kisjelű. A B772-t hangfrekis erősítőként tünteti fel az adatlap, de amúgy jó lehet, a relé ellenállására pedig valóban figyelj.
Ja, és lehagytam a relé mellől a záróirányban bekötött diódát, ezt ne felejtsd ki, a tranziens vágása miatt.
A relé, amit zárnia kell az egy RY5W-K. Az adatlapján nem nagyon láttam a tekercs ellenállást, én meg 0,9 Ohm-ot mértem.
Esetleg akkor tudsz ajánlani két tranzisztor ami jobb ezeknél, mert ma este úgy sem tudom kipróbálni, mert nincs itthon 10K-s ellenállás, és akkor inkább veszek megfelelőbbeket. Bocsi, hogy ennyit nyavajgok, de nem áll hozzám túl közel a téma, csak muszályból bonyolódtam bele ebbe a dologba.
Rosszul mérhettél, vagy rossz a relé (ez utóbbi ritka). Adatlapja szerint 165 Ohm a tekercs ellenállása, és 5 V-ról üzemel hivatalosan. Az adatlapon van egy nagy táblázat a 4. oldalon (Coil data chart), a második sorában megtaláltam a te típusodat, onnan olvastam.
Csak hasra mondok két tranyót, mert millióféle van: npn-esnek pl BC337, BC182; pnp-nek BC327. Ezek minden boltban vannak, és filléresek.
Hát lehet, hogy nem jól mértem...
Akkor a segítséged alapján a mellékelt képen található kapcsolás lesz a megoldás... remélem. Holnap megszerkesztem. Köszi, minden tiszteletem a tied Kobold!
Nem úgy van az a dióda, kedves, ámde ugyanakkor kolléga... Hanem így, ahogy kijavítottam a rajzomat!
Összeraktam az áramkört, és tökéletesen működik!!! Nagyon-nagyon köszönöm!!! Örülök, hogy vannak még ilyen segítőkész emberek, akik segítenek a hozzánemértőknek!
Bocs!
A téma engem is régóta foglalkoztat.Igazábol megoldottad a prblémám ,de!!! Lenne egy kérdésem,a rajzon a bemenetre kapcsolt 1volt polaritásfüggő??? Nekem ugyanis negatív az a bizonyos 1volt Előre is kössz!
Negatív bemenetre lehet valami hasonlót csinálni, mint a TTL-es kapuk bemenetei; ott nem a tranzisztorok bázisát, hanem az emitterét vezetik ki. Csináltam erről is egy rajzot, 3 tranyót tettem bele a minimális vezérlőáram (azaz bemeneti terhelés), és a biztos kapcsolóüzem miatt.
Az egyes tranzisztorok alá írtam pár lehetséges, és minden bokor alján található típust is, gyakorlatilag bármelyik beépíthető az adott helyre, mert 100 Ohm-ra vettem a relé ellenállását, annál kisebb meg nem nagyon szokott lenni.
Nagyon köszönöm ,sokat segítettél.
A próba viszont még várat magára,ugyanis a műhelyem befagyott/garázs/!! Így a szerelés csak elméletben megy,de az áramköröd biztosan jó!! :yes: Amúgy ez egy LCD TIMER,tovább fejlesztett változota,és ennek a piezzója indítja a relét.Jövőre teszek fel pár képet ,szerintem hasznos kütyü lesz ./ Addig is BUÉK mindenkinek. |
Bejelentkezés
Hirdetés |








Nekem ugyanis negatív az a bizonyos 1volt

BUÉK mindenkinek. 


