Fórum témák
» Több friss téma |
Dejó hogy be van jelölve értesítésre, de nem küld.
Az a keringetőszvattyú egy szabályozott bldc motoros, és a tápja egy szabvány kapcsolóüzemű bemenettel kezdődik, 4 dióda+pufferkondi. Vagyis mindenről elmegy ami 200-300V. Max. 25W, erre keresnék minél primitívebb megoldást.
Van két egyforma 12/230 Volt 300W os kínai inverterem javításon, a szokásos bajuk volt hogy a kimeneti híd 2 fet-je zárlatba ment, ezeket kicseréltem de továbbra sem lettek jók, a piros hibajelző LED ütemesen felvillan rövid időre, a szekunder oldalon a kondenzátoron csak 1-2V feszültség van. Mi lehet még a baja ami miatt nem indul?
Ennyi infóból milyen választ tudnál adni a kérdésedre? Ezek többsége általában mikrovezérlős, azoknak szinte esélytelen a javításuk. A hagyományos megoldás meg ott van a cikkemben, abból el lehet indulni.
Valamit nem jó érzékel azért nem indul de nem tudom mi kerüli el a figyelmemet. Nekem jobb megoldásom van, vettem olcsó invertert azt alakítottam szinuszosra.
Megjavultak lehet a tápon levő csatlakozó nem érintkezett.
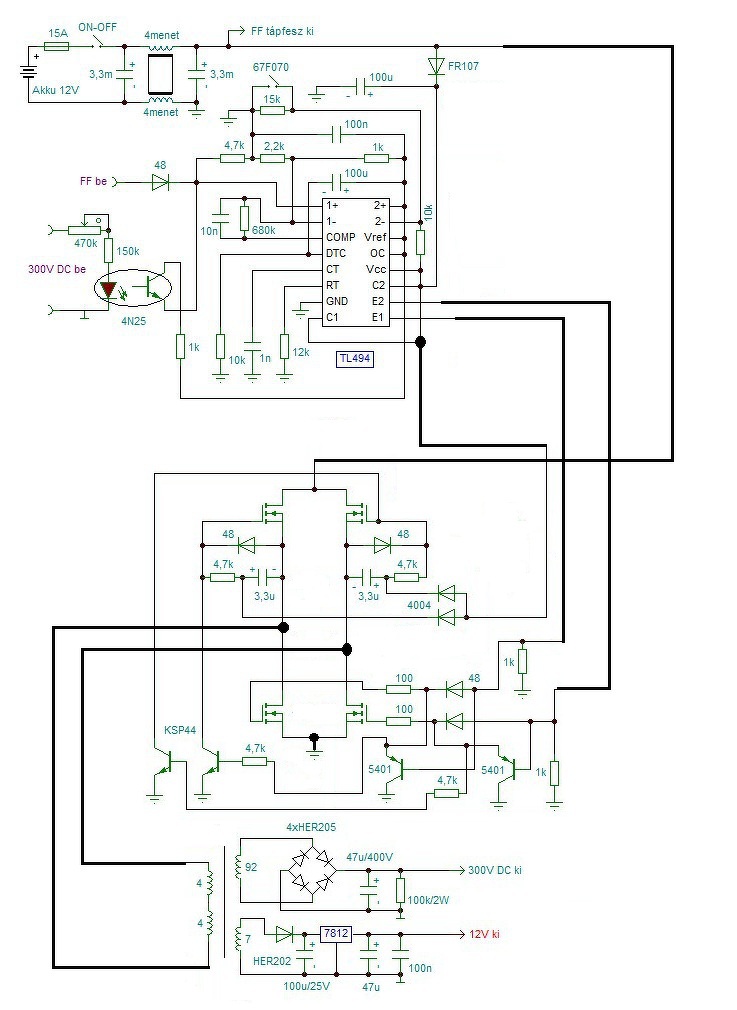
A képen látható Skori féle kapcsilással szerettem volna készíteni egy 48V / 230V szinuszos invertert vasmagos transzformátorral, sajnos nem lett jó mert a primer szekunder között kicsi a csatolás így csak a szinusz jel csúcsa -ahol nincs pwm- ment át, így átprogramoztam trapéz alakra. lehetséges-e az hogy a kimeneti LC szűrő elé teszek egy kondenzátort ami rezonáns módon kihangolja? Hasonlót már készítettem teljes hidas megoldással az jó volt, igaz ott az LC szűrő a primer körben volt.
Az 50Hz-es trafó elé is lehet LC szűrést tenni, csak a szűrő tekercsre is dupla huzal kell, és két kondenzátor is kell. Így a trafóra már eleve 50Hz-es szinusz kerül. Amúgy 50Hz-es soros rezonanciához elég nagy kapacitású kondi adódna - még az sem biztos, hogy megvalósítható értelmes méret/költség mellett. A szekunderre viszont lehet párhuzamos kondit tenni a "vivőfrekvencia" minél jobb elnyomása érdekében.
A hozzászólás módosítva: Okt 31, 2018
Hali!
Szeretnék építeni egy nagyobb teljesítményű invertert, kb 1kW körülit. Ezt úgy terveztem mivel itthon áll egy pár szünetmentes táp trafó hát fel kéne használni, és 3-4 db-ot szeretnék párhuzamosan kötni, 1 trafó kb 360W-ot tud. Nem tudom, hogy az 1 híd 2 trafós vagy a 2 híd 2 trafós (azaz minden trafóhoz külön híd és a hidak ugyanazt a vezérlést kapják) felállás lenne e a megfelelő párhuzamosan való kötéshez. A hozzászólás módosítva: Márc 25, 2019
Az megvan, hogy egy olyan szünetmentes trafó teljesítménye aminek a képét csatoltad kb. 160VA? Mert annyi, nem pedig annyi amennyit a dobozra írtak. Szóval azokból picivel többet kellene párhuzamosan kötni. Itt egy rajz, ez egyetlen trafóval is tudott 5-600W körül, ezt onnan tudom, hogy egy 350W-os trafót konkrétan megfőztek vele.
Az illető szintén azt gondolta, hogy a trafójának az a 700W a teljesítménye ami a szünetmentes dobozára volt írva, és hiába mondtam neki hogy nem tud többet 300W-nál, rákötöttek 600W-nyi fényt, aztán egyszer csak sötét lett, mert kioldott a trafóban a 130 fokos hőbizti. Szóval a rajz adott, méretezel hozzá egy rendes trafót, gondosan elkészíted, és talán még az 1kW is ki fog jönni belőle.
Engem lecseszett valaki azért mert azt állítottam, hogy agy 1000VA-es szünetmentesből nem vehető ki 1000VA folyamatosan. Amíg az akkuk bírják, nagyjából addig bírja a trafó is. Nagyobb kapacitású akkupark esetén túlmelegedhet a trafó maximális terhelés esetén. Nem arra van tervezve, ahogy a mikró, vagy a pillanatforrasztó esetében sem.
1000 VA az nem 1000 W. Az adatlapon (adattáblán) általában szerepel, hogy 1000 VA - 700W. Nagyjából erre lehet számítani. Vannak hosszabb üzemre tervezett szünetmentesek, amibe ventilátort is építenek. Melegedésre bekapcsol. Egyébként meg méretre is, súlyra is nagyobbak, mint amiket 2-5ezerért lehet bárhol venni döglött akkuval.
Értem, hogy a látszólagos teljesítményt írják rá, és nem a hatásost. A CosFi honnan jött, ha 160VA-es az azt jelenti ha 12volton 40Ampert vesz fel akkor az 12*40*0,34=163VA? Már egy konkrét kapcsolást kinéztem és mivel van egy jó pár szünetmentesem itthon és csak porosodik így azok trafójából szeretnék invertert készíteni, szóval minek vegyek vasmagot meg huzalt illetve csévetestet mikor a trafók már adottak, kb 6 db elég lenne ezekből a trafókból az 1kW-hoz.
Szerintem a párhuzamos kötést 1 híd és több trafóval fogom megoldani, a híd kapcsolás itt most nekem muszáj, mivel nincs középleág a trafón és így push-pull-al nem tudom hajtani.
Egy komplett szünetmentes mindig többet ér, mint egy trafó. Nem próbáltad eladni őket? Igaz, én többet elajándékoztam.
Adok vasmagot, ha kell. Esetleg cserélhetünk.
Nem a látszólagost írják rá, itt most teljesen mindegy hogy W-ról vagy VA-ről beszélünk. Azt a teljesítményt írják rá némi marketinges túlzással, amit elvisel addig amíg az akkuról lekapcsol, ez általában pár perc, max 15-20 perc. A 160W itt azt jelenti, hogy azt a trafót tartósan nem tudod többel terhelni, mert ha van benne hőbizti akkor az ki fog menni, ha nincs, akkor pedig leég a trafó. Nekem is van ilyen többféle, én pákatrafónak meg ennek annak használom. A legjobbnak, azaz legcombosabbnak, ami még valamivel nagyobb is mint ami a képeden van, annak van 0,6-os huzala a 230-as oldalon, hogy ha azt kiszámolod a szokásos 2,5A/mm2 áramsűrűséggel akkor az fog kijönni hogy 162W.
Ezt a te inverter kapcsolásodból ollóztam össze, a push-pull-t teljes hídra cseréltem, ez így működne? És akkor a DC-AC átalakító meg marad ugyan az.
Mekkora akkufeszről akarod táplálni? A 12V-ra vagy a 24V-ra nem csak feleslegesen bonyolult hanem gazdaságtalan is a híd, azért csinálnak push pullt.
12V-ról, a trafó miatt muszáj a híd. Gondolom itt nagyobb a kapcsolgatási veszteség, és a több FET miatt nagyobb a disszipáció így több teljesítmény alakul hővé. A DC-AC átalakítónál a 3524-es íc kaphatja az akkuról a tápfeszt?
12 V ról nem nagyon szoktak 1 kW -os invertert készíteni, az a 84 A (hatásfokot, veszteséget nem számolva) nem piskóta áram, amit fel fog venni az akkuból. Veszteség lesz bőven már a vezetékeken is.
12 V inverter
No meg még egy Persze a kis kínainak semmi se drága, sőt... De arra a csipeszre, amit mutat, nem bíznám rá az 1000 A-t. A hozzászólás módosítva: Márc 26, 2019
Nem azt mondtam, hogy nem, csak annyit, hogy nem nagyon. De iszonyat veszteség van a drótokon, meg a félvezetőkön. Persze ha semmi se drága, vagy nincs más lehetőség, akkor ok.
Juj. 6000 W. Nem semmi, a csipesz biztos hőálló. Na jó benéztem, a 6000 W -os már 24 V -os A hozzászólás módosítva: Márc 26, 2019
A másodikon 10000 W peak.
Még 24 V-ról is sok. A hozzászólás módosítva: Márc 26, 2019
Az úgy szokott lenni, hogy 12 V 600/300 W. Nekem egy ilyen volt a lakókocsiban, de annak a csatlakozója csavaros volt. A kompresszoros hűtő elbicegett róla.
Az a 10000 W nem PMPO esetleg? A hozzászólás módosítva: Márc 26, 2019
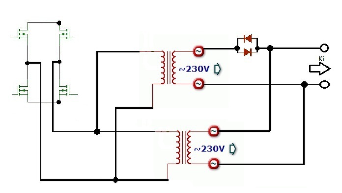
Felejtsd el a hidat, 12V-ról nem fog menni. Persze próbálkozhatsz, csak a kudarcok esetén majd jusson eszedbe amit írtam. Ott van egyszerre a 2 FET, meg a brutális veszteségek, alig marad feszültséged a trafón. Attól még talán az is járhatóbb út ha párhuzamosan kötöd őket, a nagyobb teljesítményű inverterekben ugyanezt teszik, lásd kép. Ebben is 5 trafó megy párhuzamosan 24V-ról push pullban.
A hozzászólás módosítva: Márc 27, 2019
Na és ha ezeket a trafókat áttekercselem kb 500 Wattosakra és párhuzamosan kötöm őket és persze akkor már push-pull-al hajtom őket? Így már kisebb lenne a veszteség.
Az előbb még 50Hz-ről volt szó, ez meg már kapcsolóüzem az nx10kHz-es tartományban. Abból DC fesz lesz, azt még utána meg is kell 50Hz-el szaggatni. Mutattam egy rajzot, kell bele annyi FET meg egy olyan trafó ami elbírja és kész. A kérdéseidből ítélve a kapcsolóüzem nagyon nagy falat lenne, még a gyakorlottabbaknak is.
Nem 50Hz-ről nem volt szó, az a szünetmentes trafó nagyfrekis. Mivel 1 részt citromsárga műanyag fólia van rajta ebből már látszik, h nem 50Hz-re méretezték, másrészt a tekercsei (primer és szekunder) nagyon kis ellenállásúak 1-2Ohm körüliek ez 50Hz-en már rövidzár lenne.
Ezzel a képpel indítottad a dolgot, hogy ebből van pár darab. Ez bizony 50Hz-es, ahogy minden szünetmentes az.
50Hz-es, oké akkor lehet, h én tévedtem. Akkor azt felejtsük el. Mindenképpen nagyfrekis trafóval szeretném megcsinálni. A vasmag mérete függ a trafón maximálisan átvihető teljesítménytől? Mivel a skori féle leírásból azt vettem ki, h a vasmagnál a kappa faktor vagyis a vasmag betekercselhetősége szab határt. És még egy a skori leírásban nagyfrekin az áramsűrűség 3...6A között van, 3 és 6 között pontosan mennyivel tudnék pontosan számolni?
Szia!
Az áramsűrűség az nem egy konkrét érték. Tekintsünk most el a vasveszteségtől, meg a skin hatástól, és tisztán csak a rézvezetéken hő formájában megjelenő teljesítményt figyeljük. Van egyszer a rézvezetéknek ellenállása, ami melegen ráadásul még nő is. Van valamekkora felülete, ahol lesugározza, esetleg kontakt átadja a keletkező hőt a környezetnek, tehát hűl. Van egy hőellenállás, ami a vezeték és a környezet közötti hővezetés reciproka. Van egy maximális hőmérséklet, ami felé nem mehetünk, mert kiforrasztja magát, leolvad a szigetelés, megolvad a vezeték. Ha egy transzformátort elkezdünk terhelni, nyilván lesz egy olyan áramerősség, ahol a keletkező hő nem képes távozni a környezet felé úgy, hogy a feltekert vezető egyetlen pontja sem éri el a kritikus hőmérsékletet. Ez a kritikus áramerősség, ami megadja a maximális áramsűrűséget. Bármilyen változást eszközölünk, megváltozik ez az érték. Elég ha más lesz a transzformátor geometriája, vagy más lesz a szellőztetés, esetleg nagyobb lesz a menetszám, ez mind befolyásolja az áramsűrűséget. |
Bejelentkezés
Hirdetés |











Adok vasmagot, ha kell. Esetleg cserélhetünk. 







