Fórum témák
» Több friss téma |
Sziasztok! Segítség kellene nekem de nem csak tanács, hanem egészen a kivitelezésig: (Sík vagyok a témához) Autóba való 12V-os ledhez kellene nekem olyan fesz szabályzó, ami állandó 12V-ot biztosít a ledeknek (helyzetjelzőbe.) Elvileg ezek a ledek nagyon sokáig jók csak nem az autóban (pedig oda gyártottakról van szó)mert nem bírják a fesz ingadozást. Szóval lenne-e valaki vállalkozó szellemű, aki egy ilyen kis fesz szabályzót le tudna gyártani nekem? Köszi!
Nem bírja? Mondták, vagy tapasztalat? Ha azokat tényleg oda gyártották (autó-helyzetjelző led) akkor annak bírni kell. Ha mégsem, akkor ott az autóval van gond. De ebben az esetben más sem élné túl sokáig a fesz -ingadozást.
helló
Szerintem tegyél be egy 12voltos stab ic-t és így töltés közben is ha netán 14-15volt van akkor is csak 12voltot ad a lednek de csak egy amperig használható tudomásom szerint. de gondolom az a led úgysem fog fölvenni egy ampert de még egy felet sem A másik megoldás pedig a zener diódás változat de azokat én sem ismerem
szia!
a 12V-os stab nem fog normálisan működni mert kell min 3-4V többlet a stabnak
Kicsit furcsa, hogy egy led ne bírná a feszültség-ingadozást, főként úgy, hogy van egy névleges feszültség, ami nyitóirányban esni szokott rajta. Inkább az az egész bigyó, amiben a led is van, és beépíthető az izzó helyére, az nem szereti. Mondjuk ez is elég érdekes, mert ha valaki kocsiba tervez, tudhatná, hogy az állandó feszültség csak a kapcsolási rajzok feliratain igaz...
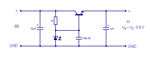
Itt egy rajz, Zener-diódás stabilizátorral, a kimeneti feszültség a Zener letörési feszültsége szerint alakul. Ha nincs megfelelő dióda, össze lehet variálni több soros kapcsolásával, pl. két 4.7 V-os meg egy 3.3 V-os sorbakötve 12.1 V kimenetet produkál. Az áramfelvételtől függően nagyobb teljesítményű tranzisztor kellhet bele, illetve ezt a kapcsolást lehet teljesítménytranzisztorral is bővíteni, de szerintem a te világításodnak elég lesz. A kimenet annyira precíz, amennyire a Zener(ek), kiválasztáskor tehát célszerű olyanokat keresni, amik a pl. hőmérsékletre kevésbé változtatják a karakterisztikájukat. Illetve, több Zener esetén egy-kettő kiváltható precíziós stabilizátorral is, de ez már tovább bonyolítja, szerintem szükségtelenül.
Azzal kezdhetted volna, mennyi a fogyasztása a "lednek"... nem mindegy; valamint mekkora a minimális fesz, amivel még jól megy; ezután érdemes gondolkozni, melyik megoldás jó.
Helló. Van egy 12V-os 200mA-es trafóm. És szükségem lenne egy 12V_os stabil tápra. egyenirányitó, kondenzátor 7812 stb.
Egy kapcsolásra lenne szükségem
Ne mondd már, hogy ehhez kapcsolást kérsz... Gyakorlatilag abban a sorrendben kötöd őket a trafó után, ahogy leírtad. 200 mA-hez még túl combos dióda sem kell, 1N400x simán elbírja, Graetz-be kötve; 7812 elé 1000 uF, mögé 100 µF elektrolitkondi, és a kimenetre még egy 100 nF kerámia is. Ennél több nem kell... Bármelyik kapcsolást megnézed a lapon, ami trafóról stabil tápot csinál, az szinte mind ugyanezzel a résszel kezdődik, max. az értékek változnak.
Szóval, mint azt privátban is mondtam, legközelebb tessék az adatlapot megnézni először...
Sziasztok!
Autós rádió-magnót szeretnék működtetni nem autóba. 12V-os tápra van szükségem. Trafóm van de a 7812 szerintem kevés lesz neki. Valami nagyobb áramerősségű táp kéne. Tudtok valami jó kapcsolást? Számítógép tápot itt lehetne valahogy használni?
Számítógéptápból akkumulátortöltő topicból kiválasztod a legegyszerűbbet és átméretezed 13,6 V -ra
Sziasztok.
Kocsiban szeretnék használni egy 12v-os kis tv-t. Ugye a kocsiban a feszültség nem mondható stabil 12v-nak, lehet akár 14V is, igy nem merem siman radugni a szivargyujtora. Tehát ehez keresnek egy egyszerű kis kapcsolast, ami tartana 12V körül a feszt. 7812 ahogy olvastam nem jó, mert ahhoz legalább 16-17V kellene hogy rendesen menjen. Egyébként a kis tv olyan 15w körül kajál, volt hozzá eredetileg autos adapter is, de az sajna nincs meg. Kivancsi lennek abba volt-e valami stabilizálás...
Háát nem tom, egy próbát megérne szerintem, mert én 14V-tól hajtok egy 7812-es StabIC-t és keeerek stabil 12V-t kapok.
De hogy a Kis TV-t elbírná-e abban már nem vagyok biztos...
Szerbusz!
Szerintem jó lesz az a 7812, csak meg kell toldani egy áramáteresztő tranzisztorral. Én a képen látható kapcsolást megépítettem, tökéletesen működik. A 0,02ohm-os ellenállást nem raktam bele. Viszont bemenetre tettem egy 10000µF-os puffer kondenzátort. Szerintem így egy tranyóval megtoldva már simán bírnia kell a 15W-os terhelést, és nem fog annyira melegedni a 7812-es IC
Az eredeti "autós-adapterben" max. egy soros bizti volt. Megoldották azt a TV-ben.
simán be a szivargyújtóba.
Köszönöm a gyorsválaszokat.
vendelkiraly, vtsoftware: akkor teszek egy probat a 7812vel. aflmor: Ha nem jar a motor gondolom akkor siman radughatom a szivargyujtora, mert akkor 12Vnak kell lennie. Nem merem megkockaztatni egyebkent jaro motornal, meg igy is van 1 kis baja a tvnek amit meg kell oldani lásd itt Talaltam egyébként egy üvegbiztit a dobozaba. F10A250 lehet a autos adapter dugojaba lehetett betenni, bar akkor nem ertem az ertekeket, mert ha jol gondolom ez egy 250v-os 10A-es bizti. A tv-n belul nem talaltam biztit.
Közben megneztem a 230-as adapteret, abban volt bizti, de nem ilyen fajta és 2A-es.
Próbáld csak nyugodtan. (addig is gyakorolsz
Mint alább olvashattad, a 7812-nek legalább 15-16 V kell.... (3 db ilyen megy 2 éve hibátlanul az autómban)
Sziasztok!
Szeretnék molyan kapcsolási rajzot kérni tőletek, amit 24V-ot stabilizál le 12V-ra! 12V-os Ventillátort hajtana meg mert nem kapok 24V-os ventiknél alacson ford.számut. 12V-osban pedig elég nsgy választék van. 24 V-nál is működik a fordulatszám szabályozása. Ez mennyiben befojásolja ezt a 24ről 12-re a feszültség csokkentését?
Javasolnám a jó öreg LM-317-et
Ha 24 V-od van azzal simán menni fog és a potival te betudod szabályozni a fordulatot. Arra vigyázz, hogy a 12V-os ventit ne hajts többel, mint 12V, mert sokáig nem fogja bírni. LM317-es IC-re pedig hűtőbordát kell szerelned, mert melegszik. De ha nem kell szabályozós áramkör, akkor elég egy sima 7812-es fesz. szabályozó is.
sziasztok 12V AC ből szeretnék 12V DC t csinálni, ha egyenirányítom akkor gyok2 x 12V = 16.9V
a 7812 adatlapjába pedig aztolvasom hogy a 12v os stabhoz 19V kell minimum, tehát akkor mit tegyek? ![]() ha meglesz a 12v stab akkor abból lesz majd 7805 el 5v majd lm317 et 3.3 V (mind a 3 feszultseg kell az aramkorombe sajnos) az is felvetodott bennem h a 3.3V ot a 12V rol csinaljam vagy az 5V rol?
Elnéztél valamit
Vd, Dropout Voltage néven keress egy értéket, ha jól emlékszem, 2.5 V a maximuma. Ennyi esik a stab bemenete és kimenete között, vagyis 12 V kimenethez legalább 14.5 V bemenet kell, vagyis a 16.9 V elég lesz.
A 12V váltóból le kell vonni először az egyenirányitó diódák nyitófeszültségét ami graetz esetén bőven 1V felett van,de inkább1.5V. Igy már nem is olyan rózsás a helyzet,tekintve,hogy a hálózaton lehetnek feszültségingadozások is. Arról nem is beszélve,hogy a lüktető egyenfesz legalacsonyabb értékének is meg kell haladni a 14.5V-ot a stabil működéshez.
Ha van lehetőség akkor vagy low-drop-os stabkockát kellene használni,vagy egy 8V-os stab lábát kellene megemelni egy zenerrel,vagy áteresztótranzisztoros stabot használni.
Való igaz, erről a diódán eső feszültségről meg szoktam feledkezni
Terheléstől függően a pufferkondik segíthetnek a stabilizálásban, viszont a 8 V-os stab megemelése hibátlan ötlet.
Hello
Nem tud valaki olyan kapcsolást ami nagyon keveset fogyaszt és 9V DC-ből stabil 5V DC-t csinál? Állaítólag stab IC sokat eszik ezért nem akarok betenni, viszont szerintetek műveleti erősítővel működhetne a dolog? még gondolkodtam olyanon is hogy megmérem az áramkör ellenállását és ez alapján méretezek elé egy sorba kötött ellenállást...
Ellenállás == 100 % veszteség.
Inkább a low-drop stabilizátorok, vagy a step-down konverterek körül kellene szétnézned, ezeknél jobb hatásfokot nem nagyon érhetsz el más kapcsolással.
Sziasztok!
Új vagyok még itt, úgyhogy előre is bocsi, ha olyant kérdezek, ami esetleg máshol már felmerült. Szóval a kérdésem a következő: 12 V-ról 5 V-ra alakítom a feszültséget, és a szükséges elemeket (főleg a kondenzátorok, nem a Zener dióda ) mi alapján méretezem? Előre is köszi a válaszokat!
A feszültségátalakitást hogyan érted? Step-down? Áteresztőtranzisztoros stabilizátor,vagy stab.kocka,esetleg ellenállásos feszültségcsökkentésre gondoltál?
|
Bejelentkezés
Hirdetés |













