Fórum témák

» Több friss téma
Fórum » 12V - 5V a legegyszerűbben
 
Témaindító: Lozsa, idő: Szept 21, 2008
Témakörök:
Lapozás: OK   4 / 6
(#) _vl_ válasza pheteeemc hozzászólására (») Júl 31, 2012 /
 
Oké, de az a kérdés, hogy 5V-ból hány amper kell. A ventillátorok általában 12V-ról mennek.
A lerajzolt kapcsolás akár 3A-t is kényelmesen kiszolgál ~0.1V drop mellett (azaz 12.1V-ból már tud 12V-ot gyártani), igaz, akkor nagyobb hűtőborda kell.
(#) pheteeemc válasza _vl_ hozzászólására (») Júl 31, 2012 /
 
Az a helyzet ,hogy nem szedtem szét az eszközt,hogy lemérjem,de a hálózati töltőjére az volt írva hogy 2Amper,szóval úgy gondoltam,hogy azt mind felhasználja,főleg ,ha gondolkozik ,hogy milyen műveletet hajtson végre,de akkor számoljunk 3Amperral biztos a mi biztos
(#) _vl_ válasza pheteeemc hozzászólására (») Júl 31, 2012 /
 
Nade a töltő csinál külön 5V-ot, meg 12V-ot? És csak az 5V-ra volt írva 2A, ezen felül tudott még a 12V-on valamennyit? Watt mennyi volt a töltőre írva?
(#) pheteeemc válasza _vl_ hozzászólására (») Júl 31, 2012 /
 
felraktam egy rajzot tegnap a töltőről,csak annyi volt ráírva,hogy a dugó lábkiosztása és mellé volt írva h 5volt2A 12V 2A
(#) pheteeemc hozzászólása Júl 31, 2012 /
 
5 volthoz step down nem jó,hogy ha a datasheet-jében való kapcsolását csinálom meg?
(#) _vl_ válasza pheteeemc hozzászólására (») Júl 31, 2012 /
 
Melyikre gondoltál?
(#) pheteeemc válasza _vl_ hozzászólására (») Aug 1, 2012 /
 
(#) pheteeemc hozzászólása Aug 3, 2012 /
 
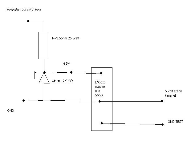
Csináltam egy kapcsolást a stabil 5 voltról,így működne a dolog?Segítsetek,köszönöm
(#) bundyland válasza pheteeemc hozzászólására (») Aug 3, 2012 /
 
Egyenesen borzalmas!
Már azt hiszem említve lett hogy 5v-ból 5v-ot nem csinálunk stabkockával, másrészről az a 25w-os ellenállás sem egyszerű ott.
Csak buck regulátor jó oda és kész, egyszerűen kár mással probálkozni.
(#) kadarist válasza bundyland hozzászólására (») Aug 3, 2012 /
 
Nem kell ebből nagy ügyet csinálni. A 12V-os ágba köss be egy low dropout-os 12V-os stabkockát, az 5V-os ágba meg egy sima 7805-öset. Mint már írtam, nem egy kétgombos CD-ROM meghajtót építettem be ilyen módszerrel autóba.
(#) bundyland válasza kadarist hozzászólására (») Aug 3, 2012 /
 
Először is nem én építem.
Másrészt elhiszem hogy neked működött, de ha 5v ra ráteszel egy 5v-os stabkockát majd megterheled 2A-el, a kimeneten egészen biztosan nem fogsz 5v-ot mérni.
Másrészről a megoldás (szerintem) borzalmas.
10w érdekében elfűtünk szerencsétlen esetben 18w-ot.
(#) kadarist válasza bundyland hozzászólására (») Aug 3, 2012 /
 
Bocs, rossz helyre címeztem. Lehet kapni 2A-es meg nagyobb áramú stabilizátort is, amiknek nem gond a 2 amper terhelés. De igazság szerint én abban sem vagyok biztos, hogy ennek a kütyünek ekkora áramfelvétele lenne, viszont azt tudom, hogy a kérdező felkészültségéhez mért megoldásban érdemes gondolkodni. És természetesen igazad van, mert a kapcsolóüzem lenne a legjobb.
(#) bundyland válasza kadarist hozzászólására (») Aug 3, 2012 /
 
Ja elolvastam mégegyszer, nem is akarsz 5v-ból 5 öt csinálni bocsi.
(#) kadarist válasza bundyland hozzászólására (») Aug 3, 2012 /
 
Igen, a 12 egész valamennyiből (vagy többől) csinálunk 12V-ot, az 5V-ot meg előállítjuk egy sima stabkockával az akkufeszültségből.
(#) Inhouse válasza bundyland hozzászólására (») Aug 3, 2012 /
 
Hát a rajza szerint mégiscsak, azt hittem arra gondoltál... 5V zener, majd 5V stabic...persze összekeverve a testek, meg tényleg borzalom az egész...

Üdv
Inhouse
(#) Inhouse válasza kadarist hozzászólására (») Aug 3, 2012 /
 
Ő adott meg adatokat, egy rajzon volt, hogy 12V 2A és 5V 2A kell.

Üdv
Inhouse
(#) bundyland válasza Inhouse hozzászólására (») Aug 3, 2012 /
 
A "rajz" szerzője arra gondolt, én karadist kollégát értettem félre.
(#) pheteeemc válasza bundyland hozzászólására (») Aug 4, 2012 /
 
bocsi,de sajnos idén kezdtem az elektronikát,és még nem vagyok tisztában a dolgokkal,sokat kell még tanulnom és tapasztalatot szereznem,így megkérnék valakit ,hogy csinálon egy kapcsolási rajzot ,és megprobálom értelmezni és megcsinálni,köszönöm szépen
(#) kadarist válasza Inhouse hozzászólására (») Aug 4, 2012 /
 
De én meg nem hiszem el azokat az adatokat. Ha valóban 2 amperek kellenek, akkor meg 2 amperes (vagy nagyobb) stabilizátort kell használni.
(#) kadarist válasza pheteeemc hozzászólására (») Aug 4, 2012 /
 
Végül is biztosan 2 amperes az áramfelvétele annak a kütyünek?
(#) pheteeemc válasza kadarist hozzászólására (») Aug 4, 2012 /
 
igen, mert minnél jobban dolgozik a proceszor mikor beakarja tölteni filmet vagy a zenét akkor 2ampert vesz fel
(#) kadarist válasza pheteeemc hozzászólására (») Aug 4, 2012 /
 
Mind a két ágon (5V, 12V)? Megmérted?
(#) pheteeemc válasza kadarist hozzászólására (») Aug 4, 2012 /
 
most méregetem ,1.5 hol 1.8A
(#) kadarist válasza pheteeemc hozzászólására (») Aug 4, 2012 /
 
A 12V-hoz használd ezt: Bővebben: Link, az 5V-hoz meg ezt: Bővebben: Link. Mindkettőnek normális hűtőfelületet kell biztosítani, de főleg az 5V-os fog jobban melegedni.
(#) pheteeemc válasza kadarist hozzászólására (») Aug 4, 2012 /
 
köszi
(#) Wiver hozzászólása Szept 1, 2013 /
 
Sziasztok!
Szeretnék segítséget kérni 12V-ról 3,2V-ot előállításában.
Adott egy navigáció, amiben teljesen bedöglött az aksi, újat meg semmiképp nem szeretnék venni bele. Szétkaptam a szerkentyűt és az aksira 3,2V van ráírva. Arra gondoltam egy külső aksiról (egy másik 12V-os, mert csak az van) szeretném működtetni úgy hogy kihozom a két vezetéket, de félek hogy elromlik ha egy tized eltérés is van a feszültségbe. (Csak a szivargyújtóról való üzemeltetés nem jó, mert leállításkor elfelejt minden beállítást, és álló motornál is van hogy kell) Tudna valaki segíteni, egy kapcsolási rajzba?
A hozzászólás módosítva: Szept 1, 2013
(#) proli007 válasza Wiver hozzászólására (») Okt 10, 2013 /
 
Hello! Nem fog elromolni, mert az aksi feszültsége sem állandó, csak a névleges feszültség van mindig ráírva. Vagy is a 3,3V-os stabilizátor megfelelő lehet számodra. Mivel nagy a feszültség különbség a 12V és a 3,3V között, célszerűbb egy jobb hatásfokú kapcsolóüzemű stabilizátort alkalmazni. Bár annak elkészítése kicsivel több felkészültséget feltételez, mint analóg disszipatív háromlábú társai beüzemeléséhez. De a felvett áram sem mellékes, amit a fogyaszt a készülék. Mert azt eszközt ez alapján kellene kiválasztani. üdv!
(#) bbb válasza Wiver hozzászólására (») Okt 10, 2013 /
 
Szia!

A honlapomon találsz egy MP2303 alapú kapcsolást/nyákrajzot, ami remekül működik és pont ezt a tartományt céloztam meg vele
(#) rettung hozzászólása Aug 20, 2019 /
 
Szervusztok!

Látom az egész téma erről szó, de meg tudnátok mondani melyik az a kapcsolás 7805el amelyik a legstabilabban tudja az 5V/ 1A?
Mármint, tudom, hogy mindegyik ezt célozza meg, de sok esetben látok különbséget, de én amatőrként nem tudom , hogy mi.... 12v os akkumulátorról szeretnék tölteni mobiltelefont.
Köszönöm!
(#) proli007 válasza rettung hozzászólására (») Aug 20, 2019 /
 
Hello! Nem tudom mit értesz a "legstabilabban" alatt. Ha működésre, akkor egy háromlábú analóg szabályzó az, csak éppen elfűt jelenleg 7W-ot. Ahhoz hogy tényleg elvigye, megfelelő hűtése avagy bordára van szüksége. A kapcsolás pedig sokféle nem lehet, mint ami az adatlapján található.
De analóg szabályzó "pazarolja a villanyt". Ha ez nem gond, használd. Ha gond, akkor kapcsolóüzemű szabályzót kell alkalmazni.
Ha a kimenti feszültség stabilitására gondolsz, akkor a 7805 megfelelő, csak éppen a telefonnak nincs szüksége rá. Tekintve hogy a gyári "töltője" is csak egy tápegység, mert a tényleges töltőáramkör a telefonban van.
Következő: »»   4 / 6
Bejelentkezés

Belépés

Hirdetés
XDT.hu
Az oldalon sütiket használunk a helyes működéshez. Bővebb információt az adatvédelmi szabályzatban olvashatsz. Megértettem