Fórum témák

» Több friss téma
Fórum » 48V-os ventilátor fordulatszám szabályzása
Lapozás: OK   2 / 2
(#) lali válasza ferci hozzászólására (») Máj 29, 2007 /
 
szevasztok:végül tényleg nem mondtam az egész gépröl semmit,szóval ez egy fogyó elektrodás heggesztö 0-90%-ig kellene szabályozni,a motorról nem sokat tudok 42V 4,8A az eredeti szabályozója elszált ,s mivel nem lehetett alkatrészt hozzá beszerezni én csináltam egyet mégpedig a bd250 bázisát egy1Kohmos potival amely 2w-os,és a poti két végére tettem a plussz-minuszt,s igy müködött mindig bizonytalan ideig,próbáltam forumot nyitni de a modik átteték beszélgetös megoldásra,vagy valamelyik forumba,s igy kerültem ide a cimben hasonló hibával,csak kevesebb árammal,az a legnagyobb baj hogy mire mindent kipróbálok a kedvem is elmegy töle,s nem találok egy nekemvaló jó egyszerü,olcsó kpcsolást ,köszi a segitséget üdv:lali
(#) ferci válasza lali hozzászólására (») Máj 29, 2007 /
 
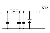
Lali!
Rakd össze a vezérlőrészt, aztán zener nélkül ellenőrizd le 12 voltról, mérd meg, mennyit eszik.
Adj hozzá 5 mA-t, aztán számold ki az előtétellenállás értékét (Upuffer-12) voltra, a wattot ( itt 3x akkora wattost tegyél bele). Utána pakold össze az egészet.
Egy 100µF + 220 nF mehet szűrni, esetleg pár mH-s tekercset is betehetsz + 220 nF-dal.

12v.JPG
    
(#) kmegyd13 hozzászólása Jan 2, 2008 /
 
Sziasztok! aztszeretném kérdezni hogy ez a kapcsolás müxik 12v-nál is, egy ablaktörlömotornak a fordulatát szeretném szabályozni.vagy egykis átalakítással tud valaki segíteni?elöre is kösszi !
(#) vera hozzászólása Márc 18, 2010 /
 
sziasztok, 48v szabájzot szeretnék,csinálni,egy co hegesztö motromra a motor egyen áramal müködöt,csak egyit tudok rola, tekercselö,gépre,szeretném. felhasználni.valaki tud segiteni,meg köszöném.
(#) baloghzoli1 válasza vera hozzászólására (») Márc 18, 2010 /
 
Szia
Itt van több is választhatszBővebben: Link
(#) vera hozzászólása Márc 18, 2010 /
 
köszönöm linket, lene mégegy kérésem. a anper erösége hágy anper lehet egy ijen motornak, mert nemir semit rajta csak,48v de eznagyob,kétszer.az ablak törlö,motornál.holnap tudok egy képet rola.
(#) baloghzoli1 válasza vera hozzászólására (») Márc 18, 2010 /
 
Bekötöd szabályozó nélkül a 48v-ra mérsz áramot közben és nem kell találgatni sem
(#) pzsola hozzászólása Máj 19, 2010 /
 
Sziasztok!
Átolvastam ezt a részt, és egy egyszerűnek tűnő kérdést tennék fel ... a hozzáértők biztosan konkrétumokkal tudnának engem segíteni. Az elv ugyanaz mint a topic címe, csak éppen egy egyen 36V-os szivattyút szeretnék potméterrel szabályozni. Kaptam egy trafót is hozzá, amin 36V 2A szerepel, csak így túl jól működik. Egy potival szeretném beállítani, h mekkora teljesítményt produkáljon a szivattyú ... mondjuk úgy, hogy a trafó és a szivattyú közé bekötném ezt kis kapcsolást, ami mondjuk 24V és 36V közötti áramot ad. Tudnátok egy kapcsolási rajzzal segíteni? Nekem szabi83 hozzászólása (#88930) tetszene, mely egyszerűnek tűnik. A szivattyún nincs semmilyen írás, csak az, hogy 36V.
Köszönöm előre is.
Üdv.: Zsola
(#) Travolta hozzászólása Jan 11, 2016 /
 
Üdvözlet a fórumtársaknak!

Van egy 48V 105W-os 4 vezetékes ventilátor. Két vezeték a táp, és egy egy vezeték pedig tacho es ha minden igaz pwm. A két táp egyértelmű, gondolom a tacho kivezetésen ad vissza információt a forgásról, és a pwmre adott jellel lehet a fordulatot szabályozni.
Ehhez kellene nekem egy egyszerű rajz, amivel egy potméter segítségével tudom állítani a fordulatszámot. Kérdésem az lenne, ha egy 555 ös pwm kapcsolással jelet adok, avval működne a dolog?
Válaszokat előre is köszönöm!
(#) Bakman válasza Travolta hozzászólására (») Jan 11, 2016 /
 
Szinte biztos, hogy működni fog az 555-össel előállított PWM-mel. Van itthon több, hasonló ventilátorom, azoknak TTL (5V) szintű PWM-et kell adni. 500 Hz - 3 MHz közötti frekvenciára üzembiztosan reagálnak.
(#) Travolta válasza Bakman hozzászólására (») Jan 11, 2016 /
 
Köszönöm a gyors választ. Ez jól hangzik. Olyan kérdésem volna még, hogy az 555-ös kimenetére kell valami tranzisztor, vagy köthetem közvetlen rá?
Következő: »»   2 / 2
Bejelentkezés

Belépés

Hirdetés
XDT.hu
Az oldalon sütiket használunk a helyes működéshez. Bővebb információt az adatvédelmi szabályzatban olvashatsz. Megértettem