Fórum témák

» Több friss téma
Fórum » 48V-os ventilátor fordulatszám szabályzása
Lapozás: OK   1 / 2
(#) zoly15 hozzászólása Máj 28, 2007 /
 
Sziasztok
Boccs hogy uj témát nyitok de nekem 1 48V-os ventillátornak a fordulatszámát kéne szabályoznom és ehez keresek kapcsrajzot tudnátok segíteni ebben?
eddig ezttaláltam de nem tudom hogy kibírja-e a 48V-os meg tudná vki mondani h ez a rajz kibírja -e a 48V-ot??
A venti amit szabályozni kéne 48V-os 76mA-os és 3.5W-ot eszik ehez szeretnék rajzot kérni megoldható ez??




előre is köszi!
üdv:
zoly15
(#) PCB válasza zoly15 hozzászólására (») Máj 28, 2007 /
 
Szia !

Az nem bírja ki !

Ez igen LM5069

Üdv!
(#) zoly15 válasza PCB hozzászólására (») Máj 28, 2007 /
 
szia!
oké köszi akkor csak kicserélem a feszstabic-t és már kész is?
És ha 2db LM317-est párhuzamosan kötök akkor kibírja?
Vagy vmi más rajzot nem tusnál adni?


üdv:
zoly15
(#) ferci válasza zoly15 hozzászólására (») Máj 28, 2007 /
 
A 317 nem oké, mert nem bírja a 48 voltot.
Ha lineáris szabályzót akarsz, csinálj egy BD 139-cel vagy a nagyobb testvéreivel egy áteresztőt kisebb tranyóval meghajtva, bázisköri potival szabályozva.
Az is 60 voltos legyen.

Másik :
555-tel pl. PWM és azzal egy 100-200 voltos FET-et hajts meg, rajzot találsz szerintem valamelyik topikban.
(#) Skandar Graun válasza zoly15 hozzászólására (») Máj 28, 2007 /
 
A 48 V már magas neki.
A ventillátor elektronikus szabályozású, vagy sima kommutátoros?
Ha nem zavarja az alacsonyabb fesz, a legegyszerűbb egy BD249C áteresztőtranzisztor, aminek a bázisába teszel egy poti csúszkáját, az emittere meg a föld között van a venti. A poti két vége meg a tápon és a földön.
(#) zoly15 válasza Skandar Graun hozzászólására (») Máj 28, 2007 /
 
a venti olyan vento mint a 12cm-es pc venti csak vastagabbak a tapátok tehát nem kommutátoros
akkor most én a BD249C tranyóval csináljam??
ez kibírja??
rajzot nem tudnál róla adni??

üdv!
(#) zoly15 válasza Skandar Graun hozzászólására (») Máj 28, 2007 /
 
csináltam 1 rajzot be tudnád rajzolni h hogy kössem?
(#) szabi83 hozzászólása Máj 28, 2007 /
 
esetleg ez? tom zéneres táp, hát azzal lehet némi gond

pwm+fet.jpg
    
(#) Sebi válasza ferci hozzászólására (») Máj 28, 2007 /
 
Igazából - ha jól megnézzük - a 317-es egy "lebegő" (floating) szabályzó, tehát a RAJTA ESŐ FESZ nem haladhatja meg a katalógus adatot. Ezért elvileg lehet használni akár 100V-on is, némi megkötéssel. Persze, a kimeneten keletkezett zárlat azonnal tönkreteszi, hiszen akkor a teljes fesz rákerül. Ha egyébként ez van a fiókban, én simán bekötném, a szabályzási tartományt a potival soros ellenállással kell korlátozni, hogy a határadatot ne lépje túl. Végülis ez nem egy labortáp, ahol bármi megtörténhet...
(#) zoly15 válasza szabi83 hozzászólására (») Máj 28, 2007 /
 
köszi de én 1szerűbben gondolkozom
(#) zoly15 válasza Sebi hozzászólására (») Máj 28, 2007 /
 
rajzot nem tudnál erről csinálni igen tényleg ez van a fiókomban
(#) szabi83 válasza zoly15 hozzászólására (») Máj 28, 2007 /
 
:nezze:
(#) zoly15 válasza szabi83 hozzászólására (») Máj 28, 2007 /
 
köszi
(#) zoly15 válasza Skandar Graun hozzászólására (») Máj 28, 2007 /
 
mégis hány ohm-os poti kell ele?
(#) ferci válasza zoly15 hozzászólására (») Máj 28, 2007 /
 
Pl. ekkora.... a pár mA bázisáram miatt.
Legalább fél wattos legyen, nehogy melegedjen esetleg.
Az alsó ellenállással be tudod korlátozni a minimális fordulatot; ha nem szükséges, akkor testre megy a poti alja.

48v .jpg
    
(#) zoly15 válasza ferci hozzászólására (») Máj 28, 2007 /
 
köszi!
a poti legyen fél W-os vagy mi?
(#) zoly15 válasza ferci hozzászólására (») Máj 28, 2007 /
 
és az a 10K-s ellenállás az kell oda?
(#) ferci válasza zoly15 hozzászólására (») Máj 28, 2007 /
 
Igen , a poti..
A 10 k nem muszáj itt.
(#) zoly15 válasza ferci hozzászólására (») Máj 28, 2007 /
 
oké köszi!
(#) ferci válasza ferci hozzászólására (») Máj 28, 2007 /
 
Közepes fordulatnál, ill. 30 volt kimenő körül ellenőrizd a BD-t, mennyire meleg.
(#) lali válasza ferci hozzászólására (») Máj 28, 2007 /
 
szevasztok :én megépitettem ezt a kapcsolást de sajnos 1-óra mulva elszált a bd249,de én elötolómotornál használtam volna ezt a kapcsolást,ki-kellett volna birnia mert a motor 4-5A vesz fel a bd meg 25A tud katalogus szerint,ráraktam 2db bd-de akkor is elszált a tranyó,hogyan lehet átalakitani hogy birja . kösz
(#) szabi83 válasza lali hozzászólására (») Máj 28, 2007 /
 
mekkora feszre kell?

FET-el jobban jársz!

itt egy pwmes kapcsolás zéner és az 1k-s ellenállás helyére mehet 7812 + 100uf +100nf, fet: irfz44 + védődióda.

pwm+fet.jpg

üdv
(#) ferci válasza lali hozzászólására (») Máj 28, 2007 /
 
Egyértelmű, hogy itt csak pwm lehet a megoldás.
Nem nézted a nyitótémát, ott 75 mA terhelésről volt szó.
A BD-re a 25 amper határadat, de 5 amper x pl. 24 volt már 120 W PD, persze, hogy elszáll....

A te cuccod is 48 voltról megy?
(#) Skandar Graun válasza szabi83 hozzászólására (») Máj 28, 2007 /
 
Igen, így gondoltam.
A poti 1k- 2,2k körüli, fél-1w-os legyen.
De ha a BD249C helyére nézel egy 100V 10A-os darlingtont, akkor 22k-47k környékére felmehetsz, oda meg már nem kell teljesítménypoti.
(#) lali válasza szabi83 hozzászólására (») Máj 28, 2007 /
 
szevasztok40-50v közé kell hogy tegyem,ugyanis annyit ad a trafom,ráadásul a741-eseket nem nagyon ismerem,holnap megprobálom megépiteni mert ez nekem igy kin szenvedés mármint a 2-bd-vel üdv:lali
(#) ferci válasza lali hozzászólására (») Máj 28, 2007 /
 
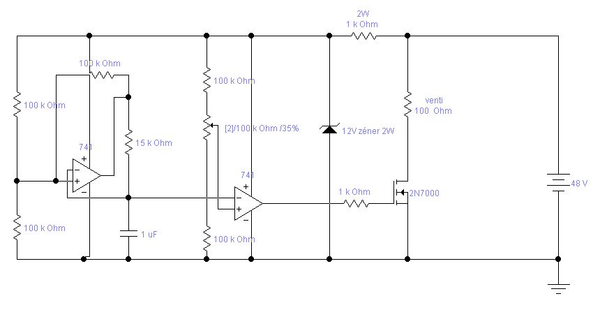
Akkor a FET min. 100 voltos legyen, különben balhé lesz... a drain-körbe meg tegyél be 2x47 voltos zenert és egy gyors diódát.
Skicc mellékelve.

védelem.jpg
    
(#) lali válasza ferci hozzászólására (») Máj 28, 2007 /
 
szevasztok:akkor szabi83 rajza12v-os stabilizátorral és ezzel a védelemmel jól fog müködni?
(#) ferci válasza lali hozzászólására (») Máj 28, 2007 /
 
Még ne szaladj el...
szabi83 még ad tippet a magas puffered miatt.

Lehet eléje egy tranyós előstabilizátor.
A védelem biztos oké, mert már pár darab hasonlót csináltam. A szabadonfutó diódát se felejtsd el.
Iderakom azzal is kiegészítve, nehogy félreértés legyen...........
Zener:2 x ZPY 47, szabadonfutó gyors 2 amperes.
FET hűtve pici bordával.

védelem.jpg
    
(#) lali válasza ferci hozzászólására (») Máj 28, 2007 /
 
szevasz:köszönöm a segitséget remélem megoldodik a BD-stanyó fütése,jó értelemben,még annyit mi lenne ha 741-s helyet tl494-et használnék ,akkor ugyanis nem kellene a 12V-os stabilizátor,csak nem tudom elég jelet szolgáltatna-e köszi:lali
(#) ferci válasza lali hozzászólására (») Máj 29, 2007 /
 
Csatold a rajzot....... végül is ha tudsz csinálni kb 10 voltos pwm jelet 200 Hz- 1kHz között, akkor bármi megoldás jó.
Különben megfelelően méretezett zeneres stabilizálás is oké a vezérlőhöz..

A motorról nem írtál semmit az amperen kívül. Nem mindegy a freki sem; szerintem 3-400 Hz elég lenne.
Hány volt lesz a puffer terhelve, hány voltos motor...
Ezután lehet gondolkozni a kitöltési tényezőn is, kb.
milyen határok között érdemes beállítani.

Következő: »»   1 / 2
Bejelentkezés

Belépés

Hirdetés
XDT.hu
Az oldalon sütiket használunk a helyes működéshez. Bővebb információt az adatvédelmi szabályzatban olvashatsz. Megértettem