Fórum témák
» Több friss téma |
Üdv!
Egy olyan kapcsolást szeretnék építeni, amelyikkel LPT portról vezérelhetem a gépemben lévő ventillátorokat, illetve egy hidegkatód csövet. Ha meg lehet oldani, akkor működjön 12 és 5V-tal is, mert 2 db kék LED-et is szeretnék vele kapcsolni. Ha lehet, akkor valami egyszerű áramkör kellene, mert többet is szeretnék építeni, mert több dolgot szeretnék vezérelni külön-külön. Láttam már több kapcsolást itt, de mindegyikhez optocsatoló szükséges. Esetleg megoldható, hogy enélkül működjön? Nem szeretnék ezreket költeni 1 db áramkörre. ![]() Köszi!
Az optocsatoló a PC megvédése érdekében van az áramkörökbe, a másik hogy pl: 4N25-ös opto kb 50Ft-ba kerül csak, és a géped mennyivel többet ér? Ha kezdő vagy akkor javaslom ne sporoljál 50Ft-os alkatrészen mert sokkal többe kerülhet ha valamit elhibázol. Ha rákeresel elég sok oldalt találsz a HE oldalán ami ezzel foglakozott, vagy a google-ba rákeresel az LPT-s dolgokra ott is találsz elég sokat.
50 Ft? Jah oké, akkor mehet. Azt gondoltam, hogy drágább alkatrész. Akkor viszont megnézem a fent lévő kapcsolásokat megnézegetem. Köszönöm!
Nézegettem amúgy a kapcsolásokat, olyat találtam, amiben van relé. Meg lehet oldani úgy, hogy ne legyen relé? Nem nagy áramra lesz a kapcsolás.
Nah, megmértem, egy ilyen kapcsolónak max 700 mA-t kellene kapcsolnia.
Meg lehet oldani tranzisztorral is, de oda már célszerű BD tipusú tranzisztort használni ami legalább 1Ampert tud, vagy léteznek kicsi relék is amivel szintén 1Ampert lehet kapcsolni.
Értelek. Mellékelek egy kapcsolást, megnéznéd nekem, hogy megfelelő-e? Mert akkor megveszem ahhoz az alkatrészeket és elkészítem azt a kapcsolást. De még azon gondolkodtam, hogy SSR-t kellene beszerezni, mert ahhoz csak egy ellenállás kell és már kész is a kapcsoló.
A kapcsolás jó, a benne lévő tranzisztor 800mA bír max.
Hi
ha több áramkört szeretnél vezérelni akkor létezik 2 ill 4 áramkörös optocsati isBővebben: Link nem vagyok biztos benne, hogy kapható, nekem bontásból van egy rakással. üdv
Akkor összeszedem hozzá az alkatrészeket. Egy kérdés: mivel csak 6V-os relét találtam, meg tudom hajtani ezzel a kapcsolással? Vagy kössek 12V-ot a bemenetére és 12V-os relét keressek?
Meg kell nézni hogy a 6V-os relédet 5V-ról be lehet-e huzatni ha működik akkor semmi probléma nincs. Ha 12V-ról akarod működtetni a relé elé kell egy előtét ellenállás és máris működik 12V-ról is. Ha alkatrészeket akarsz venni elfogadható áron javaslom a www.ret.hu
Nos, nagyon szépen köszönöm a segítséget. Megépítettem a kis relé-kártyámat, rendesen működik.
Végül sikerült 5V-os relét szereznem.
LPT portra létezik ilyen IC:ULN2803A.4db relét tud vezérelni.Nekem van panelom,IC-vel,polar-relével amely 2 állapotú,hálózatkimaradáskor sem billen vissza. 220V/10A kapcsolhat max,behúzáshoz tápfesz 12V kell.
Sziasztok.
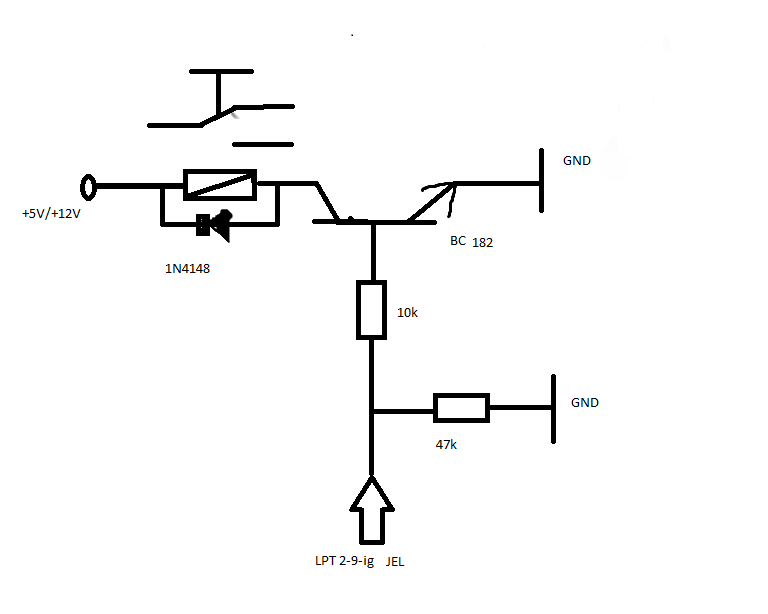
Szükségem lenne ilyen témában 1 kis segítségre. A helyzet az lenne, hogy 1 meglehetősen hülye ötlettel álltunk elő páran, méghozzá azért mert megszállottan növényszeretők vagyunk. Kollégisták vagyunk és 1 olyan PC-vezérelt rendszert szeretnénk létrehozni, ami időközönként (ha nem vagyunk a helyszínen pár hétig), akkor megoldja az ott lévő virágaink locsolását. Ezt a következő elven: LPT port segítségével 1 régi ablakmosó motorját vezéreljük (6-12V), amely bizonyos ideig kinyitva 1 tartályból vizet ereszt a virágokra. Ez idáig rendben is lenne hiszen mi sem egyszerűbb mint kiszámolni hogy milyen időközönként milyen mennyiségű vízre van szüksége 1 virágnak... Ennek megvalósítására elég is lenne a mellékelt áramkör. Azonban a páratartalom és a hőmérséklet változásával más lesz az az időintervallum is, amely után a virág vizet igényel. Tehát azt találtuk ki hogy a virágföld 2 végébe szúrt 2 fémrúd közötti áramvezetést fogjuk mérni. Ha nem elég nedves a föld, akkor nyilvánvalóan nem vezet, és a virágnak vízre van szüksége. Nah igen, de mindezt úgy kellene megoldani hogy mérni lehessen azt, hogy ha az adott föld vezetőképessége mennyi, és a kellő programozási feltételek mellett ez mérni is lehessen. Azt persze részlet kérdés beállítani hogy mennyi legyen az a feszültségi érték amilyen alatt az ablakmosó nyitna... Igazából nem tudjuk hogy valósulnak meg elektronikusan ez a feszültségmérésre alkalmas jel. Lényeg a lényeg, még nem sokat értünk az elektronikához, és az lenne a kérdésem hogy a mellékelt rajz megvalósításával lehetséges ennek a kivitelezése? Ha igen hogyan? Ha nem, akkor valaki tudna nekünk segíteni abban hogy lehetne az? Előre is köszönöm a segítséget!
Ezt felesleges szamitogepre bizni, rengeteget fogyaszt es nem megbizhato, bonyolult az adatok bejuttatasa a gepbe, stb.
Tipikusan mikrokontrollerert kialto tema. PIC AD-vel, ezer forint alatt van mar. Szerintem a mechanikai kivitelezes sokkal bonyolultabb lesz, pl. a tavolabbi novenyek ugyanannyit kapjanak, mint a kozelebbiek, a nagyobbak tobbet mint a kisebbek, a lapos cserep gyorsabban parologtat, stb. Egy virag nem tul kenyes erre, gondoljatok a termeszetre, ahol az eso elegge szabalytalanul jon. Szoval a vezerlesi resz egyszeru lesz, kb naponta egyszer x idore megnyitja a csapot es kesz. Egy elemrol siman eljar a cucc hosszu evekig, a pumpat meg relevel kapcsolni akkurol.
Igen, mi is gondoltunk erre, bár a gond azzal van, hogy akkor meg nem is a rendszer, hanem a rendszer megvalósítása kerülne elég sokba... mi nem PIC-re hanem AVR-re gondoltunk. A PIC-eket én személy szerint annyira nem is ismerem, de AVR-re tuti hogy van C fejlesztőfelület.
Visszatérve elég költséges lenne 1 felprogramozót megvenni, a házilag összerakható boardokban meg nem tudom mennyire lehet megbízni. Ha esetleg tudsz 1 megbízható boardrajzot akkor állok elébe!
Szerintem a szamitogep aramfogyasztasa miatt (csak szamolj 50W-al, kb naponta tobb,mint 1kWh) mar bejon a vezerlo ara 1 honap alatt. Utana mar csak hasznot termel. Valami elektros haver csak megcsinalja...
De mindegy, akkor legyen ugy, ahogy akarjatok. Az analog feszultsegjel bejuttatasa lesz nehez, de talan megfeleloen leosztva a hangkartya bemenet esetleg alkalmas lehet a celra. A vezerles a porton at elegge egyszeru, valami levalaszto meghajto IC, mondjuk 74hct245, ami mehet egy bd139-esre, ami kapcsolja mar a relet. Siman ratenni a D0 vagy a /strobe jelre. XP alatt van mondjuk az AllowIO, amit nem is kell driverkent felrakni, hanem ezzel inditani a sajat progit /a kapcsoloval, ilyenkor az XP nem sir a direkt portkezelesert akarmilyen cim volt is... Altalaban a 0378-as cimrol indul a port.
Szia! Most olvastam az egyik hozzászólásodat. Ott írtad, hogy van neked "LPT portra létezik ilyen IC:ULN2803A.4db relét tud vezérelni.Nekem van panelom,IC-vel,polar-relével amely 2 állapotú,hálózatkimaradáskor sem billen vissza. 220V/10A kapcsolhat max,behúzáshoz tápfesz 12V kell."
Érdeklődnék, hogy ez megvan-e még neked, és, hogy eladod-e? Ha lehetséges akkor a hir111@freemail.hu címre válaszólj. Üdv: Csaba
Sziasztok . Segitségre lenne szűkségem 4-5 db relét szeretnék műkődtetni számitogépről ha lehet rs 232 vagy Usb-ről ha tudnátok segiteni előre is köszönöm a segitséget
sziasztok
A kérdésem az lenne h relékártyés cuccom van relé nélkül és 10 led-et szeretnék oldalanként müködtetni , ebbe szeretném a segítségeteket kérni a legegyszerübbet ha lehet . előre is köszi.
Sziasztok.Azt szeretném kérdezi ha a mellékelt képen látható módon szeretném megoldani a leválasztást,az lpt 18-25 gnd-jét hova kell kötnöm?Vagy mind a 2 GND a -5/-12V.Előre is köszi a segítséget.Bocsi a gagyi rajzé.
Hali!
A két GND-t összekötöd és általában elég az egyikhez rakni az LPT 18...25 lábai közül. No meg természetesen amit hajtasz vele, annak a testjével (GND) is kösd össze.
Szia. Köszi a gyors választ. 1 12V-os relé lessz rajta.
Egy lehetséges megoldás! >>> Bővebben: Link <<< [off] a felső rajz...
Hello.Megépítettem
|
Bejelentkezés
Hirdetés |








Ezt a következő elven: LPT port segítségével 1 régi ablakmosó motorját vezéreljük (6-12V), amely bizonyos ideig kinyitva 1 tartályból vizet ereszt a virágokra. Ez idáig rendben is lenne hiszen mi sem egyszerűbb mint kiszámolni hogy milyen időközönként milyen mennyiségű vízre van szüksége 1 virágnak... Ennek megvalósítására elég is lenne a mellékelt áramkör. Azonban a páratartalom és a hőmérséklet változásával más lesz az az időintervallum is, amely után a virág vizet igényel. Tehát azt találtuk ki hogy a virágföld 2 végébe szúrt 2 fémrúd közötti áramvezetést fogjuk mérni. Ha nem elég nedves a föld, akkor nyilvánvalóan nem vezet, és a virágnak vízre van szüksége. Nah igen, de mindezt úgy kellene megoldani hogy mérni lehessen azt, hogy ha az adott föld vezetőképessége mennyi, és a kellő programozási feltételek mellett ez mérni is lehessen. Azt persze részlet kérdés beállítani hogy mennyi legyen az a feszültségi érték amilyen alatt az ablakmosó nyitna... Igazából nem tudjuk hogy valósulnak meg elektronikusan ez a feszültségmérésre alkalmas jel.







