Fórum témák
» Több friss téma |
Szia, rosszul olvastad. Nem 2 óra hanem 2 perc.
üdv
A következő kapcsolás alapján szeretnék impulzus adó áramkört építeni max. 20% kitöltési tényezővel. Kérdésem: hogy lehet a kimenetem legegyszerűbben potenciálmentesen rövidzár/szakadás? Relé nélkül!! Ja az áram max. 10-20 mA - Egy mikrokapcsolót szeretnék kiváltani egy másik áramkörben. Köszönöm! A hozzászólás módosítva: Nov 30, 2021
Hello! A potenciál mentes, kicsit tág fogalom. Ha egyenáram a 10..20mA, akkor lehet használni pld.
ezt az optocsatolót. Ha váltóáram, akkor pld. a MOC3021-et. Van belőle nulldetektoros is. De nagyon nem mindegy a frekvencia, mert Te csak a kitöltésről beszélsz. De hogy mikrokapcsoló helyett minek az ütemadó, azt csak Te tidhatod.
Legújabb LCD-s hőmérőm csak 5mp-ig háttér-világít ha megnyomjuk a tetején a gombot. Persze ha nyomvatartom akkor is csak 5mp. Azt szeretném ha örökké világítana, így a gombbal párhuzamosan kötnék egy áramkört amely 2mp-enként kb 500ms mindentől független rövidzárat kapcsolna a gomb lábaira. Elemtartóba tenném a kütyüt mert úgyis telefontöltőről éltetném tovább. Hát ennyi..
Miért nem kötöd át a ledet a táp kimenetére, esetleg összediódázni...
Az akkutöltőmnél hasonló elalvós volt a háttérvili, ott én azt csináltam, hogy a világítás kapcsolótranyójával párhuzamosan kötöttem egy "megfelelő" ellenállást, így ha világítani "akar" akkor max fényerő, ha "nem akar" világítani, fél fényerővel virít
És nem lehet egy susztermattal fixre kötni a háttérvilágítást? Ha elektronika kapcsolja a Lrd-eket, akkor majdnem biztos hogy nem kell a 10..20mA áramot kapcsolni. Gondolom a nyomógomb is csak egy grafitos izé, nem nyomógomb.
Szinte biztos hogy elektronika kapcsolja őket de annyira nem akartam megbuherálni. Nemtudom ezeknek az új kütyüknek mennyire érzékeny az kimenetük amellyel a ledre kapcsolja a feszt. Tessék itt az időpontos videó linkje ahol benyomja a gombot. Bővebben: Link
Nézd meg a kapcsolását, hová megy a led, szerintem egy tranyó kollektorára, és földet kapcsol.
Zárd rövidre a C-E-t, vagy tegyél párhuzamosan egy másik tranyót, aminek a bázisa ellenálláson keresztül a betápra + ra megy
De ezek csak feltételezések. Legalább kipróbáltad, hogy mi van ha nyomva tartod, vagy nyomkodod mi van? Mert ha a programban leírt időzítő "nem újraindítható", akkor hiába nyomkodod a gombot, ki fog kapcsolni a következő impulzusig. Vagy is villogni fog. De ez is csak fikció, mint amiket írsz.
Igen jogos. Amit kipróbáltam hogy ha nyomvatartom elól.
Egyre jobban hajlok a világítás - fix táp felé. Holnap szétszedem az eszközt és meglátjuk mi a helyzet. Köszönöm az ötleteket! pipi neked is!
Üdv!
Van egy elemes LED fényfüzérem, több funkcióval. A képen a bal oldali módon oldották meg a bekötést, PWM jellel hajtva, aminek a vezérlő cserélgeti a polaritását, így fenntartva a folyamatos világítás hatását. A problémám az, hogy a vezérlő időzített, 6h be és 18h ki módon. Ezt nem lehet kikapcsolni benne, ezért szeretnék egy vezérlőt csinálni hozzá. Ha a ledek egyik vezetékét fél tápra húzom, a másik felét pedig megfelelő értékű ellenállással a kimenetre rakom, jó lehet? Akkor elvileg váltogatná a polaritást, de javítsatok ki, ha tévedek.
Ha a két vezetékest használod, a pwm kimenetet 2db tranzisztorral a polaritást tudod forgatni.
Hello! A két ellenállálás nem jó. Zabálná a tápot és fele feszültséget adna. Ide "H-híd" kell. De nem írtad a tápfeszt, meg az áramot. De vélhetően 3V-os. De miért gond az időzítés? Az kíméli az elemet.. Nappal úgy sem látszik a dolog.
Elem helyett telefontöltő ad tápot, feszültségszint természetesen igazítva.
Akkor hogy stílusosak legyünk, két 555-öt is használhatsz. Egyik astabil, a másik inverter üzemmódban, és a két kimenet közé kötöd a Led-eket. Az 555 az 5V-ból "lecsal majd 1V-ot, de az is elég lesz. 100mA-ig tudod használni.
Csak nem a Lidl-ben is kapható elemes cuccról van szó? Én ma vettem egy ilyet, szintén 6óra 18óra időzítésekkel megy. De azon a kapcsolónak van egy olyan állása, amikor folyamatosan ég, és kb 30 órát bír új elemekkel.
Én meg pont azt tervezem, hogy a két elem helyett egy 18650-es Li-Ion akkut kötök rá, aminek sokkal nagyobb a kapacitása, így nem 30 óránként kell elemet cserélni, hanem 60-90 óránként feltöltött akkut tenni bele. Ha neked csak az kell, hogy ne a 6/18-as időzités legyen, akkor kapcsold fix világításra, és a tápot kapcsold power mosfettel a vezérlőd ütemével.
Nem, valami netről rendelt csoda, ez nem kapcsolós, hanem gomb van rajta módválasztónak.
Nincs régi trafós Nokia töltőd? Az szétszedhető, semmi elektronika nem kell. Graetz-et kiveszed és mehet a váltó a ledekre. Esetleg egy soros elleállás kell.
Sziasztok!
Találtam pár napja egy ne555 ic-t, és nosztalgiából szeretném felhasználni egy 38KHz-es infra led meghajtásra. A Hobbielektronika oldalon az NE555 kalkulátor segítségével beállítottam a megfelelő elérhető alkatrészek megválasztásával a 38KHz-et, 52%-os kitöltési tényezővel. Egy dolog nem tiszta előttem: az 5. CV lábra mekkora kondenzátor kell, vagy esetleg azt a lábat be sem kellene kötni? Válaszotokat előre is köszönöm! Üdvözlettel: ssdroon30
Oda elég akár 10nF is, csak szűrési célt szolgál.
Hello! Azt általában egy 10..100nF-os kondenzátorral szokás hidegíteni. Tekintve hogy ez pont a tápfeszültségből leosztott belső referencia, így a tápfesz felől érkező zavarjel nem tud hatni az oszcillátorra.
Szia !
Tisztán látod igen, mivel az 5.lábot nem akarod modulálni triggerelni, ezért bekötni sem kell, sehová. Simán megépíted az adott kapcsolást, és ketyeg 38KHz-en, csinálja a 4szög jeleket. Nálam 17-18,2KHz-en, stabilan müködik, 9V-12V-os tápfesz, tartományban,meghajtóként, évek óta már. De beépítettem már disznó sokkolóba, ott 10V.ról akkuról ment, a 30Hz, es és 65Hz,es alapjelet állította, elő, egy illesztő trafóval hajtottam meg a kapcsoló tranzisztort, igy csekély áramfelvétel jó hatásfok mellett, kiadta a 120V-ot, a panel.
Helló Mindenkinek!
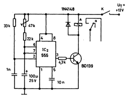
Egy kis segítséget szeretnék kérni tőletek. Lenne egy alkonykapcsoló és egy 555-ös ic-vel egy időzítő. Ha sötét van, akkor az alkonykapcsoló jelet ad az időzítőnek, ami 10 mp-re megszakítja a kimenetén a feszültséget. Azt szeretném megoldani, hogy ekkor az alkonykapcsoló ne működjön még további 2-3 percig, de az időzítő kimenetén már legyen feszültség. Bízok benne, hogy érthetően írtam le. Nagyon szépen köszönöm! A hozzászólás módosítva: Jan 9, 2022
Hello! Őszintén nem annyira értem..
- "Ha sötét van.." Vagy is ha besötétedik.. - " 10 mp-re megszakítja a kimenetén a feszültséget.." Vagy is 10 másodpercre legyen az 555 kimenete alacsony szintű? - " Az alkonyatkapcsoló ne működjön még további 2+3 percig" Tehát ha működött a 10 sec időzítés, akkor az alkonyat kapcsoló ne tudja újra indítani az időzítést2-3 pertcig? - "De az időzítő kimenetén már ne legyen feszültség." De hát azt írtad, hogy az időzítés alatt legyen a kimenet alacsony szintű. A "ne legyen feszültség" is ugyan ezt jelenti. De.. - Egy 555 időzítővel monostabil módban lehet időzíteni, de ez alatt a kimenete magas szintű. Ha fordított jelre van szükség, akkor invertálni kell. Vagy ha relé van a kimenetén s azt szeretnénk hgy a relé az időzítés alatt ejtsen el, akkor a relét a táp és a kimenet közé kell kötni. - Indítani az időzítőt a 2-eslábra adott lefutó jellel lehet. De ha ez állandóan fennáll, (tehát 'sötét van", akkor a kimenet folyamatosan magas szinten van az idő letelte után is. Avagy ha a sötétedésre indítanád az időzítőt, akkor oda egy diferenciáló (RC) tag , vagy is trigger kell. Mivel a sötétedés lassú folyamat, abból nem lehet indító trigger jelet képezni, csak akkor ha a sötétedés jelét egy komparátor fokozaton vezetjük át. Mert annak kimenete gyorsan fog változni, bármilyen lassú is a bemeneti jel. - Általában a 2..3 perc időzítés már hosszú egy analóg időzítő számára. Valamint ez már egy újabb időzítő áramkört jelent. Egyenlőre ennyi. Lehet jobban érthető lett volna, ha egyszerűen megírod mi lenne a működés célja, (mit szeretnél működtetni és miért így) hogy érthetőbbé váljanak a követelmények. Mert itt két időzítésről van szó, trigger képzésről és némi logikai hálózatról, vagy áramkörről.
Sziasztok!
Szeretnék a motoromra épteni "hazakísérő fényt". Tehát ha leveszem a gyujtást még mondjuk 2 percig világtson a helyzetjelző. Ezzel nincs is gond, minden akkumulátorról üzemel. A gyujtás egy sima kormánykapcsolóval van megoldva. Ez reléket kapcsol, így zárja r övidre a gyujtást leálltáskor és kapcsolja a lámpákat stb. A kérdés legfőképp az lenne, hogy alapállapotban egy 555IC fogyasztása maradhat fixen az akksin, vagy célszerűbb lenne saját magát öntartásban tartania? Tehát ha letelik a 2 perc és a gyujtáskapcsoló ugye már megszakított állásban van, akkor saját magát áramtalanítsa az 555(elengedi a relét, ami táplálja a helyzetjelzőt és magát az 555-öt is, vagy mehet nyugodtan fixen? Ezt gondolom megtudom oldani egy sima diódával. Az 555 bemenete le van húzva, ekkor ugye a kimenet aktítv, ami fixen tartja a relét. Ha megszűnik az áramforrás, akkor a relé még 2percig behúzva tart, majd kikapcsol. Viszont ugye ilyenkor ha újra áram aláhelyezem, akkor elég lehet elvileg a 3-as lábra adnom egy soros diódán keresztül 12V-ot, ami tarja megint csak a relét és tápot az az 555-nek. Jól gondolom, hogy még a dióda elé kellene kössek egy tranzisztort, ami testre húzza az 555 2-es lábát és működhet a dolog? ![]() (próbáltam lerajzolni Proteusban, de fél óra után kihullott a hajam, mert touchpaddal valami borzalmas kínlódás, szóval elnézést, ha kicsit érthetetlen.)
Hello!
Az 555 kb. 5mA áramot fogyaszt. Gondolom valami ilyesmire gondoltál..
Konkrétan teljesen erre gondoltam, de csak fejben volt meg a dolog.
Köszönöm szépen!
Egyébként ilyen egyszerűen is megoldható és az az előnye is meg van, hogy nem azonnal kapcsolja a lámpát, amikor ráadod a gyújtást, hanem megvárja míg indítasz. (Ha van ilyen.)
|
Bejelentkezés
Hirdetés |


















